126137 (578002), страница 2
Текст из файла (страница 2)
Подставляя числовые значения, получим
см.
По этим данным наносим точку
– центр тяжести сечения и проводим главные центральные оси
и
.
2. Вычисляем главные моменты инерции относительно осей
и
:
;
.
Вычисляем момент инерции полосы
относительно оси
см4,
где
– расстояние от оси
до центра тяжести прямоугольника
см.
Аналогично находим момент инерции швеллера относительно оси
:
,
где
см;
см4.
Главный момент инерции
см4.
Точно также вычисляем главный момент инерции сечения относительно оси
.
Для прямоугольной полосы
см4.
Для швеллера
,
где
см.
см4.
Суммарный момент инерции относительно оси
см4.
3. Вычерчиваем сечение в масштабе 1:2 с указанием на нем всех осей и размеров (в см) (рис.4).
Рис.4. Сечение, составленное из стандартных профилей проката
Задача 4
Построить эпюры поперечных сил и изгибающих моментов от расчетной нагрузки. Проверить несущую способность деревянной балки.
Данные для задачи своего варианта взять из табл. 4 и схемы на рис. 11.
Таблица 4
| Вариант |
|
|
|
|
|
|
| м | ||||||
| 49 | 3 | 6 | 1 | 20 | 12 | 6 |
Решение
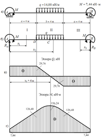
1. Выполняем расчетную схему согласно исходных данных (рис.5,а).
Отбросим опоры и заменим их влияние на балку опорными реакциями
и
(рис.5, б).
Определяем опорные реакции.
Составим сумму моментов всех сил относительно точки
:
;
,
откуда
кН.
Составим сумму моментов всех сил относительно точки
:
;
,
откуда
кН.
Проверка:
.
Следовательно, реакции определены правильно.
2. Балка имеет три участка. Обозначим через
расстояние от левого или правого концов балки до некоторого его сечения. Составим выражения для поперечных сил
и изгибающих моментов
, возникающих в поперечных сечениях балки и по ним установим значения ординат эпюр в ее характерных сечениях.
Участок I
:
;
.
При
кН;
.
При
м
кН;
кН∙м.
Поскольку уравнение изгибающего момента – уравнение параболы, то для построения эпюры
определим еще одно значение момента:
при
м
кН∙м.
Участок II
:
;
.
При
м
кН;
кН∙м.
При
м
кН;
кН∙м.
Участок III
:
;
.
При
кН;
.
При
м
кН;
кН∙м.
3. По полученным ординатам строим эпюры
и
балки (рис.5, в, г).
Рис. 5. Расчетные схемы к задаче 4
4. Условие прочности деревянной балки записывается в виде
, (1)
где
– максимальный изгибающий момент, действующий в поперечном сечении балки. Из эпюры изгибающих моментов имеем
кН∙м;
– момент сопротивления сечения при изгибе; для сечения прямоугольной формы
,
где
мм
м – ширина прямоугольного сечения балки;
мм
м – высота прямоугольного сечения балки;
м3;
– допускаемые напряжения при изгибе; для дерева принимаем
МПа.
Проверяем несущую способность деревянной балки
Па
МПа,
что значительно больше допускаемых напряжений. Следовательно, несущая способность балки не соблюдается.
Ответ: Прочность балки недостаточна.
Задача 5
Для двухопорной балки подобрать сечение двутавра из условия прочности.
Проверить прочность по касательным напряжениям. Построить эпюры
и
для сечений, в которых
и
. Нагрузку принять состоящей: 1) из 80% постоянной, коэффициент перегрузки
2) из 20% временной, коэффициент перегрузки
.
Данные для задачи своего варианта взять из табл. 5 и схемы на рис. 12.
Таблица 5
| Вариант |
|
|
|
| ||
| м | ||||||
| 49 | 4 | 4 | 12 | 6 | ||
Решение
1. Определяем действительные значения нагрузок, действующих на балку, используя метод расчета предельного состояния по несущей способности.
При этом расчетное усилие в балке (в нашем случае
и
) определяем как сумму усилий от каждой нормативной нагрузки (постоянной и временной) с учетом соответствующих каждой нагрузке коэффициентов перегрузки. В результате получим
кН∙м;
кН/м.
2. Выполняем расчетную схему согласно исходных данных (рис.6,а).
Отбросим опоры и заменим их влияние на балку опорными реакциями
и
(рис.6, б). Учитывая симметричность конструкции, получим
кН.
2. Балка имеет три участка. Обозначим через
расстояние от левого или правого концов балки до некоторого его сечения. Составим выражения для поперечных сил
и изгибающих моментов
, возникающих в поперечных сечениях балки и по ним установим значения ординат эпюр в ее характерных сечениях.
Участок I
:
;
.
При
кН;
кН∙м.
При
м
кН;
кН∙м.
Участок II
:
;
.
При
м
кН;
кН∙м.
При
м
кН;
кН∙м.
Так как на концах участка II поперечная сила меняет свой знак с плюса на минус, то на данном участке изгибающий момент принимает максимальное значение.
Из условия
найдем абсциссу
сечения, в котором действует изгибающий момент
:
,
откуда
м.
Тогда при
м
кН∙м.
Участок III
:
;
.
При
кН;
.
При
м
кН;
кН∙м.
3. По полученным ординатам строим эпюры
и
балки (рис.6, в, г).
Рис. 3. Расчетные схемы к задаче 3
4. Определяем из условия прочности необходимый момент сопротивления сечения
, (1)
где
– максимальный изгибающий момент, действующий в поперечном сечении балки. Из эпюры изгибающих моментов имеем
кН∙м;
– момент сопротивления сечения при изгибе;
– допускаемые напряжения при изгибе; принимаем для стали Ст3
МПа.
Из выражения (1) находим требуемый момент сопротивления сечения
м3
см3.
Для подбора сечения балки в виде двутавра используем таблицу сортамента [1, с.283], откуда выбираем для заданного сечения балки двутавр № 40, для которого
см3. Перегрузка при этом составит
,
что вполне допустимо (< 3%).
5. Построим эпюры
и
для сечений, в которых
и
.
Сечение С (расположено посередине пролета
). В данном сечении действуют только нормальные напряжения, так как поперечная сила равна нулю.
Нормальные напряжения вычисляем по формуле Навье
.
В данном сечении
кН∙м,
кН.
Данные для двутавра №40:
мм;
мм;
мм;
мм;
см2;
см4;
см3.
Обозначим характерные точки по высоте сечения (рис.7).
Точка 1:
мм
м;
Па
МПа.
Поскольку изгибающий момент положительный, то точки 1 и 2 лежат в сжатой зоне и напряжения в этих точках имеют отрицательный знак.
Точка 2:
мм
м;
Па
МПа.
Точка 3:
, так как
. Ось, проходящая через точку 3, называется нейтральной осью.
Точки 4 и 5. В этих точках значения нормальных напряжений те же, что и в точках 2 и 1, только положительные, так как точки 4 и 5 лежат в растянутой зоне.
МПа;
МПа.
По полученным значениям строим эпюру
(рис.7).
Рис.7. Эпюра нормальных напряжений в сечении С
Сечение D. Здесь действует максимальная поперечная сила
кН, а изгибающий момент равен
кН∙м.
Касательные напряжения
вычисляем по формуле
.
В точках 1 и 5
(рис.8).
Точки 2 и 4. Вычисляем статический момент площади поперечного сечения
,
где
– отсеченная часть площади поперечного сечения;
– координата центра тяжести отсеченной площади.
м3.
При
мм
Па
МПа.
При
мм
Па
МПа.
Точка 3. Это точка, расположенная на уровне нейтральной оси. Для нее имеем [2, с.257]
м3.
Па
МПа.
Нормальные напряжения в сечении D
Па
МПа (сжатие);
МПа (растяжение).
Строим эпюры напряжений в сечении D (рис.8).
Рис. 8. Эпюра касательных напряжений в сечении А
Максимальное касательное напряжение имеет место на нейтральной линии, то есть
МПа.
Допускаемое касательное напряжение по 3-й теории прочности принимаем равным
МПа.
Следовательно, для балки двутаврового сечения
МПа<96МПа
.
Условие прочности выполняется.
Задача 6
Подобрать сечение равноустойчивой центрально сжатой колонны из двух швеллеров или двутавров (в зависимости от варианта выполняемой задачи), соединенных планками способом сварки. Материал - сталь Ст3, расчетное сопротивление
МПа. Данные для задачи своего варианта взять из табл. 7 и рис. 13. Принять
.
| Вариант | Схема на рис. |
|
|
|
|
|
|
| % от | |||||||
| 49 | V | 6 | 0,6 | 30 | 70 | 1,3 | 1 |
Решение
1. Определяем действительное значение нагрузки, действующей на колонну, используя метод расчета предельного состояния по несущей способности.
При этом расчетное усилие в колонне (в нашем случае
) определяем как сумму усилий от каждой нормативной нагрузки (постоянной и временной) с учетом соответствующих данной нагрузке коэффициентов перегрузки. В результате получим
МН
кН.
2. Равноустойчивость колонны во всех направлениях будет обеспечена при равенстве моментов инерции относительно осей
и
. Момент инерции сечения относительно оси
не зависит от расстояния
, поэтому подбор сечения произведем, учитывая это обстоятельство.
3. Принимая в качестве первого приближения значение коэффициента
, находим площадь поперечного сечения колонны
м2
см2.
Из таблиц сортамента [1, с.284] выбираем два швеллера № 30, для которых суммарная площадь сечения равна
см2.
Наименьший радиус инерции из той же таблицы для составного сечения
см.
Определяем гибкость колонны
.
Коэффициент
из табл.X.1[1] получаем равным
.
Повторим расчет, принимая
.
Далее находим
м2
см2.
Из таблиц сортамента [1, с.284] выбираем два швеллера № 20а, для которых суммарная площадь сечения равна
см2;
см. Гибкость колонны при этом будет равна
.
Коэффициент
из табл.X.1 получаем равным
.
Еще раз повторим расчет, приняв
.
Далее получаем
м2
см2.
Выбираем швеллер № 18а. Тогда
см2;
см.
Гибкость
.
Коэффициент продольного изгиба при этом равен
.
Еще раз произведем расчет
.
Далее получаем
м2
см2.
Выбираем швеллер № 18. Тогда
см2;
см.
Гибкость
.
Коэффициент продольного изгиба при этом равен
и очень мало отличается от
. Расчет заканчиваем и принимаем швеллер № 18, для которого
см4;
см4;
см2.
Момент инерции сечения колонны относительно оси
равно
см4.
Момент инерции сечения колонны относительно оси
равно
.
Условие равноустойчивости имеет вид
.
Подставляя сюда значения моментов инерции, получим
,
откуда находим расстояние от центра тяжести швеллера до оси
см.
Определяем длину пластин
см
Ответ: Сечение колонны: два швеллера № 18, соединенные пластинами длиной
см способом сварки.
Список использованной литературы
1. Степин П.А. Сопротивление материалов. М.: Высшая школа, 1983.
2. Дарков А.В., Шпиро Г.С. Сопротивление материалов. М.: Высшая школа, 1989.
3. Ицкович Г.М. Сопротивление материалов. М.: Высшая школа, 1986.
96>















