125519 (577862)
Текст из файла
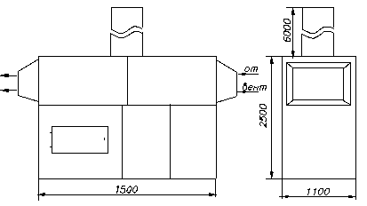
Мобильная Тепловая Станция - это универсальный источник тепла, может работать в круглосуточном режиме и устанавливаться вне помещения. Важнейшими преимуществами МТС являются:
-компактность станции;
-возможность использования сыпучего и кускового топлива вперемешку по мере накопления;
-высокая производительность и экономичность при малом энергопотреблении;
-не требует помещения;
-легкость монтажа и перевозки.
Схема МТС
Таблица
Технические характеристики МТС
| Мощность МТС, кВт | 200 |
| Количество топлива в сутки: -дрова, м3; -опилки, торф, тонн; -каменный уголь, тонн; | 3,0 1,25 0,78 |
| Масса установки, тонн | 2,8 |
| Габаритные размеры, м -длина -ширина -высота | 1,5 1,1 2,5 |
| Радиальный вентилятор ВЦ - 14-46-5 №5, мощность, кВт | 18,5 |
3.2.1 Компоновка распределителя
Компоновка распределителя сводится к определению его габаритных размеров. Габаритные размеры распределителя будем определять исходя из его площади.
Определим площадь распределителя.
V
F = _____ (3.7)
где V - объемный расход воздуха, м3/ч;
-скорость агента сушки, м/с.
Скорость агента сушки в распределителе принимаем равной 5 м/с.
Тогда
10000*5
F = ____________ = 0,5 м2
3600
-Определим размеры сторон распределителя:
F = а*в (3.8)
где а и в - соответственно размеры сторон распределителя, м.
а = 1м; в = 0,5м.
Принцип работы распределителя заключается в следующем:
Распределитель предназначен для изменения направления агента сушки в рулоне. Изменение в рулоне направления движения теплоносителя в данной установке регулируется при помощи клапанов 2, установленных в распределителе 1. Крайнее левое положение клапанов обеспечивает подвод теплоносителя со стороны вершин, крайнее правое положение обеспечивает подвод теплоносителя со стороны комлей. Воздух в распределитель подается мобильной тепловой станцией УТПУ - 200А.
3.5 Аэродинамический расчет
Аэродинамический расчет включает в себя определение потерь давления в циркуляционном кольце движения агента сушки внутри сушилки.
-Определим потери давления в воздуховоде на нагнетание (рис. ):
Рначобщ1 = P1 + P2 + Pр (3.21)
Участок 1.
1.Скорость воздушного потока 1 = 11м/с;
2.Принимаем диаметр воздуховода d1 = 0,355м;
3. По 1 и d 1 находим R1 и Pg1. [15]:
R1 = 3,5 Па п * м
12 112
Pg1 = _____ * = _____ *1,2 = 72,6 Па
2 2
4.Местные сопротивления:
-Два отвода под = 900; ч/d = 3; G = 0.24.
-Диффузор F0/F1 = 0,8 G = 0,04
5. P1 = R1 l1 + Pg1 (3.22)
Участок2.
-
Принимаем а2 = 1м, в2 = 0,3м.
-
Определяем площадь сечения воздуховода:
F2 = 1 * 0,3 = 0,3м2.
-
Определяем скорость на выходе воздуховода:
V2
2 = _____
F2
где V - объемный расход воздуха, м3/ч
F-площадь сечения воздуховода, м2.
10000 * 0.3
2 = ________________ = 9 м/с
3600
-
Определим d 2 экв:
-
По 2 и d 2 находим R2 и Pg2.
-
R2 = 1,7 Па п * м
-
Н
аходим потери давления на преодоление силы трения, Па:
R1 + R2 3,5 + 1.7
R ср = ------------- = ----------------- = 2.6 Па п*м
2 2
Количество окон n = 4 отверстия.
-
Определим количество воздуха, выходящего из каждого окна:
V 10000
Vок = ______ = __________ = 2500 м3/ч
n 4
Vок 2500 *0,057
ок = ----- = ---------------- = 12 м/с
Fок 3600
-
Определим потери давления на преодоление местных сопротивлений: -дроссельный клапан, при = 450 = 140
P2 = Rср * l2 + Pg2 ( ) (3.23)
P2 = 2,6*8 + 48,6*14 = 701,2 Па
Потери давления в распределителе принимаем Pр = 100 Па.
Рначобщ1 =33,2 + 701,2 + 100 = 834,4Па
-Определим потери давления в воздуховоде на всасывание (рис.3.)
(3.24)
-Определим сопротивление слоя высушивающего материала Pм [14]
Pм = 9,81*10-6(700 + 2,7 W1)*Рс2,465*м1,18*h*1,3 (3.25)
где - W1 - начальная влажность рулона, %;
Рс - плотность рулона, кг/м3;
h - высота рулона, м.
Pм = 9,81*10-6(700 + 2,7*30)*1212,465*0,81,18*1,1*1,3 = 1146,4 Па
-
Определим потери давления на участке 3
P3 = R3l3 + Pg3 (3.26)
-
Принимаем а3 = 1м, в3 = 0,3м.
-
Определяем площадь сечения воздуховода:
F3= 1 * 0,3 = 0,3м2.
-
Определяем скорость на выходе воздуховода:
V3
3 = _____
F3
-
Определим d 3 экв:
-
П
V3
3 = _____
F3
о 3 и d3 находим R3 и Pg3.
R3 = 1,7 Па п * м
Pg3 = 48,6 Па
Количество окон n = 4.
-
Определим потери давления на преодоление местных сопротивлений:
-выход из меньшего сечения в большее
F0/F1 = 0,8 G = 0,04
P3 = 1,7*8 + 48,6*0,04 = 15,5Па
-Определим потери давления на участке 4:
P4 = R4l4 + Pg4 (3.27)
1. Скорость воздушного потока 4 = 11м\с
-
Принимаем диаметр воздуховода d4 = 0,355м.
-
По 4 и d4 находим R4 и Pg4.
R4 = 3,5 Па п*м, Pg4 = 72,6 Па
-
Местные сопротивления:
диффузор F0/F1 = 0,8 G = 0,04
P4 = 3,5*1,5 + 72,6*0,04 = 8,2 Па
Потери давления в распределителе принимаем Pр = 100Па
Полученные и известные величины подставляем в формулу (3.24):
Р2всобщ = 1,146 + 15,5 + 8,2 + 100 = 1270,1 Па
-Определим общие потери давления в сушильной установке:
Рс.у. = Робщ1нач + Робщ2вс (3.28)
Рс.у. = 834,4 + 1270,1 = 2104,5 Па.
-
Проверяем на преодоление сопротивлений вентилятор теплогенератора УТПУ 200 А.
Сопротивление, которое должен преодолеть вентилятор теплогенератора равно (рис )
Рт = Pр + P3 + P4 + Pт (3.29)
где Pр - потери давления в распределителе, Па;
P3 - потери давления на 3 участке СУ,Па;
P4 - потери давления на 4 участке СУ,Па;
Pт - потери давления в теплогенераторе, Па.
Движение агента сушки осуществляется через рулон сверху вниз
Рт = Pт + Pр + P1 + P2 (3.30)
где P1 - потери давления на 1 участке, Па;
P2 - потери давления на 2 участке, Па;
Принимаем Pт = 500Па по данным СКБТМ.
Рт = 500 + 100 + 33,2 + 701,2 = 1334,4 Па
Принимаем к вентилятору большее давление Рт = 1334,4 Па.
Окончательное давление вентилятора на преодоление сопротивления
теплогенератора УТПУ - 200А равно :
Рb = 1,1 * Рт = 1,1 * 1334,4 = 1467,8 Па.
Объёмный расход воздуха будет равен :
Vb = 1,1*V = 1.1*10000 = 11000 м3/г
Используя значения Рb и Vb из аэродинамических характеристик центробежного вентилятора ВЦ 14-46 №5 (работает с УТПУ -200 А), выясняем, что он преодолевает данное сопротивление при данном расходе.
2.Подбор вентилятора для отсоса агента сушки V = 11000м3/ г, должен преодолеть сопротивление равное (рис. 3)
Ротс = Pм + P2 + P1 + Pр (3.31)
где Pм - потери давления через материал, Па;
P2 - потери давления на 2 участке СУ,Па;
P1 - потери давления на 1 участке СУ Па.
Pр - потери давления в распределителе, Па;
Ротс = 1146,4 + 701,2 + 33,2 + 100 = 1980,8 Па
Движение агента сушки осуществляется через рулон сверху вниз.
Ротс = Pм + P3 + P4 + Pр (3.32)
Ротс = 1146,4 + 15,5 + 8,2 + 100 = 1270,1 Па
Принимаем к вентилятору большее давление Ротс = 1980,8 Па
Окончательное давление вентилятора равно:
Ротсв = 1,1* Ротс = 1,1*1980,8 = 2178 Па
Объемный расход воздуха будет равен:
Vв = 1,1*V = 1,1*10000 = 11000 м3/г.
По Ротсв и Vв подбираем вентилятор марки: ВР-45-6,3
-расчет мощностей потребляемой вентиляторами, Nв, кВт [14]:
Рв * Vв
Nв = __________
в
(3.33 )
где Рв - давление, создаваемое вентилятором с десятипроцентным запасом , Па;
Vв - расход воздуха, м3/с;
в - коэффициент полезного действия вентилятора [15], принимаем в=0,46.
3*2178
Nв = __________ = 14,2 кВт
0,46
-определим необходимую мощность электродвигателя Ngb, кВт [14]:
Nв * Кп
Ngb = __________
пер
(3.34)
где Кп - коэффициент запаса мощности на пусковой момент. Кп = 1,1 при Nb 5,0 кВт.
пер - коэффициент полезного действия передачи,
пер = 0,95 клиноременная передачи.
14,2 * 1,1
Ngb = __________ = 16,2 кВт
0,95
Принимаем к вентилятору ВР-45-6,3 электродвигатель марки 4А 160 М4 с Ngb = 18,5 кВт и частотой вращения gb = 1465 мин -1 [16].
-расчет мощности Nb, кВт [14]:
Рв * Vв
Nв = __________
в
где в = 0,71 [16]; b = 1720 мин -1
1467,8*3
Nв = __________ = 6,2 кВт
0,71
-необходимая мощность электродвигателя Ngb, кВт [14]:
Nв * Кп
Ngb = __________
пер
6,2 * 1,1
Ngb = __________ = 7 кВт
0,95
Принимаем к вентилятору ВЦ-14-46 №5 электродвигатель марки 4А132М6 с Ngb = 7,5 кВт и частотой вращения gb = 970 мин -1. [16].
5.1.Расчет рыночной цены сушильной машины на стадии разработки
5.1.1Расчет цены затратным методом.
Рыночная цена проектируемой сушильной машины на стадии разработки будет вычисляться по следующей формуле:
Ц = с/с + Пр, руб (5.1)
где с/с - себестоимость материалов и комплектующих, руб;
Пр - прибыль от продажи машины, руб.
Прибыль (Пр) вычисляется исходя из необходимого уровня рентабельности.
Характеристики
Тип файла документ
Документы такого типа открываются такими программами, как Microsoft Office Word на компьютерах Windows, Apple Pages на компьютерах Mac, Open Office - бесплатная альтернатива на различных платформах, в том числе Linux. Наиболее простым и современным решением будут Google документы, так как открываются онлайн без скачивания прямо в браузере на любой платформе. Существуют российские качественные аналоги, например от Яндекса.
Будьте внимательны на мобильных устройствах, так как там используются упрощённый функционал даже в официальном приложении от Microsoft, поэтому для просмотра скачивайте PDF-версию. А если нужно редактировать файл, то используйте оригинальный файл.
Файлы такого типа обычно разбиты на страницы, а текст может быть форматированным (жирный, курсив, выбор шрифта, таблицы и т.п.), а также в него можно добавлять изображения. Формат идеально подходит для рефератов, докладов и РПЗ курсовых проектов, которые необходимо распечатать. Кстати перед печатью также сохраняйте файл в PDF, так как принтер может начудить со шрифтами.















