124379 (577715), страница 2
Текст из файла (страница 2)
2 Логометры
Логометр предназначен для измерения температуры в комплекте с термопреобразователями сопротивления при температуре окружающего воздуха от 5 до 50°С и относительной влажности до 80% при температуре 25°С
Технические данные:
Сопротивление внешней соединительной линии равно 15 Ом.
Основная погрешность логометра на всех отметках шкалы не превышает ±1,5% от диапазона измерений".
Вариация показаний логометра не превышает абсолютного значения допускаемой основной погрешности.
Номинальное напряжение питания логометра 4В постоянного тока.
При отклонении питания или при разрыве цепи питания указатель логометра выводится за начальную отметку шкалы (влево).
Электрическое сопротивление изоляции измерительной цепи логометра относительно корпуса при нормальных условиях температуры и влажности не менее 100 МОм.
Изоляция между измерительной цепью и корпусом логометра выдерживает испытательное напряжение 0,5 кВ.
Устройство и работа логометра.
Механизм приборов для измерения отношения сил двух электрических токов. Принцип действия Логометр основан на том, что направленные встречно вращающие моменты, возникающие вследствие воздействия на подвижную часть Логометр величин, входящих в измеряемое отношение, уравновешиваются при отклонении подвижной части на некоторый угол.
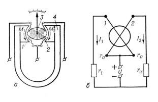
Устройство магнитоэлектрического логометра (а) и схема омметра с магнитоэлектрическим логометром (б): M1, M2 — вращающие моменты; l1, I2 — токи в цепях омметра; U — источник питания; r0 — сопротивление рамок логометра; r1 — омическое сопротивление; rx — измеряемое сопротивление; 1, 2 — рамки логометра; 3 — сердечник; 4 — постоянный магнит.
Например, подвижную часть магнитоэлектрического логометр образуют две скрепленные под углом рамки, токи к которым подводятся через безмоментные спирали (рис., а). Находясь в поле постоянного магнита, рамки стремятся повернуться в направлении действия большего момента, и подвижная часть отклоняется до тех пор, пока моменты не уравновесятся. Логометр широко применяются в различных схемах для измерения электрических величин: ёмкости, индуктивности, сопротивления. Например, при использовании Логометр в омметре (рис., б) угол a, на который отклоняется подвижная часть Логометр, зависит только от отношения сил токов I1 и I2;
т. e. при постоянных r0 и r1 отклонение подвижной части пропорционально измеряемому сопротивлению; шкала Логометр градуируется непосредственно в омах (ом). Широко распространены также Логометр электродинамических и ферродинамических систем.
В двухрамочном измерительном механизме, который называют логометром, нет противодействующих пружин, вращающий и противодействующий моменты создаются электромагнитными силами. Поэтому при отсутствии тока в обмотках хорошо уравновешенная подвижная часть прибора находится в безразличном равновесии (стрелка останавливается у любого деления шкалы). Когда в катушках есть ток, на подвижную часть действуют два электромагнитных момента, направленные в противоположные стороны.
3 Механические и гидростатические уровнемеры
Уровнемер- прибор для промышленного измерения или контроля уровня жидкости и сыпучих веществ в резервуарах, хранилищах, технологических аппаратах и т.п. В зависимости от места установки различают уровнемер -указатели (для непрерывного измерения) и уровнемер - сигнализаторы (для дискретного контроля одного или нескольких фиксированных положений уровня). Уровнемер служат уровня датчиками в автоматических системах управления и регулирования технологических процессов.
По принципу действия уровнемер для жидкостей разделяются на механические, гидростатические, электрические, акустические, радиоактивные. Простейший уровнемер – водомерное стекло, в котором использован принцип сообщающихся сосудов, служит для непосредственного наблюдения за уровнем жидкости в закрытом сосуде.
Механические уровнемер бывают поплавковые, с чувствительным элементом (поплавком), плавающим на поверхности жидкости, и буйковые, действие которых основано на измерении выталкивающей силы, действующей на буёк. Перемещение поплавка или буйка через механические связи или систему дистанционной (электрической или пневматической) передачи сообщается измерительной системе прибора.
Измерение уровня гидростатическими уровнемер основано на уравновешивании давления столба жидкости в резервуаре давлением столба жидкости, заполняющей измерительный прибор, или реакцией пружинного механизма прибора.
Простейшие уровнемер для сыпучих веществ выполняются с чувствительными элементами в виде пластин, соприкасающихся с поверхностью вещества. Изменение уровня дистанционно передаётся на вторичный измерительный прибор. Для измерения уровня сыпучих веществ, применяют механические , гидростатические, а так же электрические, ёмкостные и радиоактивные уровнемеры.
Гидростатические уровнемеры.
Принцип действия гидростатических уровнемеров основан на измерении давления столба жидкости, высота которого равна высоте уровня жидкости в сосуде. Гидростатическое давление при этом измеряется либо с помощью двух манометров (Mt, Ж2 ), либо одним дифференциальным манометром (ДМ).
Измерение гидростатического давления может осуществляться различными способами, например:
- манометром или датчиком давления, которые подключаются к резервуару на высоте, равной нижнему предельному значению уровня;
- дифференциальным манометром, который подключается к резервуару на высоте, равной нижнему предельному значению уровня, и к газовому пространству над жидкостью;
- измерением давления воздуха, прокачиваемого по трубке, опущенной в жидкость на фиксированное расстояние, и другими.
При измерении уровня гидростатическим способом погрешности измерения определяются классом точности измерительного прибора, изменениями плотности жидкости и колебаниями атмосферного давления.
Если резервуар находится под избыточным давлением, то к гидростатическому давлению жидкости добавляется избыточное давление над ее поверхностью, которое данной измерительной схемой не учитывается. Поэтому такая схема измерения для таких случаев не подходит.
В связи с этим, более универсальными являются схемы измерения уровня с использованием дифференциальных датчиков давления (дифманометров). С помощью дифференциальных датчиков давления можно также измерять уровень жидкости в открытых резервуарах, контролировать границу раздела жидкостей.
Механические уровнемеры
К этим уровнемерам относятся поплавковые, буйковые и гидростатические уровнемеры. Все они реализуют абсолютный метод измерения уровня, основанный на использовании различия плотностей веществ, образующих границу раздела. Принципиальная схема поплавкового уровнемера представлена на рис. 129. В качестве первичного преобразователя уровнемера используется тело (поплавок) обычно шарообразной или цилиндрической формы, плавающее на поверхности жидкости и имеющее постоянную с5садку (/). Поплавок под действием выталкивающей („Архимедовой") силы перемещается вместе с уровнем жидкости. Положение поплавка, являющееся мерой текущего значения уровня жидкости, фиксируется вторичным преобразователем и преобразуется в электрический, пневматический, частотный сигнал и (или) отсчитывается по шкале показывающего прибора. Связь поплавка со вторичным преобразователем может осуществляться с помощью механических элементов (троса, ленты, рычага) или с помощью бесконтактных (оптических, акустических, радиоизотопных и др.) следящих систем.
Характерная особенность поплавковых уровнемеров с механической связью — необходимость герметизации вывода при измерении уровня токсичных, легкоиспаряющихся жидкостей, в сосудах с избыточным давлением, а также наличие дополнительных погрешностей, связанных с упругой деформацией и трением элементов связи.
В то же время использование для фиксации положения поплавка бесконтактных следящих систем усложняет конструкцию уровнемеров, обусловливает, как правило, нелинейность их характеристик преобразования.
При тщательной градуировке и правильной эксплуатации поплавковых расходомеров их основная погрешность может быть сведена к значению порядка ±1 мм в диапазоне измерений до 15—20 м. Вследствие этого поплавковые уровнемеры находят применение в качестве образцовых.
Наиболее существенное влияние на точность измерения уровня поплавковыми расходомерами оказывает изменение температуры в рабочей полости сосуда. Изменения температуры обусловливают температурную деформацию поплавка, изменения плотностей жидкости и газа з над-
жидкостной полости, что, в конечном счете, приводит к изменению Д/ осадки поплавка. Так, если температурные изменения плотностей жидкости (рж) и газа (рг) составят соответственно Држ, Дрг, то абсолютная дополнительная погрешность уровнемера, связанная с изменением осадки поплавка
Д/ =Лрж + Лрг
при условии постоянства площади сечения поплавка или столь малых значений Ы, при которых эту площадь можно считать постоянной.
Принципиальная схема буйкового уровнемера приведена на рис. Чувствительный элемент уровнемера — буй представляет собой массивное тело (как правило, осесимметричное), подвешенное вертикально внутри сосуда, в котором измеряется уровень жидкости. При изменении Дй уровня жидкости меняется степень погружения буя, а следовательно, и действующая на него выталкивающая сила. Изменение выталкивающей силы компенсируется деформацией {fix) упругого элемента (пружины, мембраны, торсионной трубки), которая и является мерой изменения уровня жидкости в сосуде.
Рис. Принципиальная схема буйкового уровнемера
Деформация упругого элемента вторичным преобразователем преобразуется в пропорциональный электрический, пневматический или частотный сигнал.
Особенность буйковых уровнемеров — наличие начального (неконтролируемого) уровня, от которого ведется отсчет показаний. Размер начального уровня составляет обычно 4—10 мм. Он необходим для устранения влияния сил поверхностного натяжения, которое максимально в момент касания (или отрыва) буя поверхности жидкости. С этой же целью используют специальные покрытия, уменьшающие налипание жидкости на поверхности буя.
4 Индукционные (электромагнитные) расходометры
Расходоме́р - прибор для определения расхода газа, жидкости или сыпучих материалов. Существует большое число различных по принципам действия и конструктивному оформлению приборов для измерения. Классификация их точно не определена и у разных авторов различна. Так, некоторые специалисты выделяют до 16 типов расходомеров. Мы рассмотрим только некоторые приборы, получившие в настоящее время наибольшее распространение, а именно: расходомера индукционного (электромагнитного) типа.
Электромагнитные расходомеры.
Электромагнитные (индукционные) расходомеры предназначены для измерения расхода различных жидких сред, в том числе пульп с мелкодисперсными неферромагнитными частицами, с электрической проводимостью не ниже 5-10 См/м, протекающих в закрытых полностью заполненных трубопроводах. Широко применяются в различных отраслях пищевой промышленности.
Электромагнитные расходомеры выполняются в виде двух отдельных блоков: измерительного преобразователя расхода и измерительного блока — передающего преобразователя, в котором осуществляется приведение сигнала, полученного от измерительного преобразователя, к стандартизованному виду, удобному для дальнейшего использования.
Принцип действия индукционного расходометра основан на явлении электромагнитной индукции. При прохождении электропроводящей жидкости (в том числе и водопроводной воды) через однородное магнитное поле в ней, как в движущемся проводнике, возникает электродвижущая сила, пропорциональная средней скорости потока.
Индукционный расходометр имеет в своей конструкции электромагнит, полюса которого прикрепляются по обе стороны трубопровода. Напряжение, возникающее в жидкости, снимается электродами, располагаемыми перпендикулярно внешнему магнитному полю, и подается на измерительный прибор. Связь между напряжением и расходом воды устанавливается заводской тарировкой расходомера.















