123621 (577625), страница 2
Текст из файла (страница 2)
У поршневих насосах основним робоніж органом є поршень 1 постачений ущільнювальними кільцями 7 (див. рис. 3 - 2), пришліфованими до внутрішньої дзеркальної поверхні циліндра. Плунжер, або скалка, не має ущільнювальних кілець і відрізняється від поршня значно більшим відношенням довжини до діаметра.
На рис. 3 -3 представлений плунжерний горизонтальний насос простої дії, у якому роль поршня грає плунжер 1, що рухається поступально в циліндрі 2; плунжер ущільнюється за допомогою сальника 3. Плунжерні насоси не вимагають такої ретельної обробки внутрішньої поверхні циліндра, як поршневі, а нещільності легко усуваються підтягуванням або заміною набивання сальника без демонтажу насоса. У зв’язку з тим що для плунжерних насосів немає необхідності в ретельному пригоні поршня й циліндра, їх застосовують для перекачування забруднених і в’язких рідин, а також для створення більш високих тисків.
У хімічній промисловості плунжерні насоси більш поширені, ніж поршневі. Більше рівномірною подачею, ніж насоси простої дії, володіють поршневі й плунжерні насоси подвійної дії. Горизонтальний плунжерний насос подвійної дії (рис. 3 - 4) можна розглядати як сукупність двох насосів простої дії. Він має чотири клапани - 2 усмоктувальних і 2 нагнітальних.
|
| Рис. 3.3. Схема горизонтального плунжерного насоса простої дії: 1 – плунжер (скалка); 2 – циліндр; 3 – сальник; 4 – всмоктувальний клапан; 5 – нагнітальний клапан. |
При ході плунжера 1 вправо рідина всмоктується в ліву частину циліндра 2 крізь всмоктувальний клапан 3 і одночасно крізь нагнітальний клапан 6 надходить із правої частини циліндра в напірний трубопровід; при зворотному ході поршня усмоктування відбувається в правій частині циліндра крізь всмоктувальний клапан 4, а нагнітання – у лівій частині циліндра крізь клапан 5.
Таким чином, у насосах подвійної дії усмоктування й нагнітання відбуваються при кожному ході поршня, внаслідок чого продуктивність насосів цього типу більше й подача більш рівномірна, ніж у насосів простої дії.
|
| |
| Рис. 3 - 4. Схема горизонтального плунжерного насоса подвійної дії: 1 - плунжер; 2 – циліндр; 3, 4 – всмоктувальні клапани; 5, 6 – нагнітальні клапани. | Рис. 3 - 5. Схема насоса потрійного дії (триплекса-насоса): 1 – циліндри: 2 – плунжери; 3 – колінчатий вал; 4 – шатуни. |
Ще більш рівномірною є подача насоса потрійної дії, або триплекс-насоса (рис. 3-5).Триплекс-насоси являють собою строєні насоси простої дії, кривошипи яких розташовані під кутом 120° один відносно одного. Загальна подача триплекс-насоса складається з подач насосів простої дії, при цьому за один оберт колінчатого вала рідина три рази всмоктується й три рази нагнітається.
По числу обертів кривошипа (числу подвійних ходів поршня) розрізняють тихохідні (n = 45–60 хв–1), нормальні (n = 60–120 хв–1) і швидкохідні (n = 120–180 хв–1) поршневі насоси.
Продуктивність. У поршневих насосах рідина при усмоктуванні займає в циліндрі об’єм, що звільняється поршнем. У період нагнітання цей об’єм рідини витісняється поршнем у нагнітальний трубопровід. Отже, теоретично (без витоків рідини) продуктивність поршневого насоса буде визначатися об’ємом, описуваним поршнем в одиницю часу.
У поршневому насосі простої дії об’єм, описуваний поршнем в одиницю часу, буде дорівнює добутку площі перерізу F поршня, довжини ходу S поршня й числа обертів n кривошипно-шатунного механізму (або числа подвійних ходів поршня, тому що в насосі простої дії нагнітання рідини відбувається один раз за два ходи поршня).
Таким чином, теоретична продуктивність (QТ м3/с) насоса простої дії
QТ = FSn, (3.16)
де n – число обертів, с –1.
У насосі подвійної дії за два ходи поршня або один оберт кривошипа відбувається два рази усмоктування й два рази нагнітання. При ході поршня вправо (див. рис. 3 - 4) з лівої сторони засмоктується об’єм рідини, рівний FS, а із правої – нагнітається об’єм (F–f) S, де f – площа поперечного переріза штока. При ході поршня вліво з лівої сторони виштовхується в нагнітальний трубопровід об’єм FS, а із правої – засмоктується з усмоктувальної лінії (F–f) S м3 рідини.
Отже, за n обертів кривошипа або подвійних ходів поршня, теоретична продуктивність насоса подвійної дії складе:
(3.17)
З вираження (3.17) слідує, що якщо зневажити об’ємом рідини, що витісняється штоком (f << F), те продуктивність насоса подвійної дії буде вдвічі більше продуктивності насоса простої дії.
Дійсна продуктивність поршневого насоса менше теоретичної внаслідок витоку рідини крізь нещільності в сальниках, клапанах і місцях стикування трубопроводів. Всі ці втрати враховуються коефіцієнтом подачі, або об’ємним к. к. д. V.
Дійсна продуктивність насоса
Q = QT V (3.18)
У сучасних великих насосах коефіцієнт подачі досягає 0,97 – 0,99; для насосів середньої продуктивності (Q = 20–300 м3/ч), V = 0,9–0,95; для насосів малої продуктивності V = 0,85–0,9.
Характеристика насосів. Залежність між напором H і продуктивністю Q поршневого насоса (рис. 3 - 6) зображується вертикальною прямою. Характеристика показує, що продуктивність поршневого насоса є величина постійна, що не залежить від напору. Практично, внаслідок збільшення витоків рідини крізь нещільності, що зростають із підвищенням тиску, реальна характеристика (зображена на рис. пунктирною лінією) не збігається з теоретичною. Зі збільшенням тиску дійсна продуктивність поршневого насоса трохи зменшується.
Нерівномірність подачі. Швидкість поршня, який рухається за допомогою кривошипно-шатунного механізму, не є постійною. Вона змінюється від нуля (у лівому і правому крайніх положеннях) до деякого максимального значення (при середньому положенні поршня).
Насоси подвійної й потрійної дії (триплекси-насоси) відрізняються більш рівномірною подачею, що представляє собою суму подач двох або трьох насосів простої дії (Рис. 3 - 7).
|
|
|
| Рис. 3 - 6. Характеристика поршневого насоса | Рис. 3 - 7. Діаграми подачі поршневих насосів: а – простої дії; б – подвійної дії; в – потрійної дії . |
Індикаторна діаграма. Ця діаграма показує залежність абсолютного тиску в циліндрі поршневого насоса від шляху, пройденого поршнем або об’єму, описуваного поршнем. Вона викреслюється спеціальним приладом - індикатором, який встановлюється на циліндрі працюючого насоса.
На рис. 3 - 8 наведена спрощена індикаторна діаграма поршневого насоса простої дії. Лінія ab відповідає процесу всмоктування. Тиск у циліндрі в цей період pО менше атмосферного pА. Під дією різниці тисків pА– pО всмоктувальний клапан підтримується у відкритому стані. Точка b відповідає правому крайньому положенню поршня. У цей момент всмоктувальний клапан закривається, поршень починає рухатися вліво й тиск у циліндрі різко зростає (лінія bc) до p, при якому відкривається нагнітальний клапан (точка c). Подача рідини в напірний трубопровід відбувається при постійному тиску pН.
|
| Рис. 3 - 8. Індикаторна діаграма поршневого насоса простої дії. |
Точка d відповідає лівому крайньому положенню поршня, після якого поршень починає рухатися вправо. Нагнітальний клапан закривається, тиск у циліндрі різко падає до значення ðÎ, при якому відбувається відкриття всмоктувального клапана (точка à). У моменти відкриття клапанів (точки à і ñ) виникають деякі коливання тиску, викликані інерцією клапанів.
5. Відцентрові насоси
Принцип дії й типи насосів. У відцентрових насосах всмоктування й нагнітання рідини відбувається рівномірно й безупинно під дією відцентрової сили, що виникає при обертанні робочого колеса з лопатями, розташованого в спіралеподібному корпусі.
В одноступінчастому відцентровому насосі (рис. 3 - 9) рідина з всмоктувального трубопроводу надходить уздовж осі робочого колеса до корпусу насоса й, пoтрапляя на лопaті здобуває обертовий рух. Відцентрова сила відкидає рідину в канал змінного перерізу між корпусом і робочим колесом, у якому швидкість рідини зменшується до значення, рівного швидкості в нагнітальному трубопроводі.
|
| Рис. 3 - 9. Схема відцентрового насоса: 1 – усмоктувальний трубопровід; 2 – робоче колесо; 3 – корпус; 4 – лопатки; 5 – нагнітальний трубопровід. |
При цьому, як слідує з рівняння Бернуллі, відбувається перетворення кінетичної енергії потоку рідини в статичний напір, що забезпечує підвищення тиску рідини.
На вході в колесо створюється знижений тиск, і рідина із прийомної ємності безперервно надходить у насос.
Тиск, що розвивається відцентровим насосом, залежить від швидкості обертання робочого колеса. Напір одноступінчастих відцентрових насосів (з одним робочим колесом) обмежений і не перевищує 50 м. Для створення більш високих напорів застосовують багатоступінчасті насоси, що мають декілька робочих коліс у спільному корпусі, розташованих послідовно на одному валу. Рідина, що виходить із першого колеса, надходить по спеціальному відвідному каналу в корпусі насоса в друге колесо, (де вона отримує додаткову енергію), із другого колеса, крізь відвідний канал у третє колесо й т.д. Таким чином, орієнтовно (без врахування втрат) можна вважати, що напір багатоступінчастого насоса дорівнює напору одного колеса, помноженому на число коліс. Число робочих коліс у багатоступінчастому насосі звичайно не перевищує п’яти.
Основне рівняння відцентрових машин Ейлера. У каналах між лопатями робочого колеса рідина, що рухається уздовж лопаток, одночасно робить обертовий рух разом з колесом.
Для визначення повного напору, що розвивається робочим колесом при перекачуванні ідеальної рідини припустимо, що колесо нерухоме, а рідина рухається по каналах між лопатями з тією ж швидкістю відносно лопаті, що й в обертовому колесі. Абсолютні швидкості руху рідини на вході в колесо c1 і на виході з колеса c2 є кожна геометричною сумою відносної й колової швидкостей, тому їх можна розкласти (рис. 3 -10) на відносні складові w1 і w2 (спрямовані уздовж лопатей) і колові складові u1 і u2, відповідно (спрямовані по дотичній до кола обертання). Приймаючи за площину порівняння площину робочого колеса, складемо баланс енергії рідини при проходженні її крізь колесо по рівнянню Бернуллі ( z1 = z2 ) :
|
| Рис. 3 - 10. До виводу основного рівняння відцентрових машин. |
При обертанні колеса рідина на виході здобуває додаткову енергію E, яка дорівнює роботі відцентрової сили на шляху довжиною r2 – r1. Тоді
(3.19)
Якщо робоче колесо обертається з кутовою швидкістю , то відцентрова сила C, що діє на частинку рідини масою m, дорівнює
де G – вага частинки; r – поточний радіус обертання частинки.
Робота AG, чинена відцентровою силою при переміщенні цієї ж частинки на шляху r2 – r1 становить
Добуток кутової швидкості на радіус обертання r дорівнює коловій швидкості u, тому
й
Робота AG описується рівнянням
Питома робота, віднесена до одиниці ваги рідини, дорівнює питомій енергії, що здобувається рідиною в насосі. Тому
.
Підставляючи цей вираз в рівняння (3.19), одержимо:
, звідки
(3.20)
Відповідно до рівняння Бернуллі напори рідини на вході в обертове колесо H1 і виході з нього H2, складуть:
Теоретичний напір HT насоса дорівнює різниці напорів на вході в колесо й виході з нього:
Підставивши вираз для
з рівняння (3.20), одержимо
(3.21)
З паралелограмів швидкостей на вході в колесо й виході з нього (рис. 3-9)
Тоді рівняння (3.21) запишеться у вигляді:
(3.22)
Рівняння (3.22) називається основним рівнянням відцентрових машин і може бути застосоване до розрахунку всіх відцентрових машин, у тому числі турбогазодувок, турбокомпресорів і вентиляторів. Воно вірно в тому випадку, коли всі частинки рідини рухаються в насосі по подібним траєкторіям. Це можливо лише за умови, що робоче колесо має нескінченно велику кількість лопатей і переріз каналу для проходу рідини невеликий.
Звичайно рідина, що надходить з всмоктувального трубопроводу, рухається в колесі в радіальному напрямку. У цьому випадку кут між абсолютним значенням швидкості рідини на вході в робоче колесо й коловою швидкістю 1 = 90° (що відповідає умові безударного введення рідини в колесо). Тоді рівняння (3.22) спрощується:
(3.22а)
З паралелограма швидкостей на виході з колеса (див. мал. 3-9) знаходимо:
c2cos2 = u2 – w2cos2
звідки
(3.23)
Рівняння (3.23) показує, що напір насоса пропорційний квадрату числа обертів робочого колеса (тому що u2 = D2n) і залежить від форми лопатей.
Дійсний напір насоса менше теоретичного, тому що частина енергії рідини витрачається на подолання гідравлічних опорів усередині насоса й рідина в ньому при кінцевому числі лопатей не рухається по подібним траєкторіям.
Дійсний напір становить H = HTГ (3.24)
де Г – гідравлічний к. к. д. насоса, рівний 0,8 – 0,95; – коефіцієнт, що враховує кінцеве число лопатей у насосі, рівний 0,6 – 0,8.
Значні втрати напору, що виникають у відцентровому насосі, обумовлюють зниження його загального к. к. д.
Продуктивність відцентрового насоса Q відповідає витраті рідини крізь канали шириною b1 і b2 між лопатями робочого колеса (рис. 3-10) :
(3.25)
де – товщина лопатей; z – число лопатей; b1 і b2 – ширина робочого колеса на внутрішньому і зовнішньому колах відповідно; C1r і C2r – радіальні складові абсолютних швидкостей на вході в колесо й виході з нього, причому (C1r = C1).
Для зменшення гідравлічних втрат на вході рідини в робоче колесо швидкість C1r приймають рівній швидкості рідини в всмоктувальному трубопроводі.
Закони пропорційності. Продуктивність і напір відцентрового насоса залежать від числа обертів робочого колеса. З рівняння (3.25) випливає, що продуктивність насоса прямо пропорційна радіальній складовій абсолютної швидкості на виході з колеса, тобто Q C2r. Якщо змінити число обертів насоса від n1 до n2, що викличе зміну продуктивності від Q1 до Q2, то, за умови збереження подібності траєкторій руху частинок рідини, паралелограми швидкостей у будь-яких схожих точках потоків будуть геометрично подібні (рис.3-11).
Відповідно
(3.26)
Відповідно до рівняння (3.23), напір відцентрового насоса пропорційний квадрату колової швидкості, тобто
(3.27)
Потужність, споживана насосом, пропорційна добутку продуктивності Q насоса на його напір H [див. рівняння (3.2)]. З урахуванням залежностей (3.26) і (3.27) одержимо:
(3.28)
Рівняння (3.26) – (3.28) звуться законами пропорційності. Відповідно до цих рівнянь зміна числа обертів робочого колеса від n1 до n2 призводить до зміни продуктивності насоса пропорційно числу обертів, висоти напору – пропорційно числу обертів у другому ступені, а потужності – пропорційно числу обертів у третьому ступені.
Практично такої строгої залежності між параметрами насоса немає. Закони пропорційності дійсні при зміні числа обертів колеса не більш ніж у 2 рази.
|
| |
| Рис. 3 - 11. Подібність паралелограмів швидкостей при зміні числа обертів колеса від n1 до n2. | Рис. 3 - 12. Характеристика відцентрового насоса. |
Характеристики насосів. Графічні залежності напору H, потужності на валу Ne і к.к.д. насоса H від його продуктивності Q при постійному числі обертів n називаються характеристиками насоса. Ці залежності одержують при випробуваннях відцентрових насосів, змінюючи ступінь відкриття засувки на нагнітальній лінії; вони наводяться в каталогах на насоси. З рис. 3-12 слідує, що зі збільшенням продуктивності при n = const, напір насоса зменшується, споживана потужність зростає, а к.к.д. проходить крізь максимум. Невелика початкова ділянка на кривій H - Q, де напір трохи зростає зі збільшенням продуктивності, відповідає нестійкій роботі насоса.
Насос споживає найменшу потужність при закритій напірній засувці (при Q = 0). Найбільш сприятливий режим експлуатації відцентрового насоса при даному числі обертів відповідає максимуму на кривій H – Q.
Знімаючи характеристики насоса при різних числах обертів робочого колеса (n1, n2, n3,.....), одержують ряд залежностей H - Q (рис. 3.13). На кожній кривій H - Q виділяють точки, що відповідають деякому постійному значенню к. к. д. (Н', Н", Н''', . . . ), які з’єднують між собою плавною лінією. Ці лінії обмежують області, усередині яких к.к.д. насоса має значення не менше, ніж зазначене на границі області. Лінія p - p відповідає максимальним значенням к. к. д. при даних числах обертів робочого колеса. Отримані таким шляхом графічні залежності між напором, к. к. д. і продуктивністю насоса при різних числах обертів колеса називають універсальними характеристиками. Користуючись універсальною характеристикою, можна встановити межі роботи насоса (відповідні максимальному значенню к.к.д.) і вибрати найбільш сприятливий режим його роботи.
|
|
|
| Рис. 3 - 13. Універсальна характеристика відцентрового насоса. | Рис. 3-14. Об’єднання характеристик насоса й мережі. |
Робота насосів на мережу. При виборі насоса необхідно враховувати характеристику мережі, тобто трубопроводу й апаратів, крізь які перекачується рідина. Характеристика мережі виражає залежність між витратою рідини Q і напором H, необхідним для переміщення рідини по даній мережі. Напір H може бути визначений як сума геометричної висоти подачі HГ і втрат напору hВ [дивись рівняння (3.12 a)].
Підставивши значення швидкості w з рівняння витрати в рівняння для визначення загальних втрат напору і позначаючи об’ємну витрату крізь Q, одержимо, що втрати напору пропорційні квадрату витрати рідини: hВ = kQ2
де k – коефіцієнт пропорційності.
Тоді характеристика мережі буде описана залежністю, що представляє собою рівняння параболи:
H = HГ + kQ2
Об’єднання характеристик мережі й насоса показане на рис. 3 -14. Точка A перетину цих характеристик називається робочою точкою; вона відповідає найбільшій продуктивності насоса Q1 при його роботі на дану мережу. Якщо потрібна більш висока продуктивність, то необхідно або збільшити число обертів електродвигуна, або замінити даний насос на насос більшої продуктивності. Збільшення продуктивності може бути досягнуте також шляхом зменшення гідравлічного опору мережі hВ. У цьому випадку робоча точка переміститься по характеристиці насоса вправо.
Насос повинен бути обраний так, щоб робоча точка відповідала необхідним продуктивності й напору в області найбільших к.к.д.
Спільна робота насосів. На практиці іноді застосовують паралельне або послідовне з’єднання насосів, що працюють на дану мережу.
Рис. 3 - 15. Спільна робота насосів:
a – паралельне з’єднання; b – послідовне з’єднання.
При паралельному з’єднанні характеристику насосів одержують додаванням абсцис характеристик кожного з насосів для даного напору На рис. 3-15а показана характеристика двох однакових насосів, що працюють паралельно. Об’єднання характеристики мережі із загальною характеристикою насосів показує, що робоча точка В у цьому випадку відповідає продуктивності Q2 більшій, ніж продуктивність одного насоса Q1 (точка А). Однак загальна продуктивність завжди буде менше суми продуктивностей насосів, що працюють окремо один від іншого, що пов’язане з параболічною формою характеристики мережі. Чим крутіше ця характеристика, тим менше збільшення продуктивності. Тому паралельне включення насосів використовують для збільшення продуктивності насосної установки, коли характеристика мережі є досить пологою. Збільшення напору при цьому незначне.
При послідовному з’єднанні насосів загальну характеристику одержують додаванням напорів насосів для кожного значення продуктивності. На рис. 3-14б представлена загальна характеристика двох однакових насосів, з’єднаних послідовно. Точка перетину цієї характеристики з характеристикою мережі (робоча точка В) відповідає сумарним напору й продуктивності (H2 і Q2) послідовно з’єднаних насосів, що працюють на дану мережу. При такому з’єднанні насосів вдається значно збільшити напір, якщо характеристика мережі є досить крутою.
6. Спеціальні типи поршневих і відцентрових насосів
Для переміщення хімічно активних і токсичних рідин, а також рідин, що містять тверді суспензії, використовують поршневі й відцентрові насоси спеціальних конструкцій.
| Рис. 3 - 16. Схема діафрагмового (мембранного) насоса: 1 – циліндр; 2 – плунжер; 3 – діафрагма (мембрана); 4 – всмоктувальний клапан; 5 – нагнітальний клапан. | Рис. 3 - 17. Схема безсальникового насоса: 1 – корпус; 2 – робоче колесо: 3 – додаткове колесо; 4 – пружина; 5 – конічна втулка. |
Діафрагмові (мембранні) насоси. Ці насоси відносяться до поршневих насосів простої дії й застосовуються для перекачування суспензій і хімічно агресивних рідин (рис. 3-16). Циліндр 1 і плунжер 2 насоса відділені від рідини, що перекачується, еластичною перегородкою 3 – діафрагмою (мембраною) з м’якої гуми або спеціальної сталі, внаслідок чого плунжер не стикається з рідиною, що перекачується, і не піддається впливу хімічно активних середовищ або ерозії. При русі плунжера догори діафрагма під дією різниці тисків з обох її сторін прогинається вправо й рідина всмоктується в насос крізь кульовий клапан 4. При русі плунжера униз діафрагма прогинається вліво й рідина крізь нагнітальний клапан 5 витісняється в напірний трубопровід. Всі частини насоса, що стикаються з рідиною, що перекачується, – корпус, клапанні коробки, кульові клапани, виготовляють із кислотостійких матеріалів або захищають кислотостійкими покриттями.
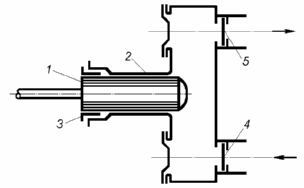
Безсальникові насоси. Для відцентрових насосів велике значення має надійна конструкція сальників – ущільнень вала, що забезпечують усунення витоків рідини, що перекачується. Незадовільна робота сальників спричиняє також підвищене зношування вала, тривалі й часті простої насоса, різке збільшення експлуатаційних витрат.
Повне усунення витоку рідини, що перекачується, неминучого при експлуатації насоса із сальниковим ущільненням, досягається в безсальниковому насосі (рис. 3-17). У корпусі 1 міститься робоче колесо 2. На ньому укріплене додаткове колесо 3, постачене радіальними лопатями, що відкачує рідину, яка потрапила за колесо в порожнину нагнітання насоса, усуваючи тим самим витік перекачуваної рідини крізь зазори між валом і корпусом при роботі насоса. При зупинці насоса витік рідини запобігає спеціальне ущільнення, що замикає зазор між корпусом і валом у момент вимикання насоса. Герметичність цього ущільнення досягається за допомогою двох конічних поверхонь – подовженої втулки робочого колеса 2 і втулки 5. Щільне прилягання конічних поверхонь цих втулок забезпечується за допомогою пружини 4. У момент пуску насоса вал трохи переміщається вліво й ущільнюючі поверхні відходять відна від одної, розмикаючи ущільнення. Всі деталі насоса, що стикаються з рідиною, що перекачується, виготовляються з антикорозійних матеріалів.
Насоси занурення. Різновидом безсальникового відцентрового насоса можна вважати заглибний насос. Робоче колесо укріплене на нижньому кінці вертикального вала й занурено в рідину, що перекачується. Привод насоса розміщений значно вище рівня рідини в прийомної ємності. Рідина засмоктується крізь патрубок і подається по напірних трубах, на яких підвішений корпус насоса.
Герметичні насоси. Ці насоси застосовують для перекачування хімічно агресивних і токсичних рідин. Робоче колесо такого насоса встановлено безпосередньо на валу асинхронного електродвигуна, ротор якого занурений у рідину, що перекачується. Ротор відділений від статора герметичним екраном – циліндричною оболонкою з немагнітної нержавіючої сталі. Рідина, що перекачується, служить змащенням для підшипників ротора й одночасно охолоджує його.
У герметичних насосах з екранованим електродвигуном збільшуються електричні втрати й знижується к.к.д. двигуна, однак досягається повна герметичність, що неможливо в насосах із сальниковими ущільненнями. Герметичні насоси надійні в експлуатації й знаходять усе більш широке застосування в хімічній промисловості.
7. Насоси інших типів
Пропелерні (осьові) насоси. Ці насоси застосовують для перекачування великих кількостей рідин при невеликих напорах. Пропелерні насоси використовують головним чином для створення циркуляції рідин у різних апаратах, наприклад, при випарюванні. Робоче колесо насоса, за формою близьке до гребного гвинта, розташоване у вертикальному циліндричному корпусі. Рідина захоплюється лопатями робочого колеса й переміщується в осьовому напрямку, одночасно беручи участь в обертальному русі. За насосом встановлений напрямний апарат (свого роду лопаті, але нерухливі) для перетворення обертового руху рідини в поступальний.
Вихрові насоси. У цих насосах (рис. 3-18) для передачі енергії від робочого колеса до рідини й створення напору використовується енергія вихрового руху рідини. Створюваний напір частково забезпечується відцентровими силами, але більша його частина створюється енергією вихорів, виникаючих в рідині при обертанні робочого колеса з лопатями, що утворені шляхом фрезерування. По периферії колеса в корпусі насоса є кільцевий канал, що закінчується нагнітальним патрубком.
Рис. 3 - 18. Схема вихрового насоса:
А – вхідне вікно; В – ущільнююча ділянка; 1 – корпус; 2 – робоче колесо; 3 – кільцевий канал; 4 – нагнітальний патрубок.
Рідина надходить крізь вікно до основ лопатей, відкидається відцентровою силою в кільцевий канал, у якому здобуває вихровий рух і переміщується уздовж каналу до вихідного патрубку. На цьому шляху рідина неодноразово попадає в простір між лопатями, де їй додається механічна енергія. У результаті багаторазового контакту між рідиною, що перекачується, і робочим колесом досягаються більш високі напори, ніж у відцентрових насосів.
Шестеренчасті насоси. У корпусі такого насоса (рис. 3-19) вставлені дві шестерні, одна з яких (ведуча) призводиться до обертання від електродвигуна. Коли зуби шестерень виходять із зачеплення, утворюється розрідження, під дією якого відбувається всмоктування рідини. Вона надходить до корпусу, захоплюється зубами шестерень і переміщується уздовж стінок корпуса в напрямку обертання. В області, де зуби знову входять у зачеплення, рідина витісняється й надходить у напірний трубопровід.
Рис. 3 - 19. Схема шестеренчастого насоса.
1 – корпус; 2 – шестерні.
Гвинтові насоси. Робочим органом гвинтового насоса (рис. 3-20) є ведучий гвинт і кілька ведених гвинтів, укладених в обойму, розташовану усередині корпуса. Переважне поширення в промисловості одержали насоси, що мають три гвинти – один ведучий і два ведених. Гвинти перебувають у зачепленні. Нарізка гвинтів має спеціальну форму й утворює у місцях взаємного торкання гвинтів герметичні ущільнення, які розділяють насос по довжині на ряд замкнутих порожнин. Напрямок нарізки кожного веденого гвинта протилежний напрямку нарізки ведучого. Так, наприклад, якщо ведучий гвинт має праву нарізку, то ведені – ліву. Всі гвинти звичайно виконуються двозаходними. Співвідношення розмірів гвинтів обрані такими, що ведені гвинти одержують обертання не від ведучого гвинта, а під дією тиску перекачуваної рідини. Тому немає потреби в установці зубчастої передачі між ведучим і веденими гвинтами.
Рис.3-20. Двогвинтовий насос: а – вид зверху; б – вид збоку.
1, 2 – ротори; 3 – корпус.
При обертанні гвинтів рідина, що заповнює западини в нарізках, переміщується за один оберт уздовж осі насоса на відстань, рівну кроку гвинта. Ведені гвинти при цьому відіграють роль герметизуючих ущільнюючих обкладок, що перешкоджають перетіканню рідини з камери нагнітання в камеру всмоктування. З камери нагнітання рідина витісняється в напірний трубопровід. Як видно з опису принципу дії гвинтових насосів, вони повинні бути віднесені до об’ємних насосів. Тиск, що розвивається гвинтовими насосами, залежить від числа кроків гвинтової нарізки й збільшується зі зростанням відношення довжини гвинта до його діаметра.
Одногвинтові (героторні) насоси (екструдери). У циліндричний корпус насоса 1 (рис. 3-21) із внутрішньою профільованою гвинтовою поверхнею 2, що зветься обоймою, встановлюється однозахідний гвинт 3. Між обоймою й гвинтом утворюються замкнуті порожнини 4, заповнені при роботі насоса рідиною; при обертанні гвинта вони переміщуються уздовж осі насоса.
У довільному перетині насоса, у тому числі й у перетині, що відповідає входу рідини в насос, при обертанні гвинта об’єм порожнини 4 не залишається постійним, змінюючись від 0 до деякого максимального значення (при певному куті повороту гвинта). Зі збільшенням об’єму порожнини 4 відбувається всмоктування рідини, що захоплюється гвинтом і переміщується в осьовому напрямку до напірного трубопроводу 5.
Рис. 3 -21. Схема одногвинтового (героторного) насоса:
1 – корпус; 2 – обойма; 3 – гвинт; 4 – усмоктувальна порожнина;
5 – напірний трубопровід.
Обойми одногвинтових насосів і гвинти можуть бути виготовлені з різних корозійностійких матеріалів, що дозволяє використовувати ці насоси для перекачування агресивних рідин.
Пластинчасті насоси. Такий насос (рис. 3-22) являє собою масивний циліндр 1 із прорізами постійної ширини (ротор), що розташований ексцентрично в корпусі 2. Вал ротора крізь сальник у торцевій кришці виводиться з корпуса для з’єднання з валом електродвигуна. У прорізі циліндра вставляються прямокутні пластини 3, які при обертанні ротора под дією відцентрової сили щільно притискаються до внутрішньої поверхні циліндра 4, розділяючи серповидний робочий простір між корпусом і ротором на камери. Об’єм кожної камери збільшується при русі пластини від всмоктувального патрубка до вертикальної осі насоса, внаслідок чого в камері утворюється розрідження й відбувається всмоктування рідини крізь патрубок 5. При русі пластини від вертикальної осі в напрямку обертання об’єм камери зменшується й рідина витісняється з насоса в напірний трубопровід 6.
| Рис. 3 -22. Схема пластинчастого ротаційного насоса: 1– ротор; 2 – корпус; 3 – пластини; 4 – робочий простір; 5 – всмоктувальний патрубок; 6 – нагнітальний патрубок. | Рис. 3 -23. Струминний насос: І – робоча рідина; ІІ – рідина, що перекачується; ІІІ – суміш; 1 – сопло; 2 – корпус насоса; 3 – дифузор. |
Струминні насоси (рис. 3-23). У цих насосах для переміщення рідин і створення напору використовують кінетичну енергію іншої рідини, що називають робочою. В якості робочих рідин звичайно застосовують водяну пару або воду. Робоча рідина І надходить із великою швидкістю із сопла 1 крізь камеру змішування 2 у дифузор 3, захоплюючи за рахунок поверхневого тертя рідину, що перекачується ІІ. У найбільш вузькій частині дифузора швидкість суміші робочої й рідини, що перекачується, досягає найбільшого значення, а статичний тиск потоку, відповідно до рівняння Бернуллі, стає найменшим. Перепад тисків у камері змішування й дифузорі забезпечує подачу рідини ІІ в камеру змішування з всмоктувальної лінії. У дифузорі швидкість потоку зменшується, але збільшується потенційна енергія тиску, і рідина під напором надходить у нагнітальний трубопровід.
Пароструминні насоси застосовують у тих випадках, коли припустиме змішування рідини, що перекачується, з водою, яка утворюється при конденсації пари, і одночасно її нагрівання. Такі насоси часто використовують для подачі води в парові казани.
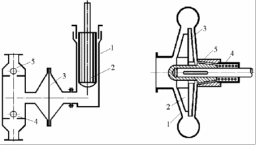
Монтежю (рис. 3-24) являє собою горизонтальний або вертикальний резервуар 7, у якому для перекачування рідини використовується енергія стисненого повітря або інертного газу. Монтежю працює періодично.
|
|
|
| Рис. 3 - 24. Монтежю: 1 – корпус; 2 – 6 – крани; 7 – труба для перетискування. | Рис. 3 - 25. Повітряний підйомник: 1 – труба для подачі стисненого повітря; 2 – змішувач; 3 – піднімальна труба; 4 – відбійник; 5 – збірник. |
Рідина надходить у монтежю по трубі наповнення крізь відкритий кран 2, для чого відкривають повітряний кран 3 (якщо наповнення відбувається під атмосферним тиском) або кран 4, що з’єднує монтежю з вакуум-лінією (якщо наповнення відбувається під вакуумом). При перетискуванні рідини закривають крани 2, 3 і 4 і відкривають кран 6 на нагнітальній трубі 7 і кран 5 подачі стисненого газу, тиск якого контролюють за манометром. Після опорожнювання монтежю закривають крани 5 і 6 і відкривають кран 3 для сполучення монтежю з атмосферою.
Достоїнством монтежю є відсутність у них частин, що рухаються, які найбільш швидко руйнуються внаслідок стирання й корозії. Тому монтежю застосовують для перекачування забруднених, хімічно агресивних і радіоактивних рідин незважаючи на низький к.к.д. (10 - 20%).
Повітряні підйомники (ерліфти). Підйомник складається із труби 1 для подачі стисненого повітря й змішувача 2 (рис. 3-25), де утворюється газо-рідинна суміш, яка внаслідок меншої питомої ваги піднімається по трубі 3. На виході з цієї труби газо-рідинна суміш огинає відбійник 4. При цьому із суміші виділяється повітря, а рідина надходить у збірник 5.
Повітряні підйомники мають порівняно низький к.к.д. (25-35%). Достоїнством їх є відсутність частин, що рухаються.
8. Порівняння й області застосування насосів різних типів
Дані про насоси, що випускаються відомими вітчизняними та закордонними підприємствами, зібрані в спеціальні каталоги. Вибір насоса роблять по заданій продуктивності й нaпopy, кoтрий розраховують у відповідності зі схемою трубопроводу [див. рівняння (3.12 а)]. Двигун до насоса підбирають за установчою потужністю, (рівняння 3.7), і числу обертів.
Найбільше поширення в хімічній промисловості одержали відцентрові насоси, які мають в порівнянні з поршневими ряд важливих переваг:
1) висока продуктивність і рівномірна подача;
2) компактність і швидкохідність (можливість безпосереднього приєднання до електродвигуна);
3) простота конструкції, що дозволяє виготовляти їх з хімічно стійких, що важко піддаються механічній обробці, матеріалів (наприклад, кераміки);
4) Можливість перекачування рідин, що містять тверді завислі частинки, завдяки більшим зазорам між лопатями й відсутності клапанів;
5) можливість встановлення на легких фундаментах.
К.к.д. найбільш великих і ретельно виготовлених відцентрових насосів досягає 0,95; к.к.д. поршневих насосів 0,9. Однак відцентрові насоси невеликої й середньої продуктивності мають к.к.д. на 10-15% нижче, ніж поршневі. Це обумовлено наявністю великих зазорів між порожнинами усмоктування й нагнітання, в порівнянні з поршневими насосами, крізь які можливе перетікання рідини, а також витратами енергії на неминуче вихореутворення поблизу країв лопатей робочого колеса, що обертається з великою швидкістю. Енергія вихореутворення перетворюється в тепло й розсіюється в навколишньому середовищі. Такі втрати різко зростають для високов’язких рідин, перекачування яких відцентровими насосами, внаслідок різкого зниження к.к.д., економічно невигідно.
До недоліків відцентрових насосів варто віднести відносно низькі напори, а також зменшення продуктивності при збільшенні опору мережі й різке зниження к.к.д. при зменшенні продуктивності.
Поршневі насоси доцільно застосовувати лише при порівняно невеликих подачах і високих тисках (у діапазоні 50–1000 am і вище), для перекачування високов’язких, вогне- і вибухонебезпечних рідин (парові насоси), а також при дозуванні рідких середовищ.
В області більших подач (до 1500 м3/хв) при невеликих напорах (до 10–15 м) застосовують пропелерні насоси, що відрізняються високим гідравлічним к.к.д., компактністю й швидкохідністю. Ці насоси придатні для переміщення забруднених рідин і рідин, що кристалізуються.
Гвинтові насоси можуть бути використані для перекачування високов’язких рідин, палив, нафтопродуктів і т.п. Ці насоси застосовують в області подач до 300 м3/год і тисків до 175 am при швидкості обертання до 3000 об/хв.
Гвинтові насоси володіють рядом достоїнств: швидкохідністю, компактністю, безшумністю. Продуктивність гвинтових насосів практично не змінюється при зміні тиску. К.к.д. цих насосів досить високий і досягає 0,75–0,90.
Область застосування одногвинтових (героторних) насосів обмежена продуктивністю 3,6–7 м3/год і тиском 10–25 am. За вартістю виготовлення й експлуатаційних витрат ці насоси близькі до відцентрових насосів малої продуктивності, що працюють при тисках 3–5 am, і значно економніше останніх, якщо тиск нагнітання перевищує 10 am. Одногвинтові насоси використовують для перекачування забруднених і агресивних рідин, розчинів і розплавів пластмас із високою в’язкістю.
Пластинчасті насоси застосовують для переміщення чистих, не вміщуючих твердих домішок рідин при помірних продуктивностях і напорах.
Для перекачування в’язких рідин, що не містять твердих домішок, при невеликих подачах (не вище 5–6 м3/год) і високих тисків (100–150 am) використовують шестеренчасті насоси.
Вихрові насоси застосовують для переміщення чистих малов’язких рідин з невеликими подачами (до 40 м3/год) і порівняно високими напорами (до 250 м), які у кілька разів перевищують напори відцентрових насосів. До достоїнств вихрових насосів варто віднести простоту конструкції, компактність і можливість одержання більш високих напорів, ніж у відцентрових насосів. Недоліком вихрових насосів є низький к. к. д. (Н = 20–50%), що обумовлено значними втратами при переносі енергії вихрами, а також непридатність для перекачування в’язких рідин і рідин, що містять тверді частинки.
Струминні насоси, монтежю й повітряні підйомники використовують у виробництвах, де наявність частин, що рухаються й труться неприпустимо. Струминні насоси можна застосовувати лише в тих випадках, коли припустиме змішування рідини, що перекачується, з робочою. Струминні насоси, монтежю й підйомники можуть бути виготовлені з хімічно стійких матеріалів, але мають низький к.к.д.















