123531 (577611), страница 4
Текст из файла (страница 4)
При твердости НВ > 350
,
Принимаем NFO = 4 · 106
NFE = NHE, в случае NFE > NFO, то KHL = 1.
Расчет валов
Для обеспечения вращательного движения подвижные системы приборов располагаются на деталях, которые в зависимости от вида нагружения называются валами или осями. Валом называется деталь, которая служит для передачи вращательного момента и одновременно является базой подвижной вращающейся системы.
Оси и валы для оптимизации габаритных размеров, массы и прочности выполняются ступенчатой формы.
Участки осей и валов, соприкасающиеся с опорами, называют цапфами.
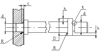
Для фиксации деталей на валах в осевом направлении служат буртики, высота заплечиков, h которых ориентировочно должна быть принята следующих размеров при диаметре вала:
до 20ммh = 0,5 … 3мм
20 … 40ммh = 2,5 … 5мм
40 … 60ммh = 4,5 … 8мм
Р
исунок 6.1. Основные конструктивные элементы валов
Концы валов следует заканчивать фасками. Места перехода от меньшего диаметра вала к большему называется галтелью. Галтели могут быть как постоянного, так и переменного радиусов. Радиус галтели, для несопряженных поверхностей, следует принимать по следующей рекомендации:
При разности диаметров:
(D ─ d)>2,…,4 мм R1,…,2 мм.
(D ─ d)>4,…,6 мм R2,…,3 мм.
При неподвижном соединении вала и насаженной на него детали (например, колесо, шкив, червяк и т. д.) вал имеет галтель, радиус которой R, а насаженная деталь ─ фаску размером С. Причем, катет фаски должен быть больше радиуса галтели С > R, что обеспечивает плотное прилегание ступицы к буртику вала.
Рекомендации по выбору радиуса галтели и фаски:
При d = 10…15мм; R = 1мм С = 1,5мм
d = 15…40мм; R = 1,5мм С = 2мм
d = 40…80мм; R = 2мм С = 3мм
Для плотного прилегания торца подшипника качения фланцу вала делают проточки, размеры которой нормализуются в зависимости от применяемого инструмента, см. раздел 8.4.
Радиус закругления внутреннего кольца подшипника «r» должен быть также больше радиуса галтели вала R1 в местах посадки подшипников.
Валы изготавливают из углеродистых и легированных сталей. Обычно применяют сталь 35, 40, 45, 40Х с термообработкой ─ нормализация или улучшение. Для неответственных валов Ст5, Ст3. Расчет валов производят по следующим этапам:
Проектный расчет валов
На ранней стадии проектирования при отсутствии данных об изгибающих моментах. Весьма приближенно диаметр выходного конца вала может быть найден по величине крутящего момента и по заниженным значениям допускаемого напряжения кручения [] 20…35Мпа по формуле:
, (6.1)
Где К ─ коэффициент, учитывающий послабление вала шпоночным пазом. К = 1,1.
- крутящий момент на i – том валу.
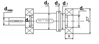
Полученное значение округляется до целого числа. Каждая последующая ступень определяется увеличиванием предыдущей на величину от 2 до 5мм - di = di – 1 + (2…5), (6.2)
Д
иаметр вала под подшипники округлить до стандартного значения диаметра внутреннего кольца подшипника.
Рисунок 6.2. Пример оформления эскиза вала.
Проектный расчёт валов проводить в следующей последовательности:
Разработка эскиза вала
Эскиз вала разработать в соответствии с базовой конструкцией редуктора.
Диаметральные размеры определять по формулам (6.1), (6.2).
Расчёт ступеней вала d1, d2, d3 по формуле (6.2).
I. Предварительный проектный расчет и конструирование. В результате выполнения этого этапа определяют наименьший диаметр вала и разрабатывают его конструкцию. При конструировании учитывают для обеспечения сборки возможность свободного продвижения деталей вдоль вала до места их посадки, а также осевую фиксацию этих деталей на валу.
II. Проверочный расчёт вала. Этот этап проводится после эскизного проектирования всего узла, определения точек приложения нагрузки и реакции опор, построение эпюр изгибающих и крутящих моментов, определения опасного сечения вала .
III. Уточнённый проверочный расчет. Этот этап проводится после окончательной разработки конструкции и служит для определения коэффициента запаса прочности для опасного сечения вала или для нескольких предположительно опасных сечений.
Проверочный расчет валов
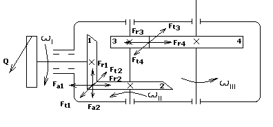
Примеры нагружения для различных схем редукторов.
Рисунок 6.5. Схема нагружения коническо-цилиндрического редуктора с прямозубыми колёсами.
Fr ─ радиальные силы.
Ft ─ окружные силы.
Fа ─ осевая сила.
Рисунок 6.6.Пример схемы нагружения и эпюры изгибающих и крутящих моментов входного вала коническо-цилендрического редуктора
Расчёт реакций опор в вертикальной и горизонтальной плоскостях
Принимаем момент, действующий против часовой стрелки со знаком «+», а по часовой стрелки - «─».
Расчет сил реакций опор в вертикальной плоскости.
Принимаем Σ Мау = 0
Q · K + Rby ·m (m + n) · Fr1·
/2 = 0;
. -0,000002272·(125)- 1- 0,00013· 18,5/2
-0,999
Для быстроходного вала:
Q · K + Rby ·m (m + n) · Fr1·
/2 = 0;
. -0,000002272·(125)- 1- 0,00013· 8,5/2
-0,997
Принимаем Σ Мву = 0
Q (k+m)- Rby ·m- Fr1 ·n· Fa2·
/2 = 0;
.( 1(150)+ 0,000002274 ·25· 0,00013·37/2)/100
6,4
Для быстроходного вала
Q (k+m)- Rby ·m- Fr1 ·n· Fa2·
/2 = 0;
( 1(150)+ 0,000002274 ·25· 0,00013·17/2)/40
1,49
Расчет и построение эпюр изгибающих моментов.
Расчет сил реакций опор в горизонтальной плоскости.
Принимаем Σ Мах = 0.
Q · K ─ Ft1 · m + Rbx · (m + n) = 0
Принимаем Σ Мвх = 0;
Q(k + m + n) ─ Rax · (m +n) + Ft1 · n = 0
Rax= Ft1 · n+ Q(k + m + n)/ (m +n)
Rax= 0,000039*175/125
Rax= 0,0000546
Для быстроходно вала:
Q · K ─ Ft1 · m + Rbx · (m + n) = 0
Принимаем Σ Мвх = 0;
Q(k + m + n) ─ Rax · (m +n) + Ft1 · n = 0
Rax= Ft1 · n+ Q(k + m + n)/ (m +n)
Rax= 0,000039*100/75
Rax= 0,000052
Определение эквивалентного момента опасного сечения вала
Наиболее часто опасным сечением является сечение вала, на котором устанавливают колесо. Т.к., обычно, в месте посадки вал имеет послабление сечения за счет шпоночного паза. В случае неопределённости выбора опасного сечения, просчитываются два наиболее
нагруженные сечения, и выбирается наибольший эквивалентный момент
, [Нмм].
Определение диаметра участка вала под зубчатой шестерней,
., [мм]
3,5
[u] ─ допускаемое напряжение изгиба. Для валов, выполненных из материала Сталь 45,
[u] = 45,…,50Мпа
Расчет подшипников на долговечность
Под долговечностью подшипника L, понимают такой срок службы в течение которого подшипники, проработавшие при данных условиях нагружения без объявления признаков усталости материала, составляют 90% общего числа.
, где
;Lh ─ долговечность, час.
L ─ долговечность, количество оборотов
n ─ угловая скорость, мин –1
С ─ динамическая грузоподъемность, Н
Р ─ наибольшая и двух опор вала эквивалентная нагрузка.
y – степенной коэффициент; для шариковых подшипников качения y=3; для роликовых подшипников качения y=3,3.
Долговечность подшипника не должна привышать 10tn, т. е. 350000 час.
3600
В случае, если Lh< 36000 час, то необходимо увеличить грузоподъёмность подшипника, т. е. увеличить серию или выбрать подшипник следующим диаметром.
В случае, если Lh> 360000 час, то необходимо уменьшить грузоподъёмность или уменьшить диаметр вала под подшипник согласно условия в п. 6.2.2.7 по отношению и диаметру подшипника.
Эскизный проект редуктора
Эскизный проект является наиболее ответственной частью курсовой работы, где принимаются основные конструктивные решения. При выполнении эскизного проекта студент пользуется примерами конструкций редукторов, представленных в атласах конструкций.
На этапе выполнения эскизного проекта проводится проработка конструкции зубчатых колес, валов, элементов корпуса редуктора, подшипниковых узлов. Соотношения конструктивных элементов зубчатых колес, крышек подшипниковых узлов, корпусов редукторов.
Конструирование зубчатых, червячных колес, червяков.
По результатам расчета в эскизном проекте вычерчиваются контуры зубчатых, червячных колес и червяков. Следующим шагом является конструктивная отработка их формы.
Конические зубчатые колеса
Конструктивные формы конических зубчатых колес с внешним диаметром вершин зубьев dae120 мм показаны на рис. 8.3. При угле делительного конуса 30 колеса выполняют по рис. 8.3, а, а при угле 45 - рис. 8.3, б. Если угол делительного конуса находится между 30 и 45, то допускаются обе формы конических колес. Размер ступицы определяют по формуле:
На рис.8.4 показана форма конического зубчатого колеса при внешнем диаметре зубьев dae>120 мм. При относительно небольших диаметрах колеса изготавливают из прутка, при больших диаметрах заготовки получают свободной ковкой с последующей токарной обработкой.
Рисунок 8.3.Конструктивные размеры конических колёс
Рисунок 8.4.Конструктивные размеры конических колёс.
При любой форме колес внешние углы зубьев притупляют фаской f, обрабатывая колеса по внешнему диаметру dae параллельно оси посадочного отверстия. Торец зубчатого венца используют для установки заготовки при нарезании зубьев. Для уменьшения объема точной механической обработки выполняют выточки глубиной 1…2 мм.
Конструирование стаканов
Конструкция стакана определяется схемой расположения подшипников. На рисунке 8.14., а –б показаны варианты, наиболее часто встречающиеся на практике. Стаканы обычно выполняют литыми из чугуна марки СЧ15. Толщину стенки δ принимают в зависимости от диаметра отверстия D под подшипник по таблице 8.14.
















