123408 (577589), страница 2
Текст из файла (страница 2)
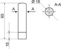
| ТП 00.003 | |||||||||||||||||||||
| Стойка якоря | Лит. | Масса | Масштаб | ||||||||||||||||||
| Изм. | Лист | № докум. | Подп | Дата | 1 : 1,5 | ||||||||||||||||
| Разраб. | |||||||||||||||||||||
| Пров. | |||||||||||||||||||||
| Т. Контр. | Лист | Листов | |||||||||||||||||||
| . | |||||||||||||||||||||
| Н. контр. | |||||||||||||||||||||
| Утв. | |||||||||||||||||||||
5.4 Чертёж колеса штурвала
| ТП 00.003 | ||||||||||||
| Колесо штурвала | Лит. | Масса | Масштаб | |||||||||
| Изм. | Лист | № докум. | Подп | Дата | 1 : 2,3 | |||||||
| Разраб. | ||||||||||||
| Пров. | ||||||||||||
| Т. Контр. | Лист | Листов | ||||||||||
| Н. контр. | ||||||||||||
| Утв. | ||||||||||||
5.5 Ручка штурвала
| ТП 00.003 | ||||||||||||
| Ручка штурвала | Лит. | Масса | Масштаб | |||||||||
| Изм. | Лист | № докум. | Подп | Дата | 1 : 1 | |||||||
| Разраб. | ||||||||||||
| Пров. | ||||||||||||
| Т. Контр. | Лист | Листов | ||||||||||
| Н. контр. | ||||||||||||
| Утв. | ||||||||||||
6.Технологическая карта. Изготовление часов
| Деталь | Операции | Наименован. операций | Эскиз заготовки | Оборудование и инструменты |
| № 1 | Выпиливание из доски по шаблону ушка якоря и просверливание отверстий под стойки якоря. | Изготовление ушка якоря. | Электрический лобзик, набор пилок, дрель со сверлом на 18 мм. | |
| № 2 | Выпиливание из доски по шаблону крюка якоря и просверливание отверстий под стойки якоря.. | Изготовление крюка якоря. | Электрический лобзик, набор пилок, дрель со сверлом на 18 мм. | |
| № 3 | Вытачивание стоек якоря. | Изготовление стоек якоря. | Токарный станок по дереву, стамески (реерный, плоский,). | |
| № 4 | Вытачивание ручек штурвала. | Изготовление ручек штурвала. | Токарный станок по дереву, стамески (реерный, плоский,). | |
| № 5 | Выпиливание из доски колесо штурвала, сверление и фрезерование фаски и отверстия под механизм часов. | Изготовление колеса штурвала. | Электрический лобзик, дрель со сверлом на 8 мм, фрезерная машина и набор фрез. | |
| № 6 | Сборка и закрепление всех деталей. | Сборка часов. | Клей ПВА, саморезы, крестовая отвёртка. | |
| № 7 | Нанесение лакокрасочного материала (лак, морилка, пропитка или масленая краска). | Покраска. | Лакокрасочный материал, кисточка или пуливизатор. | |
| № 8 | Частичная разборка (отвинчивание саморезов), для установки механизма часов в заготовленное отверстие. | Установка механизма часов. | Отвёртка. |
7. Расчёт материала и экономическое обоснование изготовления
настенных часов
Рассчитаем затраты и себестоимость продукции на изготовление настенных часов.
Расчёт, для изготовления одного настенных часов:
-
доска, габаритами 580 х 140 х 25 мм (стоимость 1 мм3 досок составляет 4500 руб.), необходимая часть доски от 1 мм3 составляет 49,9 часть, следовательно, стоимость нужной доски составляет 90 руб.;
-
доска, габаритами 196 х 196 х 35 мм (стоимость 1 мм3 досок составляет 4500 руб.), необходимая часть доски от 1 мм3 составляет 743 часть, следовательно, стоимость нужной доски составляет 6 руб.;
-
брус, габаритом 1750 х 25 х 25 мм (стоимость 1 мм3 досок составляет 4500 руб.), необходимая часть доски от 1 мм3 составляет 914 часть, следовательно, стоимость нужной части бруса составит 5 руб.;
-
в качестве механизма для часов можно использовать механизм из ненужных часов, либо купить самый дешёвый «Китайский будильник», цена которого составит примерно 30 руб.;
-
четыре самореза на 35 мм, цена одной составляет 0,18 руб., цена 4 шт. составит 0,72 руб.;
-
клей ПВА, цена за один тюбик 30 руб., с содержанием 1000 гр., для нашего проекта понадобится 15 гр. – это составит 0,45 руб.
Затрата электроэнергии за работу на токарным станке по дереву, непосредственно при изготовлении цилиндрических частей часов, а так же работа с электрическим лобзиком, дрелью и фрезерной машины при изготовлении деталей часов, по расчёту, что работа за электро- станками, машинами составляет ~ 4 часа, мощности этих оборудований в среднем по 1,5 кват – это составляет, в общем, 6 кват. Следовательно затраты на электроэнергию составляют 6 х 1,134 = 6,8 рублей.
Себестоимость одного экземпляра часов будет составлять примерно 150 руб.
Конечная стоимость часов, с учётом потраченной энергии и сил столяра, а так же оригинальное исполнение и художественная образность изделия, будет составлять от 600 до 900 рублей.
8. Эргономическое обоснование изготовления светильника
Наши отношения с предметным миром не могут быть ограничены любованием эстетическими достоинствами внешней формы. Практическое назначение предметов, обращение с ними требуют своего осмысления. Вопросами проектирования удобных орудий труда, быта, а в целом - созданием комфортной предметно-пространственной среды для самых различных процессов жизнедеятельности человека занимается эргономика.
В её задачи входит всестороннее изучение функциональных особенностей и возможностей человека в процессе его деятельности и взаимодействии с окружающими предметами.
Человек соизмерял создаваемый им предметный мир со своими физическими параметрами и физиологическими возможностями своего организма.
Непосредственно наше изделие – настенные часы «Морская тематика», несёт в себе следующие эргономические задачи:
-
габариты изделия соответствуют среднестатистическим размерам, что даёт возможность их расположения, практически, на любой стене;
-
изготовлено из натуральных материалов;
-
распределённая тяжесть изделия, что позволяет подвесить часы на один гвоздь, за ушко якоря;
-
стилизация под главные морские атрибуты – якорь и штурвал, этот внешний дизайн, может украсить любой интерьер, в, не зависимости офисный ли это кабинет, или же гостиная или спальная комната.
Список литературы
-
Балашов К.А., Кобелева И.В. Экономика предприятия и основных отраслей народного хозяйства. Магнитогорск: 2001. – 36с.
-
http://www.google.ru/
-
http://www.mail.ru/
-
http://www.rambler.ru/
-
Кряков М.В., Гулин В.С., Берелин А.В. Современное производство мебели. – М.: Лесная промышленность, 1986. – 65с.
















