92311 (575205), страница 2
Текст из файла (страница 2)
Положения переключателя газов на аппаратах Drager
| РЕЖИМ «02 + N20» | РЕЖИМ «ВСЕ ГАЗЫ» |
| Функция тревоги ORMC доступна | Функция тревоги ORMC отключена |
| Контроль минимально безопасного потока 02 возможен | Контроль минимально безопасного потока 02 невозможен |
| Использование третьего газа невозможно при OFPD | Использование третьего газа возможно |
-
Аппараты Datex-Ohmeda не имеют подобного переключателя. Зачем нужен переключатель, устанавливающий либо режим «все газы», либо режим «только N20/02»?
Переключатель не нужен. Присутствие его обусловлено исторически. В прошлом наркозные аппараты не имели ничего, что могло бы предотвратить поступление гипоксической смеси. Фирма Drager разработала механизм ORM — монитор процентного содержания 02 (не ORMC). При использовании первых устройств добавление третьего газа, не содержащего 02, могло легко привести к неточности в работе механизма и поступлении гипоксической смеси пациенту. Поэтому фирма Drager решила установить переключатель: либо разрешена подача N20, либо — третьего газа. В то время в качестве третьего газа часто выступали С02 или гелий, и принудительный выбор имел определенный смысл. Когда в качестве третьего газа стали использовать воздух (который по определению не гипоксический), в наличии выбора осталось мало смысла. Из-за давления пользователей, хотя они настаивали на сохранении переключателя, фирма Drager изменила его функцию. Таким образом, теперь выбор происходит между режимом всех газов и режимом только N20 и 02.
-
Как работают механизмы ORM и ORMC?
Изначально механизм ORM был сконструирован как система тревожной сигнализации, предупреждающая анестезиолога о попытке подачи гипоксической смеси. Механизм сравнивал давление 02 дистальнее игольчатого вентиля с соответствующим давлением N20. Ввиду пропорциональной зависимости между давлением и потоком, мониторинг давлений
дистальнее игольчатого клапана обеспечивал не только сравнение давлений, но и сравнение потоков. Процесс сравнения был усовершенствован при помощи соединения двух диафрагм стержнем. К стержню была прикреплена пластина электрического контакта. При движении стержня электрический контакт мог замыкаться и, таким образом, активизировать тревожную сигнализацию. Поскольку при добавлении третьего газа точная работа тревожной сигнализации нарушалась, разработчики решили просто сделать недоступной функцию тревоги при допущении третьего газа. В механизме ORMC применен дополнительный «подчиненный» клапан, связанный с потоком N20. Он ограничивает расход этого газа по принципу обратной связи, делая невозможным поступление газовой смеси, более чем на 75% состоящей из N20. Это ограничение работает вне зависимости от того, доступна или нет звуковая тревога согласно положению переключателя: N20/02 — все газы.
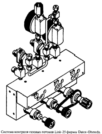
24. Аппараты Datex-Ohmeda выполняют ту же функцию с помощью системы Link-25. Как работает эта система?
Аппараты Datex-Ohmeda контролируют соотношение потоков 02 и N20 механически. Во-первых, давления двух газов строго приводятся вторыми последовательными редукторами к уровню 1 атм. и 1,7 атм. Во-вторых, две шестерни — 02, имеющей 29 зубцов, и N20, имеющей 14 зубцов, соединены ремнем. Шестерня 02 приводится в движение ремнем только при попытке увеличить долю потока N20 свыше 75%. При такой попытке поворот ручки N20 вызовет поворот ручки 02 с отношением оборотов 14:29. Подобным образом, попытка снижения подачи 02 приведет к сокращению подачи N20. Отношения давлений и оборотов шестерен компенсируют влияние различий плотностей и вязкостей двух газов на их потоки.
-
На высоте 7000 футов (2133 м) вам понадобится ингалировать десфлюран со значительно большим объемным отношением, чем вы могли бы ожидать, ориентируясь на публикуемую минимальную альвеолярную концентрацию (МАК) этого препарата. Подобных проблем с другими препаратами не возникает. Объясните.
Обычные испарители (включая Drager 19.1 и Datex-Ohmeda ТЕС 3, 4 и 5) компенсируют влияние высоты над уровнем моря. Компенсация достигается благодаря саморегулирующемуся клапану, расположенному на выходе испарителя, и конструктивным особенностям, ослабляющим до минимума воздействие прерывистого потока и перепадов давления. В таких испарителях на любой высоте над уровнем моря постоянно на выходе поддерживается парциальное давление анестетика, а не его объемное отношение. Испаритель десфлюрана (Datex-Ohmeda ТЕС 6) не изменяет количество свежего газа, проходящего через испарительную камеру, однако насыщение газового потока увеличивается, способствуя сохранению установленного объемного отношения. Ввиду того, что сила анестезии определяется количеством молекул препарата (парциальное давление), воздействующих на пациента, обычные испарители (при одном и том же положении рукоятки. — Примеч. пер.) обеспечивают одинаковую силу анестезии вне зависимости от высоты над уровнем моря. Испаритель ТЕС 6 сохраняет на разной высоте установленное объемное отношение. Вместе с тем, парциальное давление становится на 24% меньше, чем при той же объемной концентрации на уровне моря. Таким образом, на высоте 7000 футов десфлюран необходимо ингалировать в соответственно большей объемной концентрации, чтобы достичь МАК.
-
Можно ли воспользоваться системой экстренной подачи кислорода для создания струйной вентиляции и не приобретать специальное оборудование для этого?
Большинство моделей наркозных аппаратов имеют внутренний клапан сброса, ограничивающий максимальное давление, создаваемое потоком свежего газа. Действительный уровень предельного давления варьируется в зависимости от срока службы и модели наркозного аппарата. Поэтому без индивидуального тестирования аппарата точно установить максимальное давление невозможно. Однако по опыту известно, что большинство современных наркозных аппаратов Datex-Ohmeda ограничивают давление 0,25—0,3 атм., а аппаратов Drager — 1,2 атм. Эффективная струйная вентиляция обычно требует давления от 2 до 3,4 атм.
-
Сравните проведение анестезии по закрытому контуру на респираторе Drager и респираторе Datex-Ohmeda 7000
И в респираторе наркозного аппарата Datex-Ohmeda, и в респираторе Drager предохранительный клапан открывается только при условии предельного заполнения мехов и превышения приблизительно на 2,5 см вод.ст. давления внутри мехов при их опорожненном состоянии. Если меха постоянно не доходят до верхнего предела камеры, то предохранительный клапан и контур все время остаются закрытыми. Поскольку дыхательный объем на респираторах Drager регулируется механическим ограничителем, очень трудно одновременно гарантировать сохранение контура закрытым и подачу установленного дыхательного объема.
Меха аппаратов Datex-Ohmeda всегда начинают движение при вдохе от переменной позиции и опускаются вниз на то расстояние, которое соответствует требуемому дыхательному объему. Возможна подача одинакового дыхательного объема при разных стартовых положениях мехов. Например, если движение начинается от отметки 200 мл, то дыхательный объем 1000 мл обеспечивается опусканием мехов до отметки 1200 мл. Контур остается закрытым, если поток свежего газа поддерживается на уровне, при котором меха не доходят до верхнего предела, но, вместе с тем, обеспечивается дыхательный объем.
-
Нужно провести анестезию у больного со злокачественной гипертермией. Есть ли необходимость технику снимать испаритель с наркозного аппарата?
Испарители Datex-Ohmeda снимаются легко: просто отпускается защелка, а испаритель приподнимается. На аппаратах Drager для демонтажа испарителя необходимо удалить два винта Allen. Если на место удаленного испарителя не поставлен другой, то в освободившееся место нужно установить блок, шунтирующий газоток. Демонтаж легко выполняется любым, кто умеет обращаться с гаечным ключом Allen. Однако фирма Drager рекомендует доверять замену испарителей только специалистам. Между тем, продувка аппарата кислородом в течение нескольких минут должна очистить его от анестетиков (за исключением резиновых деталей абсорбера и контура). Ответственный за анестезию должен быть уверен в том, что исключена возможность случайного включения испарителя работающим персоналом.
-
Одна из трубок дозиметра 02 сломана. Можете ли вы временно, до выполнения эквивалентной замены, установить на место сломанной трубки трубку дозиметра воздуха, запомнив на это время, что подачу воздуха включать нельзя?
Если после снятия трубки не закрыть образовавшееся отверстие, возникнет утечка из общей магистрали газов. Помните, что игольчатый вентиль расположен на входе газа в дозиметр, следовательно, закрытие вентиля предотвратит потерю воздуха. Вместе с тем, при открытых вентилях других дозиметров возможна потеря газов через открытый вентиль удаленного дозиметра. Кроме того, необходимо учитывать, что поток газа через трубку, известную также как трубка Thorp, зависит от его плотности и вязкости. Поэтому трубки дозиметров должны калиброваться индивидуально для каждого газа. И, наконец, каждая трубка должна иметь соответствующий ей поплавок, поскольку совместная калибровка этой пары элементов уникальна. Использование для 02 трубки, откалиброванной по воздушному потоку, приведет к неточности показаний.
-
Давление аппаратах Datex-Ohmeda измеряется в нескольких местах. Лучше ли это, чем измерение давления в абсорбере аппарата Drager?
В аппаратах Drager давление, измеряемое в емкости абсорбера, является источником и показаний манометра, и кривой давления на экране, и активизации сенсора разгерметизации. При этом подразумевается равномерное распределение давления по дыхательному контуру, что при отсутствии разгерметизации контура или препятствия потоку газа соответствует действительности. Наркозные аппараты Datex-Ohmeda улавливают давление и на клапане вдоха, и на клапане выдоха, причем в той части клапанов, которая обращена к пациенту. Давление на клапане выдоха используется респиратором, помимо прочего, для обнаружения разгерметизации. Давление на клапане вдоха может лучше, чем давление в верхней части абсорбера, отражать действительное давление в дыхательных путях, особенно в условиях частичного перегиба трубки.
-
Как лучше подключить положительное давление в конце выдоха (ПДКВ) к дыхательному контуру пациента?
В наркозных аппаратах управляемое сопротивление выдоху может симулировать ПДКВ. Для реализации этого были предложены и внедрены в широкую практику несколько методов. Два из них доминируют в анестезии, хотя ни один не является идеальным. Первый метод предполагает установку клапана ПДКВ в магистраль выдоха дыхательного контура пациента. Клапан использует либо силу тяжести, которая удерживает шарик на пути выдыхаемого потока, либо силу сжатой пружины. В обоих случаях выдох не происходит до тех пор, пока его давление не превысит установленный уровень ПДКВ, обычно — 5 или 10 см вод.ст. Второй метод — поместить функционально идентичный клапан в магистраль удаления отработанных газов дыхательного контура и/или респиратора. Результат — тот же самый, однако подъем давления будет наблюдаться во всем дыхательном контуре, а не только в магистрали выдоха. Это не является истинным ПДКВ, поскольку небольшие изменения в легочных объемах (такие, как частичный вдох) будут временно устранять ПДКВ.
-
Как поток свежего газа может изменить минутную вентиляцию?
Свежий газ непрерывно поступает в магистраль вдоха дыхательного контура. Во время вдоха свежий газ присоединяется к газу, поступающему к больному из дыхательного мешка или респиратора. Дыхательный объем пациента увеличивается, следовательно, на объем свежего газа, поступившего в течение фазы вдоха дыхательного цикла. Например, если частота дыхания 10 в минуту, каждый цикл респиратора длится 6 с (60:10). Если соотношение вдоха и выдоха (1:Е) = 1:2, то 2 с дыхательного цикла занимает вдох (I) и 4 с — выдох (Е). Приток свежего газа за эти 2 с составит то количество газа, которое будет добавляться к каждому дыхательному объему. При расходе свежего газа 6 л/мин — 100 мл каждую секунду — дыхательный объем будет увеличиваться благодаря притоку на 200 мл.
-
Почему во время работы респиратора наркозного аппарата Drager дыхательный мешок пациента полностью спадается?
Как наркозные аппараты Datex-Ohmeda, так и наркозные аппараты Drager имеют переключатель, позволяющий анестезиологу сделать выбор: присоединять к дыхательному контуру респиратор или мешок с клапаном сброса (автоматического ограничения давления или APL). Если переключатель находится в положении «мешок», меха респиратора отсоединены от дыхательного контура. В положении «респиратор» с контуром разобщены мешок и клапан APL. Вместе с тем, они по-прежнему остаются соединенными с системой удаления отработанных газов. Мешок на аппаратах Drager полностью спадается вследствие разницы в функционировании клапана APL на двух моделях аппаратов. Клапан APL на аппаратах Datex-Ohmeda регулируется сжатием пружины. Для открытия клапана и стравливания газа из контура необходимо наличие градиента давлений по обе стороны клапана. Величина этого градиента определяется настройкой пружины клапана. Клапан APL на аппаратах Drager представляет собой просто регулируемое по величине отверстие. Поэтому для движения газа всегда достаточно наличия любого градиента давлений: поток газа через клапан является функцией величины отверстия и разницы давлений по обе стороны клапана. Закрытая система улавливания отработанных газов может создавать небольшое отрицательное давление в дистальной части клапана APL. Это отрицательное давление слишком мало для того, чтобы открыть клапан сброса аппаратов Datex-Ohmeda, но достаточно, чтобы медленно подсасывать газ из изолированного дыхательного мешка аппаратов Drager.
-
Что такое система удаления отработанных газов?
За исключением ситуации закрытого контура, газ всегда поступает в дыхательный контур наркозного аппарата и уходит из него. Отработанный газ — это смесь выдыхаемого пациентом газа и избыточного, превышающего потребности больного, но тем не менее содержащего анестетик свежего газа. Чтобы уменьшить воздействие на персонал, работающий в операционной, следовых количеств анестетиков, необходимыми и уместными выглядят улавливание и отвод из атмосферы операционной «загрязненных» газов. Системой удаления отработанных газов называют устройство, используемое для надежного переноса этих газов из дыхательного контура в вакуумную систему стационара (или другую вытяжную систему). Из-за периодичности дыхания поток газа вдыхательном контуре существует прерывисто. До тех пор, пока вакуум или вытяжка, создающие постоянный поток, не смогут удалить газ, идет наполнение резервуара системы. Кроме того, система должна предотвращать развитие чрезмерного разряжения вдыхательном контуре или его переполнения. Это достигается установкой предохранительных клапанов и для положительного, и для отрицательного давлений. Таким образом, при отказе вакуумной системы или слишком слабом потоке, вследствие неправильной настройки такой системы, давление в отводящей магистрали благодаря предохранительному клапану положительного давления увеличиваться не будет. (Допускаем, что будет загрязнена атмосфера операционной. Однако это минимальное зло в сравнении с опасностью раздутия, подобно шару, легких пациента.) Если система вакуума настроена на чрезмерное разрежение, предохранительный клапан отрицательного давления позволит воздуху помещения смешаться с отработанными газами, предотвратив увеличение разрежения в дыхательном контуре более 2,5 мм рт.ст.
-
У вас есть монитор концентраций газообразных анестетиков в конце выдоха, измеряющий и концентрацию 02 в конце выдоха (или на вдохе). Нужно ли вам устанавливать на наркозный аппарат монитор 02?
Нет. Однако в широкой практике исторически укоренилось ведение мониторинга концентрации 02 с помощью полярографического или гальванического датчиков, установленных в верхней части абсорбера. Часть административного персонала считает использование этих более старых датчиков необходимым. Вместе с тем, стандарты требуют лишь обеспечения мониторинга 02. Фактически, мониторинг 02 в дыхательных путях пациента является, вероятно, более надежным и точным способом определения того, какая действительно смесь поступает к больному.
-
Что же важнее — ваш наркозный аппарат или ваша семья?
Как посмотреть. Исключая время, затрачиваемое на сон (а возможно даже включая его), до тех пор, пока вы не уйдете на пенсию, вы будете проводить больше времени рядом с вашим наркозным аппаратом, нежели с чем-нибудь или с кем-нибудь еще. Принципиально важно, чтобы наркозный аппарат стал вашим другом. К сожалению, наркозный аппарат не может дать того, что способна дать вам семья. Поэтому изучите ваш наркозный аппарат, но не тратьте на него больше времени, чем это необходимо.
















