86216 (575029), страница 2
Текст из файла (страница 2)
Расчёт значений ФЧХ ведём в логарифмическом масштабе. Результаты записываем в таблицу 5. Размерность ФЧХ – радианы (рад).
Таблица 5. ФЧХ
|
|
|
|
|
|
|
|
|
|
| -1 | 0,1 | 0,03263 | 0,1 | 1,25893 | 0,44997 | 1,2 | 15,8489 | 1,66382 |
| -0,9 | 0,12589 | 0,04110 | 0,2 | 1,58489 | 0,58831 | 1,3 | 19,9526 | 1,64958 |
| -0,8 | 0,15849 | 0,05177 | 0,3 | 1,99526 | 0,77030 | 1,4 | 25,1189 | 1,63592 |
| -0,7 | 0,19953 | 0,06524 | 0,4 | 2,51189 | 0,99225 | 1,5 | 31,6228 | 1,62384 |
| -0,6 | 0,25119 | 0,08227 | 0,5 | 3,16228 | 1,22480 | 1,6 | 39,8107 | 1,61359 |
| -0,5 | 0,31623 | 0,10383 | 0,6 | 3,98107 | 1,42316 | 1,7 | 50,1187 | 1,60513 |
| -0,4 | 0,39811 | 0,13123 | 0,7 | 5,01187 | 1,56064 | 1,8 | 63,0957 | 1,59824 |
| -0,3 | 0,50119 | 0,16622 | 0,8 | 6,30957 | 1,63913 | 1,9 | 79,4328 | 1,59268 |
| -0,2 | 0,63096 | 0,21126 | 0,9 | 7,94328 | 1,67427 | 2 | 100 | 1,58822 |
| -0,1 | 0,79433 | 0,26981 | 1 | 10 | 1,68250 | 2,1 | 125,893 | 1,58466 |
| 0 | 1 | 0,34696 | 1,1 | 12,5893 | 1,67633 | 2,2 | 158,489 | 1,58182 |
Строим график ФЧХ – рис. 5.
Рис. 5. ФЧХ
8. Структурная схема системы
Записываем матричные уравнения системы:
;
.
Подставляем исходные данные:
;
.
Производим умножение матриц:
,
,
.
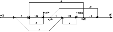
Получили систему уравнений, на основе которой строим структурную схему – рис. 6.
Рис. 6. Структурная схема системы
Часть 2:
Осуществить синтез замкнутой системы с собственными числами
{–1; –4; 5j}.
Построить наблюдатель полного порядка.
Дано:
,
,
.
Решение:
1. Синтез замкнутой системы
Рассматриваем линейную систему с постоянными параметрами:
,
.
Пусть управление линейно зависит от координат состояния системы:
,
где
– входной командный сигнал,
К – матрица коэффициентов обратной связи.
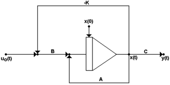
После замыкания эта система имеет структуру, изображённую на рис. 7.
Рис. 7. Структура исходной системы
Движение системы описывается линейным дифференциальным уравнением:
.
Таким образом, динамические свойства системы полностью определяются матрицей А – ВК, её характеристическими числами.
Характеристический многочлен исходной системы равен:
.
Спектр характеристических чисел (корни характеристического многочлена):
.
Желаемый характеристический многочлен замкнутой системы
по условию имеет 4 собственных числа, но наша исходная система имеет третий порядок, поэтому одно из собственных чисел необходимо убрать, убираем собственное число (–1), тогда:
.
Пусть матрица коэффициентов обратной связи
, тогда характеристический полином замкнутой системы:
.
Приравниваем коэффициенты при равных степенях многочленов
и
:
,
,
,
.
Решая полученную систему уравнений, получаем:
,
,
.
Искомое управление принимает вид:
.
Структура синтезированной системы представлена на рис. 8.
Она построена по уравнениям:
,
,
,
,
.
Рис. 8. Структура синтезированной системы
2. Построение наблюдателя полного порядка
Система
называется асимптотическим наблюдателем полного порядка, если для любого начального состояния х(0) и всех
оценка
с ростом времени асимптотически приближается к вектору состояния
.
Найдём структуру асимптотического наблюдателя, для чего определим ошибку восстановления
и найдём модель её изменения:
.
Затем потребуем, чтобы
при всех
и
.
Это равенство возможно при:
,
.
Таким образом, структура асимптотического наблюдателя полного порядка определяется моделью вида:
.
На рис. 9 изображена структура системы и её наблюдателя.
Рис. 9. Структура системы с наблюдателем
Задача синтеза наблюдателя системы состоит в том, чтобы найти матрицу
. Это можно сделать, исходя из условия асимптотической сходимости оценки
к вектору состояния
при любых начальных состояниях наблюдателя и системы.
Пусть ошибка восстановления
, тогда
.
Ошибка восстановления описывается линейным однородным дифференциальным уравнением с матрицей
и ненулевыми начальными условиями, а поэтому асимптотическая сходимость ошибки к нулю возможна тогда и только тогда, когда собственные числа матрицы
, которые называют полюсами наблюдателя, располагаются в левой полуплоскости.
Пусть матрица
,
тогда матрица
.
Полюса наблюдателя определяются уравнением:
.
Переходные процессы в наблюдателе будут несравнимы с процессами в системе, если полюса наблюдателя будут значительно левее полюсов системы. Поскольку характеристические числа замкнутой системы равны:
{– 4; 5j},
то расположим полюса наблюдателя в точках:
.
Желаемый характеристический полином наблюдателя принимает вид:
,
что будет иметь место тогда, когда:
,
,
.
Решая полученную систему уравнений, получаем:
;
;
.
Находим матрицу:
Модель асимптотического наблюдателя системы принимает вид:
,
,
,
.
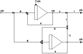
Структура системы со своим асимптотическим наблюдателем полного порядка представлена на рис. 10.
Она построена по уравнениям:
,
,
,
,
,
,
.
















