63278 (573377)
Текст из файла
ТИПОВІ ВХІДНІ СИГНАЛИ
Для теоретичного й експериментального дослідження автоматичних систем використовуються типові вхідні сигнали. До таких сигналів відносяться:
1. Східчаста вхідна дія
Типовий вхідний сигнал східчастої вхідної дії рис.1
Рисунок 1 – Східчаста вхідна дія
Інакше її ще називають одиничним сигналом і описується так: g(t) = l(t) = 0 при t <0 і= 1 при t >0 . Зображення по Лапласу має вигляд
,
тобто
.
2. Імпульсна вхідна дія
Типовий вхідний сигнал імпульсної вхідної дії рис. 2
Рисунок 2 – Імпульсна вхідна дія
Інакше її ще називають дельта-імпульс; - імпульс: висота нескінченно велика, тривалість нескінченно мала, площа дорівнює 1:
де – імпульс (рис. 2, а) є похідна від одиничного стрибка (рис. 2, б)
Зображення по Лапласу
.
3. Синусоїдальна вхідна дія
.
Зображення по Лапласу при
.
4. Лінійно-зростаюча вхідна дія
Рисунок 3 – Лінійно-зростаюча вхідна дія
Зображення по Лапласу
5. Білий шум
На відміну від раніше розглянутих даний вплив є випадковим, а не детермінованим.
Прикладом випадкового процесу може служити флуктуаційна напруга, що спостерігається на екрані осцилографа, підключеного до виходу ненастроєного чутливого радіоприймача.
Перехідна функція h(t) — це реакція лінійного елемента (системи) на одиничний східчастий вплив:
Оскільки
, то зображення перехідної функції має вигляд
.
Якщо Q(p) і Р(р) – многочлени, то оригіналом Н(р) буде
,
де рi - корені характеристичного рівняння Р(р) = 0; сr – коефіцієнти, обумовлені з початкових умов; п — порядок характеристичного многочлена.
Імпульсна перехідна функція W(t) - це реакція лінійного елемента (системи) на імпульсний вхідний вплив
:
.
Зображення по Лапласу імпульсної перехідної функції:
(оскільки
).
Отже, зображенням по Лапласу імпульсної перехідної функції W(p) є передатна функція W(p) елемента.
Оскільки
,
те
,
й отже,
, і
.
6. Підсилювальна ланка
Прикладом може служити малопотужний електронний підсилювач (рис.4).
Рисунок 4 – Підсилювальна ланка
Залежність вихідної величини от вхідної є такою –
; у символічній формі –
; передатна функція: W(s) = к; амплітудно-частотна характеристика (АЧХ)-W()=k; фазо-частотна характеристика (ФЧХ)-()=0; логарифмічна амплітудно-частотна характеристика – L()= 20 lg к; комплексний коефіцієнт передачі - W(j)=к (рис.5).
Рисунок 5 – Характеристика підсилювальної ланки: а) перехідна, б) імпульсна перехідна, в) логарифмічна амплітудно-частотна, г) годограф комплексного коефіцієнта передачі
7. Інерційна ланка
Прикладом може служити інерційне RC - коло, відоме в радіотехніці підназвою "інтегруючий ланцюжок".
Диференціальне рівняння кола –
;
диференціальне рівняння в символічній формі – Tpy(p)+y(p)=kx(p); передатна функція - W(s) — к/(Ts + 1); амплітудно-частотна характеристика
–
;
фазо-частотна характеристика –
; комплексний коефіцієнт передачі –
(рис.6).
Рисунок 6 – Характеристики інерційної ланки: а) перехідна, б) імпульсна перехідна, в) логарифмічна амплітудно-частотна, г) годограф комплексного коефіцієнта передачі
8. Інтегрувальна ланка
Прикладами можуть служити (рис.7) серверний двигун і операційний підсилювач, у вхідне коло якого включений резистор, а в коло зворотного зв'язку – конденсатор.
Диференціальне рівняння ланки –
диференціальне рівняння в символічній формі –
; передатна функція –
; комплексний коефіцієнт передачі –
амплітудно-частотна характеристика –
; фазо-частотна характеристика
логарифмічна амплітудно-частотна характеристика –
(рис.7).
Рисунок 7 – Характеристики інтегруючої ланки: а) перехідна, б) імпульсна перехідна, в) логарифмічна амплітудно-частотна, г) годограф комплексного коефіцієнта передачі
9. Ланка, що диференціює
Прикладами можуть служити тахогенератор і операційний підсилювач, у вхідне коло якого включений конденсатор, а в коло зворотного зв'язку – резистор.
Диференціальне рівняння ланки
;
диференціальне рівняння в символічній формі –
; передатна функція – W(p)kp; комплексний коефіцієнт передачі – W(j)=kj; амплітудно-частотна характеристика – W()=k; фазо-частотна характеристика –
логарифмічна амплітудно-частотна характеристика –
(рис.8).
Рисунок 8 – Характеристики ланки, що диференціює: а) перехідна б) логарифмічна амплітудно-частотна; в) годограф комплексного коефіцієнта передачі
10. Ланка чистого запізнювання
Прикладами зможуть служити радіотракт чи лінія затримки. Диференціальне рівняння ланки – y(t)=x(t-); передатна функція –
комплексний коефіцієнт передачі -
; амплітудно-частотна характеристика – W()=1; фазо-частотна характеристика – ()=- (рис. 9).
Рисунок 9 – Характеристики ланки чистого запізнювання: а) годограф комплексного коефіцієнта передачі; б) фазо-частотна характеристика
Крім розглянутих тут, до типових ланок також відносяться: аперіодична ланка другого порядку; коливальна ланка; інтегруюча ланка.
11. Передатні функції з'єднань ланок
У системах РА застосовуються три види з'єднань ланок: послідовне (рис.10), рівнобіжне (рис.11) і зустрічно-рівнобіжне (тобто – з'єднання зі зворотним зв'язком) (рис.9).
Рисунок 10 – Послідовне з'єднання ланок
;
.
Рисунок 11 – Рівнобіжне з'єднання ланок
;
Система лінійна, отже, справедливий принцип суперпозиції.
Рисунок 12 – Зустрічно-рівнобіжне з'єднання ланок
Розглянемо випадок негативного зворотного зв'язку:
.
Передатна функція замкнутої системи для помилки:
,
де
– передатна функція розімкнутої системи. Передатна функція замкнутої системи для вхідного впливу:
,
тобто
.
12. Передатна функція для збурювання
Система лінійна, справедливий принцип суперпозиції.
;
звідси
Приклад розімкнутої системи зі збурюванням рис. 10
Рисунок 13 – Розімкнута система зі збурюванням
13. Замкнута система
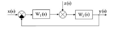
Приклад замкнутої системи зі збурюванням рис. 14
Рисунок 14 – Замкнута система зі збурюванням
;
;
звідси
.
Характеристики
Тип файла документ
Документы такого типа открываются такими программами, как Microsoft Office Word на компьютерах Windows, Apple Pages на компьютерах Mac, Open Office - бесплатная альтернатива на различных платформах, в том числе Linux. Наиболее простым и современным решением будут Google документы, так как открываются онлайн без скачивания прямо в браузере на любой платформе. Существуют российские качественные аналоги, например от Яндекса.
Будьте внимательны на мобильных устройствах, так как там используются упрощённый функционал даже в официальном приложении от Microsoft, поэтому для просмотра скачивайте PDF-версию. А если нужно редактировать файл, то используйте оригинальный файл.
Файлы такого типа обычно разбиты на страницы, а текст может быть форматированным (жирный, курсив, выбор шрифта, таблицы и т.п.), а также в него можно добавлять изображения. Формат идеально подходит для рефератов, докладов и РПЗ курсовых проектов, которые необходимо распечатать. Кстати перед печатью также сохраняйте файл в PDF, так как принтер может начудить со шрифтами.















