62849 (573340), страница 2
Текст из файла (страница 2)
Минимизированная таблица внутренних состояний и переходов D триггера имеет следующий вид:
Таблица 6
| № состояния | Состояние сигналов CD | Q выхода | |||
| 0 | 1 | 11 | 10 | ||
| 1, 2, 4 | (1) | (2) | 3 | (4) | 0 |
| 3 | - | 6 | 3 | - | 0 |
| 5, 6, 7 | (5) | (6) | (7) | 8 | 1 |
| 8 | 1 | - | - | (8) | 1 |
Преобразуем таблицу 6 в соответствии с количеством новых состояний триггера в таблицу 7. Так как число внутренних состояний уменьшилось до S = 4, то для кодирования этих состояний достаточно k = log (S) = 2 внутренних переменных. Обозначим их как
и
.
Эту операцию необходимо выполнить таким образом, чтобы в триггере не возникали критические состязания между сигналами обратных связей (состязания, приводящие к несанкционированным переходам тирггера из состояния в состояние). Эти состязания будут устранены, если коды соседних состояний будут отличаться значениями не более, чем в одном из разрядов, т. е. переходы между соседними внутренними состояниями будут реализованы изменением только одной внутренней переменной. Составим граф переходов, отвечающий этому требованию, где 00, 01, 11, 10 – коды внутренних состояний 1, 2, 3, 4 соответственно. Эти коды определяются значениями переменных
и
, например, код 01 соответствует значениям
= 0 и
= 1.
Граф переходов для 2-х переменных имеет следующий вид:
Минимизированная таблица 7 имеет следующий вид:
Таблица 7
| № состояния | Состояние сигналов CD | Q выхода | |||
| 0 | 1 | 11 | 10 | ||
| 1, 2, 4 | (1) | (1) | 2 | (1) | 0 |
| 3 | - | 3 | (2) | - | 0 |
| 5, 6, 7 | (3) | (3) | (3) | 4 | 1 |
| 8 | 1 | - | - | (4) | 1 |
Так как число внутренних состояний уменьшилось до S = 4, то для кодирования этих состояний достаточно k = log (4) = 2 внутренних переменных. Обозначим их как
и
. Каждому внутреннему состоянию триггера поставим в соответствие набор значений переменных
,
.
В соответствии с выбранным вариантом кодирования состояний триггера, минимизированная таблица D – триггера будет представлять собой совокупность 2-х таблиц, каждая из которых определяет одну из функций
или
.
Таблица 8
| Код внутр. состояния | CD | Q выхода | ||||
| 00 | 00 | 00 | 01 | 00 | 0 | |
| 01 | - | 11 | 01 | - | 0 | |
| 11 | 11 | 11 | 11 | 10 | 1 | |
| 10 | 00 | - | - | 10 | 1 | |
Кодированная таблица переходов (таблица 8) представляет собой совокупность двух таблиц, каждая из которых определяет одну из функций
и
. Данные этой таблицы позволяют описать поведение переменных
и
в виде карт Карно:
для
д
ля
После проведения склеивания в картах Карно, необходимо определить выражения для
и
:
=
+
+
=
+
+
=
+
Полученные уравнения позволяют построить схему проектируемого триггера. Перед построением схемы необходимо преобразовать уравнения в требуемый базис, предварительно вынеся за скобки
и
. В базисе И-НЕ эти выражения будут иметь следующий вид:
=
=
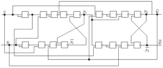
Схема проектируемого D триггера, построенного по полученным выражениям с использованием логических элементов 2И-НЕ имеет следующий вид:















