62754 (573330)
Текст из файла
Министерство образования и науки РФ
Дальневосточный Государственный Технический Университет
(ДВПИ им. Куйбышева)
Институт Радиоэлектроники Информатики и Электротехники
ЭЛЕКТРОНИКА
"ПРИМЕНЕНИЕ ОПЕРАЦИОННЫХ УСИЛИТЕЛЕЙ"
Владивосток 2010 г.
Цель работы: Ознакомиться с применением ОУ для сложения двух постоянных, двух переменных, постоянного и переменного напряжений, дифференцирования и интегрирования входных сигналов.
Для исследования был использован ОУ LM741.
1. Суммирование постоянных напряжений моделировалось на схеме рис.1.
А. При UВХ1 = 5В и UВХ2 = 3В измерены: I1 =1мА; I2 =0,6мА; I3 =1,6мА; I4 =1,6мА; UВЫХ =-8В.
В. По значениям номиналов схемы рассчитаны:
I1 = U1/ R1 = 1мА; I2 = U2/ R2 =0,6мА;
Iос = UВЫХ/ R3 =1,6мА; Iос = I1+ I2 = 1,6мА;
U*ВЫХ = - (UВХ1∙ R3/ R1 + UВХ2∙ R3/ R2) = - 8В.
Измеренное значение UВЫХ соответствует расчетному значению U*ВЫХ.
2. Суммирование постоянного и переменного напряжений моделировалось на схеме рис.2., осциллограммы напряжений приведены на р
ис.6.3
А. При UВХ≈ = 1В; UВЫХ≈ = 1В (фаза сдвинута на 1800); UВЫХ= = - 1В; расчетные значения этих величин:
U*ВЫХ≈ = 1В; U*ВЫХ= =-1В.
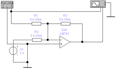
В. При UВХ≈ = 1В и R2=2,5 кОм измеренное значение UВЫХ≈ = 1В (фаза сдвинута на 1800), а постоянная составляющая UВЫХ= = 2В (рис.4).
Расчетные значения этих величин:
U*ВЫХ≈ = UВХ1∙ R3/ R1 = 1В; U*ВЫХ= = - UВХ2∙ R3/ R2 = - 2В;
3. Суммирование переменных напряжений исследовалось по схеме рис.5.
При UВХ≈ = 1В; UВЫХ≈ = 4В (фаза сдвинута на 1800); UВЫХ= = - 4В;
расчетные значения этих величин:
U*ВЫХ≈ = UВХ∙ R3/ R1 + R3/ R1 = 4В, что соответствует результатам измерений.
4. Переходной процесс в интеграторе исследовался по схеме рис.7 На вход схемы подавались импульсы прямоугольной формы частотой 1 кГц.
Скорость изменения выходного напряжения (по осциллограмме рис.8) VU ВЫХ = 10В/мс.
5. Влияние амплитуды входного сигнала на переходный процесс в интеграторе показан на рис.9.
VU ВЫХ = 20В/мс, что в два раза больше, чем в предыдущем эксперименте, то есть скорость изменения выходного напряжения интегратора пропорциональна амплитуде входного сигнала.
6
. Влияние параметров схемы на переходный процесс в схеме интегратора
А. При R1 = 5 кОм скорость изменения выходного сигнала увеличивается:
VU ВЫХ = 20В/мс, что в 2 раза больше, чем в эксперименте по п.4 и равно значению в предыдущем эксперименте.
В. При С1 = 0,02 мФ скорость изменения выходного сигнала (рис.11) уменьшается: VU ВЫХ = 5В/мс, что в 2 раза меньше, чем в эксперименте по п.4.
Результаты измерений по п.4 - п.6 сведены в таблицу 1.
Таблица 1
Результаты экспериментов со схемой интегратора
| № пункта эксперимента | UВХ (В) | R1 (кОм) | C1 (мкФ) | VU ВЫХ (В/мс) | UВЫХ MAX (В) |
| 4 | 1 | 10 | 0,01 | 10 | 2,5 |
| 5 | 2 | 10 | 0,01 | 20 | 5 |
| 6 А | 1 | 5 | 0,01 | 20 | 5 |
| 6 В | 1 | 10 | 0,02 | 5 | 1,25 |
7. Переходный процесс в схеме дифференциатора на ОУ исследовался по схеме рис.12, полученные осциллограммы представлены на рис.13.
А
. Скорость изменения входного напряжения (по осциллограмме рис.13) VU ВХ = 4В/мс.
В. UВЫХ = - R2∙C1∙ ∆ UВХ / ∆t = - R2∙C1∙VU ВХ = - 1В, что соответствует экспериментальным данным, показанным на рис.13.
8. Для исследования влияния частоты входного напряжения, ее значение увеличено вдвое - 2 кГц (рис.14), следовательно, и скорость изменения входного напряжения (при той же амплитуде сигнала) увеличилась вдвое.
А. VU ВХ = 8В/мс.
Амплитуда выходного сигнала, также увеличилась вдвое (рис.14) в сравнении с предыдущим экспериментом (рис.13).
В. UВЫХ = - R2∙C1∙ ∆ UВХ / ∆t = - R2∙C1∙VU ВХ = - 2В,
что соответствует экспериментальным данным, показанным на рис.6.14.
9. Влияние сопротивления обратной связи (R2) на выходное напряжение дифференциатора, которое в эксперименте увеличено до 10кОм.
А
. Скорость изменения входного напряжения (рис.15) аналогична эксперименту по п.7 (рис.13) - VU ВХ = 4В/мс
В. UВЫХ = - 2В, что соответствует экспериментальным данным, показанным на рис.14 и в 2 раза больше, чем в эксперименте по п.7 (рис.13).
10. Влияние емкости конденсатора схемы (С1) на выходное напряжение дифференциатора, которое в эксперименте увеличено до 100нФ.
А. Скорость изменения входного напряжения (рис.16) аналогична эксперименту по п.7 (рис.13) и п.9 (рис.15) - VU ВХ = 4В/мс.
В
. UВЫХ = - R2∙C1∙ ∆ UВХ / ∆t = - R2∙C1∙VU ВХ = - 2В,
что соответствует экспериментальным данным, показанным на рис.14 и рис.15 и вдвое больше, чем в эксперименте по п.7 (рис.13).
Таблица 2
Результаты экспериментов со схемой дифференциатора
| № пункта эксперимента | FВХ (кГц) | C1 (нФ) | R2 (кОм) | VU ВХ (В/мс) | UВЫХ (В) |
| 7 | 1 | 50 | 5 | 4 | -1 |
| 8 | 2 | 50 | 5 | 8 | -2 |
| 9 | 1 | 50 | 10 | 4 | -2 |
| 10 | 1 | 100 | 5 | 4 | -2 |
Выводы
В результате проделанной работы с использованием средств моделирования программного комплекса "Electronics Workbench" ознакомлены с применением ОУ для сложения двух постоянных, двух переменных, постоянного и переменного напряжений, дифференцирования и интегрирования входных сигналов. Экспериментальные данные, полученные в работе, подтверждены аналитическими расчетами.
Характеристики
Тип файла документ
Документы такого типа открываются такими программами, как Microsoft Office Word на компьютерах Windows, Apple Pages на компьютерах Mac, Open Office - бесплатная альтернатива на различных платформах, в том числе Linux. Наиболее простым и современным решением будут Google документы, так как открываются онлайн без скачивания прямо в браузере на любой платформе. Существуют российские качественные аналоги, например от Яндекса.
Будьте внимательны на мобильных устройствах, так как там используются упрощённый функционал даже в официальном приложении от Microsoft, поэтому для просмотра скачивайте PDF-версию. А если нужно редактировать файл, то используйте оригинальный файл.
Файлы такого типа обычно разбиты на страницы, а текст может быть форматированным (жирный, курсив, выбор шрифта, таблицы и т.п.), а также в него можно добавлять изображения. Формат идеально подходит для рефератов, докладов и РПЗ курсовых проектов, которые необходимо распечатать. Кстати перед печатью также сохраняйте файл в PDF, так как принтер может начудить со шрифтами.















