62744 (573327), страница 2
Текст из файла (страница 2)
Помимо исследуемого сигнала, в качестве синхронизирующего можно использовать внешние сигналы, подводимые к зажимам "Внешняя синхронизация" или к входу канала X, а также напряжение сети частотой 50 Гц; последний вид синхронизации применяется, в частности, для выявления фона переменного тока, наложенного на исследуемые колебания.
В некоторых осциллографах пилообразное напряжение развертки выводится на зажим или гнездо передней панели и может быть использовано для синхронизации частоты внешних источников колебаний.
2.3 Генераторы ждущей развертки
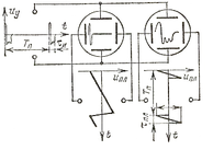
Электроннолучевые осциллографы с генераторами непрерывной развертки непригодны для исследования кратковременных импульсов, длительность которых tи значительно меньше периода их повторения Тп; на экране такие импульсы будут наблюдаться в виде узких вертикальных выбросов, форма которых неразличима - рисунок 6.
Рисунок 6 - Воспроизведение импульсов на экране с непрерывной и ждущей развертками.
Для исследования периодических процессов с большой скважностью, а также одиночных и непериодических импульсов в состав универсальных и импульсных осциллографов включают генераторы ждущей развертки. В отличие от генераторов непрерывной развертки, они могут неограниченное время находиться в заторможенном состоянии (режиме "ожидания"). Генераторы вырабатывают одиночные импульсы линейного пилообразного напряжения при каждом воздействии на них сигналов запуска; в качестве последних обычно используются исследуемые импульсы или внешние импульсные сигналы, синхронизированные по частоте повторения с исследуемыми. Пилообразные импульсы (с учетом их усиления) должны иметь амплитуду Uпл, обеспечивающую отклонение светового пятна вдоль всей ширины экрана, и длительность tпл, регулируемую в широких пределах. Обычно tпл устанавливается несколько большей длительности исследуемых импульсов tи. При этом благодаря большой скорости развертки кривая исследуемого импульса оказывается растянутой на большую часть ширины экрана, что позволяет детально исследовать её форму и измерить ряд параметров импульса (длительность, амплитуда и др.)
Любой генератор пилообразных колебаний, работающий в автоколебательном режиме, посредством некоторых изменений в его схеме, обычно небольших, может быть переведен в ждущий режим. Поэтому схемы генераторов непрерывной и ждущей разверток часто совмещаются.
Запуск генератора ждущей развертки должен производиться короткими импульсами с крутым фронтом. Поэтому исследуемые сигналы, используемые для запуска, иногда подвергаются нелинейным преобразованиям (дифференцированию, амплитудному ограничению и т.п.) с целью придания им требуемой формы и полярности. В некоторых генераторах предусматривается возможность запуска ждущей развертки импульсами любой полярности при использовании переключателя, позволяющего изменять точку приложения этих импульсов.
3
. Электронно-счетный частотомер при измерении частоты СВЧ сигналов: схема, принцип действия, погрешности
Электронно-счетные частотомеры по своим возможностям являются универсальными приборами. Их основное назначение - измерение частоты непрерывных и импульсных колебаний, осуществляемое в широком частотном диапазоне (примерно от 10 Гц до 100 МГц) при погрешности измерений не более 0,0005%. Кроме того, они позволяют измерять периоды низкочастотных колебаний, длительности импульсов, отношения двух частот (периодов) и т.д.
Действие электронно-счетных частотомеров основано на дискретном счете числа импульсов, поступающих за калиброванный интервал времени на электронный счетчик с цифровой индикацией. На рисунке 7 приведена упрощенная функциональная схема прибора. Напряжение измеряемой частоты fx в усилительно-формирующем устройстве преобразуется в последовательность однополярных импульсов, повторяющихся с той же частотой fx. Для этой цели часто используется система из усилителя-ограничителя и триггера Шмитта, дополненная на выходе дифференцирующей цепочкой и диодным ограничителем. Временной селектор (электронный ключ с двумя входами) пропускает эти импульсы на электронный счетчик лишь в течение строго фиксированного интервала времени Δt, определяемого длительностью прямоугольного импульса, воздействующего на его второй вход. При регистрации счетчиком m импульсов измеряемая частота определяется формулой:
fx = m / Δt
Например, если за время Δt = 0,01 с отмечено 5765 импульсов, то fx = 576,5 кГц.
Погрешность измерения частоты определяется главным образом погрешностью калибровки выбранного интервала времени счета. Задающим компонентом в системе формирования этого интервала является высокостабильный кварцевый генератор, положим, частоты 100 кГц. Создаваемые им колебания с помощью группы последовательно включенных делителей частоты преобразуются в колебания с частотами (f0) 10 и 1 кГц, 100, 10, 1 и 0,1 Гц, которым соответствуют периоды (Т0) 0,0001; 0,001; 0,01; 0,1; 1 и 10 с (последние одно или два из указанных значений f0 и Т0 у некоторых частотомеров отсутствуют).
Колебания выбранной (посредством переключателя В2) частоты f0 (числовое значение последней является множителем к отсчету по счетчику) с помощью триггера Шмитта преобразуются в прямоугольные колебания с частотой повторения f0. Под их действием в управляющем устройстве формируется интервальный импульс длительностью Δt = Т0 = 1/ f0 строго прямоугольной формы. Этот импульс вызывает сброс предыдущих показаний счетчика, а затем (с задержкой на несколько микросекунд) поступает на селектор и открывает его на время Δt для пропускания импульсов с частотой повторения fx. После закрывания селектора число пропущенных им импульсов m фиксируется индикатором счетчика, а измеряемая частота определяется по формуле fx = m / Δt.
Рисунок.7 - Структурная схема электронно-счётного частотомера.
Цепь управления селектором может запускаться вручную (нажатием кнопки "Пуск"); в этом случае управляющее устройство посылает на селектор одиночный импульс длительностью Δt и счетчик выдает разовый результат измерений с неограниченным временем его индикации. В режиме автоматического измерения частоты импульсы реле времени периодически повторяются и результаты измерения обновляются через выбранные интервалы времени.
Частотомер может служить источником колебаний ряда опорных частот f0; получаемых с помощью кварцевого генератора, умножителя и делителей частоты и снимаемых со специального выхода. Эти же колебания, поданные на вход частотомера, могут служить для проверки правильности показаний счетчика.
Счетчик частотомера собирается из 4-7 пересчетных декад на триггерных схемах и цифровых индикаторных лампах. Число декад определяет максимальное число значащих цифр (разрядов) в результатах измерений. Возможная ошибка счета, называемая погрешностью дискретности, составляет одну единицу в цифре самого младшего разряда. Поэтому желателен выбор такого интервала времени счета Δt, при котором используется максимальное число разрядов счетчика. Так, в рассмотренном выше примере при Δt = 0,01 с (f0 = 100 Гц) для отсчета оказалось достаточным четырех разрядов счетчика и результат измерений fx = 576,5 кГц± 100 Гц. Предположим, что измерения повторены при Δt = 0,1 с (f0 = 10 Гц) и получен отсчет m = 57 653 импульсов. Тогда fx = 576,53 кГц± 10 Гц. Еще меньшая погрешность дискретности (± 1 Гц) будет получена при Δt = 1с (в этом случае счетчик должен иметь не менее шести декад).
При расширении диапазона измерений частотомера в сторону высоких частот ограничивающим фактором является быстродействие пересчетных декад. При выполнении триггерных схем на высокочастотных кремниевых транзисторах (например, типа КТ316А), имеющих время рассасывания заряда в базе примерно 10 нc, верхняя предельная измеряемая частота может достигать десятков мегагерц. В некоторых приборах при измерении высоких частот, превышающих, например, 10 МГц, их предварительно преобразуют в частоту, меньшую 10 МГц (например, частоту 86,347 МГц в частоту 6,347 МГц),, пользуясь гетеродинным методом.
Фактором, ограничивающим нижнюю предельную измеряемую частоту, является время измерений. Если, например, установить наибольший для многих частотомеров интервал времени счета Δt = 1с, то при регистрации счетчиком 10 импульсов результатом измерений явится частота fx = 10 ± 1 Гц, т.е. погрешность измерения может достигать 10%. Для уменьшения погрешности, положим, до 0,01% необходимо было бы производить счет импульсов в течение времени Δt = 1000 с. Еще большее время требуется для точного измерения частот, равных 1 Гц и менее. Поэтому в электронно-счетных частотомерах измерение очень низких частот fx заменяют измерением периода их колебаний Тx = 1/fx. Схема измерения периода колебаний образуется при установке переключателя В1 в положение "ТХ". Исследуемое напряжение после преобразования в триггере. Шмитта воздействует на управляющее устройство, в котором формируется прямоугольный импульс длительностью Тx, поддерживающий временной селектор в открытом состоянии; в течение этого времени счетчик регистрирует импульсы, формируемые из колебаний одной из опорных частот f0, определяемой установкой переключателя В2. При числе m отмеченных импульсов измеряемый период Tx=m / f0.
Например, при m= 15 625 и f0 = 1000 Гц период Тx = 15,625 с, что соответствует частоте fx = 1/Тx= 0,064 Гц. Измерения, в целях уменьшения их погрешности, желательно производить при возможно большем значении частоты f0 (исключающем, конечно, перегрузку счетчика). Если период Тх 1 Гц), то может оказаться рациональным использование колебаний частоты f0, равной 1 или 10 МГц, получаемых после умножителей частоты. При этом нижний предел измеряемых частот удается расширить до 0,01 Гц.
Измерению отношения двух частот f1/f2 (f1 > f2) соответствует установка переключателей В2 в положение "Выключено", a B1 - в положение "fx". Напряжение меньшей частоты f2 подводят к зажимам "f0", и его период определяет интервал времени счета Δt. Напряжение частоты f1, подводимое к входу "fx", преобразуется в импульсы, число которых (m) регистрируется счетчиком в течение временя Δt = l // 2. Искомое отношение частот f1/f2 = m (с погрешностью до единицы). Очевидно, что данным способом имеет смысл находить отношение лишь значительно различающихся частот.
К недостаткам электронно-счетных частотомеров следует отнести сложность их схем, значительные габариты и массу, высокую стоимость.
4. Цифровые измерители сопротивления, индуктивности, емкости: схемы, принцип действия.
Для измерения комплексных параметров цепей на различных частотах или комплексного сопротивления предназначены приборы, которые называют измерители импеданса. Если прибор имеет возможность измерения комплексной проводимости (амитанса), то такой прибор называется измеритель иммитанса. Чаще всего эти приборы упрощенно называют измерители RLC, хотя это название не отражает реального функционального назначения этих средств измерения. Кроме измерения R, L и C, в зависимости от типа, эти приборы позволяют измерять такие параметры как:
добротность цепи или электронного компонента;
тангенс угла потерь;
комплексное сопротивление на различных частотах;
фазовый сдвиг между током и напряжением в цепи;
активное сопротивление постоянному току.
Основными характеристикам измерителей импеданса, кроме диапазона и погрешности измерения R, L и C являются:
частотный диапазон тестового сигнала, чем шире частотный диапазон, тем шире пределы измерения L и C приборе Для измерения малых емкостей и индуктивностей необходима как можно более высокая частота тестового сигнала.
пределы изменения уровня тестового сигнала и возможность его стабилизации при изменении сопротивления измеряемой цепи;
















