62677 (573322), страница 4
Текст из файла (страница 4)
Если бы не существовало искажений и шумов в канале связи, а также шумов алгоритмов обработки сигнала в передатчике и приемнике, то сигнал на выходе демодулятора в точности соответствовал бы разрешенным значениям сигнального созвездия. Однако в реальной ситуации это невозможно. И принимаемый сигнал попадает в некоторую окрестность от передаваемого. Если шум невелик и приемник работает без ошибок, принимаемые сигнальные точки, хотя и не совпадают в точности с переданным значением, однако находятся к нему ближе, чем ко всем другим разрешенным значениям. В этом случае ошибки не происходит. Если же принятая сигнальная точка оказывается в окрестности разрешенного значения, отличного от переданного, то решающее устройство принимает неверное решение и происходит ошибка. Описанный метод принятия решения достаточно нагляден и очевиден: считается, что передавалось то из разрешенных значений, которое наиболее близко к принятой сигнальной точке.
Однако, в модеме по рекомендации V.32bis, используется решетчатое кодирование, и поэтому применяется более эффективный алгоритм. Сверточный кодер на передаче специальным способом вводит связь между последовательными передаваемыми отсчетами, и при принятии решения кроме текущей сигнальной точки учитывается некоторое количество предыдущих. Такой алгоритм называется декодированием по Витерби. Этот алгоритм гораздо сложнее тривиального решающего устройства, описанного ранее, но зато обеспечивает более высокую помехоустойчивость приема. После декодирования сигнал в виде последовательного потока бит подается на дескремблер, осуществляющий операцию, обратную скремблеру передатчика. С выхода дескремблера дискретные данные передаются на выход приемника модема (это не означает, что выход дескремблера непосредственно подключается к компьютеру, далее сигнал может обрабатываться протоколом сжатия и коррекции ошибок V.42bis, протоколом V.24 и др.)
3.
Вероятности ошибочного приема единичного элемента при различных видах модуляции:
h =
;
= 16дБ = 39,8р.
h = 6,3
Рош ( АМ ) = 0,5(1-Ф(h/2)) = 0,5(1-Ф(4,45)) = 4,610-10
Рош ( ЧМ ) = 0,5(1-Ф(h)) = 0,5(1-Ф(6,3)) = 6,5210-10
Рош ( ФМ ) = 0,5(1-Ф(h2)) = 0,5(1-Ф(8,91)) = 9,2210-10
Рош ( ОФМ ) = 1-Ф2(h2) = 1-Ф2(8,91)) = 1,910-19
Пропускная способность непрерывного и дискретного каналов:
Сд = В(log m + (P/(m-1))logP + (1-P)log(1-P)),
При m=2; Сд = В(1 + P logP + (1-P)log(1-P)),
В = 2400 бод.
( АМ ) Сд = В = 2400 бит/с,
( ЧМ ) Сд = В = 2400 бит/с,
( ФМ ) Сд = В = 2400 бит/с,
( ОФМ ) Сд = В = 2400 бит/с.
Сн = F log(1+Рс/Рш),
Сн = 3100 log(1+6,3) = 3100 0,863 = 2676 бит/с.
Коэффициент использования КТЧ:
Ки = С/Вмах;
Ки ам = Ки чм = Ки фм = Ки офм = 2400/2400 = 1
Для непрерывного канала Вмах = 2F = 6200,
Ки = 2676/6200 = 0,43.
Задача №3.
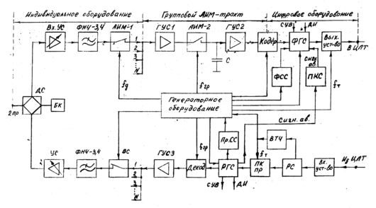
1. КОА с групповым кодеком.
Структурная схема каналообразующей аппаратуры ЦСП с ИКМ, предназначенной для передачи аналоговых (речевых) сигналов, приведена на рис.3.1.
рис 3.1. Тракт передачи аппаратуры.
Поступающие на двухпроводные входы N каналов ТЧ, передаваемые речевые сигналы N абонентов через ДС каналов поступают на входные усилители, где нормализуются по уровню передачи. Ограниченый по спектру с помощью ФНЧ-3,4 сигнал подвергается дискретизации повремени в канальном модуляторе АИМ-1, который представляет собой электронный ключ. Работой ключей управляют канальные импульсы от генераторного оборудования, сдвинутые
друг относительно друга на величину канального интервала Т. Частота следования этих импульсов в канале равна частоте дискретизации fд =8 кГц. В результате получается канальный сигнал АИМ с интервалом между импульсами 125 мкс. Такие сигналы объединяются с аналогичными сигналами других каналов, т.е. формируется групповой сигнал АИМ, который поступает в групповой АИМ-тракт. В групповом усилителе ГУС-1 импульсы АИМ-1 усиливаются, а затем преобразуются в импульсы АИМ-2, т.е. расширяются по длительности и приобретают плоскую вершину. Это необходимо для последующего их кодирования.
Частота следования импульсов группового сигнала АИМ определяется произведением fгр =fд x(N+2), где (N+2) - общее число канальных интервалов в КОА. Для аппаратуры первичной ЦСП fгр =8х(ЗСН-2)=8х32=256 кГц. Через усилитель ГУС-2 групповой сигнал АИМ-2 поступает на вход кодирующего устройства. В кодере выполняющем функции квантования сигналов по уровню и кодирования квантовых сигналов, каждый импульс группового сигнала АИМ-2 с помощью m-значного кода преобразуется в кодовую группу, последовательность которых образует импульсно-кодовый сигнал в цифровой форме, т.е. цифровой групповой сигнал. Этот информационный сигнал 30-ти каналов ТЧ в устройстве ФГС объединяется с двумя кодовыми группами служебных сигналов. К последним относятся:
- сигналы цикловой и сверхцикловой синхронизации;
- сигналы управления и взаимодействия (СУВ);
- сигналы дискретной информации (телеграфной связи);
- сигналы телеконтроля и аварийной сигнализации. На выходе ФГС образуется цифровой групповой сигнал первичной ЦСП с тактовой частотой следования кодовых символов
fт =fд *(N+2)*m=8*32*8=2048кГц. В выходном устройстве этот сигнал проходит ПКпер , ФЛС и далее поступает в ЦЛТ.
Процесс обработки сигналов в тракте приема аппаратуры выполняется в обратной последовательности. Принятый ЦЛС, пройдя входное устройство, поступает в регенератор станционный (PC), где он восстанавливается по амплитуде, форме и длительности. В ПКпр биполярный ЦЛС преобразуется в однополярный ЦГС, который поступает в распределитель группового сигнала (РГС), или демультиплексор. В нем выделяются все служебные сигналы, которые подаются в соответствующие устройства приема:
- приемники сигналов синхронизации (ПР.СС);
- приемники СУВ и ДИ;
-плату контроля и сигнализации (ПКС) для приема сигналов об авариях.
Информационный поток с выхода РГС поступает в декодер, где из последовательности единиц и нулей кодовых групп формируется групповой сигнал АИМ Этот сигнал после усиления в групповом усилитете ГУС-3 поступает на временные селекторы (ВС) каналов. Каждый из них замыкается поочередно и выделяет только последовательность сигнала АИМ данного канала. Из этой последовательности импульсов с помощью ФНЧ-3,4 восстанавливается переданный с противоположной оконечной станции аналоговый (речевой) сигнал. Он усиливается в канальном усилителе (УС) до значения 4 дБ на выходе усилителя и через ДС канала поступает на двухпроводный выход канала ТЧ для передачи абоненту. Выделитель тактовой частоты ( ВТЧ ) обеспечивает формирование импульсов тактовой частоты для генераторного оборудования приемной части аппаратуры.
2. Метод наложения. На передаче состояние каждого двоичного канала испытывается непрерывной последовательностью стробирующих импульсов (рис. 3.2).
Рис. 3.2. Диаграммы, поясняющие метод наложения:
а) импульсная несущая; б) двоичный сигнал, подлежащий передаче; в) последовательность манипулированных импульсов на передаче; г) последовательность манипулированных импульсов, на приемном конце
В зависимости от полярности двоичного сигнала в СДК поступает или не поступает серия стробирующих импульсов. На приемной стороне по огибающей этой серии восстанавливается исходный телеграфный сигнал. На рис. 3.2а изображена импульсная несущая (стробирующие импульсы), вырабатываемая генераторным оборудованием передающей станции ИКМ. На диаграмме рис. 3.26 показан двоичный сигнал, подлежащий передаче. С помощью схемы И создается последовательность манипулированных импульсов (рис. 3.2в), которая вводится в групповой ИКМ сигнал. На приемной станции каждый импульс манипулированной последовательности растягивается на весь тактовый интервал (рис. 3.2г).
Большая избыточность при методе наложения позволяет обеспечить высокую достоверность передачи при минимальной стоимости. Метод наложения использован в аппаратуре ТВУ-12.
Метод «скользящего индекса».
Рис. 3.3. Диаграммы, поясняющие метод «скользящего индекса»:
а) последовательность .импульсов на передаче; б) последовательность тактовых импульсов канала; в) кодовая комбинация, характеризующая передаваемую информацию
Из импульсной несущей СДК для каждого двоичного канала выделяется последовательность тактовых импульсов (ТИК) (рис. 3.36), частота следования которых определяется скоростью передачи двоичных сигналов и необходимой точностью восстановления ЗМВ. На передаче определяется положение ЗММ (рис. 3.3а) между двумя соседними ТИК и результат измерения представляется в виде двоичного числа. Непосредственно за ближайшим к ЗММ тактовым импульсом в канал передается стартовый импульс, обозначающий наличие ЗММ, и кодовая комбинация о его положении и полярности (рис. 3.3в). Эта кодовая группа передается в канал теми же тактовыми импульсами, относительно которых определялось положение ЗММ. Следовательно, информация о подлежащем передаче двоичном сигнале передается сразу же после появления ЗММ.
3.
Определим частоту дискретизации (импульсную несущую) линейного сигнала и ширину спектра линейного сигнала для методов МН и СИП:
МН:
= t/min ; min = 1/В = 1/100 = 0,01 с.
t =
=
= 250 мкс.
fд = 1/t = 1/25010-6 = 4000 Гц.
СИП:
=
; К = 2;
t =
=
= 1 мс.
fд = 1/t = 1/110-3 = 1000 Гц.
Импульсная несущая для количества каналов N=6:
МН: fнес = 6fд = 24000 Гц,
СИП: fнес = 6fд = 6000 Гц,
Ширина спектра соответственно при ЧМ ДБП:
МН: F = 2fд = 8000 Гц, (в полосе канала ТЧ – 1 дискретный канал)
СИП: fнес = 2fд = 2000 Гц, (в полосе канала ТЧ можно организовать 2 дискретных канала).
Задача № 4.
ИСПОЛЬЗОВАНИЕ ПАКЕТНОЙ СЕТИ УКРПАК, СИСТЕМЫ ЭЛЕКТРОННОЙ ПОЧТЫ УКРМЕЙЛ
4.1. Сеть Укрпак
4.1.1. Общая характеристика сети
В Украине построена и работает сеть коммутации пакетов Укрпак.
Укрпак является национальной сетью общего пользования. Она имеет соответствующий статус и зарегистрирована в международном союзе электросвязи МСЭ-Т. Учредителем Укрпак является СП "Инфоком" - уполномоченный представительный орган Украины в МСЭ-Т и официальный оператор Администрации связи Украины по предоставлению услуг передачи данных и электронной почты средствами сети передачи данных общего пользования.
Укрпак полностью соответствует международным стандартам, предъявляемым к пакетным сетям Х.25 и взаимодействует с аналогичными сетями более, чем 90 стран мира.
Сеть Укрпак имеет радиально-узловое построение (рис.1). Четыре главных региональных узла в гг. Киев, Днепропетровск, Львов и Одесса с функциями оконечных, связанные между собой каналами по принципу "каждый с каждым", обеспечивают передачу сообщений между оконечными узлами по одному из нескольких альтернативных маршрутов в зависимости от состояния и условий загрузки направлений. Все остальные областные центры подключены двумя направлениями к двум главным региональным узлам. Крупные города и некоторые районы подключены к областным узлам. Конфигурация сети Укрпак приведена на рисунке.
Доступ пользователей к сети Укрпак обеспечен по всей территории страны. Центры коммутации сети имеются в каждом областном центре и ряде крупных городов и районных центров. К концу 1997 году центры коммутации установлены еще примерно в 109 крупных городах и районных центрах. Эта сеть находится в совместном владении СП "Инфоком" и областных предприятий связи.















