15216 (567874), страница 2
Текст из файла (страница 2)
Грубые корма содержат не более 22% влаги и 0,65 к. ед. в 1 кг сухого вещества. К грубым кормам относят сено, солому, отходы переработки зерновых, масличных, лубяных и других технических культур.
Значение грубых кормов в питании различных сельскохозяйственных животных неодинаково. Грубые корма наиболее полно используются жвачными животными. Это обусловлено особенностями строения их пищеварительных органов. В небольших дозах грубые корма дают также свиньям и птице. Они содержат большое количество труднопереваримой клетчатки (до 40%), вследствие чего без предварительной подготовки плохо поедаются животными. Для повышения
-
Назначение, устройство, принцип работы и технические регулировки измельчителя кормов «Волгарь-5»
поедаемости их подвергают механической и тепловой обработке. Биологические и химические способы обработки грубых кормов позволяют повысить не только поедаемость, но также переваримость и питательность.
Кормоцехи должны отвечать следующим зоотехническим требованиям:
- грубые корма, подлежащие переработке, должны храниться на кормовой площадке, связанной с кормоцехом дорогой с твердым покрытием; люцерновое либо клеверное сено (для рационов свиней) необходимо хранить в скирдах в рассыпном виде, в тюках либо в скирдооформителях;
- при кормоцехе следует иметь механизированное хранилище для целых и слабоповрежденных корнеклубнеплодов емкостью из расчета трех-четырехнедельного расхода кормов и хранилище мелассы на 50–100 т;
- оборудование кормоцеха должно надежно работать при температуре окружающей среды от 5 до 35 °С и относительной влажности воздуха до 95%;
- оборудование кормоцеха в соответствии с назначением должно быть изготовлено из материалов, стойчивых к коррозии, воздействию кислот, щелочей и дезинфицирующих средств и не должно образовывать с ним вредных соединений;
- дозирующие устройства вспомогательных линий кормоцеха должны иметь регулируемую производительность, отклонения при дозировании компонентов допускаются в таких пределах: комбикормов и концентратов ± 1,5%, грубых и сочных кормов - соответственно 10 и 3,5%, жидких питательных смесей 2,5%, минеральных добавок 1% от количества дозируемого по массе корма;
- время, необходимое для переключения всех дозирующих устройств кормоцеха на другой режим работы, должно быть не более 5 мин;
- показатель качества однородности смешивания кормосмеси должен быть не менее 75—80%, а при вводе карбамида — не менее 90%;
- неравномерность смешивания грубых кормов, силоса и корнеклубнеплодов не должна превышать ± 15%, концентрированных кормов ± 5% от заданного рациона;
- в составе готовых кормосмесей 70—75% измельченной массы должно состоять из частиц до 10—12 мм (для крупного рогатого скота), а частиц крупнее 12 мм должно быть не более 30%, причем размер этих частиц для откормочного молодняка не должен превышать 20 мм, а для молочных коров 50 мм;
- запаренные корма необходимо охлаждать до 40° С перед смешиванием с витаминными или белковыми добавками и до 70° С перед смешиванием с комбикормом.
Кормообрабатывающие предприятия (кормоцехи) в сельскохозяйственном производстве по свойствам приготавливаемых кормов делятся на две группы. Предприятия группы I (заводы, цехи, агрегаты) предназначены для подготовки в рассыпном, гранулированном или брикетированном виде сухих кормов, пригодных для длительного хранения (комбикорма, кормовых добавок, травяной муки, полнорационных кормосмесей). Предприятия группы II (цехи) готовят влажные кормосмеси непосредственно перед скармливанием животным.
Работа технологических линий кормоцехов первой группы не согласовывается с распорядком дня животноводческой фермы или комплекса. Кормосмеси, приготовленные в таких кормоцехах, должны иметь все ингредиенты, предусмотренные рецептом. Отклонения от принятой технологии не допускаются.
Работа технологических линий кормоцехов второй группы согласовывается с распорядком дня животноводческой фермы или комплекса. Кормосмеси в своем составе могут иметь разное количество ингредиентов в соответствии с зоотехническими нормами кормления животных, поэтому отказ одной из технологических линий не всегда приводит к прекращению выпуска готовой продукции.
Кормоприготовительные цехи второй группы различаются по виду обслуживаемых животных (для ферм и комплексов крупного рогатого скота, свиноводческих ферм и др.), они также могут быть универсальными. На фермах и комплексах крупного рогатого скота для подготовки влажных полнорационных кормосмесей применяют кормоцехи с использованием соломы, прошедшей термическую обработку, и без такой обработки. Первый тип кормоцехов отличается более сложным схемно-конструктивным исполнением: в комплекте машин и оборудования имеются агрегаты или установки для термохимической обработки соломы, например смесители С-12 и др. Технология подготовки кормов в таких кормоцехах позволяет полнее использовать возможности механизации для увеличения производства животноводческой продукции. Кормоцехи свиноводческих ферм и комплексов по технологическим признакам также делятся на два типа: для подготовки влажных или жидких кормосмесей из кормов собственного производства и для подготовки жидких кормосмесей с использованием пищевых отходов. В первом случае в зависимости от типа кормления (концентратно-корнеплодный или концентратно-картофельный) кормоцехи имеют незначительно отличающиеся наборы машин.
Оборудование кормоцеха включает в себя технологические линии сенажа и силоса, корнеклубнеплодов, термохимической переработки грубых кормов, приготовления и раздачи приготовленной кормосмеси и т.д. Техника, способствующая механизации процесса кормления, выбирается, исходя из нескольких параметров: габариты кормовых проходов, планировка фермы, вид кормохранилищ и принятый состав кормосмесей. Используемый метод обслуживания коров также имеет немаловажное значение в выборе оборудования для линии раздачи кормов. В том случае, если животные обслуживаются по принципу индивидуального подхода, то, соответственно, линия раздачи кормов должна обеспечивать соблюдение этой технологии, то есть дифференцировать нормы кормов для каждой технологической группы.
В оборудование для ферм, служащее для раздачи кормосмесей и стебельчатых кормов, входят мобильные транспортеры, стационарные установки, либо комбинированные средства. Разумеется, что использование мобильного кормораздатчика гораздо эффективнее, чем применение стационарной установки, ввиду его заменяемости в случае поломки и возможности обслуживания одним агрегатом нескольких технологических групп или всей фермы. Данные агрегаты оптимальны для использования на племенных фермах и в родильных отделениях, но нуждаются в квалифицированном обслуживании и хорошем состоянии подъездных путей. Мобильные кормораздатчики, агрегатируемые с трактором, кроме того, нуждаются в больших проездах, что способствует неэффективному использованию площадей ферм и нарушению микроклимата. Таким образом, чтобы обеспечить повышение уровня кормораздачи нужно осуществить несколько мероприятий, в том числе переход на кормосмеси, которые готовятся в кормовых цехах, использовать новое высокотехнологичное кормовое оборудование для ферм.
Оборудование в кормоцехе неодинаково загружено как в течение суток, так и в различные периоды года. Поэтому, чтобы рассчитать технологические линии, необходимо знать структуру поголовья животных на ферме, тип кормления, рационы животных, физико-механические свойства кормов, а также технические характеристики машин и оборудования и технико-экономические показатели выбираемого комплекта.
Расчет технологических линий целесообразно проводить в два этапа. На первом этапе необходимо разработать схему технологического процесса, определить суточную и часовую производительность отдельных линий и кормоцеха в целом, рассчитать потребное количество раствора, чтобы получить требуемую влажность кормосмеси, найти расход пара, электроэнергии, емкость накопителей, производительность и число машин кормоцеха, выбрать схему технологических линий кормоцеха и установить его площадь. На втором этапе уточняют расчет и строят графики загрузки машин и оборудования кормоцеха.
Учитывая поголовье животных по группам и рационы, определяют потребность фермы в кормах, а также объем питательных растворов (воды), добавляемых к кормам. Суточную производительность технологических линий для обработки отдельных видов кормов рассчитывают по формулам:
Qл1=a1m1+a2m2+a3 m3+…+anmn;
Qл1=b1m1+b2m2+b3 m3+…+bnmn;
Qлn=z1m1+z2m2+z3 m3+…+znmn;
где Qл1, Qл2,…Qлn – суточное потребление различных кормов, т/сутки;
m 1, m 2, …mn – число животных в каждой группе;
a, b, z – масса различных видов кормов, расходуемых по максимальному суточному рациону на одно животное, т/сутки.
Разделив общий суточный объем на принятое время работы кормоцеха, определяем его часовую производительность.
Технологический расчет основных и вспомогательных линий, выбор машин и оборудования следует начинать с ведущей машины. Ее параметры являются определяющими для расчетов остальных линий кормоцеха. При проектировании кормоцехов и при размещении машин и оборудования технологических линий необходимо соблюдать следующие условия: путь передвижения каждого компонента должен быть кратчайшим; оборудование надо расставлять в принятой последовательности технологического процесса; затраты на перегрузочные операции должны быть минимальными; коммуникационные линии должны иметь кратчайшие пути; для обслуживающего персонала должны быть созданы удобства и обеспечены условия охраны труда и техники безопасности, а также противопожарной техники.
-
Назначение, устройство и принцип работы фуражира навесного ФН-1,4
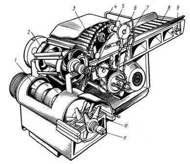
Измельчитель кормов ИКВ-5А «Волгарь» предназначен для измельчения всех видов сочных и грубых кормов, силоса, корнеклубнеплодов, бачевых культур, а также рыбы.
Рис. 1. Измельчитель кормов ИКВ-5В «Волгарь-5»: 1 – шнек; 2 – аппарат первичного резания; 3 – уплотняющий транспортер; 4 – скоба управления; 5, 6,7 – натяжные звездочки; 8 – подающий транспортер; 9 – натяжное устройство подающего транспортера; 10 – аппарат вторичного резания; 11 – автомат отключения.
Подаваемый из кормоприемника-питателя корм располагается (или укладывается вручную) ровным слоем на подающем транспортере 8, уплотняется натяжным транспортером 3, а затем направляется в аппарат первичного резания. Ножевой барабан 2 предварительно измельчает массу до размеров частиц резки 20 - 80 мм. Спиральные ножи барабана в сечении имеют Г-образную форму, их лезвия описывают окружность диаметром 450 мм. На барабане установлено 6 ножей с углом заточки 35°40' и углом подъема винтовой линии 70°. Угол заточки противорежущей пластины 75°. Зазор между лезвием ножей и противорежущей пластиной устанавливают в пределах 0,5 - 1 мм. Измельченный режущим барабаном корм падает на шнек 1 и направляется им в аппарат вторичного резания, состоящий из 9 подвижных и 9 неподвижных ножей. Этот аппарат измельчает корм до фракции размером 2 - 10 мм. Готовый корм выбрасывается через нижнее окно в корпусе измельчителя на транспортер, расположенный в приямке.
Аппарат вторичного резания устроен следующим образом. В желобе по всей ширине корпуса измельчителя расположен шнек диаметром 440 мм, имеющий на концах консольные валы. На консольный вал со шпоночной канавкой со стороны выхода продукта надета втулка с шлицевой наружной поверхностью. На шлицованную часть этой втулки надеты чередующиеся подвижные (со шлицами) и неподвижные (без шлиц) ножи. Последние своими наружными концами закреплены на неподвижных планках на корпусе.Таким образом, многоножевой дисковый режущий аппарат щелевого типа осуществляет двухопорное резание ножами с П-образной режущей кромкой и углами заточки, равными 90°. Этот аппарат более энергоемкий по сравнению с соломосилосорезкой, но он позволяет получить тонкое измельчение и более равномерный гранулометрический состав частиц.
«Волгарь-5» может работать по трем технологическим схемам – измельчение корма для крупного рогатого скота, для свиней и для птицы. При измельчении грубых и сочных кормов для крупного рогатого скота в работу включают только аппарат первичного резания. Необходимую крупность частиц для свиней и птицы достигают путем изменения угла установки лезвия первого подвижного ножа аппарата вторичного резания относительно конца витка шнека. При измельчении корма для птицы этот угол должен быть 9° (по направлению вращения ножей), а для свиней – 54° (против направления вращения). Все последующие ножи располагают по спирали через 72° против направления вращения ножей.
-
Методика расчета потребности животноводческой фермы в воде
механизация животноводческая доение
Навесной фуражир ФН-1,4 предназначен для погрузни и измельчения соломы из скирд в транспортное средства к доставки ее к месту потребления. Он оборудован пневматическим устройством для подбора соломы, уложенной в валки при комбайновой уборке.
Рис. 2. Фуражир навесной ФН-1,4.
















