5179 (567287)
Текст из файла
Безопасность жизнедеятельности человека в процессе анализа системы «Человек-Машина-Среда»
Введение
Повышение эффективности производства, его интенсификация неразрывно связаны с созданием здоровых и безопасных условий труда. Условия для которых разрабатывается раздел – помещение исследовательской лаборатории.
Безопасные и здоровые условия труда повышают его привлекательность и содержательность, обеспечивают более высокую работоспособность, способствуют поддержанию нормального психофизиологического состояния работающих, повышения их социальной активности и превращению труда в жизненную необходимость, то есть влияют и на решение социальных задач. Кроме того, от условий труда зависит производительность и качество труда, эффективность использования трудовых ресурсов.
Таким образом, охрана труда – это система законодательных актов, социально-экономических, организационных, технических, гигиенических и лечебно-профилактических мероприятий и средств, обеспечивающих безопасность, сохранение здоровья и работоспособности человека в процессе труда.
1. Анализ условий труда
Помещение лаборатории, где проводилась разработка манипулятора мобильного робота с автоматической заменой инструмента, имеет следующие характеристики:
- размеры 12*6*4 м (согласно СН 245-71 высота не менее 3 м), площадь составляет 72м2;
- второй этаж четырехэтажного здания ;
- в помещении работают 7 человек;
- в помещении находится два окна общей площадью 8 м2, площадь дверного проема 2,88 м2;
-сеть трехфазная четырехпроводная с глухозаземленной нейтралью напряжением 220 В и частотой 50 Гц;
- применяемое оборудование – ПЭВМ Pentium II Celeron400, лазерный принтер НР LaserJet 6L .
Помещение соответствует требованиям ДНАОП 0.00-1.31-99 “Правила охраны труда при эксплуатации ЭВМ” на одного работающего приходится 10,29 м2 площади при норме 6 м2, объем на одного человека 41 м3 при норме 20 м3.
По доступности электрооборудования данное помещение относится к классу производственных помещений.
В связи с применением в трудовом процессе ПЭВМ в дальнейшем будем использовать нормативные документы, регулирующие вопросы безопасности охраны труда при эксплуатации ПЭВМ. Согласно ДСанПин 33.2.007 – 98 данное оборудование, а также характер и объем выполняемых работ соответствует нормам.
По технологической оснащенности рабочего места: не соответствует нормам, так как перенапрягаются органы зрения (это может быть из – за несоответствия размеров стола или не соответствия расстояния от экрана до глаз работающего, также из- за неправильной высоты стула, недостаточной освещенности рабочего места).
Технологический процесс, который выполняется в помещении соответствует требованиям стандартов безопасности и нормам охраны труда.
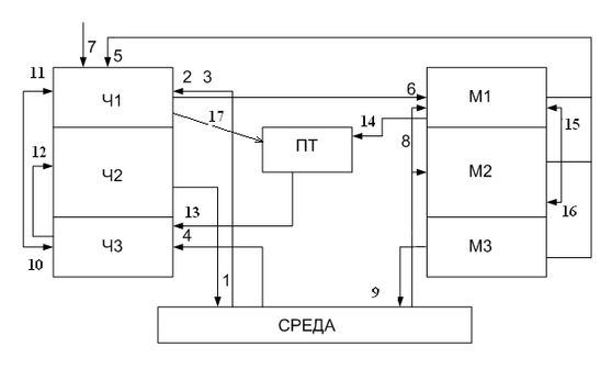
В целях осуществления анализа условий труда в помещении лаборатории были рассмотрены все существующие связи в системе «Человек – Машина – Среда». В процессе функционирования системы «Человек-Машина-Среда» (Ч-М-С) за счет взаимодействия составляющих ее элементов изменяется внутреннее состояние системы.
Входной информацией для системы является информация о состоянии предмета труда, управляющей – из вышестоящей системы. Выходом системы – воздействие на предмет труда. Так как в процессе функционирования системы изменяется ее внутреннее состояние, то необходимо рассмотреть и этот фактор, а также проанализировать одну из составных частей внутреннего состояния системы – здоровье персонала, работающего в системе. Безопасность человека зависит в первую очередь от его взаимодействия с окружающей средой.
«Человек» – это коллектив людей, работающих одновременно, в одном производственном помещении. В системе рассматривается в качестве нескольких элементов с соответствующими видами связей:
Ч1 – оператор ЭВМ, выполняющий управление машиной;
Ч2 – человек, рассматриваемый с точки зрения непосредственного влияния на окружающую среду;
Ч3 – психофизиологическое состояние человека.
«Машина» – комплекс оборудования для осуществления технологического процесса. В системе рассматривается в качестве нескольких элементов с соответствующими видами связей:
М1 – выполнение основной технологической функции;
M2 – функционирование аварийной защиты;
М3 – элемент влияния на окружающую среду и человека.
«Среда» – внутренняя среда помещения: освещение, шум, микроклимат.
ПТ – предмет труда: разработка проекта.
Рис. 1 – Структурная схема «Ч–М–С»
На рис. 1 представлена структурная схема «Ч–М–С». На ней указаны внешние связи: управляющее воздействие вышестоящей системы, воздействие машины на предмет труда, а также внутренние связи, указанные в таблице 1.
Таблица 1 – Описание связей в системе «Ч–М–С»
| № | Направление | Описание связи |
| 1 | Ч2–С | Влияние человека как биологического объекта на среду: потребление кислорода, тепло- влаговыделение и т.д. |
| 2 | С–Ч1 | Влияние окружающей среды на качество работы оператора: повышенный шум, плохое освещение |
| 3 | С–Ч1 | Информация о состоянии среды, которая обрабатывается человеком |
| 4 | С–Ч3 | Влияние среды на состояние организма человека: температура, влажность, освещение, электромагнитные излучения и т.д. |
| 5 | М1–Ч1 М2–Ч1 М3–Ч1 | Информация состояния машины, которая обрабатывается человеком |
| 6 | Ч1–М1 | Влияние человека на управление техникой |
| 7 | Внешняя система управления Ч1 | Управляющая информация о технологическом процессе из внешней системы управления |
| 8 | С–М1 С–М2 | Влияние среды на работу машины: запыленность, температура |
| 9 | M3–C | Влияние машины на среду: шум, температура, электромагнитные излучения |
| 10 | Ч1–Ч3 | Влияние работы человека на его психофизиологическое состояние: усталость и т.д. |
| 11 | Ч3–Ч1 | Влияние психофизиологического состояния организма на качество его работы |
| 12 | Ч3–Ч2 | Влияние психофизиологического состояния организма на степень интенсивности обмена веществ между человеком и средой |
| 13 | ПТ–Ч3 | Влияние предмета труда на состояние человека |
| 14 | М1–ПТ | Влияние машины на предмет труда |
| 15 | М2–М1 | Аварийное управляющее воздействие |
| 16 | М1–М2 | Информация, необходимая для выработки аварийного управляющего воздействия |
| 17 | Ч1 - ПТ | Влияние человека на предмет труда |
| 18 | Ч1 – Ч2 | Влияние интенсивности труда на обменные процессы |
| 19 | Ч3 – Ч3 | Влияние психологического состояния людей друг на друга |
В представленной системе "Ч-М-С" имеют место, как и физические, так и психофизические опасные и вредные производственные факторы, которые могут воздействовать на человека.
Согласно ГОСТ 12.0.003 – 74 опасные и вредные производственные факторы подразделяются по природе действия на группы:
1. физические;
2. химические;
3. биологические;
4. психофизиологические.
Для данных условий характерны две группы из вышеперечисленных – физические и психофизиологические, которые способны значительно снижать, а при длительном воздействии приводить к потере работоспособности работающего персонала:
а) физические
-
повышенный уровень шума на рабочем месте(измеряется в дБ);
-
отсутствие или недостаток естественного света(коэффициент природного освещения должен быть не менее 1,5 %);
-
недостаточная освещенность рабочей зоны(измеряется в лк);
-
повышенная или пониженная температура(измеряется в градусах Цельсия), влажность( в %) и повышенная подвижность воздуха рабочей зоны(в м/с).
б) психофизиологические:
1) умственное перенапряжение(в % за смену);
2) перенапряжение зрительных анализаторов(оценивается по категориям);
3) статические нагрузки;
4) монотонность труда;
5) эмоциональное напряжение.
Шум является одним наиболее распространенных в производстве вредным фактором. Проявление вредного воздействия шума на организм человека разнообразно: так шум с уровнем 80 дБ затрудняет разборчивость речи, вызывает снижение работоспособности и мешает нормальному отдыху, длительное воздействие шума с уровнем 100-120 дБ на низких частотах и 80-90 дБ на средних и высоких частотах может вызвать необратимые потери слуха , а шум с уровнем 120-140 дБ способен вызвать механические повреждения органов слуха.
При отсутствии или недостатке естественного света, также как при недостаточной освещенности рабочей зоны может возникнуть быстрая утомляемость и головная боль. Отсутствие или недостаток естественного света происходит из-за неправильно организованного освещения. В помещении имеются источники искусственного освещения (люминесцентные лампы) и естественное освещение (два оконных проема).
Излишнее освещение, полное и местное (блики) экрана резко снижает контрастность изображения, что приводит к перенапряжению зрительных анализаторов и снижению работоспособности.
Нарушение допустимых микроклиматических параметров (повышенная или пониженная температура, влажность и повышенная подвижность воздуха рабочей зоны) могут вызвать изменение функционального и теплового состояния организма и напряжение реакций терморегуляции, вызывающие дискомфортные теплоощущения, ухудшение самочувствия и понижение работоспособности. Причиной повышенной или пониженной температуры рабочей зоны является плохая теплоизоляция и недостаточное отопление.
Фактические значения ОВПФ приведены в таблице 2:
Табл. 2 Оценка факторов производственной среды и трудового процесса
| Факторы производственной среды и трудового процесса | Значение фактора (ПДК, ПДУ) | 3 класс – опасные и вредные условия, характер труда | Проложительность действия фактора, в % за смену | ||||
| Норма | Факт | 1 ст | 2 ст | 3 ст | |||
| 1 | 2 | 3 | 4 | 5 | 6 | 7 | |
| 3. Шум | 50 дб | 60 дб | + | 87,5% | |||
| 8. Микроклимат: - температура воздуха | хол.22-24°С тепл.23-25°С | 23°С | 85% | ||||
| - скорость движения воздуха | х.0,1 м/с т.0,1 м/с | 0,1м/с | 85% | ||||
| - относительная влажность | х.,т. 40-60% | 55% | 86% | ||||
| 9. Атмосферное давление | 747 мм рт ст | 746 мм рт ст | 85,5% | ||||
| 10. Освещение: - естественное | 1,5% | 1,6% | 85,5% | ||||
| - искусственное | 300-500 лк | 320 лк | 85,5% | ||||
| 12.Напряженность труда а) внимание: продолжительность сосредоточения (в % от продолжительности смены) | До 75% | До 73% | 75% | ||||
| б) напряженность анализаторов: - зрение (категория работ) | 4разряд зрительной работы | умеренная | 85% | ||||
Согласно составленной оценки условий труда доминирующим вредным производственным фактором является шум.
2. Техника безопасности
Характеристики
Тип файла документ
Документы такого типа открываются такими программами, как Microsoft Office Word на компьютерах Windows, Apple Pages на компьютерах Mac, Open Office - бесплатная альтернатива на различных платформах, в том числе Linux. Наиболее простым и современным решением будут Google документы, так как открываются онлайн без скачивания прямо в браузере на любой платформе. Существуют российские качественные аналоги, например от Яндекса.
Будьте внимательны на мобильных устройствах, так как там используются упрощённый функционал даже в официальном приложении от Microsoft, поэтому для просмотра скачивайте PDF-версию. А если нужно редактировать файл, то используйте оригинальный файл.
Файлы такого типа обычно разбиты на страницы, а текст может быть форматированным (жирный, курсив, выбор шрифта, таблицы и т.п.), а также в него можно добавлять изображения. Формат идеально подходит для рефератов, докладов и РПЗ курсовых проектов, которые необходимо распечатать. Кстати перед печатью также сохраняйте файл в PDF, так как принтер может начудить со шрифтами.
















