151641 (566938)
Текст из файла
Министерство образования Российской Федерации
Пермский Государственный Технический Университет
Кафедра электротехники и электромеханики
Лабораторная работа
«Исследование цепи однофазного синусоидального напряжения с параллельным соединением приёмников электрической энергии»
Цель работы
Изучение процессов в электрической цепи с параллельным соединением приёмников, содержащих индуктивные и емкостные элементы, при различном соотношении их параметров. Опытное определение условий достижения в данной цепи явления резонанса тока.
Табл. 1. Паспортные данные электроизмерительных приборов.
| № п/п | Наименованное прибора | Заводской номер | Тип | Система измерения | Класс точности | Предел измерений | Цена деления |
| 1 | Вольтметр | Э34 | ЭМ | 1.0 | 300 В | 10 В | |
| 2 | Вольтметр | Э34 | ЭМ | 1.0 | 300 В | 10 В | |
| 3 | Амперметр | Э30 | ЭМ | 1.5 | 5 А | 0.2 А | |
| 4 | Амперметр | Э30 | ЭМ | 1.5 | 5 А | 0.2 А | |
| 5 | Амперметр | Э30 | ЭМ | 1.5 | 5 А | 0.2 А | |
| 6 | Ваттметр | Д539 | ЭД | 0.5 | 6000 Вт | 40 Вт |
Теоретические сведения
На рис. 1 представлена электрическая цепь однофазного синусоидального напряжения с параллельным соединением 2-х приемников, один из которых на схеме замещен последовательным со-единением резистора и емкостного элемента, а второй – последовательным соединением резистора и индуктивного элемента. Токи в приемниках определяются по закону Ома:
где U – действующее значение напряжения источника электрической энергии;
r1, xC1, z1 – активное, емкостное и полное сопротивления первого приемника;
r2, xL2, z2 – активное, емкостное и полное сопротивления второго приемника;
Вектор тока источника электрической энергии равен сумме векторов токов приёмников:
Векторная диаграмма напряжений и токов для рассматриваемой схемы приведена на рис. 2
Энергетические процессы в электрической цепи характеризуются величинами активной P, реактивной Q и полной S мощности, а также коэффициентам мощности cosφ.
Для первого приёмника
Для второго приёмника
Для двух приёмников
В соответствии с балансом активной и реактивной мощностей под P, Q, S, cosφ следует пони-мать также активную, реактивную и полную мощности источника электрической энергии и его коэффициент мощности.
Величины активной и реактивной составляющих токов приемников (см. рис. 2):
где φ1 и φ2 – углы сдвига фаз между вектором напряжения
и векторами токов
и
.
Представление токов активными и реактивными составляющими позволяет путем их сложения найти активную Iа и реактивную Iр составляющие тока источника и по ним определить ток источника I:
Из векторной диаграммы рис. 2, следует:
Косинус угла сдвига фаз между вектором тока источника и вектором напряжения источника определяется из выражения:
В электрических цепях с параллельным соединением приемников, содержащих индуктивные и емкостные элементы, может при определенных условиях возникать явление резонанса токов. Резонансом токов называется режим, при котором ток источника электрической энергии совпадает по фазе с напряжением источника, т.е. φ = 0. Следовательно, условием резонанса токов является равенство нулю реактивной мощности цепи и реактивной составляющей тока источника электрической энергии.
Из условия резонанса токов следует, что
При резонансе токов коэффициент мощности цепи
Ток в ветви с источником электрической энергии содержит только активную составляющую, является минимальным по величине и может оказаться значительно меньше токов в каждом из параллельно включенных приемников:
Рабочее задание
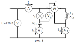
1. Собираем схему, изображенную на рис. 3.
2. Медленно выдвигая сердечник, снимаем показания приборов для трех точек до резонанса, точки в околорезонансной области и шести точек после резонанса. Показания приборов заносим в табл. 2.
Табл. 2. Опытные данные.
| № | U | U1 | I | I1 | I2 | PК2 | |||
| В | А | кол. дел. | Вт | ||||||
| 1 | 215 | 110 | 1,35 | 2,1 | 1 | 1,5 | 15 | ||
| 2 | 215 | 110 | 1,25 | 2,1 | 1,4 | 2 | 20 | ||
| 3 | 215 | 110 | 1,22 | 2,1 | 1,6 | 3 | 30 | ||
| 4 | 215 | 110 | 1,28 | 2,1 | 1,8 | 4 | 40 | ||
| 5 | 215 | 110 | 1,3 | 2,1 | 2 | 4,5 | 45 | ||
| 6 | 215 | 110 | 1,42 | 2,1 | 2,4 | 6 | 60 | ||
| 7 | 215 | 110 | 1,78 | 2,1 | 2,8 | 8 | 80 | ||
| 8 | 215 | 110 | 2,1 | 2,1 | 3,2 | 10 | 100 | ||
| 9 | 215 | 110 | 2,5 | 2,1 | 3,6 | 12,5 | 125 | ||
| 10 | 215 | 110 | 2,9 | 2,1 | 4 | 15 | 150 | ||
| 11 | 215 | 110 | 3,35 | 2,1 | 4,4 | 18 | 180 | ||
| 12 | 215 | 110 | 3,9 | 2,1 | 5 | 23,5 | 235 | ||
3. По результатам опытов вычисляем величины, входящие в табл. 3.
Табл. 3. Расчетные данные
| № | P1 | S1 | QC1 | cos φ1 | S2 | QL2 | cos φ2 | xL2 | P | S | cos φ | L |
| Вт | ВА | ВАр | о.е. | ВА | ВАр | о.е. | Ом | Вт | ВА | о.е. | Гн | |
| 1 | 231 | 451,5 | 387,93 | 0,5116 | 215 | 214,48 | 0,070 | 214,48 | 246 | 290,25 | 0,848 | 0,683 |
| 2 | 231 | 451,5 | 387,93 | 0,5116 | 301 | 300,33 | 0,066 | 153,23 | 251 | 268,75 | 0,934 | 0,488 |
| 3 | 231 | 451,5 | 387,93 | 0,5116 | 344 | 342,69 | 0,087 | 133,86 | 261 | 262,30 | 0,995 | 0,426 |
| 4 | 231 | 451,5 | 387,93 | 0,5116 | 387 | 384,93 | 0,103 | 118,80 | 271 | 275,20 | 0,985 | 0,378 |
| 5 | 231 | 451,5 | 387,93 | 0,5116 | 430 | 427,64 | 0,105 | 106,91 | 276 | 279,50 | 0,987 | 0,340 |
| 6 | 231 | 451,5 | 387,93 | 0,5116 | 516 | 512,50 | 0,116 | 88,98 | 291 | 305,30 | 0,953 | 0,283 |
| 7 | 231 | 451,5 | 387,93 | 0,5116 | 602 | 596,66 | 0,133 | 76,10 | 311 | 382,70 | 0,813 | 0,242 |
| 8 | 231 | 451,5 | 387,93 | 0,5116 | 688 | 680,69 | 0,145 | 66,47 | 331 | 451,50 | 0,733 | 0,212 |
| 9 | 231 | 451,5 | 387,93 | 0,5116 | 774 | 763,84 | 0,161 | 58,94 | 356 | 537,50 | 0,662 | 0,188 |
| 10 | 231 | 451,5 | 387,93 | 0,5116 | 860 | 846,82 | 0,174 | 52,93 | 381 | 623,50 | 0,611 | 0,168 |
| 11 | 231 | 451,5 | 387,93 | 0,5116 | 946 | 928,72 | 0,190 | 47,97 | 411 | 720,25 | 0,571 | 0,153 |
| 12 | 231 | 451,5 | 387,93 | 0,5116 | 1075 | 1049,00 | 0,219 | 41,96 | 466 | 838,50 | 0,556 | 0,134 |
Вычислим эти величины для первого опыта:
Характеристики
Тип файла документ
Документы такого типа открываются такими программами, как Microsoft Office Word на компьютерах Windows, Apple Pages на компьютерах Mac, Open Office - бесплатная альтернатива на различных платформах, в том числе Linux. Наиболее простым и современным решением будут Google документы, так как открываются онлайн без скачивания прямо в браузере на любой платформе. Существуют российские качественные аналоги, например от Яндекса.
Будьте внимательны на мобильных устройствах, так как там используются упрощённый функционал даже в официальном приложении от Microsoft, поэтому для просмотра скачивайте PDF-версию. А если нужно редактировать файл, то используйте оригинальный файл.
Файлы такого типа обычно разбиты на страницы, а текст может быть форматированным (жирный, курсив, выбор шрифта, таблицы и т.п.), а также в него можно добавлять изображения. Формат идеально подходит для рефератов, докладов и РПЗ курсовых проектов, которые необходимо распечатать. Кстати перед печатью также сохраняйте файл в PDF, так как принтер может начудить со шрифтами.
















