151639 (566937)
Текст из файла
Министерство образования Российской Федерации
Пермский Государственный Технический Университет
Кафедра электротехники и электромеханики
Лабораторная работа № 6
«Исследование трехфазного короткозамкнутого
асинхронного электродвигателя»
Цель работы: ознакомиться с особенностями устройства трехфазного асинхронного электродвигателя с короткозамкнутым ротором и исследовать основные свойства этого двигателя путем снятия рабочих характеристик.
Табл. 1. Паспортные данные электроизмерительных приборов
| № п/п | Наименованное прибора | Заводской номер | Тип | Система измерения | Класс точности | Предел измерений | Цена деления |
| 1 | Вольтметр | М362 | МЭ | 1.5 | 250 В | 10 В | |
| 2 | Амперметр | М362 | МЭ | 1.5 | 10 А | 0.5 А | |
| 3 | Амперметр | Э30 | ЭМ | 1.5 | 5 А | 0.2 А | |
| 4 | Ваттметр | Д539 | ЭД | 0.5 | 1500 | 10 |
Рабочее задание
1. Ознакомимся с устройством исследуемого асинхронного короткозамкнутого электродви-гателя и нагрузочной машины. Запишем их паспортные данные в табл. 2.
Табл. 2
| Тип | UН, В | IН, А | PН, Вт | nН, об/мин | M, Нм | ηН | cosφ | Примечание |
| АОЛ32-4 | 380 | 2,4 | 1000 | 1410 | 6,77 | 78,5 | 0,79 | |
| П22 | 220 | 5,9 | 1000 | 1500 |
В этой таблице для асинхронного двигателя указываются номинальные значения тока и линейного напряжения при соединении обмоток в звезду. Номинальный вращающий момент машины вычисляется по формуле
.
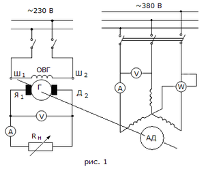
2. Для исследования асинхронного двигателя собирается электрическая цепь согласно рис. 1.
3. Рабочие характеристики асинхронного двигателя снимаются следующим образом. Зашунтировав амперметр и токовые катушки ваттметров, запускают асинхронный двигатель. Проверяют направление вращения двигателя (оно должно совпадать с указанным на стенде).
Тумблерами отключают все секции сопротивления
и подают постоянное напряжение 230 В на обмотку возбуждения генератора. Убедившись, что ток в якорной цепи генератора равен нулю, записывают показания всех приборов в табл 3. Скорость вращения двигателя измеряется тахометром.
Затем, увеличивая нагрузку на валу двигателя путем включения необходимого числа секций
, снимают показания приборов еще 5 – 6 раз. Величину нагрузки можно контролировать по величине тока в якорной цепи генератора. В процессе опыта максимальные значения токов генератора и двигателя не должны превышать
.
Табл. 3
| № | I1, А | W, дел. | Uг, В | Iг, А | n, об\мин | Примечание |
| 1 | 0,9 | 5 | 195 | 0 | 1486 | U1 = 380 В, Cw = 10 Вт/дел. |
| 2 | 1,1 | 13 | 175 | 1,5 | 1436 | |
| 3 | 1,38 | 22 | 165 | 2,5 | 1403 | |
| 4 | 1,5 | 26 | 155 | 3,1 | 1381 | |
| 5 | 1,8 | 33 | 140 | 4,0 | 1337 | |
| 6 | 2,1 | 39 | 130 | 4,8 | 1297 | |
| 7 | 2,4 | 46 | 115 | 5,6 | 1243 | |
| 8 | 2,7 | 50 | 102 | 6,8 | 1206 | |
| 9 | 3,0 | 56 | 90 | 7,2 | 1141 |
По данным табл. 3 определяются:
мощность, потребляемая двигателем из сети
полезная мощность генератора постоянного тока
мощность, передаваемая от двигателя к генератору (полезная мощность двигателя)
(значения КПД генератора
берутся из графика
, который строится на основа-нии табл. 4. При этом номинальная мощность генератора берется из табл. 2)
момент на валу двигателя
где
(Вт) и
(об/мин)
скольжение
коэффициент мощности двигателя
КПД двигателя
Результаты расчетов сводят в табл. 5
Табл. 4
|
| 0,2 | 0,4 | 0,6 | 0,8 | 1,0 | 1,2 | 1,4 |
|
| 0,73 | 0,79 | 0,8 | 0,78 | 0,76 | 0,72 | 0,68 |
Табл. 5
| № | P1, Вт | Pг, Вт | ηг | P2, Вт | s | n, об/мин | M, Нм | cos φ | ηд | Примечание |
| 1 | 150 | 0 | 0 | 0,0 | 0,009 | 1486 | 0,00 | 0,253 | 0,000 | n0 = 60f1/p = = 1500 об/мин |
| 2 | 390 | 262,5 | 0,758 | 346,3 | 0,043 | 1436 | 2,30 | 0,539 | 0,888 | |
| 3 | 660 | 412,5 | 0,79 | 522,2 | 0,065 | 1403 | 3,55 | 0,727 | 0,791 | |
| 4 | 780 | 480,5 | 0,796 | 603,6 | 0,079 | 1381 | 4,17 | 0,790 | 0,774 | |
| 5 | 990 | 560 | 0,8 | 700,0 | 0,109 | 1337 | 5,00 | 0,836 | 0,707 | |
| 6 | 1170 | 624 | 0,8 | 780,0 | 0,135 | 1297 | 5,74 | 0,846 | 0,667 | |
| 7 | 1380 | 644 | 0,799 | 806,0 | 0,171 | 1243 | 6,19 | 0,874 | 0,584 | |
| 8 | 1500 | 693,6 | 0,796 | 871,4 | 0,196 | 1206 | 6,90 | 0,844 | 0,581 | |
| 9 | 1680 | 648 | 0,799 | 811,0 | 0,239 | 1141 | 6,79 | 0,851 | 0,483 |
По данным табл. 5 строим графики зависимостей
и
.
Вывод: с увеличением момента сопротивления на валу АД потребляемая мощность P1 и мощность на валу P2 возрастают, возрастает и сила тока в обмотках статора I1, частота вращения вала n падает, скольжение s соответственно увеличивается.
С увеличением мощности нагрузки КПД АД вначале стремительно возрастает до наибольшего значения в 0,89 при мощности на валу примерно 350 Вт. С дальнейшим увеличением нагрузки КПД начинает уменьшаться. Коэффициент мощности АД cos φ при увеличении нагрузки также поначалу возрастает, достигает наибольшего значения в 0,87 при мощности примерно 800 Вт, а затем начинает падать.
Характеристики
Тип файла документ
Документы такого типа открываются такими программами, как Microsoft Office Word на компьютерах Windows, Apple Pages на компьютерах Mac, Open Office - бесплатная альтернатива на различных платформах, в том числе Linux. Наиболее простым и современным решением будут Google документы, так как открываются онлайн без скачивания прямо в браузере на любой платформе. Существуют российские качественные аналоги, например от Яндекса.
Будьте внимательны на мобильных устройствах, так как там используются упрощённый функционал даже в официальном приложении от Microsoft, поэтому для просмотра скачивайте PDF-версию. А если нужно редактировать файл, то используйте оригинальный файл.
Файлы такого типа обычно разбиты на страницы, а текст может быть форматированным (жирный, курсив, выбор шрифта, таблицы и т.п.), а также в него можно добавлять изображения. Формат идеально подходит для рефератов, докладов и РПЗ курсовых проектов, которые необходимо распечатать. Кстати перед печатью также сохраняйте файл в PDF, так как принтер может начудить со шрифтами.















