151638 (566936)
Текст из файла
Министерство образования Российской Федерации
Пермский Государственный Технический Университет
Кафедра электротехники и электромеханики
Лабораторная работа № 5
«Исследование трехфазного двухобмоточного трансформатора»
Выполнил: студент гр.
Проверил: ст. преподаватель
Пермь, 2005
Цель работы: изучение устройства трехфазного трансформатора и исследование его свойств путем проведения опытов холостого хода и короткого замыкания.
Рабочее задание.
1. Ознакомимся с устройством исследуемого трехфазного трансформатора и запишем его паспортные данные в табл. 1.
| Фабричн. номер | Тип | Номин. мощность, кВА | ||||
| U1Н, В | U2Н, В | I1Н, А | I2Н, А | |||
| 18625 | ТС-2,5/0,5 | 2,5 | 380 | 230 | 3,8 | 6,3 |
табл. 1
При соединении в звезду номинальные значения тока в первичной и вторичной обмотках трансформатора определяются по формулам:
,
где
– номинальная мощность трансформатора;
– номинальные значения линейных напряжений первичной и вторичной цепи.
2. Записываем паспортные данные электроизмерительных приборов в табл. 2.
| № п/п | Наименованное прибора | Заводской номер | Тип | Система измерения | Класс точности | Предел измерений | Цена деления |
| 1 | Вольтметр | Э30 | ЭМ | 1.5 | 500 В | 20 В | |
| 2 | Вольтметр | Э34 | ЭМ | 1.0 | 300 В | 10 В | |
| 3 | Вольтметр | Э30 | ЭМ | 1.5 | 30 В | 1 В | |
| 4 | Амперметр | Э30 | ЭМ | 1.5 | 5 А | 0.2 А | |
| 5 | Амперметр | Э30 | ЭМ | 1.5 | 5 А | 0.2 А | |
| 6 | Амперметр | Э30 | ЭМ | 1.5 | 5 А | 0.2 А | |
| 7 | Ваттметр | Д539 | ЭД | 0.5 | 3000 Вт | 20 Вт | |
| 7 | Ваттметр | Д539 | ЭД | 0.5 | 3000 Вт | 20 Вт |
табл. 2.
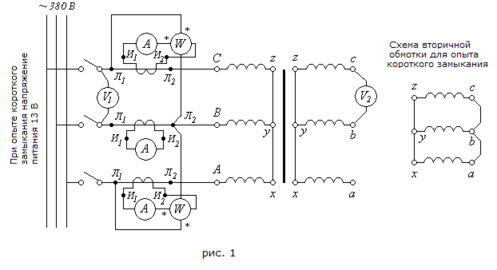
3. Для испытания трансформатора собирается электрическая цепь по схеме, приведенной на рис. 1. К зажимам А, В, С обмотки высшего напряжения подводят напряжение 380 В. Амперметры и токовые обмотки ваттметров включаются через трансформаторы токов.
4. Проводим опыт холостого хода. Показания приборов записываем в табл. 3.
| U1, В | U2, В | IА, А | IВ, А | IС, А | W1, дел. | W2, дел. | CW, Вт/дел. | KI | K |
| 375 | 230 | 2,21 | 1,7 | 2,3 | 32 | -21 | 20 | 0,2 | 1,63 |
табл. 3
По данным табл. 2 рассчитываем коэффициент трансформации:
мощность холостого хода:
ток холостого хода:
коэффициент мощности в режиме холостого хода:
Активная мощность, потребляемая трансформатором при холостом ходе, расходуется на потери в стали трансформатора, так как потери в меди первичной обмотки от тока холостого хода ничтожны, т.е.
.
5. Проводим опыт короткого замыкания. Включив трансформатор на пониженное напряжение
, записываем показания приборов в табл. 4.
| IА, А | IВ, А | IС, А | U1К, В | W1, дел. | W2, дел. | CW, Вт/дел. | KI |
| 2,3 | 2,2 | 2,35 | 10,8 | 10 | 4 | 2,5 | 1 |
табл. 4.
На основании опытных данных определяются ток и мощность короткого замыкания:
коэффициент при коротком замыкании:
Если опыт проводится при
, то мощность короткого замыкания пересчитывается на номинальный ток:
6. Зависимость к.п.д. трансформатора от нагрузки определяется расчетным путем. При этом величину нагрузки трансформатора удобно характеризовать коэффициентом загрузки:
При значениях коэффициента загрузки трансформатора, равных 0,25; 0,5; 0,75; 1,0; 1,5 рассчи-тываются:
полезная мощность
потери в обмотках
потребляемая мощность
коэффициент полезного действия трансформатора
Расчеты выполняются при
. Результаты расчета записываем в табл. 5
| β | P2, Вт | PM, Вт | P1, Вт | η | Исходные данные |
| 0 | 0,0 | 0,0 | 44,0 | 0,0000 | |
| 0,25 | 500,0 | 6,1 | 550,1 | 0,9090 | |
| 0,5 | 1000,0 | 24,3 | 1068,3 | 0,9361 | |
| 0,75 | 1500,0 | 54,7 | 1598,7 | 0,9383 | |
| 1,0 | 2000,0 | 97,2 | 2141,2 | 0,9341 | |
| 1,5 | 3000,0 | 218,7 | 3262,7 | 0,9195 | |
| βопт=0,67 | 1345,6 | 44,0 | 1433,6 | 0,9386 |
табл. 5
Определяем оптимальный коэффициент загрузки, при котором к.п.д. будет максимальным. Это имеет место при равенстве потерь в обмотках и стали трансформатора. То есть при
откуда
.
Полученное значение
заносится в табл. 5 ,и по нему определяем
.
Вывод: при увеличении мощности потребителя во вторичной обмотке трансформатора от 0 до примерно 1430 Вт КПД трансформатора возрастает и достигает наибольшего значения в 0.9386 при P2 = 1433.6 Вт. На этом участке потери в обмотках трансформатора меньше потерь в стали, в точке максимума КПД потери в меди и стали выравниваются.
При дальнейшем увеличении мощности потребителя КПД начинает падать, потери в меди об-моток трансформатора становятся больше потерь в стали.
Характеристики
Тип файла документ
Документы такого типа открываются такими программами, как Microsoft Office Word на компьютерах Windows, Apple Pages на компьютерах Mac, Open Office - бесплатная альтернатива на различных платформах, в том числе Linux. Наиболее простым и современным решением будут Google документы, так как открываются онлайн без скачивания прямо в браузере на любой платформе. Существуют российские качественные аналоги, например от Яндекса.
Будьте внимательны на мобильных устройствах, так как там используются упрощённый функционал даже в официальном приложении от Microsoft, поэтому для просмотра скачивайте PDF-версию. А если нужно редактировать файл, то используйте оригинальный файл.
Файлы такого типа обычно разбиты на страницы, а текст может быть форматированным (жирный, курсив, выбор шрифта, таблицы и т.п.), а также в него можно добавлять изображения. Формат идеально подходит для рефератов, докладов и РПЗ курсовых проектов, которые необходимо распечатать. Кстати перед печатью также сохраняйте файл в PDF, так как принтер может начудить со шрифтами.
















