151461 (566930)
Текст из файла
Курсова робота
на тему:
«Електричний розрахунок освітлювальних мереж»
Завдання
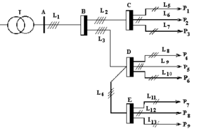
Рис. 1 Принципова електрична схема живлення мережі освітлення
Розрахувати на мінімум провідникового матеріалу освітлювальну мережу, схема якої приведена на рис. 1, для чого:
-
Накреслити схему мережі і нанести на неї вихідні дані згідно свого варіанта.
-
Визначити допустиму утрату напруги в мережі.
-
Для кожної ділянки мережі розрахувати момент навантаження в
. -
Визначити приведений момент навантаження для головної ділянки (А-В).
-
Розрахувати переріз кабелю головної ділянки.
-
Вибрати стандартну величину перерізу кабелю головної ділянки.
-
Розрахувати дійсну утрату напруги на головній ділянці по обраному перерізу і значенню моменту навантаження головної ділянки.
-
Визначити розрахункові утрати напруги для наступних ділянок по формулі:
-
Розрахувати переріз наступних ділянок ВС, BD, та DE по
і відповідним приведеним моментам навантаження. Вибрати стандартні перерізи. -
Визначити фактичні утрати напруги на ділянках ВС, BD, та DE.
-
Визначити розрахункові утрати напруги для наступних ділянок за ВС, BD, та DE і розрахувати їхні перерізи і дійсні утрати напруги.
-
Перевірити всі вибрані перерізи по допустимому нагріванні і у випадку не виконання умови на якій-небудь із ділянок, збільшити його переріз і перерахувати наступну за даною ділянкою мережі по допустимій утраті напруги.
-
На розрахунковій схемі для кожної ділянки вказати переріз проводу чи кабелю і величину дійсних утрат.
Напругу живлення прийняти рівною 380/220 В.
Вихідні дані
Таблиця 1 – Параметри трансформатора та мережі живлення
| Трансформатор | Мережа живлення | |||||||
|
|
|
|
|
|
|
|
|
|
| 1600 | 18 | 6,6% | 0,9 | 0,95 | 170 | 56 | 46 | 21 |
Таблиця 2 – Параметри групової мережі живлення
| Групова мережа | |||||||||
|
|
|
|
|
|
|
|
|
|
|
| 11 | 42 | 20 | 35 | 30 | 2,5 | 3,5 | 1,5 | 4,5 | 3 |
-
Допустима втрата напруги в мережі
-
формула для розрахунку:
;
-
її складові:
,
;
;
;
;
;
Тоді:
-
втрати напруги в трансформаторі:
-
допустимі втрати напруги в мережі:
-
Для кожної ділянки мережі розраховуємо момент навантаження в
.
Результати розрахунків зводимо в табл. 3.
Таблиця 3 – Моменти навантаження
|
| 1 | 2 | 3 | 4 | 5 | 6 | 7 | 8 | 9 | DE | BD | BC | AB |
|
| 2,5 | 3,5 | 1,5 | 2,5 | 3,5 | 1,5 | 4,5 | 4,5 | 3 | 12 | 19,5 | 7,5 | 27 |
|
| 11 | 11 | 11 | 42 | 42 | 42 | 20 | 35 | 30 | 21 | 46 | 56 | 170 |
|
| 27,5 | 38,5 | 16,5 | 105 | 147 | 63 | 90 | 157,5 | 90 | 252 | 897 | 420 | 4590 |
-
Приведений момент навантаження для головної ділянки (АВ):
Потрібний переріз жил кабеля головної ділянки:
-
Стандартна величина перерізу жил кабеля головної ділянки:
-
Дійсна втрата напруги на головній ділянці:
-
Розрахункові втрати напруги для наступних ділянок:
-
Переріз жил кабеля ділянок ВС, BD та DE:
Ділянка ВС.
Приведений момент навантаження:
Потрібний переріз жил кабеля:
Стандартна величина перерізу жил кабеля:
Дійсна втрата напруги:
Розрахункові втрати напруги для 1–3 ділянок:
Ділянка BD.
Приведений момент навантаження:
Потрібний переріз жил кабеля:
Стандартна величина перерізу жил кабеля:
Дійсна втрата напруги:
Розрахункові втрати напруги для наступних ділянок:
Ділянка DE.
Приведений момент навантаження:
Потрібний переріз жил кабелю:
Стандартна величина перерізу жил кабелю:
Дійсна втрата напруги:
Розрахункові втрати напруги для 7–9 ділянок:
9. Визначаємо розрахунковий
та вибираємо стандартний
переріз жил провідників 1–9 ділянок.
Формула для розрахунку:
;
;
;
;
;
;
;
;
.
Результаті розрахунку зводимо в табл. 4.
Таблиця 4 – Розрахунок перерізів жил провідників
|
| 1 | 2 | 3 | 4 | 5 | 6 | 7 | 8 | 9 |
|
| 27,5 | 38,5 | 16,5 | 105 | 147 | 63 | 90 | 157,5 | 90 |
|
| 12 | 12 | 12 | 32 | 32 | 32 | 12 | 12 | 12 |
|
| 1,55 | 1,55 | 1,55 | 2,68 | 2,68 | 2,68 | 1,88 | 1,88 | 1,88 |
|
| 1,49 | 2,07 | 0,89 | 1,22 | 1,71 | 0,73 | 3,98 | 6,98 | 3,98 |
|
| 1,5 | 2,5 | 1 | 1,5 | 2 | 1 | 4 | 10 | 6 |
10. Дійсна витрата напруги на 1–9 ділянках
Формула для розрахунку:
;
;
;
;
;
;
;
;
.
Результати розрахунку зводимо в табл. 5, а отримані значення
вказуємо на рис. 1.
Таблиця 5 – Розрахунок дійсних втрат напруги в 1–9 ділянках
|
| 1 | 2 | 3 | 4 | 5 | 6 | 7 | 8 | 9 |
|
| 27,5 | 38,5 | 16,5 | 105 | 147 | 63 | 90 | 157,5 | 90 |
|
| 12 | 12 | 12 | 32 | 32 | 32 | 12 | 12 | 12 |
|
| 1,5 | 2,5 | 1 | 1,5 | 2 | 1 | 4 | 10 | 6 |
|
| 1,53 | 1,28 | 1,38 | 2,19 | 2,3 | 1,97 | 1,8 | 1,31 | 1,07 |
11. Розрахункові значення струмів окремих ділянок
Характеристики
Тип файла документ
Документы такого типа открываются такими программами, как Microsoft Office Word на компьютерах Windows, Apple Pages на компьютерах Mac, Open Office - бесплатная альтернатива на различных платформах, в том числе Linux. Наиболее простым и современным решением будут Google документы, так как открываются онлайн без скачивания прямо в браузере на любой платформе. Существуют российские качественные аналоги, например от Яндекса.
Будьте внимательны на мобильных устройствах, так как там используются упрощённый функционал даже в официальном приложении от Microsoft, поэтому для просмотра скачивайте PDF-версию. А если нужно редактировать файл, то используйте оригинальный файл.
Файлы такого типа обычно разбиты на страницы, а текст может быть форматированным (жирный, курсив, выбор шрифта, таблицы и т.п.), а также в него можно добавлять изображения. Формат идеально подходит для рефератов, докладов и РПЗ курсовых проектов, которые необходимо распечатать. Кстати перед печатью также сохраняйте файл в PDF, так как принтер может начудить со шрифтами.
.
і відповідним приведеним моментам навантаження. Вибрати стандартні перерізи.














