150506 (566882)
Текст из файла
Федеральное агентство ж/д транспорта
Уральский Государственный Университет Путей Сообщения
Кафедра ТОЭ
Отчет по лабораторной работе на тему:
«Основные законы электрических цепей»
Екатеринбург
2008 г.
Цель работы: экспериментальная проверка законов Киргофа. Принцип наложения и взаимности.
1. Измерения.
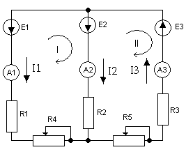
Соберем схему (рис.1) и на основе показаний амперметров замерим токи I1, I2, I3 при поочередном включении источников ЭДС Е1, Е2, Е3. На основании полученных данных заполним таблицу 1.
Рисунок 1
Таблица 1
| Вкл. | I1(мА) | I2(мА) | I3(мА) | ∑I(мА) |
| Е1 | 37 | -23 | -14 | 0 |
| Е2 | -24 | 36 | -12 | 0 |
| Е3 | 6 | 6 | -12 | 0 |
| Все | 19 | 19 | -38 | 0 |
| ∑ част. токов | 18 | 18 | -38 | 0 |
Теперь при помощи вольтметра померим значения напряжений на клеммах источников ЭДС и на резисторах. Полученные данные занесем в таблицу2.
Таблица 2
| Е1 | Е2 | Е3 | U1 | U2 | U3 | U4 | U5 |
| 5,2 | 5,2 | 2,6 | 1,6 | 1,6 | 3,3 | -- | 2,7 |
2. Расчеты
Теперь, когда мы знаем токи и падения напряжения на резисторах мы можем рассчитать их сопротивления.
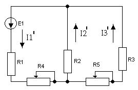
Нахождение токов методом наложений.
Рисунок 2
Рисунок 3
Рисунок 4
Нахождение токов по второму закону Киргофа
Рисунок 5
Характеристики
Тип файла документ
Документы такого типа открываются такими программами, как Microsoft Office Word на компьютерах Windows, Apple Pages на компьютерах Mac, Open Office - бесплатная альтернатива на различных платформах, в том числе Linux. Наиболее простым и современным решением будут Google документы, так как открываются онлайн без скачивания прямо в браузере на любой платформе. Существуют российские качественные аналоги, например от Яндекса.
Будьте внимательны на мобильных устройствах, так как там используются упрощённый функционал даже в официальном приложении от Microsoft, поэтому для просмотра скачивайте PDF-версию. А если нужно редактировать файл, то используйте оригинальный файл.
Файлы такого типа обычно разбиты на страницы, а текст может быть форматированным (жирный, курсив, выбор шрифта, таблицы и т.п.), а также в него можно добавлять изображения. Формат идеально подходит для рефератов, докладов и РПЗ курсовых проектов, которые необходимо распечатать. Кстати перед печатью также сохраняйте файл в PDF, так как принтер может начудить со шрифтами.
















