150464 (566879)
Текст из файла
Лабораторна робота № 6 (2 години)
Тема: Визначення питомого опору провідника
1. Мета роботи: виміряти питомий опір дроту; набути навичок користування амперметром, вольтметром, мікрометром.
2. Прилади і обладнання:
Дріт з матеріалу з великим питомим опором, натягнутий на дерев’яну планку
Лабораторний амперметр (шкільний)
Лабораторний вольтметр (шкільний)
Акумулятор
Вмикач
Реостат на 6-10 Ом і 2 А
Мікрометр
Лінійка з ціною поділки 1 мм
З’єднувальні провідники 7 шт.
Загальні теоретичні положення
Електричний струм у металі – це впорядкований рух вільних зовнішніх його електронів по провіднику під дією електричного поля. Метали мають кристалічну решітку, в вузлах якої знаходяться позитивно заряджені іони, між якими рухаються вільні зовнішні електрони. Позитивно заряджені іони лише коливаються навколо власних положень рівноваги і не пересуваються у металі під впливом електричного поля. Атом, що втратив кілька власних зовнішніх електронів стає позитивним іоном. Електрони, що створюють електричний струм, під час руху частково стикаються та взаємодіють з іонами кристалічної решітки, що затримує їх рух. Тому вважають, що з боку метала існує опір R до впорядкованого руху електронів.
Чим більше довжина провідника l, тим більша кількість іонів зустрічається на шляху електронів і тому опір R провідника більший. Чим менша площа S поперечного січення провідника, тим менша кількість проміжків між іонами і електронам важче одночасно пройти між іонами без взаємодії з ними, що збільшує опір провідника.
З математичної точки зору питомий опір матеріалу ρ є коефіцієнтом пропорційності між опором та геометричними параметрами провідника, а з фізичної точки зору він характеризує здатність різних речовин проводити скрізь себе електричний струм, якщо геометрична форма провідників однакова.
Питомий опір матеріалу ρ можна обчислити, використовуючи формули 1, 2:
, (1)
, (2)
де R – опір провідника, Ом;
ρ – питомий опір провідника, Ом·м;
l – його довжина, м;
S – площа поперечного перетину провідника (площа круга), м2;
r – радіус провідника, м;
d – діаметр провідника, м.
Опір провідника R можна обчислити за законом Ома для ділянки кола, якщо скласти електричне коло за схемою, поданою на малюнку 1 і виміряти амперметром силу струму I, а вольтметром - напругу U.
У цьому випадку питомий опір ρ провідника визначається з формули 1 з урахуванням формули 2 і матиме вигляд:
, (3)
або врахувавши закон Ома для ділянки кола
, (4)
де U – напруга на ділянці дроту з великим питомим опором, В;
І – сила струму у електричному колі, А.
Малюнок 1 – Електричне коло
Порядок виконання роботи
4.1. Скласти електричне коло за схемою, що зображено на малюнку 1. Змінюючи положення повзунка реостата, підібрати силу струму не більшу за 0,5 А (щоб не перевантажити джерело струму).
Виміряти силу струму і напругу на досліджуваному опорі при цій силі струму.
Виміряти довжину провідника лінійкою, а діаметр дроту – мікрометром у трьох-чотирьох місцях. Якщо результати вимірювань діаметра дроту різні, то обчислити середнє значення діаметра.
Обчислити приблизне значення питомого опору провідника за формулою 4.
Визначити інструментальні похибки вимірювальних приладів і похибки їх відліку. Обчислити максимальні абсолютні і відносні похибки вимірювальних величин. Обчислити максимальні відносну і абсолютну похибки вимірювання питомого опору провідника.
Записати результат вимірювання питомого опору ρ провідника і значення його відносної помилки δ у вигляді:
, (5)
(4)
За допомогою довідника визначити матеріал провідника.
(Використовуйте таблицю питомих опорів різних речовин, наприклад, у збірнику задач і запитань Р.А. Гладковой, 1988 року видання на сторінці 380)
Контрольні запитання
Що таке питомий опір і в яких одиницях його вимірюють?
Як зміниться опір провідника, якщо його довжину збільшити у 2 рази?
Чому і у скільки разів при паралельному з’єднанні двох однакових провідників їх загальний опір зменшується?
Навіщо для виготовлення нагрівних приладів застосовують провідники з великим питомим опором, а для підвідних провідників – з малим?
У скільки разів зміниться опір провідника (без ізоляції), якщо його зігнути удвічі і спружнити?
Як зміниться показ амперметра, якщо від схеми, яка показана на малюнку 2, перейти до схеми на малюнку 3? Напруга залишається сталою.
Малюнок 2 – Схема Малюнок 3 – Схема
5,7 Мідний і алюмінієвий провідники мають однакові лінійні розміри. У якого провідника більший опір і у скільки разів? (Використовуйте таблицю питомих опорів різних речовин, наприклад, у збірнику задач і запитань Р.А. Гладковой, 1988 року видання на сторінці 380)
Висновки
Оформлення звіту
Лабораторна робота № 7 (2 години)
Тема: Дослідження залежності потужності та ККД джерела струму від його навантаження
1. Мета роботи: визначити повну і корисну потужність, а також ККД джерела струму. Побудувати графік залежності корисної потужності струму від опору, а також ККД від опору. Довести дослідним шляхом, що при найбільшої потужності ККД джерела струму приблизно дорівнює 50%.
2. Прилади і обладнання:
Амперметр
Вольтметр
Реостат
Два вимикача
Знижувальний трансформатор (або батарея гальванічних елементів)
З’єднувальні дроти 7 шт.
Загальні теоретичні положення
Джерело струму виконує роботу по переміщенню вільних носіїв заряду вздовж провідника по замкненому електричному колу. Робота джерела струму характеризується швидкістю її виконання (потужністю), тобто, кількістю роботи, що виконується за одиницю часу. Потужність N електроприладу визначається добутком напруги U, що є на його клемах, на силу струму I, що проходить скрізь нього. Силу струму у електричному колі можна регулювати, змінюючи його опір, наприклад, за допомогою реостата. Отже, змінюючи загальний опір кола, змінюється сила струму у колі і потужність електроприладів. Під навантаженням джерела струму розуміють загальну потужність електричного кола.
Коефіцієнт корисної дії (ККД) джерела струму залежить від його навантаження, що можна визначити дослідним шляхом. Дуже важливо знати оптимальне значення навантаження для роботи джерела струму з мінімальними втратами електроенергії.
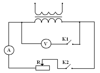
Електросхема складається: з джерела струму, двох котушок знижувального трансформатора, реостата, амперметра, вольтметра, двох вимикачів і 7 з’єднувальних металевих провідників.
Малюнок 1 – Електросхема дослідної установки
Повна потужність Nзаг складається з потужностей джерела струму і споживачів та знаходиться з формули 1:
(1)
Корисну потужність Nкор (потужність приладів споживачів) знаходимо з формули 2:
(2)
Отже, ККД джерела струму розраховуємо так:
(3)
де η – ККД джерела струму;
E – ЕРС джерела струму;
Nкор – корисна потужність, Вт;
Nзаг – повна потужність, Вт;
І – сила струму, А;
U – напруга, В.
Порядок виконання роботи
Накресліть таблицю 1
Таблиця 1 – Дані вимірювань і обчислень
| № | Е, (В) | U, (B) | I, (A) | R, (Ом) | Nкор, (Вт) | Nзаг, (Вт) | η |
Скласти схему, яка зображена на малюнку 1.
Підключити вольтметр до джерела струму (ключ К1 ввімкнутий, а ключ К2 – вимкнутий) та виміряти ЕРС джерела струму. Так як опір вольтметра R значно більше опору джерела струму r, то через нього проходе дуже малий струм і, тому, потужністю вольтметра можна знехтувати, отже, він наближено показує величину ЕРС джерела струму.
Встановити максимальний опір реостата, ввімкнути ключи К1 і К2. Зменшуючи поступово опір реостату, виміряти 8-10 значень напруги і відповідних значень сили струму. За формулами 1, 2 для кожного значення сили струму і напруги обчислити Nкор і Nзаг.
За законом Ома для ділянки кола знайти опір:
, (4)
де R – опір зовнішньої ділянки кола, Ом.
За формулою 3 обчисліть ККД джерела струму.
Побудувати графіки залежностей корисної потужності і ККД від опору зовнішньої ділянки кола за формулами:
, (5)
(6)
З
апишіть результати вимірювань і обчислень в таблицю 1.
Контрольні запитання
Запишіть формули закону Ома для ділянки та повного кола, назвіть фізичні величини, що в них присутні та їх одиниці вимірювання.
Як правильно підключити вольтметр та амперметр до споживача? Яким умовам повинні відповідати їх опори?
Визначить ціну поділки приладу, якщо на його шкалі між цифрами 10 і 12 знаходиться 5 поділок, 4 поділки? Визначить ціну поділки приладів, що використуються у роботі, та максимальні значення, які можна виміряти.
Навіщо повзунок реостата ставлять у положення, що відповідає максимальному його опору, перед вмиканням ключа?
Як визначити потужність електроприладу, якщо відомі його опір і сила струму у ньому; опір і напруга на його затискачах?
Чому ККД будь-якого приладу завжди менше одиниці? Як визначають ККД приладу?
Обчисліть роботу електричного струму за 1 хвилину, якщо потужність електроплитки 2 кВт. Чи достатньо цієї енергії для нагрівання води масою 1 кг від 0 0С до кипіння, якщо відсутні теплові втрати енергії у навколишнє середовище?
Висновки
Оформлення звіту
Лабораторна робота № 8 (2 години)
Тема: Спостереження дії магнітного поля на струм
1. Мета роботи: дослідити взаємодію провідника зі струмом і магніту. Набути практичних навичок у визначенні напряму руху провідника зі струмом у магнітному полі.
2. Прилади і обладнання:
Джерело постійного струму
Штабовий магніт
Характеристики
Тип файла документ
Документы такого типа открываются такими программами, как Microsoft Office Word на компьютерах Windows, Apple Pages на компьютерах Mac, Open Office - бесплатная альтернатива на различных платформах, в том числе Linux. Наиболее простым и современным решением будут Google документы, так как открываются онлайн без скачивания прямо в браузере на любой платформе. Существуют российские качественные аналоги, например от Яндекса.
Будьте внимательны на мобильных устройствах, так как там используются упрощённый функционал даже в официальном приложении от Microsoft, поэтому для просмотра скачивайте PDF-версию. А если нужно редактировать файл, то используйте оригинальный файл.
Файлы такого типа обычно разбиты на страницы, а текст может быть форматированным (жирный, курсив, выбор шрифта, таблицы и т.п.), а также в него можно добавлять изображения. Формат идеально подходит для рефератов, докладов и РПЗ курсовых проектов, которые необходимо распечатать. Кстати перед печатью также сохраняйте файл в PDF, так как принтер может начудить со шрифтами.















