124974 (566721), страница 2
Текст из файла (страница 2)
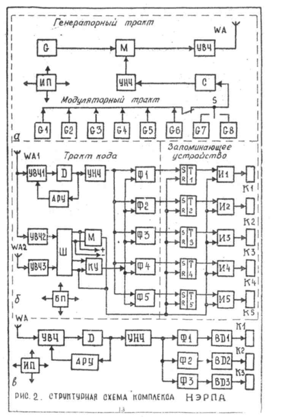
Приемник сигналов информации НПИ-1 входит в комплекс аппаратуры НЭРПА.
2 ЭКСПЕРИМЕНТАЛЬНЫЕ ИССЛЕДОВАНИЯ
Порядок выполнения работы:
-
Изучите назначение аппаратуры НЭРПА, ее функциональные, возможности;, состав и конструктивные особенности.
-
Ознакомьтесь с комплексом устройств НЭРПА, расположенным на стенде, измерительными приборами и инструментом.
-
Измерьте сопротивление изоляции токоведущих частей относительно корпуса и данные защитите в отчет.
-
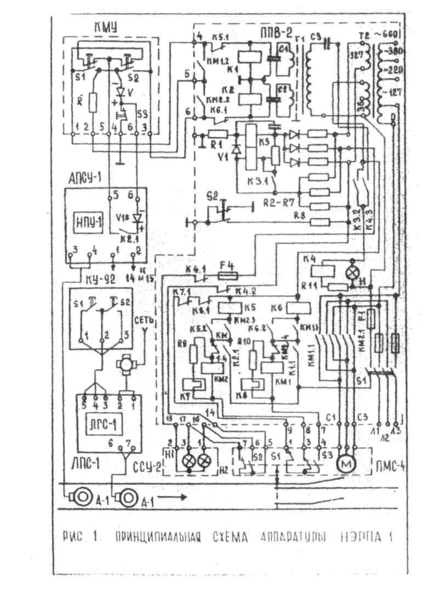
Проверьте правильность подключения устройств комплекса НЭРПА в соответствии с рис. I.
-
Подайте напряжение питания на устройства комплекса НЭРПА
-
Нажмите кнопку поста управления КУ-92 РВ, переметайте антенну А-1 передатчика ЛПС-1 на разных расстояниях от антенны А-1 приенннка БПУ. Зафиксируйте, на. каких расстояниях (по вертикали и горизонтали) между антеннами происходит срабатывание НПУ.
-
Проверьте работу приемника НПИ с помощью генератора. ГЧП-1 в последовательности:
подключите антенну А-1 к генератору ГЧП с помощью кабеля длиной 1-1,5 м и вилки и проверьте передатчик ЛПС-1 в такой последовательности:
на зажимах блока генераторов в аппарате ЛГС-1 отсоедините перемычки, с помощью которых набирается код номера электровоза; подайте напряжение питания на генератор ЛГС-1; антенну А-1, подключенную к генератору ЛГС-1, перемешайте параллельно антеннам приемников НПУ и НПИ-1 на высоте 500 мм; приемник НПУ-3 (1660 Гц) при этом должен сработать; при нажатии одной из кнопок поста КУ-92РВ должен сработать один из приемников - НПУ-1 (705Гц) или НПУ-2(795Гц); с помощью перемычек в соответствии с таблицей I установите в генераторе ЛГС-1 необходимый номер; перемешайте антенну генератора ЛГС-1 на расстоянии 500 мм над антеннами приемника НПЙ-1;
проверьте срабатывание приемника соответственно набранному номеру и направлению перемещения антенны генератора; проверьте работу аппаратуры при движении электровоза, при прохождении электровоза в зоне связи с антеннами приемник НПИ -I должен выдать кодированный сигнал, соответствующий номеру электровоза и направлению движения.
-
Измерьте напряжение на выходе генераторов и входе приемников цифровым вольтметром, а частоту - цифровым частотомером.
Таблица 2.1 – Назначения генераторов G
| Генератор | Частота, Гц | Назначение |
| G1 | 1470 | Двоичный код, обозначающий номер электровоза |
| G2 | 1300 | |
| G3 | 1150 | |
| G4 | 1020 | |
| G5 | 900 | |
| G6 | 1660 | Сигнал неисправности электровоза |
| G7 | 795 | Дистанционный перевод стрелок |
| G8 | 705 |
Все сигналы с генераторов G1 – G8 модулируются амплитудно на несущий сигнал частотой 11 кГц.
Выводы: В ходе выполнения лабораторной работы были изучены назначения, функциональне возможности и конструкция комплекса устройств НЭРПА. Так же были выяснены назначения и рабочие частоты формирующих генераторов G1 – G8 (см. таблю 2.1)
















