123722 (566696), страница 2
Текст из файла (страница 2)
Дисплей – жидкокристаллический, символьный - 2 строки и знаков;
Управление - 4 кнопки;
Индикация – 8 светодиодов состояния дискретных выходов
1.12. ЧАСЫ-КАЛЕНДАРЬ
Поддержка индикации текущего времени и календарной да
·Энергонезависимость – не менее 300 часов.
1.13. ИСТОЧНИК НАПРЯЖЕНИЯ ПОСТОЯННОГО ТОКА
(только для исполнений МС8.2х2хххх)
Напряжение - 24 В, допускаемое отклонение - от 22 до 25.5
Ток нагрузки - не более 100 мА.
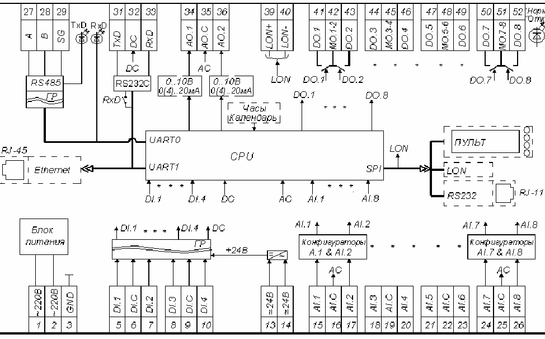
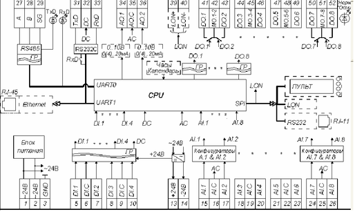
3.2 ОПИСАНИЯ ФУНКЦИОНАЛЬНЫХ СХЕМ
Функциональные схемы контроллера МС8 показаны на рис.2 и рис.3
Примечания к рис. 1:
Узлы, показанные пунктиром, являются переменными данными;
- гальванический разделитель (ГР);
CPU- центральный процессор;
AC – общая точка аналоговая;
DC – общая точка дискретная;
Обозначения входов и выходов:
AI – аналоговый вход AO – аналоговый выход
AI.C – общая точка аналоговых. AO.C – общая точка аналоговых входов выходов
DI – дискретный вход DO – дискретный выход
DI.C – общая точка дискретных MO.j-k–средняя точка между DO.j входов и DO.k
Для исполнений МС8.1х1хххх с транзисторными выходными ключами
MO.j-k и DC объединены;
Для МС8.2х2хххх клеммы 13, 14 являются выходом источника напряжения 24 В постоянного тока для питания датчиков.
Основой контроллеров является плата, на которой расположены все элементы базового модуля. Базовый модуль выпускается в двух исполнениях: для питания от сети ~220B с транзисторными выходными ключами и для питания от ~24B с симисторными выходными ключами (с гальванической изоляцией).
Центральный процессор (СPU) представляет cобой однокристальный микроконтроллер С8051, включающий многоканальные аналого-цифровой и цифро аналоговый преобразователи и поддерживающий несколько видов последовательных интерфейсов.
Аппаратное устройство ввода информации содержит гальванический разделитель (ГР) для дискретных входных сигналов DI.1…DI.4 и конфигураторы для аналоговых входных сигналов AI.1…AI.8.
Аппаратное устройство вывода информации включает в себя "сухие" ключи дискретных выходных сигналов D0.1…D0.8 и конфигурируемое устройство преобразования аналоговых выходных сигналов А0.1, А0.2.
Блок питания формирует напряжения постоянного тока для питания всех узлов контроллера.
Рисунок 2 - Функциональная схема контроллера МС8.1х1хххх (на ~220 В)
Рисунок 3 - Функциональная схема контроллера МС8.2х2хххх (на ~24 В)
4. НАЗНАЧЕНИЕ И ОСНОВНЫЕ ФУНКЦИИ КОНТРОЛЛЕРОВ МС5
Контроллеры измерительные МС5 (в дальнейшем контроллеры МС5) являются элементом комплекса модульных устройств КОНТАР (КМ800).
Контроллеры МС5 предназначены для автоматизации и мониторинга промышленных объектов, в частности, установок приточной вентиляции и кондиционирования воздуха (например, вентиляторных доводчиков типа "Fan Coil").
Контроллеры выполняют следующие основные функции:
• измерение и преобразование в цифровую форму сигналов, поступающих от аналоговых и дискретных датчиков технологических параметров;
• формирование дискретных и аналоговых выходных сигналов для непосредственного управления электрическими исполнительными механизмами и пусковыми устройствами вентиляторов, компрессоров, обогревателей и другого оборудования;
• формирование алгоритмов функционирования, необходимых для управления конкретными технологическими процессами;
• вывод информации на дисплей встроенного пульта управления или на виртуальную панель на экране монитора компьютера, Notebook, PDА или другого средства вычислительной техники, сочлененного с контроллером по каналу интерфейсной связи;
• обеспечение связи через интерфейс RS485 между контроллерами и другими приборами комплекса.
4.1 ОСНОВНЫЕ ТЕХНИЧЕСКИЕ ДАННЫЕ И ХАРАКТЕРИСТИКИ
УСЛОВИЯ ЭКСПЛУАТАЦИИ
Температура воздуха: от 5 до 50 С
Относительная влажность: не более 80%, без конденсата;
Атмосферное давление: от 86 до 106,7кПа;
Вибрация: амплитуда не более 0,1мм с частотой не более 25Гц;
Агрессивные и взрывоопасные компоненты в окружающем воздухе должны отсутствовать.
ТРЕБОВАНИЯ К ПИТАНИЮ
Номинальное напряжение переменного тока: 220 В;
Допускаемые отклонения напряжения питания: от 187 до 242 В;
Частота: от 48 до 62 Гц;
Потребляемая мощность: не более 6 ВА.
КОНСТРУКТИВНОЕ ИСПОЛНЕНИЕ
Корпус: OKW Railtec, тип 157, версия 1;
Габаритные размеры: 157х86х58,5 мм;
Масса: не более 0,8 кг;
Монтаж: на DIN-рельс по стандарту DINEN 50 022;
Подключение внешних соединений:
35 клемм под винт (максимальное сечение провода 2,5 мм );
разъем RJ-11 для подключения дополнительного интерфейса RS232C;
Степень защиты: IP20.
ДИСКРЕТНЫЕ ВХОДЫ
Количество входов: 4;
Вид сигнала: "сухой" ключ;
Напряжение на ключе: 18 В постоянного тока;
Ток через ключ: 5 мА постоянного тока;
Гальваническая изоляция от аналоговых входных и дискретных выходных цепей;
Частота коммутации: не более 300 Гц.
АНАЛОГОВЫЕ ВХОДЫ
Количество входов: 5;
Типы подключаемых первичных преобразователей, диапазон измерения сигнала и основная погрешность измерения представлены в таблице 2.
ДИСКРЕТНЫЕ ВЫХОДЫ (всего 5)
Релейные выходы
Количество выходов: 3;
Тип выхода: "сухой" контакт реле на переключение;
Максимальное напряжение: 250 В переменного тока 50(60) Гц;
Коммутируемый ток: от 0 до 3 А;
Гальваническая изоляция от всех остальных цепей.
Симисторные выходы
Количество выходов: 2;
Тип выхода: "сухой" симисторный ключ;
Максимальное напряжение переменного тока 50(60) Гц: 380 В;
Коммутируемый ток: от 0,02 до 0,8 А;
Падение напряжения на замкнутом ключе: не более 6 В;
Гальваническая изоляция от всех остальных цепей.
АНАЛОГОВЫЕ ВЫХОДЫ
Количество выходов: 1;
Погрешность ЦАП: не более 4%;
Возможные диапазоны сигналов:
- от 0(4) до 20 мА постоянного тока на нагрузку не более 0,5 кОм;
- от 0 до 10 В постоянного тока на нагрузку не менее 2 кОм;
Гальваническая изоляция от аналоговых входных и дискретных выходных цепей.
ИНТЕРФЕЙС
RS485 на частоте 57600 Бод.
ДОПОЛНИТЕЛЬНЫЙ ИНТЕРФЕЙС
RS232С на частоте 115200Бод.
ДИАГНОСТИКА
Светодиод статуса контроллера "Норма/Отказ":
Светодиоды "RS485-прием", "RS485-передача".
ВСТРОЕННЫЙ ПУЛЬТ УПРАВЛЕНИЯ
Дисплей: жидкокристаллический, символьный - 2 строки по 16 знаков;
Управление: 4 кнопки;
Индикация: 5 светодиодов состояния дискретных выходов.
ИСТОЧНИК НАПРЯЖЕНИЯ ДЛЯ ПИТАНИЯ ДАТЧИКОВ
Номинальное напряжение – 18 В постоянного тока;
Допускаемые отклонения напряжения – от 13 до 22 В;
Ток нагрузки – не более 40 мА.
ЧАСЫ-КАЛЕНДАРЬ
Поддержка индикации текущего времени и календарной даты;
Энергонезависимость – не менее 300 часов.
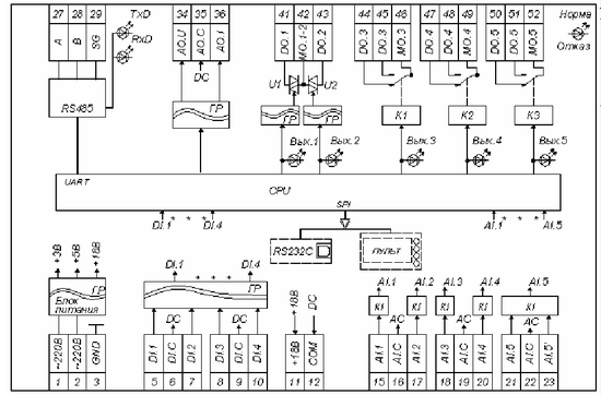
4.2 ОПИСАНИЕ ФУНКЦИОНАЛЬНОЙ СХЕМЫ
Функциональная схема контроллера МС5 показана на рис.4
Основой контроллеров является плата, на которой расположены все элементы базового модуля.
Центральный процессор (СPU) представляет собой однокристальный микроконтроллер С8051F311, включающий многоканальный аналого-цифровой преобразователь и поддерживающий несколько видов последовательных интерфейсов.
Аппаратное устройство ввода информации содержит гальванический разделитель (ГР) для дискретных входных сигналов DI.1…DI.4 и конфигураторы К) для аналоговых входных сигналов AI.1…AI.5.
Рисунок 4 - Функциональная схема контроллера МС5
Узлы, показанные пунктиром, являются переменными данными;
- Гальванический разделитель;
AC – общая точка аналоговая; DC – общая точка дискретная;
Обозначения входов и выходов:
AI – аналоговый вход AO – аналоговый выход
AI.C – общая точка AO.C – общая точка аналоговых входов выходов
DI – дискретный вход DO – дискретный выход
DI.C – общая точка MO – средняя точка между парой дискретных входов дискретных выходов
Аппаратное устройство вывода информации включает в себя "сухие" ключи дискретных выходных сигналов D0.1…D0.5 и устройство преобразования аналоговых выходных сигналов А0.U, А0.I, с гальваническим разделителем ГР.
Блок питания формирует напряжения постоянного тока для питания всех узлов контроллера и внешних устройств (датчиков).
Интерфейсы:
На основной плате: RS485;
Выполненный в виде дополнительно подключаемого интерфейсного субмодуля либо входящий в состав пульта: RS232С.
Пульт управления: субмодуль, используется в качестве устройства ввода вывода информации и для ручного управления выходами контроллера. Имеет полнения:
МД8.1 – без часов и узла интерфейса RS232С;
МД8.1-01 – с часами и узлом интерфейса RS232С (для исполнения МС5.111).
















