49224 (566565)
Текст из файла
Кафедра ЭВА
Отчет по лабораторной работе
по дисциплине:
"Теория основы построения вычислительных комплексов и систем"
Лабораторную работу выполнили
студенты группы С-65
Бобылева А.А.
Овсиенко А.Ю.
Сергеенкова А.А.
Преподаватель Тув А.Л.
Москва 2007 г.
1. Изучение инвертирующей схемы ОУ
Схема:
А). Ключ замкнут на землю. АЧХ снимается при трёх положениях потенциометра:
Ку<1;
Временная диаграмма:
f=10kHz
f=25kHz
Ку>1;
Ку=1
Б). Ключ замкнут на потенциометр.
Ку>1;
Выходной сигнал имеет синусоидальный вид при Uвх=5В, частоте - 100Hz. При увеличении сопротивления происходит обрезание выходного сигнала сверху. Тоже самое происходит при уменьшении, только обрезание сигнала происходит снизу.
2. Изучение неинвертирующей схемы ОУ
Схема:
Временная диаграмма:
При трех положениях движка снять АЧХ:
Ку<1;
Ку>1;
Ку=1.
3. Интегратор и дифференциатор. Изучить поведение обеих схем при подаче прямоугольных импульсов
А). Интегратор.
Схема:
;
перейдем от неопределенных интегралов к определенным:
,
следовательно,
зависит от начальных условий.
; Если
, то
.
При подаче прямоугольных импульсов.
При подаче гормональных импульсов:
Временная диаграмма:
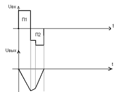
Б). Дифференциатор.
;
;
;
;
,
приравняем правые части этих уравнений:
Дифференциатор является усилителем высокой частоты (УВЧ).
Если
.
Схема:
При подаче прямоугольных импульсов.
Временная диаграмма:
Схема дифференциатора склонна к самовозбуждению. Под самовозбуждением понимается наличие
при
Причина самовозбуждения - инерционность транзистора. Инерционность транзистора ввиду того, что скорость движения основных носителей заряда не бесконечна. Это приводит к тому, что приращения выходных токов транзистора отстают от входных токов.
Особенно это сказывается на высоких частотах.
Эпюры:
Временная диаграмма:
АЧХ:
Подача гормонального сигнала.
Временная диаграмма:
4. Фильтры
А). ФНЧ.
Фильтром низких частот называется электронное устройство, пропускающее низкочастотные составляющие спектра проходящего через него сигнала и ослабляющее высокочастотные.
Схема:
Временная диаграмма:
Б). ФВЧ.
Фильтром высоких частот называют устройство, пропускающее высокие частоты и ослабляющее (срезающее) низкие частоты.
Схема:
Временная диаграмма:
Характеристики
Тип файла документ
Документы такого типа открываются такими программами, как Microsoft Office Word на компьютерах Windows, Apple Pages на компьютерах Mac, Open Office - бесплатная альтернатива на различных платформах, в том числе Linux. Наиболее простым и современным решением будут Google документы, так как открываются онлайн без скачивания прямо в браузере на любой платформе. Существуют российские качественные аналоги, например от Яндекса.
Будьте внимательны на мобильных устройствах, так как там используются упрощённый функционал даже в официальном приложении от Microsoft, поэтому для просмотра скачивайте PDF-версию. А если нужно редактировать файл, то используйте оригинальный файл.
Файлы такого типа обычно разбиты на страницы, а текст может быть форматированным (жирный, курсив, выбор шрифта, таблицы и т.п.), а также в него можно добавлять изображения. Формат идеально подходит для рефератов, докладов и РПЗ курсовых проектов, которые необходимо распечатать. Кстати перед печатью также сохраняйте файл в PDF, так как принтер может начудить со шрифтами.
















