лаба2_Елисеев_копия (564290), страница 2
Текст из файла (страница 2)
Значение
берем равным градиенту усилия, чтобы считать усилие на педалях Рп (Н) и перемещение педалей Хп (мм) пропорциональными, с коэффициентом пропорциональности 1.
Причинами кренения самолета при отклонении руля направления являются моменты
и
. Для анализа реакции самолета на отклонение руля направления используем упрощенную систему уравнений (пренебрегаем влиянием силы тяжести и боковой силы руля направления на угол скольжения, учитывая, что вектор скорости под их влиянием поворачивается медленно, считаем угол атаки малым):
После преобразования по Лапласу этой системы, получим:
Составим и раскроем определитель системы
,
где
и
.
Заменив в полученном определителе соответствующие столбцы величинами
и
, получим
,
,
.
Здесь
.
Передаточные функции по соответствующим координатам, характеризующие реакцию самолета на отклонение руля направления, будут иметь вид
,
,
.
Для отыскания передаточных функций по углу крена
, углу рыскания
и нормальной перегрузке
воспользуемся соотношениями
После преобразования по Лапласу этих уравнений, получим:
Передаточная функция по углу крена
:
,
.
Передаточная функция по углу рыскания
:
,
.
Передаточная функция по перегрузке
:
,
.
Полученные передаточные функции объясняют поведение приведенных ниже графиков переходных процессов.
Для анализа реакции по крену на отклонение руля направления рассмотрим полученную передаточную функцию
.
Прямая или обратная реакция по крену будет определяться отношением частот
и
. Если это отношение больше нуля, будет иметь место обратная реакция по крену, в противном случае – прямая:
.
В данном случае реакция по крену – прямая, что является предпочтительным, так как крен помогает развороту с помощью угла скольжения.
Графики переходных функций характеристик самолета.
1)
.
.
Т.к.
- коэффициент, определяющий путевую статическую устойчивость, то при наличии
возникает восстанавливающий момент, стремящийся уменьшить этот угол.
сначала имеет знак, совпадающий с
, а затем знак меняется на противоположный из-за нарастания угла крена. В результате получается колебательный процесс вдоль возрастающей прямой.
2)
.
, т.е. реакция соответствует реакции колебательного звена.
Найдем перерегулирование:
.
Найдем установившееся значение:
3)
.
4)
.
Колебательность возникает за счет колебаний угла скольжения
. График растет по параболе.
6) Значение перегрузки
.
В начальный момент времени
,
,
, следовательно, начальный заброс по перегрузке положительный.
,
,
.
-
Анализ реакции самолета на отклонение элеронов.
Зададим управляющее воздействие
и
. Значение
берем равным 10PЭ, чтобы считать усилие на ручке и её перемещение пропорциональными с коэффициентом пропорциональности 10.
Найдем величину градиента
:
.
Сравним полученные оценки градиентов со значениями, рассчитанными по формулам, не учитывающим перекрестные связи:
,
.
Органы поперечного управления создают момент не только продольной оси самолета ОХ (
), но в общем случае и момент
.Направление этого момента и его величина могут существенно меняться, оказывая влияние различного характера на поперечную управляемость самолета. Чтобы проанализировать это влияние, опишем движение самолета при отклонении элеронов (или других органов поперечного управления) на угол
с помощью следующей упрощенной системы дифференциальных уравнений (пренебрегаем влиянием сил гравитации,
,
):
После преобразования по Лапласу этой системы, получим:
Составим и раскроем определитель системы
,
где
и
.
Заменив в полученном определителе соответствующие столбцы величинами
и
, получим
,
,
.
Здесь
.
Передаточные функции по соответствующим координатам, характеризующие реакцию самолета на отклонение руля направления, будут иметь вид
,
,
.
Для отыскания передаточных функций по углу крена
, углу рыскания
и нормальной перегрузке
воспользуемся соотношениями
После преобразования по Лапласу этих уравнений, получим:
Передаточная функция по углу крена
:
,
.
Передаточная функция по углу рыскания
:
,
.
Передаточная функция по перегрузке
:
,
.
Полученные передаточные функции объясняют поведение приведенных ниже графиков переходных процессов.
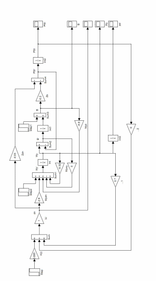
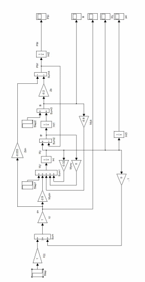
Структурная схема
Графики
1)
.
2)
.
График имеет вид параболы, т.к.
имеет вид наклонной прямой.
Вывод: при отклонении рулей видны значительные, медленно затухающие колебания по углу скольжения и угловым скоростям, полученные значения динамических и статических характеристики управляемости не удовлетворяют требованиям по управляемости и должны быть улучшены.
-
Расчет системы улучшения устойчивости и управляемости.
Для того, чтобы получить показатели, удовлетворяющие требованиям летчика, необходимо демпфировать колебания. Для этого необходимо подобрать
и ввести ООС по выходным переменным
.
К характеристикам управляемости ЛА для обеспечения хорошей управляемости предъявляются следующие требования:
По динамическим характеристикам:
,
,
.
По статическим характеристикам:
- коэффициент передачи проводки управления,
- градиент перемещения рычага управления.
Желаемые характеристики управляемости:
Передаточные числа СУ:
Управляющее воздействие
Графики переходных функций характеристик самолета при улучшенных параметрах.
График изменения углового ускорения
:
График изменения угла скольжения
:
График изменения
:
График изменения угла рыскания
:
График отклонения руля направления
:
Выводы.
В данной лабораторной работе мы изучили боковое движение самолета с помощью программы моделирования на компьютере и в среде моделирования Matlab. Были рассмотрены переходные процессы по координатам ЛА без системы улучшения устойчивости и управляемости (СУУ) и с ее наличием.
Из графиков переходных процессов видно, что СУУ позволяет повысить демпфирование колебаний с помощью датчика угловой скорости рыскания, быстроту реакции по угловой скорости крена (с помощью соответствующего датчика), запас путевой статической устойчивости (с помощью датчика боковых линейных ускорений на угле скольжения); ослабить или устранить обратную реакцию по крену; обеспечить автономность управления углом скольжения и крена, облегчая, таким образом, реализацию плоских разворотов.
Список литературы.
-
Елисеев В.Д. Математические модели ЛА в задачах проектирования САУ: Учебное пособие. – М.: Изд-во МАИ, 1992.
-
Байдаков В.Б., Клумов А.С. Аэродинамика и динамика полетов ЛА – Машиностроение, Москва, 1979.
-
Остославский И.В., Калачев Г.С. Продольная устойчивость и управляемость самолета. – Гос. издание оборонной промышленности, Москва, 1951
-
Основы теории автоматического управления: Учебник для авиационных вузов / В.С. Булыгин, Ю.С. Гришанин, Н.Б. Судзиловский и др. Под ред. Н.Б. Судзиловского. – М.: Машиностроение, 1985.
















