Уточнение задания (561963)
Текст из файла
МОСКОВСКИЙ ГОСУДАРСТВЕННЫЙ АВИАЦИОННЫЙ ИНСТИТУТ
(ТЕХНИЧЕСКИЙ УНИВЕРСИТЕТ)
КАФЕДРА 403
Расчетно-пояснительная записка
по дисциплине «микропроцессорная техника»
Вариант №60.
Разработал ст.гр. 04-408:
________________ Сехин Е.A.
«___» ________________ 2005г.
Проверил:
_______________
«___»_______________ 2005г.
МОСКВА
2005г.
Содержание.
1.Уточнение задания.
2.Пример построения цифрового устройства.
2.1.Регистровая реализация устройства.
2.2. Схема алгоритма и операционное описание.
2.3. Разработка функциональной схемы устройства.
2.3.1. Управляющий автомат с жесткой логикой
2.3.2. Управляющий автомат с программируемой логикой.
2.3.3.Построение принципиальной схемы.
3.Список литературы.
1.Уточнение задания.
-
источник входного кода гарантирует правильность выставленной информации во время действия стробирующего импульса СТРОБ;
-
устройство подтверждает выдачу кода числа единичных символов генерацией импульса считывания УСЧИТ;
-
синхронизация внешняя с частотой ГТИ - 5 МГц.
-
смена кодов А и В осуществляется по положительному фронту импульсов ГТИ
-
длительность импульсов СТРОБ и УСЧИТ равна периоду тактовой последовательности и положительные фронты этих импульсов появляются вслед за положительным фронтом импульсов ГТИ.
-
выходной код С{1:k} - двоичный позиционный код, численный эквивалент которого равен номеру младшей/старшей "единицы" кода А{32:1}. Легко заметить, что максимальный номер младшей/старшей "единицы", равный 32, потребует формирования шестиразрядного выходного кода B{1:6}, так как (32)10 = (100000)2 (32Д = 100000B).
-
Примем, что в разрабатываемом устройстве не требуется введения внутренней индикации, и не будем пока накладывать никаких ограничений на потребляемую устройством мощность и, следовательно, на выбор оптимальной элементной базы. Эти вопросы могут быть решены при дальнейшей работе над заданием.
2.Пример построения цифрового устройства.
2.1.Регистровая реализация устройства.
В основу построения регистрового варианта устройства положим идею преобразования параллельного кода в последовательный с последующим счетом числа единичных символов. Такое преобразование должно начинаться с момента прихода входного кода и сигнала СТРОБ и заканчиваться моментом окончания счета единичных символов с генерацией импульса считывания. Таким образом, задача преобразования распадается на две подзадачи: преобразование параллельного кода в последовательный и получение выходного кода с формированием УСЧИТ.
Первая подзадача решается двумя путями: первый состоит в использовании мультиплексора, второй - сдвигового регистра. Первый вариант требует фиксации входного кода на все время преобразования. Второй вариант является более универсальным. Для его реализации достаточно выставить входной код А{1:32} на время сигнала СТРОБ.
Вторую подзадачу - формирование выходного кода - можно решить путем создания детерминированной последовательности управляющих сигналов сдвига всех разрядов кода через выходной разряд регистра, что потребует установки дополнительного счетчика циклов для получения номера обрабатываемого разряда.
Итак, задание на проектирование может быть выражено в виде функциональной схемы и эпюр напряжения, изображенных на рис. 2.1.
2.2. Схема алгоритма и операционное описание.
Соответствующее ей операционное описание синтезируемого устройства.
В теле процедуры микропрограммы у переменных РГД и СЧЕ опущено поле разрядности. В этом случае его значение берется из раздела описания переменных микропрограммы. Под воздействием сигнала УСЧИТ не выполняется никакой операции. Этот факт отображается записью символа ";" вслед за символом ":", что равносильно введению пустой микрооперации.
Текст микропрограммы:
Микропрограмма Номер_старшей/младшей_единицы;
Переменные
входные: А{32:1},B{5:0},СТРОБ;
внутренние: РГД{32:1},РГВ{5:0},РГМ{5:0},РГС{5:0},СЧ{5:0},ТР;
выходные: C{5:0}, УСЧИТ;
Признаки:
P1=СТРОБ;
P2=↓(СЧ{0:0}& СЧ{5:0});
P3= РГД{1};
P4=(СЧ=РГВ);
P5=↓РГМ{5:0};
P6=ТР;
Процедура
М1 если ùP1, то М1;
УЗП: РГД=А, РГВ=В, РГМ=0, РГС=0, РГВЫХ=0, ТР=0, СЧ=1;
М2 если P2, то М7;
если ùP3, то М6;
если ùP4, то М4;
если ùP5, то М3;
УЗРГМ: РГМ=СЧ;
М3 УЗТР: ТР=1;
идти к М5;
М4 если ùP5, то М5;
УЗРГМ: РГМ=СЧ;
М5 УЗРГС: РГС=СЧ;
М6 если P5, то М7;
УСДВ: РГД=РГД{32:2}.0,
СЧ=СЧ+1;
идти к М2;
М7 если P6, то М8;
УЗМ: C=РГМ;
идти к М9;
М8 УЗС: C=РГС;
М9 УСЧИТ: ;
конец.
2.3. Разработка функциональной схемы устройства.
Функциональная схема операционного автомата (ОА), составленная в соответствии с микропрограммой 2, изображена в приложении 1.
Задачи, решаемые управляющим автоматом - генерация управляющих сигналов
| УЗП | УЗРГМ | УЗРГС | УЗТР | УСДВ | УЗМ | УЗС | УСЧИТ |
УА может быть построен как c жесткой логикой, так и с программируемой логикой. Рассмотрим оба способа реализации.
2.3.1. Управляющий автомат с жесткой логикой
УА с жесткой логикой реализуется либо в виде классического конечного автомата, либо в виде распределителя импульсов. Конечный автомат может быть построен и как автомат Мура, и как автомат Мили. Построение графов переходов и выходов УА осуществляется на основании отмеченных граф-схем алгоритмов. На рис. 2.3 и 2.4 построены граф-схемы алгоритмов для автоматов Мура и Мили, соответствующие микропрограмме пункта 2.2 и учитывающие тот факт, что сигналы УСЧ и УСДВ являются совместными. Метки ai, отображаются в состояния автоматов, условия P1, Р2, Р3 определяют значения входных сигналов, а управляющие сигналы - значения выходных сигналов автоматов.
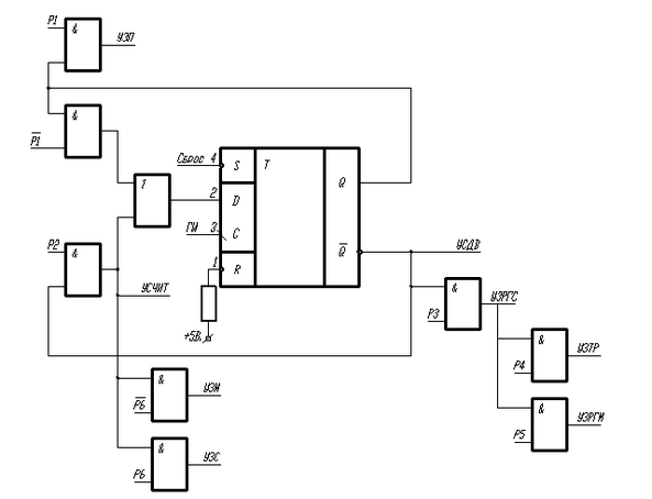
Будем строить УА как автомат Мили, поскольку он имеет только два состояния и реализуется на одном триггере. В качестве последнего возьмем D-триггер.
Осуществляем построение таблицы переходов и выходов на основании выбранного графа переходов (автомата Мили) – таблица 2.1.
таблица2.1.
| a(t) | a0 | a1 | |||||
| Q(t) P1 P2 P3 P4 P5 P6 | 1 | 0 | |||||
| 0 | - | - | - | - | - | 1 | |
| 1 | - | - | - | - | - | 0 УЗП | |
| - | - | 0 | - | - | - | 0 УСДВ | |
| - | - | 1 | 0 | 0 | - | 0 УЗРГС, УСДВ | |
| - | - | 1 | 0 | 1 | - | 0 УЗРГС, УЗРГМ, УСДВ | |
| - | - | 1 | 1 | 0 | - | 0 УЗТР,УЗРГС, УСДВ | |
| - | - | 1 | 1 | 1 | - | 0 УЗРГМ, УЗТР, УЗРГС, УСДВ | |
| - | 1 | - | - | - | 0 | 1 УЗМ, УСЧИТ | |
| - | 1 | - | - | - | 1 | 1 УЗС,УСЧИТ | |
На основании таблицы переходов и выходов УА (табл. 3) после доопределения запрещенных комбинаций получим функцию возбуждения триггера и выражения для управляющих сигналов:
D=ùP1Q +P2ùP6ùQ+ P2ùP6ùQ=ùP1Q +P2ùQ=ùP1Q + УСЧИТ (*)
УЗП=P1Q
УСДВ= ùP3ùQ+P3ùP4ùP5ùQ+ P3ùP4P5ùQ + P3P4ùP5ùQ + P3P4P5ùQ =ùQ
УСЧИТ= P2ùP6ùQ+ P2P6ùQ = P2ùQ
УЗРГС= P3ùP4ùP5ùQ+ P3ùP4P5ùQ + P3P4ùP5ùQ + P3P4P5ùQ =P3ùQ
УЗТР= P3P4ùP5ùQ+ P3P4P5ùQ = P3P4ùQ=УЗРГС*P4
УЗРГМ= P3ùP4P5ùQ+ P3P4P5ùQ = P3P5ùQ=УЗРГС*P5
УЗМ= P2ùP6ùQ=УСЧИТ*ùP6
УЗС= P2P6ùQ=УСЧИТ*P6
На основе полученных выражений получаем функциональную схему УА(рис.2.5)
рис.2.5
2.3.2. Управляющий автомат с программируемой логикой.
Составим каноническую форму микропрограммы синтезируемого операционного устройства с учетом совместимости сигналов в виде табл. 2.2.
Таблица 2.2.
| Номер | Метка | Управляющие сигналы | Переход |
| 0 | М1 | если ùP1, то М1 | |
| 1 | УЗП | ||
| 2 | М2 | если P2, то М7; | |
| 3 | если ùP3, то М6; | ||
| 4 | если ùP4, то М4; | ||
| 5 | если ùP5, то М3; | ||
| 6 | УЗРГМ,УЗТР,УЗРГС,УСДВ | ||
| 7 | идти к М2; | ||
| 8 | М3 | УЗТР,УЗРГС,УСДВ | |
| 9 | идти к М2; | ||
| 10 | М4 | если ùP5, то М5; | |
| 11 | УЗРГМ,УЗРГС,УСДВ | ||
| 12 | идти к М2; | ||
| 13 | М5 | УЗРГС,УСДВ | |
| 14 | идти к М2; | ||
| 15 | М6 | УСДВ | |
| 16 | идти к М2; | ||
| 17 | М7 | если P6, то М8; | |
| 18 | УЗМ, УСЧИТ | ||
| 19 | Идти к М9 | ||
| 20 | М8 | УЗС,УСЧИТ | |
| 21 | М9 | Конец |
Для принудительной адресации
Таблица 2.3.
| Номер | Метка | Управляющие сигналы | Переход |
| 0 | М1 | если ùP1, то М1 | |
| 1 | УЗП | ||
| 2 | М2 | если P2, то М7; | |
| 3 | если ùP3, то М6; | ||
| 4 | если ùP4, то М4; | ||
| 5 | если ùP5, то М3; | ||
| 6 | УЗРГМ,УЗТР,УЗРГС,УСДВ | идти к М2; | |
| 7 | М3 | УЗТР,УЗРГС,УСДВ | идти к М2; |
| 8 | М4 | если ùP5, то М5; | |
| 9 | УЗРГМ,УЗРГС,УСДВ | идти к М2; | |
| 10 | М5 | УЗРГС,УСДВ | идти к М2; |
| 11 | М6 | УСДВ | идти к М2; |
| 12 | М7 | если P6, то М8; | |
| 13 | УЗМ, УСЧИТ | Конец | |
| 14 | М8 | УЗС,УСЧИТ | Конец |
Формат команды с принудительной адресацией имеет вид:
| УЗП | УЗРГМ | УЗРГС | УЗТР | УСДВ | УЗМ | УЗС | УСЧИТ | ùP1 | P2 | ùP3 | ùP4 |
| ùP5 | P6 | A3 | A2 | A1 | A0 |
Кодовые выражения микропрограммы для УА с принудительной адресацией (табл. 2.4):
Характеристики
Тип файла документ
Документы такого типа открываются такими программами, как Microsoft Office Word на компьютерах Windows, Apple Pages на компьютерах Mac, Open Office - бесплатная альтернатива на различных платформах, в том числе Linux. Наиболее простым и современным решением будут Google документы, так как открываются онлайн без скачивания прямо в браузере на любой платформе. Существуют российские качественные аналоги, например от Яндекса.
Будьте внимательны на мобильных устройствах, так как там используются упрощённый функционал даже в официальном приложении от Microsoft, поэтому для просмотра скачивайте PDF-версию. А если нужно редактировать файл, то используйте оригинальный файл.
Файлы такого типа обычно разбиты на страницы, а текст может быть форматированным (жирный, курсив, выбор шрифта, таблицы и т.п.), а также в него можно добавлять изображения. Формат идеально подходит для рефератов, докладов и РПЗ курсовых проектов, которые необходимо распечатать. Кстати перед печатью также сохраняйте файл в PDF, так как принтер может начудить со шрифтами.















