Book5 (560507), страница 4
Текст из файла (страница 4)
Тепловая схема представлена на рис.
5.13,Поскольку
P = σ2(tK-t2) = σ1(tl-tK),
то
Рис. 5.13. Передача тепла в ци-
линдрическом стержне:
а — конструкция стержня;
б — тепловая схема
tK = t2 + P/σ2; t1=tk + P/σ1
Для кондуктивной теплопередачи
схему, отражающую процесс теплопере-
дачи от транзистора, установленного на
радиаторе с площадью теплоотводящей поверхности Sp (рис. 5.14, а), к среде, если на кристалле транзистора выделяется мощность Р.Тепловая схема приведена на рис5.14,.
Рис. 5.14. Теплообмен
транзистора, установленного
на радиаторе:
а — схематическое изображение
конструкции; б — тепловая схема; 1 — радиатор; 2 — транзи-
стор; 3 — прокладка
192
б. Тепловой поток от кристаллатранзистора через внутреннюю проводимость σ вн передается на корпус транзистора, через проводимость σKP контакта
«корпус транзистора — радиатор» — на
радиатор и с радиатора конвективным и
лучевым способами — среде. Одновре-
менно часть теплового потока конвек-
цией и излучением стекает в окружающее пространство непосредст-
венно с корпуса транзистора.
5.2. Методы теплового моделирования и расчета тепловых режимов
конструкций РЭС
Исследование теплового режима конструкции РЭС состоит в опре-
делении температуры в некоторой точке ti • = tj • (τ, Р) и температурно-
го перегрева Δ tj = Δ tj (τ, Р) . В установившемся (стационарном) ре-
жиме Δ t, не зависит от времени τ, а зависимость Δ tj, = A tj • (Р) называ-
ют тепловой характеристикой j ой точки (области) конструкции.
В общем случае исследование тепловых режимов конструкций вы-
полняют в следующем порядке: определяют класс конструкции и со-
ставляют ее тепловую модель; реализуют тепловую модель математи-
чески и рассчитывают показатели теплового режима; производят оцен-
ку точности теплового моделирования.
Класс объединяет конструкции, имеющие общие признаки и одина-
ковую физическую основу протекания тепловых процессов. При опре-
делении класса конструкции учитывают такие признаки, как структура
нагретой зоны, способ охлаждения нагретой зоны, способ охлаждения
кожуха и др.
Тепловую модель конструкции или класса получают в результате
анализа конструкций, выявления их теплофизических свойств и идеа-
лизации процессов теплообмена.
5.2.1. Методы теплового моделирования конструкции РЭС
Наиболее часто тепловое моделирование выполняется методами
изотермических поверхностей, однородного анизотропного тела и экс-
периментальными методами.
Метод изотермических поверхностей основан на выделении в
конструкции поверхностей с одинаковыми или условно одинаковыми
температурами в каждой точке поверхности. Считается, что теплооб-
мен осуществляется между этими поверхностями. В зависимости от
конкретной задачи исследования к изотермическим поверхностям кон-
струкций относят поверхность корпуса со среднеповерхностной темпе-
ратурой t к, поверхность нагретой зоны с температурой 13, поверхность
отдельной функциональной ячейки с температурой tз( , поверхность
отдельного радиоэлемента с температурой tэi и т.д.
Пример построения тепловой модели конструкции блока разъемно-
го типа методом изотермических поверхностей приведен на рис. 5.15.
193
Как следует из рисунка, среднеповерхностные температуры представ-
ляют собой среднеарифметические значения реальных температур в
различных точках поверхности, т.е.
Рис. 5.15. Построение тепловой модели блока методом изотермических поверхностей:а — схематическое изображение конструкции; б — модель для определения среднеповерхностной температуры нагретой зоны; в —модель для определения среднеповерхно-
стных температур функциональных ячеек
Таким образом, метод изотермических поверхностей позволяет на-
ходить лишь среднеповерхностные температуры. Детализация тепло-
вой модели дает возможность довести решение до определения темпе-
ратуры отдельного радиоэлемента, однако при этом резко возрастет
сложность задачи.
Метод однородного анизотропного тела состоит в представле-
нии реальной конструкции или ее части однородным анизотропным те-
лом в виде прямоугольного параллелепипеда с внутренними источни-
ками тепла, для которого находят эквивалентные коэффициенты теп-
лопроводности λx,λy,иλz по направлениям осей координат, перпен-
дикулярных граням параллелепипеда. При известных коэффициентах
теплопроводности и геометрических размерах lx, ly , lz однородного
анизотропного тела можно определить тепловое сопротивление R 0
194
между центром тела и его поверхностью. Формула для расчета R 0 ,
полученная в результате решения дифференциального уравнения теп-
лопроводности, характеризующего температурное поле однородного
анизотропного параллелепипеда, записывается в виде
R0 =Clz/(4λzlxly) (5.39)
коэффициент, характеризующий фор-
му однородного анизотропного тела,
значение которого обычно представ-
ляют графически (рис. 5.16). Графики
построены для определенных усло-
вий выбора направлений осей коор-
динат однородного тела. Такими ус-
ловиями являются неравенства:
Знание R 0 позволяет найти тем-
пературу в центре однородного тела
как
Рис. 5.16. Графики для определения
коэффициента формы однородного
анизотропного тела
t0 = ts+R0P,
где ts — температура на поверхности
тела; Р — суммарный тепловой поток
внутренних источников тепла.
Наиболее важным шагом в построении тепловой модели конструк-
ции РЭС в виде однородного анизотропного тела является выделение в
конструкции элементарной тепловой ячейки, которая должна отвечать
следующим требованиям:
иметь правильную геометрическую форму (желательно форму пря-
моугольного параллелепипеда);
обеспечить геометрическую воспроизводимость моделируемой кон-
струкции формальным наращиванием числа ячеек по осям х, у и z ;
допускать представление ячейки совокупностью простейших одно-
родных изотропных тел правильной геометрической формы, для кото-
195
рых достаточно просто рассчитываются тепловые проводимости (со-
противления).
Как правило, в элементарную тепловую ячейку включают источник
тепла (радиоэлемент), часть несущей конструкции (основания, печат-
ной платы и т.д.) и воздушных прослоек, окружающих источник тепла.
Процедура выбора элементарной тепловой ячейки иллюстрируется
на примере фрагмента конструкции нагретой зоны блока (рис. 5.17, а) с
горизонтально расположенными платами 2, на которых в правильном
порядке размещены корпусированные интегральные микросхемы 1.
Проекция элементарной тепловой ячейки на координатную плоскость
хОу ограничена пунктирной линией и заштрихована.
Рис. 5.17. Построение тепловой модели методом однородного анизотропного тела:
а — выделение элементарной тепловой ячейки;
б — представление ее структуры; в — тепловая схема ячейки по направлению х
Объемное изображение элементарной тепловой ячейки в увеличен-
ном масштабе дано на рис. 5.17,6. Здесь же показано разбиение ячейки
на простейшие составляющие однородные изотропные тела. Как видно
из рисунка, все выделенные тела представляют собой прямоугольные
параллелепипеды, для которых при известных коэффициентах тепло-
196
проводности материала λ, и геометрических размерах тепловая прово-
димость может быть найдена по формуле
σт = λS/l, (5.40)
где S — площадь грани параллелепипеда, перпендикулярной направ-
лению теплового потока; l — длина стороны параллелепипеда, совпа-
дающей с направлением теплового потока.
После выделения элементарной тепловой ячейки и ее разбиения на
простейшие однородные изотропные тела на основе электротепловой
аналогии составляются тепловые схемы, отражающие процесс перено-
са тепла в ячейке по направлениям осей координат. На рис. 5.17, в при-
ведена тепловая схема передачи тепла в элементарной тепловой ячейке
по направлению х. Индексы тепловых проводимостей на схеме совпада-
ют с номерами простейших однородных тел, на которые разбита эле-
ментарная тепловая ячейка (см. рис. 5.17,6). Тепловые схемы отражаю-
щие передачу тепла в ячейке по направлениям у и z, построены анало-
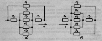
гично и приведены на рис. 5.18.
Рис. 5.18. Тепловые схемы элементарной тепловой ячейки по направлениям у (а) и z (б)
Расчет тепловых проводимостей σ1,..., σ7 и преобразование теп-
ловых схем элементарной тепловой ячейки к простейшему виду позво-
ляет найти тепловые проводимости ячейки σях, σяу σяz, по соответ-
ствующим направлениям осей координат.
Завершающим этапом построения тепловой модели является расчет
тепловых проводимостей однородного анизотропного тела по направ-
лениям х, у, z и эквивалентных коэффициентов теплопроводности
λx , λy , λz . Если однородный анизотропный параллелепипед имеет
197
размеры lx Iy, lzz , в пределах которых укладывается соответственно
k, т и п элементарных тепловых ячеек (рис. 5.19), то тепловые прово-
димости параллелепипеда могут быть найдены по формулам:
σх = σяхтп /k, σу =σаsykn/т, σz = σazkm/n.
Эквивалентные коэффициенты
теплопроводности легко найти с помощью (5.40) через значения σx, σy„σzи геометpические размеры парал-
лелепипеда:
Рис. 5.19. Однородный анизотроп-
ный параллелепипед с упорядочен-
ной структурой
После того как коэффициенты
теплопроводности однородного ани-
зотропного тела определены, можно
воспользоваться формулой (5.39).
Из изложенного следует, что теп-
ловыми моделями в виде однородного
анизотропного тела могут быть представлены конструкции, отвечаю-
щие ряду требований. Наиболее важными из них являются:
предпочтительная форма конструкции — прямоугольный паралле-
лепипед;
равномерное распределение внутренних источников тепла;
регулярность структуры конструкции, т.е. конструкция должна со-
стоять из однотипных радиоэлементов, расположенных в правильном
порядке.
Последнее условие выделяет класс конструкций, в которых как гео-
метрические, так и теплофизические свойства периодически повторя-
ются (системы с «дальним порядком»). В таких конструкциях четко
обозначены границы элементарной тепловой ячейки, что позволяет без
особых затруднений определить параметры тепловой модели. Лучше
других данному требованию удовлетворяют конструкции цифровых
РЭС разъемного и книжного типов. Тем не менее даже в этих конструк-
циях свойство дальнего порядка может частично нарушаться, посколь-
ку не все радиоэлементы имеют одинаковые геометрические формы, не
всегда соблюдается периодичность их расположения. В таких случаях
элементарная тепловая ячейка объединяет группу элементов (рис.
5.20), повторяющихся по направлениям координат, а конструкцию от-
носят к системе с «ближним порядком».
198
















