Курсач (560491)
Текст из файла
Московский Авиационный Институт
(Государственный Технический Университет)
Факультет №4
Кафедра №404
Основы конструирования и технологии РЭС.
Курсовая работа
Разработка РЭС
Работу выполнил:
Конашенков Сергей
гр 04-316
Руководитель проэкта:
Кузнецов
Константин Леонидович
Москва 2005
Содержание:
1. Задание на курсовое проектирование
2. Техническое задание на разработку РЭС
3. Конструкторский анализ схемы электрической принципиальной
3.1 Расчёт по постоянному току
3.2 Выбор навесных компонентов МСБ
4. Разработка конструкции МСБ
4.1 Расчёт тонкоплёночных резисторов
4.2 Расчёт конденсаторов
4.3 Составление коммутационной схемы МСБ и выбор подложки
5. Разработка конструкции РЭС
5.1 Выбор системы охлаждения.
5.2 Расчёт геометрических размеров функциональной ячейки
5.3 Расчёт геометрических размеров блока
6. Оценочные расчёты показателей качества конструкции
6.1 Расчёт вибропрочности ФЯ
6.2 Расчёт надёжности МСБ
7. Литература
1. Задание на курсовое проектирование.
2. Техническое задание на разработку РЭС
3. Конструкторский анализ схемы электрической принципиальной
3.1 Расчёт по постоянному току
Из схемы видно, что через резисторы будет протекать ничтожно малый ток, так как полярный транзистор не запитан. Поэтому постоянным током через транзисторы можно пренебречь, приняв его равным нулю.
3.2 Выбор навесных компонентов МСБ
По причине того, что ёмкости С5 и С6, а так же резисторы R5, R6 и R7 лежат за пределами их реализуемости в тонкоплёноночном варианте, то выполняем их в виде навесных элементов. С4 также выполняем в виде на-
весного элемента.
Емкости:
К10-17В
С5,С6 выполняем в виде К10-17В
К10-17В:
керамический постоянной
ёмкости предназначенные
для работы в цепях постоя-
нного и переменного токов
и в импульсных режимах
Резисторы:
Р1-12-0.125
R5,R6 и R7 выполняем в виде Р1-12-0.125
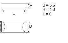
Р1-12-0.125:
Металлодиэлектрические безвыводные
резисторы, для навесного монтажа в
гибридных микросхемах, для автомати-
зированной сборки. Предназначены
для работы в электрических цепях
переменного, постоянного и им-
пульсного токов.
B=1.25
L=2.0
H=0.4
4. Разработка конструкции МСБ
4.1 Расчёт тонкоплёночных резисторов
1. Определяем значение сопротивления квадрата резистивной пленки,
мВт /кв м
Резисторы выполним из материала ''Кермет К50-С''. Удельная мощность рассеивания
Р0=2 Вт/см кв.
= -4 1/С.
2.Коэффициенты формы для различных резисторов:
Все резисторы будут выполнены в виде прямоугольной полоски. Причем
3, 4 и 8-ий будут прямоугольной формы, где ширина больше длины.
3.Определяем погрешность сопротивления резисторов:
4.Допустимые отклонения и справочные значения для расчета размеров контактной
площадки
м
м
м
Расчет R1 и R2
Минимальные значения ширины по точноcти, мощности и технологии изготовления:
Вт /кв м
Все условия удовлетворены
Расчет R3
Минимальные значения ширины по точноcти, мощности и технологии изготовления:
Вт /кв м
Все условия удовлетворены
Расчет R4
Минимальные значения ширины по точноcти, мощности и технологии изготовления:
Вт /кв м
Все условия удовлетворены
Расчет R8
Минимальные значения ширины по точночти, мощности и технологии изготовления:
Вт /кв м
Все условия удовлетворены
4.2 Расчёт конденсаторов
Рассчитаем конденсаторы С2 и С3 . С2=С3=300пФ.
По значению С0 и U0 выбираем материал диэлектрика.
Материал диэлектрика - моноокись кремния.
Определяем удельную емкость диэлектрика:
Найдем допустимую относительную погрешность площади верхней обкладки:
Определим удельную емкость материала диэлектрика, обусловленную требованием номинала емкости конденсатора:
Расчетное значение удельной емкости материала диэлектрика:
Найдем фактическое значение толщины диэлектрического слоя, площадь верхней обкладки конденсатораи размеры верхней обкладки :
Определим размеры нижней обкладки :
Размеры диэлектрического слоя:
Проверка расчета:
Рассчитаем конденсатор С4 . С4=15пФ.
По значению С0 и U0 выбираем материал диэлектрика.
Материал диэлектрика - моноокись кремния.
Определяем удельную емкость диэлектрика:
Найдем допустимую относительную погрешность площади верхней обкладки:
Определим удельную емкость материала диэлектрика, обусловленную требованием номинала емкости конденсатора:
Расчетное значение удельной емкости материала диэлектрика:
Найдем фактическое значение толщины диэлектрического слоя, площадь верхней обкладки конденсатора и размеры верхней обкладки:
Определим размеры нижней обкладки :
Размеры диэлектрического слоя:
Проверка расчета:
4.3 Составление коммутационной схемы МСБ и выбор подложки
Площадь всех элементов и компонентов
Площадь резисторов
Навесные резисторы:
Площадь конденсаторов
Навесные конденсаторы:
Тонкопленочные:
Площадь транзистора:
Площадь диода:
Площадь операционного усилителя:
Площадь контактных площадок:
Суммарная площадь:
Выбираем подложку размером 16*20
мм
мм
5 Разработка конструкции РЭС.
5.1 Выбор системы охлаждения.
Рассчитаем тепловой поток, рассеиваемый поверхностью теплообмена конструкции РЭС
Количество МСБ в ФЯ
Количество ФЯ в блоке
Вт
Рассчитаем площадь поверхности теплообмена конструкции Sk:
мм
мм
мм
мм*мм
м
Устанавливаем допустимую рабочую температуру наименее теплостойкого элемента:
градусов
Указываем допустимую рабочую температуру окружающей среды:
градусов
Указываем минимальное давление окружающей среды:
мм рт. ст.
нормальное давление
поправочный коэффициент на давление окружающей среды
Вт/кв м
градусов
Используя найденные значения P_os и tdop по диаграмме [1,рис 3.2]определяем систему охлаждения. Точка с координатой P_os и tdop попадает в зону 1, которая соответствует естественному воздушному охлаждению.
5.2 Расчёт геометрических размеров функциональной ячейки.
Несущим элементом конструкции ФЯ на бескорпусных МСБ служит металлическая рамка. Разработка конструкции ФЯ на бескорпусных МСБ сводится к определению геометрических размеров металлической рамки по заданным размерам и числу МСБ.
Нахождение высоты ФЯ.
мм
толщина подложки
мм
максимальная высота элемента установленного на подложке
мм
толщина микросборки
мм
толщина планки
мм
толщина диэлектрической прокладки между рамкой и печатной платой
мм
толщина печатной платы
мм
высота паек на плате
мм
толщина клеевых прослоек
мм
толщина воздушных зазоров
мм
Нахождение ширины ФЯ.
мм
ширина наружного ребра жесткости
ширина внутреннего ребра жесткости
мм
ширина окна для соединения проволочных выводов микросборок
мм
мм
ширина планки
мм
Нахождение длины ФЯ.
мм
расстояние между МСБ и горизонтальными ребрами жесткости
мм
длина планки
мм
длина зоны контактных площадок внешних электрических соединений ФЯ
длина окна в верхней части рамки для монтажа на печатной плате навесных элементов
мм
мм
5.3 Расчёт геометрических размеров блока.
Нахождение глубины пакета ФЯ.
Размер блока находим исходя из размеров ФЯ.
число ФЯ в блоке
мм
расстояние между соседними ячейками
мм
шаг размещения ФЯ
мм
Расчёт размеров внутреннего объёма блока.
мм
мм
мм
глубины зон
Расчёт геометрического размера блока.
мм
мм
мм
6. Оценочные расчёты показателей качества конструкции.
6.1 Расчёт вибропрочности ФЯ.
Анализ конструкции позволяет сделать вывод, что наиболее опасным участком с точки зрения воздействия вибрации в конструкции является функциональная ячейка на металлической рамке.
Физические параметры материалов ФЯ:
материал
Характеристики
Тип файла документ
Документы такого типа открываются такими программами, как Microsoft Office Word на компьютерах Windows, Apple Pages на компьютерах Mac, Open Office - бесплатная альтернатива на различных платформах, в том числе Linux. Наиболее простым и современным решением будут Google документы, так как открываются онлайн без скачивания прямо в браузере на любой платформе. Существуют российские качественные аналоги, например от Яндекса.
Будьте внимательны на мобильных устройствах, так как там используются упрощённый функционал даже в официальном приложении от Microsoft, поэтому для просмотра скачивайте PDF-версию. А если нужно редактировать файл, то используйте оригинальный файл.
Файлы такого типа обычно разбиты на страницы, а текст может быть форматированным (жирный, курсив, выбор шрифта, таблицы и т.п.), а также в него можно добавлять изображения. Формат идеально подходит для рефератов, докладов и РПЗ курсовых проектов, которые необходимо распечатать. Кстати перед печатью также сохраняйте файл в PDF, так как принтер может начудить со шрифтами.
















