СТ СЭВ 2826-80 (558231)
Текст из файла
СТ СЭВ 2826-80
Группа Т52
СТАНДАРТ СОВЕТА ЭКОНОМИЧЕСКОЙ ВЗАИМОПОМОЩИ
Единая система конструкторской документации СЭВ
ЧЕРТЕЖИ СТРОИТЕЛЬНЫЕ.
УСЛОВНЫЕ ИЗОБРАЖЕНИЯ И ОБОЗНАЧЕНИЯ
ОТВЕРСТИЯ, НИШИ, ПАЗЫ, БОРОЗДЫ
Дата введения 1983-01-01
ИНФОРМАЦИОННЫЕ ДАННЫЕ
1. АВТОР - делегация ГДР в Постоянной Комиссии по сотрудничеству в области стандартизации.
2. Тема - 01.634.17-78.
3. Стандарт СЭВ утвержден на 48-м заседании ПКС.
4. Сроки начала применения стандарта СЭВ:
| Страны-члены СЭВ | Срок начала применения стандарта СЭВ в договорно-правовых отношениях по экономическому и научно-техническому сотрудничеству | Срок начала применения стандарта СЭВ в народном хозяйстве |
| НРБ | Январь 1983 г. | Январь 1983 г. |
| ВНР | Январь 1984 г. | Январь 1984 г. |
| ГДР | Январь 1984 г. | Январь 1984 г. |
| Республика Куба | ||
| МНР | Январь 1983 г. | Январь 1983 г. |
| ПНР | Январь 1984 г. | Январь 1984 г. |
| СРР | ||
| СССР | Январь 1983 г. | Январь 1983 г. |
| ЧССР | Январь 1983 г. | Январь 1983 г. |
5. Срок первой проверки - 1988 г., периодичность проверки - 5 лет.
ВВЕДЕН В ДЕЙСТВИЕ Постановлением Государственного комитета СССР по стандартам от 31 июля 1981 г. № 135.
УТВЕРЖДЕН Постоянной Комиссией по сотрудничеству в области стандартизации Берлин, декабрь 1980 г.
Настоящий стандарт СЭВ является обязательным в рамках Конвенции о применении стандартов СЭВ.
Настоящий стандарт СЭВ устанавливает условные изображения отверстий, ниш, пазов и борозд в стенах и перекрытиях зданий и сооружений.
1. Изображения отверстий, ниш, пазов и борозд выполняют в соответствии с требованиями настоящего стандарта, СТ СЭВ 1633-79 и других соответствующих стандартов ЕСКД СЭВ.
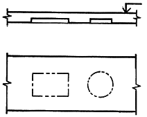
2. Отверстия в стенах (черт.1) и перекрытиях (черт.2), ниши и пазы в стенах (черт.3) и перекрытиях (видимые - черт.4а и невидимые - черт.4б) в масштабе 1:200 изображают в плане. Борозды в масштабе 1 :200 не изображают.
| | |
| |
| Черт.1 | Черт.2 | Черт.3 | Черт.4 |
3. Отверстия, ниши, пазы и борозды стен и перекрытий в масштабе 1:100 и 1:50 следует изображать в плане, в случае необходимости план дополняют размерами или видами.
Отверстия, ниши, пазы и борозды стен и перекрытий изображают сплошной толстой линией в плане и разрезе, сплошной тонкой линией в виде. Отверстия стен и перекрытий в виде дополнительно обозначают теневой кромкой по СТ СЭВ 363-76.
Мнимую плоскость разреза, как правило, проводят через отверстия, ниши, пазы и борозды.
Если мнимая плоскость разреза проходит вне изображения отверстий, ниш, пазов и борозд, то их контуры изображают штриховой тонкой линией в плане и разрезе.
4. Отверстия стен и перекрытий изображают в масштабе 1:100 и 1:50 в соответствии с табл.1.
Таблица 1
| Наименование | Изображение |
| 1. Отверстие в стене в плоскости разреза | |
| 2. Отверстие в стене вне плоскости разреза | |
| 3. Отверстия в перекрытии | |
| 4. Отверстия в перекрытии выше плоскости разреза | |
5. Ниши и пазы изображают в масштабе 1:100 и 1:50 в соответствии с табл.2.
Таблица 2
| Наименование | Изображение |
| 1. Ниша в плоскости разреза | |
| 2. Ниша вне плоскости разреза | |
| 3. Паз в перекрытии в плоскости разреза | |
| 4. Паз в перекрытии выше плоскости разреза | |
6. Борозды изображают в масштабе 1:100 и 1:50 в соответствии с табл.3.
Таблица 3
| Наименование | Изображение |
| 1. Борозды | |
| 2. Борозда вне плоскости разреза | |
7. Отверстия, ниши, пазы и борозды в масштабе 1:25 и более изображают по СТ СЭВ 362-76 и СТ СЭВ 363-76.
8. Нанесение размеров отверстий, ниш, пазов и борозд выполняют по СТ СЭВ 1976-79 с учетом следующих дополнений:
1) размеры наносят на полке линии-выноски и разделяют знаком "
";
2) для прямоугольного отверстия указывают размеры ширины и высоты (табл.1, п.3);
3) для круглого отверстия перед размерным числом указывают знак
(табл.1, п.3);
4) для ниш и пазов прямоугольного сечения указывают размеры ширины, высоты и глубины (табл.2, п.1);
5) для ниш и пазов круглого сечения указывают размеры диаметра и глубины (табл.2, п.3);
6) для борозд указывают размеры ширины, глубины и длины (табл.3, п.1).
Характеристики
Тип файла документ
Документы такого типа открываются такими программами, как Microsoft Office Word на компьютерах Windows, Apple Pages на компьютерах Mac, Open Office - бесплатная альтернатива на различных платформах, в том числе Linux. Наиболее простым и современным решением будут Google документы, так как открываются онлайн без скачивания прямо в браузере на любой платформе. Существуют российские качественные аналоги, например от Яндекса.
Будьте внимательны на мобильных устройствах, так как там используются упрощённый функционал даже в официальном приложении от Microsoft, поэтому для просмотра скачивайте PDF-версию. А если нужно редактировать файл, то используйте оригинальный файл.
Файлы такого типа обычно разбиты на страницы, а текст может быть форматированным (жирный, курсив, выбор шрифта, таблицы и т.п.), а также в него можно добавлять изображения. Формат идеально подходит для рефератов, докладов и РПЗ курсовых проектов, которые необходимо распечатать. Кстати перед печатью также сохраняйте файл в PDF, так как принтер может начудить со шрифтами.















