СНиП 3.01.03-84 (556899), страница 4
Текст из файла (страница 4)
(наименование объекта строительства)
и произвела осмотр закрепленных на местности знаков этой основы.
Предъявленные к приемки знаки геодезической разбивочной основы для строительства, их координаты, отметки, места установки и способы закрепления соответствуют представленной технической документации _______________________________________________
(наименование проектной организации,
___________________________________________________________
номера чертежей, дата выпуска)
и выполнены с соблюдением заданной точности построений и измерений.
На основании изложенного комиссия считает, что заказчик сдал, а подрядчик принял знаки геодезической разбивочной основы для строительства (наименование объекта или его отдельных цехов, зданий, сооружений)
Приложения: _____________________________________________
(чертежи, схемы, ведомости и т. п.)
___________________________________________________________
Представитель заказчика: __________________________________
(подпись)
Представители подрядчика: производитель работ
__________________________________ (подпись)
работник геодезической службы
__________________________________ (подпись)
ПРИЛОЖЕНИЕ 13
Обязательное
АКТ
ПРИЕМКИ-ПЕРЕДАЧИ РЕЗУЛЬТАТОВ ГЕОДЕЗИЧЕСКИХ РАБОТ
ПРИ СТРОИТЕЛЬСТВЕ ЗДАНИЙ, СООРУЖЕНИЙ
„ ” _______________ 19___г. __________________________
(место составления)
.
Объект _____________________________________________________
(наименование объекта строительства)
Комиссия в составе:
ответственного представителя строительно-монтажной организации,
передающей работы __________________________________________
(фамилия, инициалы. должность)
ответственного представителя строительно-монтажной организации, принимающей работы ________________________________________
(фамилия, инициалы, должность)
рассмотрела представленную техническую документацию на выполненные геодезические работы (схемы геодезической разбивочной основы для строительства, внутренней разбивочной сети здания, сооружения, схемы исполнительных съемок, каталоги координат, отметок, ведомости и т.д.) при строительстве ___________________________________________________________
(наименование объекта)
и произвела осмотр закрепленных на местности и здании знаков сети.
Предъявленные к приемке знаки разбивочной сети, их координаты, отметки, места установки и способы закрепления соответствуют представленной на них технической документации, и работы выполнены с соблюдением заданной точности построений и измерений.
На основании изложенного комиссия считает, что ответственный представитель строительно-монтажной организации _______________
___________________________________________________________
(наименование организации)
сдал, а представитель строительно-монтажной организации _________
___________________________________________________________
(наименование организации)
принял указанные выше работы по______________________________
___________________________________________________________
(наименование объекта, отдельных частей зданий и сооружений)
Приложения: ________________________________________________
(чертежи, схемы, ведомости и т.д.)
Представитель строительно-монтажной организации, передающей
работы _____________________________________________________
(подписи производителя работ,
___________________________________________________________
работника геодезической службы)
Представитель строительно-монтажной организации, принимающей работы _____________________________________________________
(подписи производители работ,
___________________________________________________________
работника геодезической службы)
ПРИЛОЖЕНИЕ 14
Справочное
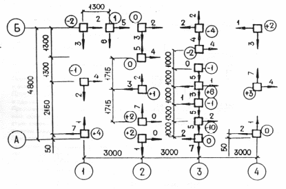
ИСПОЛНИТЕЛЬНАЯ СХЕМА
ПЛАНОВОГО И ВЫСОТНОГО ПОЛОЖЕНИЯ СВАЙ
Стрелка показывает направление отклонения оголовка сваи от оси,
а цифра — величину, см.
Цифра со знаком в кружке показывает отклонение от проектной отметки оголовка сваи после срубки, см.
У круглых свай показывается отклонение от осей центра оголовка.
у остальных — граней.
ПРИЛОЖЕНИЕ 15
Справочное
ИСПОЛНИТЕЛЬНЫЙ ЧЕРТЕЖ ПЛАНОВОГО
И ВЫСОТНОГО ПОЛОЖЕНИЯ КАНАЛИЗАЦИОННОЙ СЕТИ















