_Глава 5. Стандартные локальные сети (537690), страница 5
Текст из файла (страница 5)
Рис. 5.19. Порядок обслуживания запросов абонентов на различных уровнях сети
Так, для примера на рис. 5.19 в случае одновременного возникновения заявок на передачу у всех абонентов (компьютеров) порядок обслуживания будет такой: компьютер 1~2, затем 1-3, потом 2-1, 2-4, 2-8, и далее 1~6. Однако так будет только при одинаковом (нормальном) приоритете всех запросов. Если же, например, от компьютеров 1-2, 2-4 и 2-8 поступят высокоприоритетные запросы, то порядок обслуживания будет таким: 1-2,2-4,2-8,1-3,2-1,1-6.
Помимо собственно передачи пакетов и пересылки запросов на передачу, в сети применяется также специальная процедура подготовки к связи (Link Training), во время которой концентратор и абоненты обмениваются между собой управляющими пакетами. При этом проверяется правильность присоединения линий связи и их исправность. Одновременно концентратор получает информацию об особенностях абонентов, подклю-
ченных к нему, об их назначении и их сетевых адресах. Запускается данная процедура самим абонентом при включении питания или после подключения к концентратору, а также автоматически при большом уровне ошибок.
Интересно решена в сети lOOVG-AnyLAN проблема кодирования передаваемых данных.
Вся передаваемая информация проходит следующие этапы обработки.
-
Разделение на квинтеты (группы по 5 бит).
-
Перемешивание, скремблирование (scrambling) полученных квинтетов.
-
Кодирование квинтетов специальным кодом 5В6В (этот код обеспечивает в выходной последовательности не более трех единиц или нулей подряд, что используется для детектирования ошибок).
-
Добавление начального и конечного разделителей кадра.
Сформированные таким образом кадры передаются в 4 линии передачи (при использовании счетверенной витой пары). При сдвоенной витой паре и оптоволоконном кабеле применяется временное мультиплексирование информации в каналах.
В результате этих действий достигается рандомизация сигналов, то есть выравнивание количества передаваемых единиц и нулей, снижение взаимовлияния кабелей друг на друга и самосинхронизация передаваемых сигналов без удвоения требуемой полосы пропускания, как в случае кода Манчестер-П.
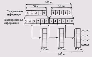
В случае использования счетверенной витой пары передача по каждой из четырех витых пар производится со скоростью 30 Мбит/с (рис. 5.20). Суммарная скорость передачи составляет 120 Мбит/с. Однако полезная информация вследствие использования кода 5В6В передается при этом всего лишь со скоростью 100 Мбит/с. Таким образом, пропускная способность кабеля должна быть не менее 15 МГц. Этому требованию удовлетворяет кабель с витыми парами категории 3.
В сети 100 VG-AnyLAN предусмотрены два режима обмена: полудуплексный и полнодуплексный.
-
При полудуплексном обмене все четыре витые пары используются для передачи одновременно в одном направлении (от абонента к концентратору или наоборот). Он используется для передачи пакетов.
-
При полнодуплексном обмене две витые пары передают в одном направлении, а две другие - в другом направлении. Он используется для передачи управляющих сигналов.
Рис. 5.20. Кодирование информации в сети 100VG-AnyLAN
Для управления используются два тональных сигнала. Первый из них представляет собой последовательность из 16 логических единиц и 16 логических нулей, следующих со скоростью 30 Мбит/с (в результате частота сигнала получается равной 0,9375 МГц). Второй тональный сигнал имеет вдвое большую частоту (1,875 МГц) и образуется чередованием восьми логических единиц и восьми логических нулей. Все управление сетью осуществляется комбинацией этих двух тональных сигналов.
Табл. 5.2. Расшифровка комбинаций управляющих тональных сигналов
| Передаваемые сигналы | Расшифровка абонентом | Расшифровка концентратором |
| 1 - 1 | Нет информации для передачи | Нет информации для передачи |
| 1 -2 | Концентратор принимает пакет | Запрос нормального приоритета |
| 2- 1 | Зарезервировано | Высокоприоритетный запрос |
| 2-2 | Запрос процедуры подготовки к связи | Запрос процедуры подготовки к связи |
В таблице 5.2 приведена расшифровка различных комбинаций этих сигналов, передаваемых абоненту и концентратору. Когда ни у абонента, ни у концентратора нет информации для передачи, оба они посылают по обеим линиям первый тоновый сигнал (1~1). Если принимаемый концентратором пакет может быть адресован данному абоненту, ему посылается комбинация сигналов 1-2. При этом абонент должен прекратить передачу управляющих сигналов концентратору и освободить эти две линии связи для пересылки информационных пакетов. Такая же комбинация (1 - 2), полученная концентратором, означает запрос на передачу пакета с нормальным приоритетом. Запрос на передачу пакета с высоким приоритетом передается комбинацией 2—1. Наконец, комбинация 2-2 сообщает как абоненту, так и концентратору о необходимости перейти к процедуре подготовки к связи.
Таким образом, сеть lOOVG-AnyLAN представляет собой довольно доступное решение для увеличения скорости передачи до 100 Мбит/с. Однако она не обладает полной совместимостью ни с одной из стандартных сетей, поэтому ее дальнейшая судьба проблематична. К тому же, в отличие от сети FDDI, она не имеет никаких рекордных параметров.
5.6. Сверхвысокоскоростные сети
Быстродействие сети Fast Ethernet, других сетей, работающих на скорости в 100 Мбит/с, в настоящее время удовлетворяет требованиям большинства задач, но в ряде случаев даже его оказывается недостаточно. Особенно это касается тех ситуаций, когда необходимо подключать к сети современные высокопроизводительные серверы или строить сети с большим количеством абонентов, требующих высокой интенсивности обмена. Например, все более широко применяется сетевая обработка трехмерных динамических изображений. Скорость компьютеров непрерывно растет, они обеспечивают все более высокие темпы обмена с внешними устройствами. В результате сеть может оказаться наиболее слабым местом системы, и ее пропускная способность будет основным сдерживающим фактором в увеличении быстродействия.
Работы по достижению скорости передачи в 1 Гбит/с (1000 Мбит/с) ведутся в последние годы довольно интенсивно в нескольких направлениях. Однако, скорее всего, наиболее перспективной окажется сеть Gigabit Ethernet. Это связано прежде всего с тем, что переход на нее окажется наиболее безболезненным, самым дешевым и психологически приемлемым. Ведь сеть Ethernet и ее более быстрая версия Fast Ethernet сейчас далеко опережают всех своих конкурентов по объему продаж и распространенности в мире.
Сеть Gigabit Ethernet — это естественный, эволюционный путь развития концепции, заложенной в стандартной сети Ethernet. Естественно, она наследует и все недостатки своих прямых предшественников, например, негарантированное время доступа к сети. Однако огромная пропускная способность приводит к тому, что загрузить сеть до тех уровней, когда этот фактор становится определяющим, довольно трудно. Зато сохранение преемственности позволяет довольно просто соединять сегменты Ethernet, Fast Ethernet и Gigabit Ethernet в единую сеть и, самое главное, переходить к новым скоростям постепенно, вводя гигабитные сегменты только на самых напряженных участках сети. (К тому же далеко не везде такая высокая пропускная способность действительно необходима.) Если же говорить о конкурирующих гигабитных сетях, то их применение может потребовать полной замены сетевой аппаратуры, что сразу же приведет к огромным затратам средств.
В сети Gigabit Ethernet сохраняется все тот же хорошо зарекомендовавший себя в предыдущих версиях метод доступа CSMA/CD, используются те же форматы пакетов (кадров) и те же размеры, то есть никакого преобразования протоколов в местах соединения с сегментами Ethernet и Fast Ethernet не потребуется. Единственно, что нужно, - это согласование скоростей обмена. Поэтому главной областью применения Gigabit Ethernet станет в первую очередь соединение концентраторов Ethernet и Fast Ethernet между собой.
С появлением сверхбыстродействующих серверов и распространением наиболее совершенных персональных компьютеров класса «high-end» преимущества Gigabit Ethernet будут становиться все более явными. Отметим, что 64-разрядная системная магистраль PCI, ставшая уже фактическим стандартом, вполне достигает требуемой для такой сети скорости передачи данных.
Работы по сети Gigabit Ethernet ведутся с 1995 года. В 1998 году принят стандарт, получивший наименование IEEE 802.3z. Разработкой занимается специально созданный альянс (Gigabit Ethernet Alliance), в который, в частности, входит такая известная фирма, занимающаяся сетевой аппаратурой, как 3Com.
Переход на такую огромную скорость передачи не столь прост, как может показаться. Для аппаратуры Gigabit Ethernet будут использоваться микросхемы, выполненные по самой современной 0,35-микронной технологии. Только они позволяют добиться требуемого быстродействия. Ожидается разработка 32-разрядного контроллера, имеющего и буферную память на кристалле, содержащем до миллиона логических элементов.
Номенклатура сегментов сети Gigabit Ethernet в настоящее время включает в себя следующие типы:
-
1000ВASE-SX - сегмент на мультимодовом оптоволоконном кабеле с длиной волны светового сигнала 850 нм (длиной до 500 м).
-
1000BASE-LX - сегмент на мультимодовом (длиной до 500 м) и одномодовом (длиной до 2000 м) оптоволоконном кабеле с длиной волны светового сигнала 1300 нм.
-
1000BASE-CX - сегмент на экранированной витой паре (длиной до 25 м).
-
1000BASE-T - сегмент на счетверенной неэкранированной витой паре (длиной до 100 м).
Специально для сети Gigabit Ethernet предложен метод кодирования передаваемой информации 8В/10В, построенный по тому же принципу, что и код 4В/5В сети FDDI. Восьми битам информации, которую нужно передать, ставится в соответствие 10 бит, передаваемых по сети. Этот код позволяет сохранять самосинхронизацию, легко обнаруживать несущую (факт передачи), но не требует удвоения полосы пропускания, как в случае кода Манчестер-П.
Для увеличения 512-битного интервала сети Ethernet, соответствующего минимальной длине пакета, (51,2 икс в сети Ethernet и 5,12 мкс в сети Fast Ethernet), разработаны специальные методы. В частности, минимальная длина пакета увеличена до 512 байт (4096 бит). В противном случае временной интервал 0,512 мкс чрезмерно ограничивал бы предельную длину сети Gigabit Ethernet. Все пакеты с длиной меньше 512 байт расширяются до 512 байт. Это требует дополнительной обработки пакетов.
Предполагается поддерживать передачу в сети Gigabit Ethernet как в полудуплексном режиме (с сохранением метода доступа CSMA/CD), так и в более быстром полнодуплексном режиме (как и в предшествующей сети Fast Ethernet).
Прежде всего Gigabit Ethernet, видимо, найдет применение в сетях, объединяющих компьютеры больших фирм, предприятий, которые располагаются в нескольких зданиях. Она позволит с помощью соответствующих коммутаторов, преобразующих скорости передачи, обеспечить каналы связи с высокой пропускной способностью между отдельными частями сложной сети (рис. 5.21) или линии связи коммутаторов со сверхбыстродействующими серверами (рис. 5.22).















