zadachnik (534929), страница 3
Текст из файла (страница 3)
Д
иапазон изменения прямого тока: 0 – 10 мА, значения температуры: 270C и 500С.
Указания
Моделирование. Для моделирования ВАХ диода составляется схема, показанная на рис.1.1. Отдельные элементы схемы (источник напряжения, прибор для измерения тока и диод) переносятся на поле чертежа после нажатия кнопок с соответствующим обозначением на панели инструментов и вытягивания при помощи удержания левой кнопки мыши в нажатом состоянии. Ориентация элементов на поле может быть изменена при помощи команд в окне, открывающемся после нажатия правой кнопки мыши. Необходимые значения напряжения источника устанавливаются в специальном окне, открывающемся после подведения курсора и двойного щелчка левой кнопкой мыши на значке элемента. Для выбора необходимого типа диода следует поступить аналогичным образом: после открытия окна с библиотеками выбрать ту, в которой должен содержаться диод, а затем после щелчка левой кнопкой мыши – тип диода. Соединение элементов в схему производится при помощи подведения курсора к электродам и удержания в нажатом состоянии кнопки мыши. Следует обращать особое внимание на надежность соединений, которое подтверждается появлением в месте соединения точки большого диаметра, а также на необходимость заземления схемы, без которого моделирование невозможно.
Температура по умолчанию равна 270С. Для ее изменения следует нажать кнопку Analysis, затем Analysis Options, Global и в открывшемся окне установить необходимую температуру (500С).
Для снятия ВАХ при каждом установленном напряжении источника программа переводится в режим моделирования с помощью кнопки в верхнем углу основного окна, и определяется протекающий через диод ток по амперметру.
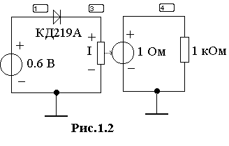
Возможен и другой путь, при котором ВАХ сразу отображается на графике (для версии EWB 5.12). Для этого необходимо в схеме на рис.1.1 включить преобразователь тока в напряжение (рис.1.2). Этот элемент преобразует ток в цепи диода в напряжение, пропорциональное току. Такое преобразование необходимо вследствие особенностей программы, ориентированной в основном на моделирование и выдачу результатов в виде напряжений в различных узлах схемы. Необходимо также для осуществления процесса моделирования согласно условиям работы программы источник преобразованного напряжения нагрузить на резистор произвольной величины (например 1 кОм по умолчанию). Связь между напряжением источника и током в цепи диода определяется по коэффициенту преобразования. Например, при коэффициенте, равном 1 Ом, напряжению 1 В соответствует ток через диод 1 А, а при коэффициенте 1 кОм – ток 1 мА. Значение коэффициента преобразования по умолчанию устанавливается равным 1 Ом; при необходимости это значение может быть изменено таким же способом, как и для других элементов (например, для источника напряжения).
Далее последовательно нажимаются кнопки Circuit, Schematic Options и в открывшемся окне с помощью курсора отмечается позиция Show Nodes (показать узлы). В результате вблизи каждого узла на схеме появляются специально выделенные номера.
Для моделирования ВАХ необходимо последовательно нажать кнопки Analysis, DC Sweep, в открывшемся окне отметить источник, напряжение которого подлежит свипированию, указать диапазон свипирования (верхний и нижний пределы) и шаг. Затем дается команда на моделирование при помощи кнопки Simulate. В результате в открывающемся окне появляется ВАХ. При этом следует иметь ввиду, что по вертикальной оси всегда будут отложены значения напряжений в узле схемы, номер которого установлен в окне установки параметров свипирования. Если эти напряжения являются результатом преобразований тока в цепи исследуемого диода, то истинные значения величин на оси определяются делением напряжений на коэффициент преобразования в схеме (например, при обычно используемом коэффициенте 1 Ом напряжения на оси в диапазоне 1 мкВ – 1 В соответствуют диапазону токов 1 мкА – 1 А). Панель инструментов в верхней части окна позволяет осуществить редактирование графика – выбор наиболее удобной координатной сетки, изменение масштабов по осям. Имеется удобная возможность считывать координаты любой точки в специальном окне при протягивании визира вдоль ВАХ.
При отсутствии в списке Analysis кнопки DC Sweep (EWB 5.0а,с) для получения и отображения ВАХ на экране можно воспользоваться кнопкой Parameter Sweep.
Расчет. При расчете ВАХ следует воспользоваться соотношением (1.8). Необходимые для расчета значения теплового тока (тока насыщения при 300К) и сопротивления базы можно взять из модели диода, нажав кнопку Edit, в открывающемся окне после двойного щелчка мышью по обозначению диода на схеме. С учетом того, что (1.8) представляет выражение для идеализированной ВАХ, в каждой модели введен коэффициент идеальности n, позволяющий получить наилучшее согласование моделируемой и реальной ВАХ с учетом конструктивно-технологических особенностей диода данного типа. Значения n определяются при просмотре файла модели (например, с помощью программы “WordPad”). При расчете ВАХ по (1.8) и температурной зависимости теплового тока по (1.6) и (1.7) коэффициент идеальности n подставляется в знаменатель показателя экспоненты в (1.6) и (1.7), а в (1.7) показатель степени умножается на 1/n. Расчет температурной зависимости теплового тока рекомендуется вести исходя из известной величины I0(300 K) с использованием (1.6) и (1.7).
-
Построить на одном графике обратные ветви ВАХ диода заданного типа при двух различных температурах, полученные путем моделирования. На этом же графике нанести ВАХ, полученные в результате аналитического расчета при тех же условиях.
Условия
Д
иапазон изменения обратного напряжения 0 – 1 В; значения температуры равны 270С и 500С.
Указания
Моделирование. Для получения ВАХ можно воспользоваться схемой на рис.1, изменив предварительно полярность напряжения источника в окне установки значений напряжения. В том случае, если обратный ток мал и чувствительности амперметра недостаточно для его измерения (показания амперметра 0,00 мкА), необходимо перейти к схеме, показанной на рис.1.3. Для определения тока в цепи диода необходимо показания вольтметра, включенного в цепь управляемого током источника напряжения, разделить на коэффициент преобразования источника, который должен быть более 1В/А (1 Ом). Так, например, при показаниях вольтметра 25 мкВ и коэффициенте преобразования 1000 Ом ток в цепи диода равен 2,5·10-8 А.
Если при моделировании используется схема на рис.1.2, позволяющая получить полную ВАХ при обратных напряжениях, то в изменении коэффициента преобразования по отношению к установленному по умолчанию (1 Ом) нет необходимости, так как в процессе моделирования масштаб графиков будет выбран автоматически. Последовательность действий при моделировании ВАХ такая же, как и в п.1. При этом следует помнить, что знак напряжений, устанавливаемых в окне свипируемого источника, должен соответствовать обратному смещению диода.
Расчет проводится по тем же соотношениям, которые указаны в п.1.
-
Построить на различных графиках полученные при моделировании зависимости прямого и обратного токов диодов от температуры. На этих же графиках нанести зависимости, полученные в результате аналитических расчетов.
Условия
Диапазон изменения температур 0 – 500С.
При снятии зависимости прямого тока от температуры прямое напряжение должно быть подобрано таким образом, чтобы прямой ток при температуре 270С составлял 1 мА. При снятии зависимости обратного тока от температуры обратное напряжение должно быть равно 1 В.
Указания
Моделирование. Температурные зависимости токов могут быть получены при помощи схем на рис.1.1 и 1.3 путем отсчета показаний измерительных приборов после каждой установки температуры (см. п.1), однако есть возможность получения полного графика температурной зависимости тока. Для этого следует использовать схему на рис.1.2, где необходимо предварительно установить либо подобранное согласно заданным условиям прямое напряжение источника (при снятии температурной зависимости прямого тока), либо обратное напряжение (1 В). Далее нажимаются кнопки в последовательности Analysis, Тemperature Sweep и в открывшейся вкладке устанавливается режим свипирования по температуре (начальное и конечное значения температуры, тип свипирования – линейный, а также шаг изменения температуры). Далее следует указать номер узла, напряжение в котором пропорционально току через диод (см. п.1), и установить режим “DC Operation Point”, после чего дается команда на моделирование посредством кнопки “Simulate”. Температурная зависимость тока отображается в открывающемся при моделировании окне; масштабы изображения графика и координатная сетка могут быть отредактированы. Отсчет координат точек графика проводится так же, как в п.1.
Расчет. Последовательность расчета температурной зависимости токов через диод указана в п.1.
-
Для схемы, показанной на рис.1.4, определить токи через диод заданного типа при различных температурах и сравнить с результатами аналитического расчета.
Условия
И
спользовать значения температуры 270С и 500С.
Указания
Моделирование. Для определения токов через диод необходимо включить в схему на рис.1 резистор и установить его значение в окне, открывающемся после подведения курсора к обозначению резистора и двойного щелчка мыши.
Расчет. Для расчета необходимо воспользоваться (1.8).
-
Построить на различных графиках зависимости дифференциального сопротивления диода от приложенного напряжения при прямом и обратном смещениях. На этих же графиках нанести аналогичные зависимости, полученные путем аналитических расчетов.
Условия
Диапазон приложенных напряжений при прямом смещении выбрать таким образом, чтобы ток через диод изменялся в пределах 0,1 – 10 мА. Диапазон обратных напряжений 0 – 10 В. Температура 270С.
Указания
Моделирование. Для определения дифференциального сопротивления Rдиф рекомендуется использовать схему на рис.1.1. После выставления заданного напряжения источника необходимо нажать кнопки на инструментальной панели в последовательности: Analysis, Transfer Function, в открывшемся окне поставить точку напротив обозначения Voltage и перейти в режим моделирования. В окне, появляющемся после завершения моделирования, отсчитать Rдиф в строчке Input Impedance.
Расчет Rдиф проводится на основании (1.8).
2.Биполярные и полевые транзисторы
2.1.Основные характеристики биполярных транзисторов
Биполярный транзистор представляет структуру, образованную тремя слоями полупроводника с различным типом проводимости в соседних слоях, что приводит к образованию двух p-n переходов. Каждый из слоев структуры, участвующих в образовании переходов, имеет отдельный вывод и определенное название: крайние слои и соответствующие им выводы называются эмиттером и коллектором, средний слой и соответствующий ему вывод называется базой. Степень легирования слоев примесями различна, что не позволяет рассматривать структуру как симметричную:
Nэ>>Nб>Nк.
P-n переход, образованный слоями эмиттера и базы, называется эмиттерным, а слоями базы и коллектора – коллекторным.
В зависимости от типа проводимости слоев различают биполярные транзисторы со структурой n-p-n и p-n-p.
Для того чтобы транзистор мог выполнять полезные функции, на его электроды необходимо подать постоянные напряжения. При этом различают три схемы включения, отличающиеся выбором общего электрода, относительно которого напряжения подаются на два остальные: схемы с общей базой (ОБ), с общим эмиттером (ОЭ) и общим коллектором (ОК).
С
татические характеристики транзистора, т.е. связи, существующие между постоянными токами и напряжениями в цепях транзистора, играют важную роль в схемотехническим проектировании, так как с их помощью осуществляется выбор рабочей точки, определяющий дифференциальные параметры транзистора и всего схемотехнического устройства в целом. Вид статических характеристик обусловлен свойствами двух входящих в состав структуры p-n переходов и их взаимосвязью. Так, в частности, при включении транзистора со структурой n-p-n по схеме ОБ (рис.2.1), ВАХ входной цепи или входная характеристика определяется уравнением, аналогичным (1.1):
где Iэ0 – тепловой ток эмиттерного перехода.
Ток в цепи коллектора определяется, во-первых, током инжектированных в базу и дошедших до коллектора электронов Iэ, где - коэффициент передачи тока эмиттера, учитывающий потери инжектированных электронов на рекомбинацию в базе (<1). Во-вторых, в цепи коллектора, как и в цепи любого p-n перехода, протекает ток, аналогичный (2.1). В результате суммарный ток коллектора с учетом направления его компонент равен
















