pb_03-278-99 (524175)
Текст из файла
#G0
УТВЕРЖДЕН
постановлением
Госгортехнадзора России
от 19.03.99 № 21
Технологический регламент проведения аттестации сварщиков и специалистов сварочного производства
ПБ 03-278-99
1. Порядок проведения аттестации сварщиков
1.1. При представлении к аттестации сварщика работодатель (заявитель) направляет в аттестационный центр заявку по форме, приведенной в приложении 1.
Кандидат имеет право самостоятельно представить о себе необходимую информацию.
1.2. Объем теоретических знаний аттестуемого сварщика должен удовлетворять требованиям, приведенным в приложении 2.
1.3. Аттестацию сварщиков проводят путем проверки их теоретических знаний и практических навыков.
1.4. Процедура аттестации включает в себя сдачу аттестуемым сварщиком общего, специального и практического экзаменов.
1.5. Аттестацию сварщиков начинают с проведения практического экзамена. Если сварщик не выдерживает практический экзамен, то к дальнейшим экзаменам он не допускается и считается не прошедшим аттестацию.
1.6. На общем экзамене сварщику задают 20 вопросов по теоретическим основам сварки, а на специальном экзамене - 15 произвольно выбранных вопросов в соответствии со способом сварки, по которому он аттестуется, и направлением его производственной деятельности. Выбор вопросов проводит аттестационная комиссия по сборникам экзаменационных вопросов по общему и специальному экзаменам. Каждый из сборников должен содержать не менее 150 вопросов.
Если сварщик аттестуется на два или более способов сварки, например, ручная дуговая сварка покрытыми электродами и ручная аргонодуговая сварка вольфрамовым электродом, то на специальном экзамене ему задают не менее 15 вопросов из разных сборников, причем не менее 5 по каждому способу сварки, на которые он аттестуется.
1.7. Общий и специальный экзамены проводят в письменной форме или с помощью компьютера с последующим дополнительным собеседованием.
1.8. Сварщик считается выдержавшим общий и специальный экзамены, если он правильно ответил не менее чем на 80% заданных ему вопросов на каждом из экзаменов.
1.9. Сварщик считается аттестованным при успешной сдаче всех теоретических и практического экзаменов.
1.10. Если сварщик выдержал только практический и один из теоретических экзаменов, то ему разрешается пересдача несданного экзамена по дополнительной заявке в течение одного года со дня первого экзамена, но не ранее чем через месяц после сдачи экзаменов. При повторной несдаче все ранее сданные при аттестации экзамены не засчитываются, а сварщик считается не прошедшим аттестацию.
1.11. При аттестации сварщика подлежат учету следующие характеристики сварных соединений:
способы сварки и наплавки; типы швов;
виды контрольных сварных соединений; труппы основных материалов; сварочные материалы;
размеры контрольных сварных соединений; положение соединения при сварке.
1.11.1. Аттестацию сварщиков проводят по следующим способам сварки и наплавки:
РД - ручная дуговая сварка покрытыми электродами (III);
РАД - ручная аргонодуговая сварка неплавящимся электродом (141);
МАДП - механизированная аргонодуговая сварка плавящимся электродом (131);
МП - механизированная сварка плавящимся электродом в среде углекислого газа (135);
ААД - автоматическая аргонодуговая сварка неплавящимся электродом;
ААДП - автоматическая аргонодуговая сварка плавящимся электродом;
АПГ - автоматическая сварка плавящимся электродом в углекислом газе;
АФ - автоматическая сварка под флюсом (12);
ПАФ - полуавтоматическая (механизированная) сварка под флюсом;
ПП - механизированная сварка порошковой проволокой (114);
ПП - механизированная сварка порошковой проволокой в среде углекислого газа (136);
П - плазменная сварка (15);
ЭШ - электрошлаковая сварка;
ЭЛ - электронно-лучевая сварка;
Г - газовая сварка (311);
РДН - ручная дуговая наплавка покрытыми электродами;
РАДН - ручная аргонодуговая наплавка;
ААДН - автоматическая аргонодуговая наплавка;
АФЛН - автоматическая наплавка ленточным электродом под флюсом;
АФПН - автоматическая наплавка проволочным электродом под флюсом.
Примечания. 1. Под аргонодуговой сваркой следует понимать как сварку в среде аргона, так и сварку в среде гелия, в смеси аргона с гелием (в любых пропорциях), а также в смеси аргона с углекислым газом при содержании последнего в смеси до 25% или в смеси аргона с кислородом при содержании кислорода до 5%.
2. В скобках указан код способа сварки по европейской классификации.
3. Аттестация на право выполнения сварочных (наплавочных) работ другими способами сварки (наплавки) плавлением должна выполняться по программам, разработанным аттестационными центрами и утвержденным Госгортехнадзором России.
1.11.2. При аттестации сварщики выполняют контрольные сварные соединения следующих типов: со стыковыми - СШ (BW) и/или угловыми - УШ (FW) швами.
Правила распространяются на сварку стыковых и угловых швов в соединениях листов - Л (Р) и труб - Т (Т) следующих типов: стыковые, тавровые, угловые, торцевые и нахлесточные.
Под понятием "труба", кроме собственно труб, подразумеваются также детали круглого полого профиля (штуцера, патрубки, обечайки, корпуса коллекторов и пр.).
1.11.3. Контрольные сварные соединения, выполняемые при аттестации, подразделяются на следующие виды:
сварные соединения, выполняемые с одной стороны (односторонняя сварка) - ос (ss) и с двух сторон (двусторонняя сварка) - дс (bs);
сварные соединения, выполняемые на съемной или остающейся подкладке, подкладном кольце - сп (mb) и без подкладки (на весу) - бп (nb);
сварные соединения, выполняемые с зачисткой корня шва - зк (gg), без зачистки корня шва - бз (ng);
сварные соединения, выполняемые с газовой защитой корня шва (поддувом газа) - гз (gb).
1.11.4. Аттестационные испытания проводят отдельно для каждой группы основных материалов (табл.4).
Аттестационные испытания сварщика по сварке контрольных сварных соединений из конкретной марки материала, входящего в группу, распространяются на все материалы, входящие в эту группу.
При аттестации сварщика на сварку деталей из материалов различных групп экзамен следует проводить для каждого сочетания групп основного материала с учетом области распространения, приведенной в подразделе. Аттестационные испытания при наплавке ручными способами необходимо проводить отдельно для следующих групп основных материалов: наплавляемые без подогрева; наплавляемые с подогревом.
1.11.5. Для сварки контрольных сварных соединений должны использоваться сварочные материалы (электроды, сварочная проволока, лента, флюс, газы), регламентированные нормативными документами для сварки конкретным способом соединений из конкретной группы основного материала или конкретного сочетания основных материалов различных групп.
Электроды, покрытые металлические для ручной дуговой сварки по типу покрытия подразделяются на:
А (А) - электроды с кислым покрытием;
Б (В) - электроды с основным покрытием;
Ц (С) - электроды с целлюлозным покрытием;
Р (R) - электроды с рутиловым покрытием;
PA (RA) - электроды с кисло-рутиловым покрытием;
РБ (RB) - электроды с рутил-основным покрытием;
РЦ (RC) - электроды с рутил-целлюлозным покрытием;
РР (RR) - электроды с рутиловым толстым покрытием;
П (S) - электроды с покрытием прочих видов, в том числе специальных.
Примечания. 1. Обозначение видов электродных покрытий даны в соответствии с ГОСТ 9466.
2. В скобках приведен шифр покрытия электродов по европейским нормам.
Таблица 4
Группы материалов на основе железа, алюминия и меди
Примечания. 1. Для литейных алюминиевых сплавов присадочный материал должен быть таким, который установлен нормативными документами для деформируемых сплавов той же группы.
2. В скобках приведен код группы по европейской классификации. Перечень марок основных материалов, используемых при изготовлении объектов, подконтрольных Госгортехнадзору России, приведен в табл. 5.
Таблица 5
Группы марок основных материалов
| #G0Группа материалов | Марки материалов |
| М01 (WOI) | Ст2, Ст3, Ст3Г, Ст4, 08, 08Т, 08ГТ, 10, 15, 15Г, 18, 18Г, 20, 20Г, 25, 15K, 16K, 18K, 20K, 22K, 15Л, 20Л, 25Л, 20ЮЧ, А, В, 09Г2, 10Г2, 14Г2, E32, Д32, 16ГМЮЧ, 12ГС, 15ГС, 16ГС, 17ГС, 17Г1С, 17Г1СУ, 20ГСЛ, 20ГМЛ, 09Г2С, 09Г2СА, 09Г2С-Ш, 10Г2С, 10Г2С1, 10Г2С1Д, 14ХГС, 09Г2СЮЧ, 09ХГ2СЮЧ, 09ХГ2НАБЧ, 07ГФБ-У, 15ХСНД, 14ГНМА, 16ГНМА, 10ГН2МФА, 10ГН2МФАЛ, 15ГНМФА |
| М02 (W02) | 12MX, 12XM, 15XM, 20XM, 20XMA, 20ХМЛ, 10X2M, 10Х2М-ВД, 20X2MA, 1X2M1, 12X2M1, 10X2M1A, 10X2M1A-A, 10Х2М1А-ВД, 10Х2М1А-Ш, 12Х1МФ, 15Х1М1Ф, 20ХМФЛ, 15Х1М1ФЛ, 12Х2МФСР, 12Х2МФА, 15Х2МФА, 15Х2МФА-А |
| МОЗ (W03) | 13ГС-У, 13Г1С-У, 14Г2АФ, 15Г2АФД, 16Г2АФ, 18Г2АФ, 09Г2ФБ, 10Г2ФБ, 09Г2БТ, 10Г2БТ, 15Г2СФ, 12Г2СМФ, 12ГН2МФАЮ, Д40, E40, 10ХСНД, 10XH1M, 12XH2, 12XH3A, 10Х2ГНМ, 10Х2ГНМА-А, 30ХМА, 15Х2НМФА, 15Х2НМФА-А, 18Х2МФА, 25Х2МФА, 12X2H4A, 18X3MB, 20ХЗМВФ, 25ХЗМФА, 15ХЗНМФА, 15ХЗНМФА-А, 20ХНЗЛ, 38ХНЗМФА |
| М04 (W04) | 20Х13, 08Х14МФ, 20X17H2, 12Х13, 12Х11В2МФ (1Х12В2МФ), 08Х13, 08X17T, 15Х25, 15X25T, 15Х28, 05X12H2M, 06Х12НЗДЛ, 07Х16Н4Б |
| М05 (W05) | 15Х5, 15X5M, 15Х5М-У, 15Х5ВФ, X8, 12Х8, 12Х8ВФ, X9M, 20Х5МЛ, 20Х5ВЛ, 20Х5ТЛ, 20Х8ВЛ |
| M11 (W11) | 12Х21Н5Т, 07Х16Н6, 08Х22Н6Т, 08Х21Н6М2Т, 08Х18Г8Н2Т, 10Х21Н6М2Л, 15Х18Н12С4ТЮ, 07Х13АГ20, 07Х13Н4АГ20, 10Х14Г14Н4Т, ОЗХ17Н14МЗ, 08Х17Н13М2Т, 10Х17Н13МЗТ, 10Х17Н13М2Т, 08Х17Н15МЗТ, 12Х18Н9Т, ОЗХ16Н9М2,08Х16Н9М2, 08Х16Н11МЗ, 08Х18Н9, 09Х19Н9, 10Х18Н9, 12Х18Н9, 04Х18Н10, 08Х18Н10, 06Х18Н10Т, 08Х18Н10Т, 12Х18Н10Т, 02Х18Н11, ОЗХ18Н11, 12Х18Н12Т, 08Х18Н12Б, ОЗХ19АГЗН10Т, ОЗХ20Н16АГ6, ОЗХ21Н21М4ГБ, 10Х18Н9ТЛ, 10Х18Н12МЗЛ, 10Х18Н12МЗТЛ, 10Х18Н9Л, 20Х18Н9ТЛ, 12Х18Н9ТЛ, 12Х18Н12МЗТЛ, 02Х8Н22С6, 02Х8Н22С6-ПД, 02Х8Н22С6-Ш |
| М21 (W21) | АД0, АД00, АД1, А99, А85, А5, А6, А7, А8, АМц |
| М22 (W22) | Амг1, АМг2, Амг3, АМг4, АМг5, Амг6 |
| М23 (W23) | АмцС |
| М24 | М1, М2, М3, М1р, М2р, М3р |
| М25 | Л63, Л68, ЛС59-1, Л062-1, ЛЖМЦ59-1-1 |
Примечание. По согласованию со специализированными научно-исследовательскими организациями допускается применение других марок сталей, цветных металлов и сплавов. Программы экзаменов при этом должны быть согласованы в установленном порядке.
1.11.6. На экзамене сварщик должен выполнить контрольные сварные соединения, по диаметру и толщине однотипные производственные.
В табл. 6 и 7 приведены диапазоны толщин листов и стенок труб, а также диапазоны диаметров труб, которых следует придерживаться при проведении практического экзамена.
Аттестационные испытания при ручной наплавке проводят отдельно для следующих положений: нижнее, горизонтальное, вертикальное снизу вверх и потолочное.
Таблица 6
Толщины контрольных сварных соединений и области распространения
| #G0Материалы | Толщина образца, t, мм | Область распространения |
| Стали | t <= 3 3 < t <= 12 t > 12 | от t до 2t*1 от 3 мм до 2t*2 от 5 мм и выше |
| Алюминий и его сплавы | t <= 6 6 < t <= 15 | 0,7t до 2,5t 6 < t < 40*3 |
| Медь и ее сплавы | t <= 3 3 < t <= 10 | 0,7t до 2,5t*1 от 3мм до 2t*2 |
_____
*1. При газовой сварке: t до l,5t.
*2. При газовой сварке: от 3мм до l,5t.
*3. При толщине деталей более 40 мм требуется отдельная аттестация, которая должна быть отмечена в аттестационном удостоверении и протоколе аттестации.
Таблица 7
Диаметры образцов контрольных сварных соединений при сварке труб и области распространения
| #G0Материалы | Диаметр трубы, D, мм | Область распространения |
| Стали | D <= 3 25 < D <= 150 D > 150 | от D до 2D от 0,5D (не менее 25 мм) до 2D от 0,5D и выше |
| Алюминий и его сплавы | D <= 125 D > 125 | от 0,5D до 2D от 0,5D и выше |
| Медь и её сплавы | D <= 125 D > 125 | от 0,5D до 2D от 0,5D и выше |
Обозначения положений сварки:
H1 (PA) - нижнее стыковое и в "лодочку";
Н2 (РВ) - нижнее тавровое;
Г (PC) - горизонтальное;
П1 (РЕ) - потолочное стыковое;
П2 (PD) - потолочное тавровое;
В1 (PF) - вертикальное снизу вверх;
В2 (PG) - вертикальное сверху вниз;
Н45 (H-L045) - наклонное под углом свыше 10 до 45 градусов.
В скобках указано обозначение по европейской классификации.
Примечания. 1. Нижнее (потолочное) положение - положение, при котором ось шва свариваемых пластин или труб располагается под углом 0 - 10 градусов от горизонтальной плоскости.
2. Вертикальное положение - положение, при котором ось шва свариваемых пластин или ось трубы располагаются под углом 0 - 10 градусов от вертикальной плоскости.
3. Наклонное положение - положение, при котором ось шва свариваемых пластин или ось трубы располагаются под углом 10 до 80 градусов от горизонтальной плоскости.
1.11.7. При проведении практического экзамена сварщик выполняет контрольные сварные соединения в одном или нескольких положениях, приведенных на рис. 1 и 2. Аттестационные испытания по автоматической аргонодуговой наплавке проводят отдельно для нижнего и горизонтального положений, а аттестационные испытания по автоматической наплавке под флюсом - в нижнем положении.
Положения сварки контрольных сварных соединений и наплавок должны соответствовать тем, в которых сварщику предстоит выполнять производственные сварные соединения (наплавки).
При ручной сварке (наплавке) и механизированной сварке в защитных газах и порошковой проволокой для получения права выполнения работ во всех пространственных положениях аттестуемому сварщику необходимо выполнять сварку (наплавку) контрольных сварных соединений в наиболее трудных положениях (потолочном, неповоротном и т.п.).
Рис. 1. Положение шва при сварке стыковых (а) и тавровых (б) соединений листов:
H1 - нижнее;
Н2 - нижнее тавровых соединений;
B1 - вертикальное (сварка снизу вверх);
В2 - вертикальное (сварка сверху вниз);
Г - горизонтальное; П1 - потолочное;
П2 - потолочное тавровых соединений
Рис. 2. Положение шва при сварке стыковых (а) и угловых (б) соединений труб:
H1 - нижнее при горизонтальном расположении осей труб (трубы), свариваемых (привариваемой) с поворотом;
Н2 - нижнее при вертикальном расположении оси трубы, привариваемой без поворота или с поворотом;
В1 - переменное при горизонтальном расположении осей труб (трубы), свариваемых (привариваемой) без поворота "на подъем";
В2 - переменное при горизонтальном расположении осей труб (трубы), свариваемых (привариваемой) без поворота "на спуск";
Г - горизонтальное при вертикальном расположении осей труб, свариваемых без поворота или с поворотом;
Н45 - переменное при наклонном расположении осей труб (трубы), свариваемых (привариваемой) без поворота;
П2 - потолочное при вертикальном расположении оси трубы, привариваемой без поворота или с поворотом
1.12. Сварка и наплавка контрольных сварных соединений.
1.12.1. Расположение контрольного сварного соединения (наплавки) при аттестации должно быть аналогично условиям выполнения производственных сварных соединений (наплавок). Контрольные сварные соединения (наплавки) должны выполняться в соответствии с требованиями карт технологического процесса. Карты технологического процесса могут разрабатываться на группу однотипных сварных соединений или конкретные сварные соединения. Типовая форма карты технологического процесса по сварке (наплавке) приведена в приложении 3.
Карта технологического процесса на сварку (наплавку) контрольного соединения должна учитывать следующее:
способ сварки должен соответствовать применяемому на производстве;
сварочные (присадочные и наплавочные) материалы должны соответствовать рекомендуемым нормативными документами по сварке для способа сварки (наплавки), применяемого при аттестации;
комбинации основного и присадочного материалов должны соответствовать используемым в производстве;
тип сварочного оборудования должен соответствовать применяемому на производстве;
разделка кромок деталей контрольного сварного соединения, режим сварки, порядок сварки, температура предварительного и сопутствующего подогрева и режим термической обработки при сварке контрольного сварного соединения должны соответствовать требованиям нормативных документов, оговоренных в аттестационной заявке.
Примечания. 1. Термическая обработка контрольных сварных соединений может не проводиться, если не требуется выполнение испытаний на изгиб.
2. Контрольное сварное соединение считают однотипным, если оно соответствует требованиям, изложенным в нормативных документах, согласованных с Госгортехнадзором России.
1.12.2. Размеры деталей контрольных сварных соединений должны соответствовать приведенным на рис. 3-6. Длина деталей выбирается с учетом возможности выполнения всех технологических (подогрев, термическая обработка) и контрольных операций, оговоренных картой технологического процесса.
Примечание. Возможность использования контрольных сварных соединений другого вида и/или размеров определяет аттестационная комиссия.
1.12.3. Контрольные сварные соединения (наплавки), выполняемые сварщиком при аттестации, назначает аттестационная комиссия с учетом заявки на проведение аттестации из условия, что они должны быть однотипны тем, которые аттестуемый сварщик выполняет в производственных условиях.
1.12.4. Количество контрольных сварных соединений из труб должно быть не менее 5 при наружном диаметре труб до 25 мм, не менее 2 - при диаметре труб свыше 25 до 100 мм и не менее 1 - при диаметре труб свыше 100 мм.
При выполнении контрольных сварных соединений пластин сваривают одно или более контрольных соединений длиной не менее 450 мм при автоматической сварке и не менее 300 мм при ручной и механизированной сварке.
При выполнении контрольных сварных соединений при вварке труб в трубные решетки количество ввариваемых труб должно быть не менее 7, при этом одна из труб должна располагаться центрально по отношению к остальным.
1.12.5. При выполнении контрольных наплавок антикоррозионного покрытия толщина наплавляемых пластин должна быть не менее 40 мм. Площадь контролируемой части наплавки должна быть не менее 200х150 мм при ручной и не менее 400х150 мм при автоматической наплавках.
1.12.6. Сварочные (наплавочные) материалы, применяемые при сварке (наплавке) контрольных сварных соединений (наплавок), должны быть проконтролированы в соответствии с требованиями нормативных документов, согласованными с Госгортехнадзором России, и признаны годными для сварки.
1.12.7. Сварочное оборудование, применяемое для сварки контрольных сварных соединений при аттестации сварщиков, должно иметь контрольно-измерительные приборы и быть в исправном состоянии.
1.12.8. Сборка деталей соединения под сварку осуществляется сварщиком, проходящим аттестацию. Разрешение на сварку контрольного соединения выдает член аттестационной комиссии после приемки качества его сборки, о чем делается отметка в "Журнале учета работ при аттестации сварщиков" (приложение 4).
Сварка контрольных сварных соединений должна выполняться в присутствии члена (членов) аттестационной комиссии. Детали перед сваркой должны быть замаркированы под контролем члена аттестационной комиссии. Клеймо выбирает член аттестационной комиссии и регистрирует в журнале.
1.12.9. При сварке контрольного соединения должны выполняться следующие условия:
контрольный образец (сварное соединение) должен иметь в корне и в верхнем наплавленном слое, по меньшей мере, одно прерывание процесса с последующим возобновлением сварки в этом месте;
время выполнения сварного шва (наплавки) контрольного сварного соединения (наплавки) не должно превышать времени выполнения шва (наплавки) в производственных условиях;
сварщик с разрешения члена аттестационной комиссии может устранять мелкие поверхностные дефекты ручным абразивным инструментом или другими принятыми способами;
устранение дефектов в облицовочном слое шва не допускается.
Рис. 3. Размеры деталей для стыковых контрольных сварных соединений листов
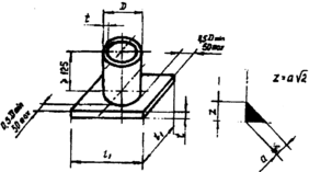
Рис. 4. Размеры деталей для тавровых контрольных сварных соединений листов:
при t > 6 мм, а < 0,5 t;
при t < 6 мм, 0,5t <. a <. (Z = 0,7t)
Рис. 5. Размеры деталей для стыковых контрольных сварных соединений труб
Рис. 6. Размеры деталей для угловых контрольных сварных
соединений труб между собой и труб с листами:
при t > 6 мм, a < 0,5t;
при t < 6 мм, 0,5t < a < (Z = 0,7t)
1.12.10. Аттестационная комиссия может прервать практический экзамен, если сварщиком нарушены условия и технология сварки или если видно, что сварщик не в состоянии выполнить контрольное сварное соединение в соответствии с требованиями технологии и настоящих Правил, например, требуются частые и/или систематические исправления при сварке соединения.
1.13. Контроль качества контрольных сварных соединений.
1.13.1. Контрольные сварные соединения подвергают неразрушающему и разрушающему контролю качества методами, приведенными в табл. 8. Контролю неразрушающими методами подлежит каждое контрольное сварное соединение по всей его длине (периметру).
Аттестационные наплавки подлежат сплошному контролю по всей площади наплавки следующими методами: визуальным, измерительным, капиллярным и ультразвуковым.
1.13.2. Помимо указанных в табл. 8 методов контроля контрольные сварные соединения могут дополнительно подвергаться и другим методам контроля (испытания на стойкость против межкристаллитной коррозии, испытания на ударный изгиб, статическое растяжение, измерение твердости, контроль травлением, визуальный контроль при послойной проточке сварного соединения и т.д.), если применение этих методов оговорено нормативными документами, согласованными или утвержденными Госгортехнадзором России при контроле производственных сварных соединений, или указано в заявке на проведение аттестации.
1.13.3. Контроль качества контрольных сварных соединений (наплавок) должен выполняться контролерами (дефектоскопистами, специалистами, непосредственно выполняющими контроль, лаборантами), аттестованными в установленном порядке на выполнение контроля конкретными методами.
Таблица 8
Методы испытаний контрольных сварных соединений и наплавок
| #G0Метод контроля | Стыковое соединение листов | Стыковое соединение труб | Угловое соединение | Наплавка |
| Визуальный и измерительный (ВИК) | * | * | * | * |
| Радиографический (РГК) | *1 | *1 | *2 | - |
| Ультразвуковой (УЗК) | *3 | *3 | *4 | *9 |
| Испытание на статический изгиб (сплющивание) | *5 | *5 | - | - |
| Испытание на излом | *1 | *1 | *8 | - |
| Анализ макрошлифов (без полирования) | - | - | *6 | *6 |
| Магнитопорошковый (МПК) или капиллярный (КК) | *7 | *7 | *7 | *7 |
_____
Обозначения: * - контроль является обязательным, кроме случаев, оговоренных в примечании;
- - контроль не является обязательным.
Примечания. 1. Производится радиографический контроль или испытания на излом, но не оба метода контроля вместе.
2. Кроме контрольных угловых сварных соединений приварки труб (патрубков, штуцеров) к листам или трубам при номинальном внутреннем диаметре привариваемой трубы менее 30 мм и соединений вварки труб в трубные решетки.
3. Контролю подлежат контрольные сварные соединения деталей из сталей перлитного, мартенситного, мартенситно-ферритного и ферритного классов толщиной свыше 5,5 мм. Контроль выполняют в случаях, предусмотренных нормативными документами, указанными в заявке, взамен или в дополнение к радиографическому контролю.
4. Кроме контрольных сварных соединений при номинальном внутреннем диаметре привариваемой трубы (патрубка, штуцера) менее 100 мм, а также контрольных сварных соединений трубных решеток.
5. При контроле радиографическим и/или ультразвуковым методами необходимо проводить дополнительное испытание на статический изгиб (сплющивание) для сварных соединений, выполненных газовой сваркой и сваркой плавящимся электродом в среде защитных газов.
6. Испытаниям подлежат не менее 2 макрошлифов.
7. Контроль выполняется по решению аттестационной комиссии с учетом заявки на проведение аттестации.
8. Испытания выполняют для соединений листов.
9. Ультразвуковой контроль на отслоение наплавки.
1.13.4. Контролируемая зона контрольного сварного соединения при контроле неразрушающими методами должна включать весь объем металла шва, а также примыкающие к нему участки основного металла в обе стороны от шва:
а) для стыковых контрольных сварных соединений, выполняемых дуговыми способами сварки или электроннолучевой сваркой шириной не менее 5 мм при толщине свариваемых деталей до 5 мм включительно, не менее номинальной толщины свариваемых деталей при толщине деталей свыше 5 до 20 мм включительно, не менее 20 мм при номинальной толщине свариваемых деталей свыше 20 мм;
б) для угловых и торцевых контрольных сварных соединений и вварки труб в трубные решетки, выполняемых дуговыми способами сварки и электронно-лучевой сваркой, шириной не менее 3 мм независимо от толщины;
в) для контрольных сварных соединений, выполняемых электрошлаковой сваркой, шириной не менее 50 мм независимо от толщины.
1.13.5. Визуальному и измерительному контролю подлежат все контрольные сварные соединения, выполненные сварщиком при аттестации. Контроль выполняется с целью выявления следующих дефектов:
отступлений по размерам и форме швов от требований стандартов, чертежей, технических условий и инструкций по сварке изделий; смещения кромок соединяемых элементов; поверхностных трещин всех видов и направлений; наплывов, подрезов, прожогов, незаваренных кратеров, непроваров, свищей, западаний между валиками, чешуйчатости, поверхностных включений и пор.
Визуальный контроль выполняют в соответствии с требованиями нормативных документов и методиками контроля, согласованными с Госгортехнадзором России.
1.13.6. Визуальный контроль сварных швов производят по всей их протяженности с двух сторон невооруженным глазом или с применением лупы 4-7-кратного увеличения. Перед контролем сварной шов и прилегающие к нему поверхности основного металла на ширину не менее 20 мм при дуговых способах сварки и электронно-лучевой сварке и не менее 50 мм при электрошлаковой сварке по обе стороны шва должны быть очищены от шлака и других загрязнений, затрудняющих выполнение контроля.
Измерительный контроль производят не менее чем в трех местах, расположенных равномерно по длине сварного шва. Выбор мест измерения выполняется представителем аттестационной комиссии.
К радиографическому или ультразвуковому контролю, а также контролю разрушающими методами (испытание на излом, испытание на изгиб, металлографические исследования) контрольных соединений разрешается приступать при условии удовлетворительных результатов визуального и измерительного контроля.
1.13.7. Магнитопорошковый контроль выполняют с целью определения поверхностных и подповерхностных дефектов, а капиллярный контроль - с целью выявления поверхностных дефектов в контрольных сварных соединениях. Магнитопорошковый контроль должен проводиться в соответствии с ГОСТ 21105, капиллярный контроль - в соответствии с ГОСТ 18442 и методиками контроля, согласованными с Госгортехнадзором России. Класс и уровень чувствительности контроля устанавливаются нормативными документами и указываются в технологической карте по сварке.
1.13.8. Радиографический и ультразвуковой контроль проводят для выявления в сварных соединениях внутренних дефектов (трещин, непроваров, несплавлений, одиночных включений, скоплений включений и др.).
Ультразвуковой контроль сварных соединений образцов должен проводиться в соответствии с ГОСТ 14782 и методиками контроля, согласованными с Госгортехнадзором России.
Радиографический контроль сварных соединений должен проводиться в соответствии с ГОСТ 7512 и методиками контроля, согласованными с Госгортехнадзором России.
1.13.9. Радиографический, ультразвуковой, магнитопорошковый или капиллярный контроль контрольных соединений, сваренных сварщиком при аттестации, выполняют по всей протяженности сварных швов.
При оценке качества сварных соединений листов (рис. 3 и 4) результаты контроля на конечных участках длиной 25 мм не учитываются.
1.13.10. Испытания механических свойств контрольных сварных соединений проводят в соответствии с ГОСТ 6996. Примечание. Испытанию на сплющивание подвергают стыковые соединения труб диаметром до 108 мм включительно при толщине стенки до 6 мм включительно в соответствии с п. 1.13.1.
1.13.11. Испытаниям на статический изгиб стыковых соединений листов и труб толщиной 3 мм и выше подлежат 4 образца, из которых 2 образца подлежат изгибу со стороны усиления шва (рис. 7, а), а другие 2 образца - со стороны корня шва (рис. 7, б). При толщине листов и стенок труб 12 мм и выше допускается выполнять испытание образцов "на ребро" (боковой изгиб) согласно рис. 7, в. При этом испытаниям подлежат не менее 4 образцов.
Рис. 7. Схемы испытаний на статический изгиб со стороны усиления шва (а), со стороны корня шва (б) и на боковой изгиб - изгиб "на ребро" (в) образцов из контрольных стыковых сварных соединений листов и труб:
D - диаметр пуансона, L - длина образца;
b = 1,5t, но не менее 20 мм; D =2t или D = 2h;
r = t, но не более 25 мм; К <= D + 3t; L = D + 3h
1.13.12. Металлографическому исследованию макроструктуры подвергают образцы (шлифы), вырезанные из угловых соединений.
Контроль выполняют с целью выявления возможных внутренних дефектов (трещин, непроваров, пор, шлаковых и неметаллических включений и др.), а также для установления размеров дефектов и глубины проплавления шва. Контроль производят путем исследования поверхности шлифа, вырезанного поперек сварного шва. Контролируемая поверхность должна включать сечение шва с зоной термического влияния и прилегающим к ней участком основного металла. При металлографическом исследовании контролю подлежит одна сторона шлифа.
Металлографические исследования угловых швов должны выполняться на шлифах, вырезаемых из контрольного соединения равномерно по длине (периметру) сварного шва. Вырезку шлифов из контрольных соединений, выполненных в положениях В1 и В2 (рис. 2), следует производить таким образом, чтобы ими были представлены участки шва, сваренные в нижнем, вертикальном и потолочном положениях.
1.13.13. Испытания на излом выполняют с целью выявления возможных внутренних дефектов в сечении шва в месте его излома.
1.13.14. Вырезку заготовок для изготовления образцов для механических испытаний, металлографических исследований, измерений твердости и испытаний на излом производят механическим путем режущим или абразивным инструментом. Допускается вырезку заготовок выполнять плазменной или газовой резкой при условии последующей механической обработки заготовок в зоне резки на глубину не менее 2 мм. Краевые участки стыкового и таврового контрольных сварных соединений пластин, выполненных ручными способами сварки, длиной не менее 25 мм подлежат удалению (рис. 8 и 9).
Рис. 8. Схемы вырезки (а), виды (б, в) и схемы испытаний на излом со стороны корня шва (г) и со стороны усиления шва (в) образцов из стыковых контрольных сварных соединений листов
Рис. 9. Схемы вырезки (а) и испытаний (б) на излом образцов из таврового контрольного сварного соединения листов
При автоматической и механизированной сварке в среде защитных газов и порошковой проволокой при толщине металла более 10 мм, автоматической сварке под флюсом, электрошлаковой сварке длину краевых участков принимать в соответствии с указаниями ГОСТ 6996.
Примечание. Заготовки образцов для испытаний на излом, имеющие надрез по боковым поверхностям глубиной 5 мм, разрешается не обрабатывать механическим путем после плазменной и газовой резки.
1.13.15. При изготовлении образцов для испытаний на изгиб усиление шва с наружной и внутренней стороны следует удалять механическим путем. На образцах для испытаний на излом усиление шва допускается не удалять. Перед изготовлением образцов для испытаний на изгиб и испытаний на излом остающаяся стальная подкладка в контрольных сварных соединениях, выполненных с подкладкой, должна быть удалена.
1.13.16. Испытаниям на излом подвергают всю длину стыкового и углового контрольных сварных соединений листов (без краевых участков длиной 25 мм, удаляемых при вырезке заготовок) и труб.
1.13.17. На образцах при испытании на излом разрешается выполнять надрез глубиной до 1 мм со стороны противоположной месту приложения изгибающей нагрузки.
1.13.18. Для испытаний на излом из контрольного стыкового соединения листов (рис. 8, а) вырезают образцы для испытаний шириной 50 мм. При необходимости разрешается удалять усиление шва. В образцах на обоих концах сварного шва делают надрезы глубиной до 5 мм (рис. 8, б) и шириной 2 мм для улучшения условий разрушений наплавленного металла.
При односторонней сварке соединения без подкладки половину всех образцов следует изгибать со стороны усиления (рис. 8, г), а другую половину - со стороны корня шва (рис. 8, д).
1.13.19. При испытании на излом угловых контрольных сварных соединений листов контрольный образец после удаления краевых частей (рис. 9, а) испытывают либо целиком, либо разрезают на несколько отдельных контрольных образцов шириной не менее 40 мм. Положение образца при испытании показано на рис. 9, б.
1.13.20. При испытании на излом стыкового контрольного сварного соединения труб (рис. 10, а) из него вырезают образцы для испытаний шириной 50 мм. При этом количество образцов для испытаний должно быть не менее 4. Если диаметр трубы контрольного соединения не позволяет вырезать минимальное количество образцов (4 шт.), испытанию подвергают 2 и более контрольных соединений. При необходимости разрешается удалять усиление шва. В образцах на обоих концах сварного шва делают надрезы глубиной до 5 мм (рис. 10, б).
При односторонней сварке шва без подкладки половину образцов следует изгибать со стороны усиления шва (рис. 10, в), а другую половину - со стороны корня шва (рис. 10, г).
Рис. 10. Схемы вырезки (а), вид (б) и схемы испытаний на излом со стороны корня шва (в) и со стороны усиления шва (г) образцов из стыкового контрольного сварного соединения труб
1.13.21. По результатам контроля каждым методом должно оформляться заключение (акт, протокол).
1.14. Оценка качества контрольных сварных соединений.
1.14.1. Оценку качества контрольных сварных соединений выполняют по нормам, установленным действующими нормативными документами Госгортехнадзора России и указанным в заявке на проведение аттестации.
1.14.2. Качество контрольных сварных соединений считают неудовлетворительным, если при контроле каким-либо методом будут выявлены недопустимые внутренние или наружные дефекты.
1.14.3. После испытания на излом выполняют визуальный контроль качества сварного соединения в зоне излома. Визуальный контроль выполняют с применением оптических приборов (луп, микроскопов) с 4-20-кратным увеличением. По результатам контроля делают оценку качества сварки контрольного сварного соединения в соответствии с нормами на радиографический контроль.
1.14.4. В тех случаях, когда контрольное сварное соединение не удовлетворяет требованиям норм, установленным действующими нормативными документами, и причиной низкого качества являются факторы, не связанные с квалификацией сварщика, сварщик может быть допущен к сварке нового контрольного сварного соединения (комплекта контрольных соединений). При этом качество основного и сварочных материалов должны быть предварительно проверены членом аттестационной комиссии.
1.14.5. Дополнительные испытания образцов, изготовленных из контрольного соединения, разрешается проводить в следующих случаях:
а) один образец не выдержал испытаний на статический изгиб (сплющивание). В этом случае дополнительным испытаниям подвергают два образца, выполненных из того же контрольного соединения, из которого были изготовлены образцы при первичном испытании или из вновь сваренных контрольных соединений;
б) в разрушенном при испытании на излом одном образце имеют место дефекты. Дополнительным испытаниям подвергаются 2 образца. Образцы изготавливают из вновь сваренного контрольного сварного соединения. Схема испытаний должна соответствовать той, по которой испытывался образец, в котором выявлены дефекты;
в) не выдерживает испытание на излом или сплющивание сварное соединение труб. Сварщик должен выполнить дополнительные контрольные сварные соединения в том же пространственном положении, что и первое, из которых вырезают для испытаний на излом или сплющивание удвоенное количество образцов;
г) при исследовании макроструктуры на одном из шлифов выявлены недопустимые дефекты. Разрешается дополнительно проконтролировать 2 шлифа, изготовленных аналогично указанному в подпункте а) данного пункта.
1.14.6. Если один из дополнительных образцов не удовлетворяет требованиям настоящих Правил, комиссия должна выяснить причину несоответствия.
1.15. Область распространения аттестации.
1.15.1. Способ сварки.
Практический экзамен проводят по одному способу сварки. Изменение способа сварки требует проведения нового экзамена. Однако сварщик при аттестации может подтвердить свою профессиональную подготовку по более чем одному способу сварки при условии выполнения им отдельных контрольных сварных соединений каждым способом сварки.
При аттестации сварщика на право выполнения сварных соединений изделий комбинированным методом сварки, например, корневой слой одностороннего шва без подкладки выполняют аргонодуговой сваркой неплавящимся электродом с присадкой, а заполнение разделки производят ручной дуговой сваркой. Практический экзамен разрешается проводить по одному из следующих вариантов:
а) сварщик выполняет корневую часть контрольного сварного соединения аргонодуговой сваркой неплавящимся электродом с присадочной проволокой без подкладки, а последующие валики (слои) шва - ручной дуговой сваркой;
б) сварщик выполняет отдельные контрольные сварные соединения аргонодуговой сваркой неплавящимся электродом с присадочной проволокой без подкладки и ручной дуговой сваркой на подкладке или с подваркой корня шва с обратной стороны.
При аттестации по варианту б) сварщик должен выполнить на все сечение контрольные сварные соединения каждым способом сварки. Выбор образцов для контрольных соединений по толщине и диаметру производит аттестационная комиссия в соответствии с аттестационной заявкой, требованиями нормативных документов, указанных в заявке, а также с учетом области распространения аттестации, приведенной в табл. 6 и 7. При этом сварщик допускается как к сварке отдельно каждым из применяемых способов сварки, так и к комбинированной сварке. Аналогично выполняют аттестацию и для других вариантов комбинированной сварки.
1.15.2. Виды сварных соединений и наплавок. Область распространения аттестации по сварке деталей с различными видами стыковых сварных соединений приведена в табл. 9. Необходимо учитывать следующие положения:
а) аттестация по сварке стыковых сварных соединений труб распространяется на сварку стыковых сварных соединений листов;
б) аттестация по сварке стыковых сварных соединений листов во всех пространственных положениях распространяется на сварку неповоротных стыковых сварных соединений труб с наружным диаметром 500 мм и более;
в) аттестация по сварке стыковых сварных соединений листов в нижнем (H1) или в горизонтальном (Г) положениях, а также угловых сварных соединений листов "в лодочку" (H1) с полным проваром или без него распространяется на сварку стыковых и угловых сварных соединений труб с наружным диаметром более 150 мм в тех же положениях;
г) аттестация по сварке стыковых сварных соединений с односторонним швом без подкладки распространяется на стыковые сварные соединения, выполненные односторонней сваркой на подкладке и двусторонней сваркой с зачисткой корня шва и без нее;
д) аттестация по сварке стыковых сварных соединений с односторонним швом на листах или трубах на подкладке распространяется на сварные соединения, выполненные двусторонней сваркой;
е) аттестация по сварке стыковых сварных соединений распространяется на сварку угловых и торцевых сварных соединений при равноценных условиях сварки, а также на предварительную наплавку кромок деталей из сталей соответствующих групп и на исправления дефектов сваркой или наплавкой;
ж) аттестация по двухсторонней сварке без зачистки корня шва распространяется на одностороннюю сварку на подкладке и двустороннюю сварку с зачисткой корня шва;
з) аттестация по сварке стыковых сварных соединений труб без подкладки распространяется на сварку ответвлений труб с учетом области распространения, указанной в табл. 9-13;
и) аттестация на выполнение антикоррозионной наплавки на сталях, выполняемой с подогревом, распространяется на наплавку, выполняемую без подогрева;
к) аттестация по ручной дуговой сварке покрытыми электродами стыковых сварных соединений из стали группы M11 распространяется на ручную дуговую наплавку покрытыми электродами антикоррозионного покрытия на сталях, выполняемую с подогревом или без подогрева.
1.15.3. Группа основного материала. Область распространения аттестации по сварке деталей из материалов различных групп приведена в табл. 10 и 11.
Аттестация по сварке контрольных соединений деталей из определенной марки материала распространяется на все марки материала, входящие в одну группу с основным материалом контрольного соединения.
Для материала, не вошедшего в группы, приведенные в табл. 4, должна проводиться отдельная аттестация, которая распространяется на сварку деталей только из этого материала.
Для материалов импортного производства допускается по согласованию с Госгортехнадзором России и специализированной научно-исследовательской организацией распространять аттестацию сварщиков на этот материал, если сварщики ранее были аттестованы на сварку аналогичного материала, приведенного в табл. 5.
1.15.4. Присадочные материалы, газы и флюсы. Результат аттестации сварщика, выполнявшего сварку контрольного соединения с применением сварочных материалов (сварочная проволока, лента, защитные газы или смесь газов, флюсы и др.) определенных марок, распространяется на сварку этим же способом с использованием всех сварочных материалов, которые в соответствии с требованиями нормативных документов на сварку, согласованных с Госгортехнадзором России, включены в одну группу с материалами, примененными при выполнении контрольного сварного соединения и предназначенными для сварки деталей из конкретной группы основных материалов.
Таблица 9
Область распространения аттестации при сварке стыковых сварных соединений
| #G0 | Способ выполнения сварного соединения | Область распространения | ||||||
| Стыковые соединения листов (Л) | Стыковые соединения труб (Т) | |||||||
| односторонняя сварка (ос) | двусторонняя сварка (дс) | односторонняя сварка (ос) | ||||||
| на подкладке (сп) | без подкладки (бп) | с зачисткой корня шва (зк) | без зачистки корня шва (бз) | на подкладке (сп) | без подкладки (бп) | |||
| ос | на подкладке (сп) | * | - | х | - | 1) | - | |
| Лист | без подкладки (бп) | х | * | х | х | 1) | 1) | |
| дс | с зачисткой корня шва (зк) | х | - | * | - | 1) | - | |
| без зачистки корня шва (бз) | х | - | х | * | 1) | - | ||
| Труба | ос | на подкладке (сп) | х | - | х | - | * | - |
| без подкладки (бп) | х | х | х | х | Х | * | ||
Пояснение обозначений: 1) см. п. 1.15.2.б и 1.15.2.в;
* - вид контрольного сварного соединения;
х - вид соединения, на которое распространяются результаты аттестации;
- - вид соединения, на которое не распространяются результаты аттестации;
Здесь и далее (см. табл. 9-13) область распространения аттестации (знак “х”) определяют по горизонтальной строке.
Таблица 10
Область распространения аттестации в зависимости от группы основных материалов
| #G0Группа основного материала контрольного соединения | Область распространения | |||||
| М01 | М02 | М03 | М04 | М05 | M11 | |
| М01 | * | - | - | - | - | - |
| М02 | х | * | - | - | - | - |
| М03 | х | х | * | - | - | - |
| М04 | х | х | - | * | - | - |
| М05 | х | - | х | - | * | - |
| M11 | х1) | х1) | х1) | х1) | х1) | * |
| Алюминий и его сплавы | М21 | М22 | М23 | |||
| М21 | * | х | - | |||
| М22 | х | * | - | |||
| М23 | х | х | * | |||
| Медь и ее сплавы | М24 | М25 | ||||
| М24 | * | * | ||||
| М25 | х | - | ||||
Пояснение обозначений:
1) При условии применения аустенитного присадочного материала, предназначенного согласно требованиям нормативных документов для сварки материалов группы M11 с материалами групп М01...МОЗ;
* - группа материала контрольного сварного соединения; х - группа материала, на которую распространяется результат аттестации;
- - группа материала, на которую не распространяется результат аттестации.
Примечание. Таблица действительна лишь в том случае, если основной материал деталей контрольного соединения, отмеченный знаком "*", присадочный материал (электроды, проволока) относятся к одной группе материалов.
Таблица 11
Область распространения аттестации для соединений материалов различных групп
| #G0Группа основного материала контрольного соединения | Область распространения |
| М02 | М02 сваривают с М01* |
| М03 | М03 сваривают с М01* М03 сваривают с М02* |
| М04 | М04 сваривают с М01* М04 сваривают с М02* |
| М05 | М03 сваривают с М01* М03 сваривают с М02* М03 сваривают с М03* |
| M11 | M11 сваривают с М01** M11 сваривают с М02** M11 сваривают с М03** M11 сваривают с М04** M11 сваривают с М05** |
| М22 | М22 сваривают с М21* |
| М23 | М23 сваривают с М21* М23 сваривают с М22* |
| М25 | М25 сваривают с М24* |
Пояснение обозначений:
* - при сварке деталей из материалов различных групп присадочный материал должен соответствовать группе основного материала контрольного соединения;
** - при условии применения аустенитного присадочного материала, предназначенного согласно требованиям нормативных документов для сварки материалов группы M11 с материалами групп M01...M05.
1.15.5. Сварочные электроды. Область распространения аттестации на допуск к ручной дуговой сварке электродами с одним видом покрытия распространяется на допуск к сварке электродами с другими видами покрытий в соответствии с табл. 12.
Расшифровка условных обозначений видов покрытий электродов для ручной дуговой сварки приведена в п. 1.11.5.
1.15.6. Размеры контрольного сварного соединения. Область распространения аттестации в зависимости от толщины листов и толщины стенки труб, а также от диаметра свариваемых деталей приведена в табл. 6 и 7.
Аттестация по электрошлаковой и электронно-лучевой сварке распространяется на сварку деталей, толщина которых отличается от фактической толщины выполненного контрольного сварного соединения не более чем на 25%.
1.15.7. Положение контрольного соединения при сварке. Область распространения аттестации в зависимости от положения контрольного соединения (свариваемых деталей) при сварке приведена в табл. 13
При сварке контрольного углового (таврового) соединения двух труб, труб с пластинами или пластин необходимо учитывать диаметр и/или толщину привариваемой детали (штуцера, патрубка, трубы, пластины).
1.16. Оформление результатов аттестации.
1.16.1. По результатам аттестации на каждого аттестуемого сварщика аттестационная комиссия оформляет протокол аттестации по форме, приведенной в приложении 5.
К протоколу должны быть приложены акты, заключения или другие документы о результатах контроля качества контрольных сварных соединений (наплавок), заверенные соответствующими контрольными службами.
Таблица 12
Область распространения аттестации по сварке в зависимости от вида покрытия электродов
| #G0Вид покрытия электрода | Область распространения | ||||
| А, РА | Р, РБ, РЦ, Р | Б | Ц | П | |
| А.РА | * | - | - | - | - |
| Р, РБ, РЦ, РР | х | * | - | - | - |
| Б | х | х | * | - | - |
| Ц | - | - | - | * | - |
| П | - | - | - | - | *1) |
Пояснение обозначений:
1) - результат аттестации действителен только для вида покрытия электрода, используемого при сварке контрольного соединения;
* - виды покрытия электродов, которые использованы при сварке контрольного соединения;
х - вид покрытия электродов, на которое распространяется результат аттестации;
- - вид покрытия электродов, на которое не распространяется результат аттестации.
1.16.2. Протокол аттестации сварщика оформляется в двух экземплярах, подписывается председателем комиссии, членами комиссии и представителем Госгортехнадзора России. Протокол заверяется подписью руководителя и печатью аттестационного центра. Один экземпляр протокола хранится в аттестационном центре, второй экземпляр выдается работодателю.
На основании результатов аттестационных экзаменов аттестационный центр оформляет сварщику отдельные по каждому способу сварки аттестационные удостоверения форма которых приведена в приложении 6.
При прохождении дополнительной аттестации сварщику выдается вкладыш к аттестационному удостоверению, форма которого приведена в приложении 7.
Пример заполнения аттестационного удостоверения сварщика приведен в приложении 8.
Таблица 13
Область распространения аттестации в зависимости от пространственного положения сварки контрольного сварного соединения
| #G0Положения, в | Область распространения | ||||||||||||||||||||
| которых | Лист | Труба | |||||||||||||||||||
| выполняется | Стыковое соединение | Тавровое соединение | Стыковое соединение | Тавровое соединение | |||||||||||||||||
| сварка | Н1 | Г | В2 | В1 | П1 | Н1 | Н2 | В2 | В1 | П2 | Н1 | В2 | В1 | Г | Н45 | Н2 | В2 | В1 | П2 | Н45 | |
| Стыковое | Н | * | - | - | - | - | х | х | - | - | - | хх | - | - | - | - | х | - | - | - | - |
| соединение | Г | х | * | - | - | - | х | х | - | - | - | хх | - | - | хх | - | х | - | - | - | - |
| листов | В2 | - | - | * | - | - | - | - | х | - | - | - | - | - | - | - | - | - | - | - | - |
| В1 | х | - | - | * | - | х | х | - | х | - | хх | - | - | - | - | х | - | х | - | - | |
| П1 | х | х | - | х | * | х | х | - | х | х | хх | - | - | - | - | х | - | х | х | - | |
| Тавровое | Н1 | - | - | - | - | - | * | - | - | - | - | - | - | - | - | - | - | - | - | - | - |
| соединение | Н2 | - | - | - | - | - | х | * | - | - | - | - | - | - | - | - | х | - | - | - | - |
| листов | В2 | - | - | - | - | - | - | - | * | - | - | - | - | - | - | - | - | - | - | - | - |
| В1 | - | - | - | - | - | х | х | - | * | - | - | - | - | - | - | х | - | - | - | - | |
| П2 | - | - | - | - | - | х | х | - | х | * | - | - | - | - | - | х | - | - | х | - | |
| Стыковое | Н1 | х | - | - | - | - | х | х | - | - | - | * | - | - | - | - | х | - | - | - | - |
| соединение | В2 | - | - | х | - | - | - | - | х | - | - | - | * | - | - | - | - | х | - | - | - |
| труб | В1 | х | х | - | х | х | х | х | - | х | х | х | - | * | х | - | х | - | х | х | - |
| Г | х | х | - | х | х | х | х | - | х | х | х | - | - | * | - | х | - | - | - | - | |
| Н45 | х | х | - | х | х | х | х | - | х | х | х | - | х | х | * | х | - | х | х | х | |
| Тавровое | Н2 | - | - | - | - | - | х | х | - | - | - | - | - | - | - | - | * | - | - | - | - |
| соединение | В2 | - | - | - | - | - | - | - | х | - | - | - | - | - | - | - | - | * | - | - | - |
| труб | В1 | - | - | - | - | - | х | х | - | х | х | - | - | - | - | - | х | - | * | х | - |
| П2 | - | - | - | - | - | х | х | - | х | х | - | - | - | - | - | х | - | х | * | - | |
| Н45 | - | - | - | - | - | х | х | - | х | х | - | - | - | - | - | х | - | х | х | * | |
Обозначения:
* - пространственное положение, в котором проводилась сварка контрольного сварного соединения;
х - пространственное положение, на которое распространяется аттестация;
хх - при диаметре труб более 150 мм.
Примечание. Аттестация при сварке двух соединений труб в положениях В1 и Г распространяется на положение Н45.
1.16.3. Аттестационное удостоверение теряет силу в следующих случаях: истечение срока действия; перерыв в работе по сварке более 6 месяцев; отрицательное заключение медицинской комиссии; при несоответствии качества выполняемых работ квалификационному нормативу.
1.16.4. По истечении первого срока действия аттестационное удостоверение может быть продлено аттестационным центром, проводившим аттестацию и выдавшим аттестационное удостоверение, при следующих условиях: ходатайстве с места работы сварщика; представлении положительного заключения медицинской комиссии.
Продление срока действия аттестационного удостоверения может быть осуществлено аттестационной комиссией на срок 1 год, но не более двух раз подряд и оформляется протоколом.
1.16.5. Периодическая аттестация в полном объеме проводится по истечении двух сроков действия аттестационного удостоверения.
Приведенные в табл. 13 области распространения аттестации при сварке контрольного таврового сварного соединения труб распространяются на сварку тавровых сварных соединений трубы с пластиной.
2. Порядок проведения аттестации специалистов сварочного производства
2.1. При представлении к аттестации специалиста сварочного производства работодатель (заявитель) направляет в аттестационный центр заявку по форме, приведенной в приложении 9. Для лиц, не подлежащих обязательной аттестации, заявка должна быть согласована с территориальным органом Госгортехнадзора России.
2.2. Объемы теоретических знаний и практических навыков аттестуемого специалиста сварочного производства должны удовлетворять требованиям, приведенным в приложении 10.
2.3. Аттестация включает в себя проведение трех экзаменов: общего;
специального, включающего практическое задание; экзамена на знание правил безопасности Госгортехнадзора России в соответствии с направлениями деятельности аттестуемого лица.
Специалисты с высшим техническим или средним техническим образованием по сварочному производству, работающие по специальности, освобождаются от сдачи общего экзамена.
Экзамен на знание правил безопасности может быть сдан кандидатом заранее в соответствии с установленным Госгортехнадзором России порядком. В этом случае кандидат представляет в АЦ копию протокола проверки знаний.
2.4. На общем экзамене специалисту сварочного производства задают 30-50, а на специальном 20-30 произвольно выбранных вопросов и практическое задание в соответствии с направлением его производственной деятельности. Содержание практического задания утверждается руководителем аттестационного центра.
Экзамен на знание правил безопасности Госгортехнадзора России проводят по отдельным экзаменационным билетам.
2.5. Экзамены проводят в письменной форме или с помощью компьютера с последующим дополнительным собеседованием.
2.6. Специалист считается выдержавшим экзамены, если он правильно ответил на не менее 80% заданных ему вопросов на каждом экзамене и успешно выполнил практическое задание на специальном экзамене.
2.7. Специалист считается аттестованным при успешной сдаче всех экзаменов.
Если специалист не выдержал один или два экзамена, ему разрешается пересдача в течение шести месяцев со дня первого экзамена. Дату и условия пересдачи экзамена кандидат согласует с руководителем аттестационного центра.
При повторной несдаче экзамена специалист считается не прошедшим аттестацию. Результаты сданных им при аттестации экзаменов аннулируются.
2.8. Оформление результатов аттестации.
2.8.1. По результатам аттестации на каждого аттестуемого специалиста сварочного производства аттестационная комиссия оформляет протокол заседания комиссии по форме, приведенной в приложении 11.
2.8.2. Протокол аттестации оформляется в двух экземплярах, подписывается председателем комиссии, членами комиссии и представителем Госгортехнадзора России. Протокол заверяется подписью руководителя и печатью аттестационного центра. Один экземпляр протокола хранится в аттестационном центре, второй экземпляр выдается работодателю.
2.8.3. Аттестованные специалисты сварочного производства получают аттестационное удостоверение, форма которого приведена в приложении 12. Примеры записей характера производственной деятельности в аттестационном удостоверении специалиста по сварочному производству приведены в приложении 13.
2.8.4. По истечении первого срока действия аттестационное удостоверение может быть продлено аттестационным центром, выдавшим аттестационное удостоверение. Продление срока действия удостоверения оформляется протоколом аттестационной комиссии центра на основании ходатайства с места работы аттестованного специалиста. В ходатайстве должно быть указано, что специалист в период после аттестации постоянно работал в соответствии с характером производственной деятельности, указанным в его аттестационном удостоверении, и не допускал нарушений установленных требований. Удостоверение продлевается на срок не более одного года для специалистов II и III уровней и не более 2,5 лет для специалистов IV уровня, но не более трех раз подряд для специалистов II и III уровней и не более двух раз для специалистов IV уровня. Периодическая аттестация в полном объеме проводится по истечении двух сроков действия аттестационного удостоверения.
Приложение 1
к Технологическому регламенту
РЕКОМЕНДУЕМАЯ ФОРМА ЗАЯВКИ НА ПРОВЕДЕНИЕ АТТЕСТАЦИИ СВАРЩИКА
Наименование предприятия (организации) с указанием почтового адреса, телефона, факса
Аттестационная заявка №_____ от ______
1. Общие сведения о сварщике
1.1. Фамилия, имя, отчество.
1.2. Год рождения.
1.3. Стаж работы по сварке.
1.4. Учебное заведение (когда и что закончил, номер документа).
1.5. Место работы.
1.6. Стаж работы по сварке.
1.7. Квалификационный разряд по ОКЗ.
1.8. Наличие и уровень профессиональной подготовки.
1.9. Специальная подготовка (когда, где и номер документа).
2. Аттестационные требования
2.1. Наименование объектов, на сварку которых аттестуется сварщик.
2.2. Вид аттестации.
2.3. Шифр НД (ПТД) по сварке.
2.4. Способ сварки (наплавки).
2.5. Группа свариваемого материала.
2.6. Вид свариваемых деталей (труба, пластина, наплавка).
2.7. Тип сварного шва.
2.8. Диапазон толщин деталей.
2.9. Диапазон диаметров деталей.
2.10. Положение при сварке.
2.11. Сварочные материалы.
3. Требования к оценке качества контрольных сварных соединений и наплавок
3.1. Нормативный документ по контролю.
| #G0Руководитель предприятия (организации) | Ф. И. О. |
| (подпись) | |
| М. П. |
___________________________________________________________________
Оформляется в двух экземплярах (один экземпляр передается в аттестационный центр, второй хранится на предприятии (организации), направившем сварщика на аттестацию). Номер заявки указывается аттестационным центром.
Приложение 2
к Технологическому регламенту
РЕКОМЕНДУЕМЫЙ ПЕРЕЧЕНЬ ТЕМ, ВЫНОСИМЫХ НА ТЕОРЕТИЧЕСКИЕ ЭКЗАМЕНЫ ПРИ АТТЕСТАЦИИ СВАРЩИКОВ
1. Способы сварки и оборудование
1.1. Общие сведения об основных способах сварки: газовая, ручная дуговая, плавящимся и неплавящимся электродами в защитных газах, сварка под флюсом и др.
1.2. Основы электротехники, виды основных источников питания для сварки и принципы их действия.
1.3. Сварочные, наплавочные и вспомогательные материалы (электроды, сварочные проволоки и ленты, защитные газы, газы для газопламенной обработки и т.п.).
1.4. Параметры режимов сварки, техника проведения сварочных работ основными способами сварки.
2. Виды материалов и особенности их сварки
2.1. Основные свойства металлов.
2.2. Классификация и маркировка сталей, цветных металлов и сплавов.
2.3. Особенности сварки различных материалов.
2.4. Виды дефектов сварных соединений.
2.5. Способы разрушающих и неразрушающих испытаний (контроля) материалов и сварных соединений.
3. Сварные конструкции
3.1. Виды сварных конструкций.
3.2. Основные типы сварных соединений.
3.3. Обозначения сварных швов в чертежах.
4. Производство и техника выполнения сварочных работ по видам объектов
4.1. Правила производства сварочных работ, техника и технология выполнения сварных соединений изделий конкретным способом сварки.
4.2. Дефекты, образующиеся при сварке конкретных изделий, и причины их появления.
4.3. Технологические приемы предотвращения сварочных напряжений и деформаций конструкций.
4.4. Требования к сварщикам при их аттестации.
5. Требования по безопасности проведения сварочных работ
Приложение 3
Технологическому регламенту
"УТВЕРЖДАЮ"
Руководитель аттестационного центра
_______________________ Ф. И. О.
(подпись)
__________________________
(дата)
ТИПОВАЯ ФОРМА КАРТЫ ТЕХНОЛОГИЧЕСКОГО ПРОЦЕССА СВАРКИ (НАПЛАВКИ) КОНТРОЛЬНОГО СВАРНОГО СОВДИНЕНИЯ
| #G0Ф.И.О. сварщика | Клеймо |
| Способ сварки | Основной материал |
| Наименование НД | (марка) |
| (шифр) | Типоразмер, мм: |
| Тип шва | |
| Тип соединения | диаметр |
| (по НД) | толщина |
| Положение шва | способ сборки |
| Вид соединения | требования к прихватке |
| Сварочные материалы | Сварочное оборудование |
| (марка, стандарт, ТУ) |
Эскизы соединения
| #G0Конструкция | Конструктивные элементы шва | Порядок сварки |
Технологические параметры сварки
| #G0Номер валика (шва) | Способ сварки | Диаметр электрода или про волоки, мм | Род и полярность тока | Сила тока, А | Напряже ние, В | Скорость подачи проволоки, м/ч | Скорость сварки, м/ч | Расход защитного газа, л/мин |
| #G0Защита обратной | Вылет электрода, мм |
| стороны шва ________________________ | ____________________________________ |
| Ширина валика шва __________________ | Расстояние сопла горелки от изделия, мм |
| ___________________________________ | |
| Толщина валика шва ______________ |
Дополнительные технологические требования по сварке:
______________________________________________________________________________________
______________________________________________________________________________________
______________________________________________________________________________________
______________________________________________________________________________________
______________________________________________________________________________________
______________________________________________________________________________________
______________________________________________________________________________________
______________________________________________________________________________________
Требования к контролю качества
| #G0Метод контроля | Наименование (шифр) НД | Объем контроля (%, кол. образцов) | |
| 1. | Визуальный и измерительный | ||
| 2. | Радиографический | ||
| 3. | Ультразвуковой | ||
| 4. | Капиллярный | ||
| 5 | Магнитопорошковый | ||
| 6. | Исследования макроструктуры | ||
| 7. | Испытания на статический изгиб (сплющивание) | ||
| 8. | Испытания на излом | ||
| 9. | Дополнительные методы | ||
Разработал: Ф. И. О.
__________________________________________
(подпись, дата)
Приложение 4
к Технологическому регламенту
Рекомендуемая форма журнала учета работ при аттестации сварщиков (фактический экзамен)
| #G0№, дата | Ф.И.Оы. | Номер заяви, Вид аттестации | Наименование (шифр) технологии сварки (наплавки) | Характеристика контрольного сварного соединения | Клеймо контрольного сварного соединения | Отметка о выдаче задания | Отметка о контроле качества сборки соединения под сварку | Отметка о соблюдении технологии сварки | Продолжительность сварки контрольного соединения | Методы контроля и оценка качества | Заключение комиссии | |||||||
| Марка основного материала | Марки сварочных материалов | Вид свариваемых деталей и типоразмер, мм | Тип шва | Тип соединения | Вид соединения | Положение шва при сварке | Подпись лица, выдавшего задание, дата | Подпись аттестуемого сварщика, дата | ||||||||||
| 1 | 2 | 3 | 4 | 5 | 6 | 7 | 8 | 9 | 10 | 11 | 12 | 13 | 14 | 15 | 16 | 17 | 18 | 19 |
Примечания. 1. В графе 4 указывают наименование и номер "Карты технологического процесса сварки (наплавки) контрольного сварного соединения".
2. Заполнение граф 7-11 проводят условными обозначениями, установленными настоящими Правилами. Вид свариваемых деталей (графа 7) указывают в виде: лист (Л), труба (Т), лист с трубой (Л+Т) или наплавка. Тип шва (графа 8) указывают буквами: СШ или УШ.
Тип соединения (графа 9) указывают словами: стыковое, тавровое, угловое, торцевое или нахлесточное. Вид соединения (графа 10) указывают буквами: ос, дс, сп, бп, зк, бз или гз.
Положение шва при сварке (графа 11) указывают буквами: H1, Н2, В1, В2, Г, П1, П2.
3. В графе 12 указывают номер клейма, установленного аттестационной комиссией. Клеймение выполняют ударным или электрографическим способами.
4. Графы 13, 15, 16 и 17 заполняет член аттестационной комиссии.
В графе 16 указывают сведения о прерываниях процесса сварки, подогрева, поддува защитного газа, контроле температуры металла при сварке, зачистке корня шва и др.
5. В графе 18 указывают метод контроля, номер акта (протокола, заключения) и результаты контроля (удовлетворительно, неудовлетворительно). При заполнении графы допускается сокращенное обозначение применяемых методов неразрушающего контроля - РГК, УЗК, КК, МПК, ВИК.
6. В графе 19 аттестационная комиссия указывает оценку практических навыков сварщика словами "удовлетворительно" или "неудовлетворительно". Заключение подписывают члены аттестационной комиссии с указанием даты.
7. Страницы журнала должны быть пронумерованы и прошнурованы.
Приложение 5
к Технологическому регламенту
Обязательное
ТИПОВАЯ ФОРМА ПРОТОКОЛА АТТЕСТАЦИИ СВАРЩИКА
____________________________________________________________________
(наименование аттестационного центра)
"УТВЕРЖДАЮ"
Руководитель аттестационного центра
________ _______________
(подпись) (Ф.И.О.)
"____"_______________________19__г.
М.П.
Протокол аттестации сварщика
№ ______ от _____________
Состав аттестационной комиссии
Председатель _____________________________________________________
(фамилия, имя, отчество, уровень)
Члены комиссии
1. _______________________________________________________________
2. _______________________________________________________________
3. ________________________________________________________________
Представитель Госгортехнадзора России _______________________________
Вид аттестации ______________________________________________________
1. Общие сведения об аттестуемом сварщике
1.1. Фамилия, имя, отчество _______________________________________
1.2. Год рождения ___________________________________________________
1.3. Образование ____________________________________________________
1.4. Учебное заведение ______________________________________________
(когда и что закончил, номер документа)
1.5. Место работы __________________________________________________
1.6. Стаж работы по сварке _________________________________________
1.7. Квалификационный разряд по ОК _________________________________
1.8. Специальная подготовка _________________________________________
(когда, где и номер документа)
2. Данные о сварке (наплавке) контрольных сварных соединений
2.1. Способ сварки (наплавки) _____________________________________
2.2. Группа и марка свариваемого материала _________________________
2.3. Вид свариваемых деталей (труба, лист, наплавка) ________________
2.4. Тип шва _______________________________________________________
2.5. Толщина ______________________________________________________
2.6. Диаметр _____________________________________________________
2.7. Тип и вид соединения ___________________________________________
2.8. Положение шва при сварке ______________________________________
2.9. Тип, марка и диаметр сварочных электродов ______________________
2.10. Марка и размеры сварочных (наплавочных) материалов
____________________________________________________________________
2.11. Марка защитного газа, флюса и др. _____________________________
3. Контроль качества контрольных сварных соединений и наплавок
3.1. Нормативный документ по контролю ______________________________
3.2. Результаты контроля качества контрольных сварных соединений (наплавок)
| #G0(вид контроля): | (результат и номер акта) |
| визуальный; | _____________________________________ |
| измерительный; | _____________________________________ |
| радиографический; | _____________________________________ |
| ультразвуковой; | _____________________________________ |
| капиллярный; | _____________________________________ |
| магнитопорошковый; | _____________________________________ |
| исследования макроструктуры; | _____________________________________ |
| испытания на статический изгиб (сплющивание); | _____________________________________ |
| испытания на излом; | _____________________________________ |
| дополнительные методы испытаний | _____________________________________ |
4. Оценка теоретических знаний и практических навыков
4.1. Оценка знаний на общем экзамене
4.2. Оценка знаний на специальном экзамене
4.3. Оценка практических навыков
Заключение аттестационной комиссии
Присвоенный уровень: специалист сварочного производства I уровня (аттестованный сварщик)
Допущен к:________________________________________________________
(способ сварки и наименования объектов)
__________________________________________________________________
__________________________________________________________________
__________________________________________________________________
Область распространения аттестации:
| #G0Параметры сварки | Область распространения сварки* |
| Способ сварки | |
| Вид деталей | |
| Типы швов | |
| Группа свариваемого материала | |
| Присадочный материал или покрытие электрода | |
| Толщина деталей, мм | |
| Наружный диаметр, мм | |
| Положения при сварке | |
| Вид соединения |
_____
* Информация об области распространения аттестации указывается условными обозначениями.
Председатель _____________________________________
(Подпись) (Ф.И.О.)
Члены комиссии
1. _________________________________________________________________
2. _________________________________________________________________
3. _________________________________________________________________
Представитель Госгортехнадзора России ____________________________
Удостоверение № ________ выдано ____________________________________
Примечания. 1. Для представителей Госгортехнадзора России в составе аттестационной комиссии указывается наименование органа Госгортехнадзора России и должность представителя.
2. Результаты контроля указывают словами "удовлетворительно" или "неудовлетворительно" с указанием номера и даты акта, заключения и т. п.
3. Оценку знаний и практических навыков сварщика указывают словами "удовлетворительно" или "неудовлетворительно".
4. Протокол оформляется в двух экземплярах. Один экземпляр передается на предприятие (организацию), направившее сварщика на аттестацию, второй экземпляр должен находиться в аттестационном центре.
Приложение 6
к Технологическому регламенту
Обязательное
ФОРМА АТТЕСТАЦИОННОГО УДОСТОВЕРЕНИЯ СВАРЩИКА
| #G0 | стр. 2 | ||||
| РОССИЙСКАЯ ФЕДЕРАЦИЯ RUSSIAN FEDERATION НАЦИОНАЛЬНЫЙ АТТЕСТАЦИОННЫЙ КОМИТЕТ ПО СВАРОЧНОМУ ПРОИЗВОДСТВУ (НАКС) | Выдано_______________________________ (наименование аттестационного центра) Лицензия Госгортехнадзора России ______от_____ №____________________________________ (номер аттестационного удостоверения) | ||||
| NATIONAL ATTESTATION COMITTEE ON WELDING PRACTICE (NACWP) Аттестационное удостоверение специалиста сварочного производства I уровня (аттестованный сварщик) Specialist In Welding Production Certificate level I (certified welder) | Фамилия _____ ________ Surname Имя__________ ________ First name Отчество _____ ________ Middle name Год рождения _________ Date of birth М. П. | место для фотографии 3х4 | |||
| #G0стр. 3 № (номер аттестационного удостоверения) Допущен к: | стр. 4 № (помер аттестационного удостоверения) Области распространения аттестации | |||
| (способ сварки и наименования объектов) | (в скобках приведены обозначения в соответствии с EN 287) | |||
| Параметры сварки | Обозначение условий | Область распространения | ||
| сварки | аттестации | |||
| Способ сварки | ||||
| Вид деталей | ||||
| Типы швов | ||||
| Протокол № от | Группа свариваемого материала | |||
| Удостоверение действительно до | Присадочный материал или покрытие электрода | |||
| Руководитель аттестационного центра | Толщина деталей, мм | |||
| Наружный диаметр, мм | ||||
| (Ф.И.О., подпись, дата) | Положения при сварке | |||
| М. П. | Вид соединения | |||
| #G0стр. 5 № (номер аттестационного удостоверения) | стр. 6 № (номер аттестационного удостоверения) | ||||||
| Срок действия удостоверения продлен до | |||||||
| Дата | Сведения о работе сварщика и/или аттестациях | На основании решения аттестационной комиссии | |||||
| (заполнять каждые 6 месяцев) | Протокол № | ||||||
| Руководитель АЦ (подпись) Ф.И.О. | |||||||
| М.П. | |||||||
| Срок действия удостоверения | |||||||
| продлен до | |||||||
| На основании решения | |||||||
| аттестационной комиссии АЦ № | |||||||
| Протокол № | |||||||
| Руководитель АЦ (подпись) Ф.И.О. | |||||||
| М.П. | |||||||
Приложение 7
к Технологическому регламенту
Обязательное
ФОРМА ВКЛАДЫША К АТТЕСТАЦИОННОМУ УДОСТОВЕРЕНИЮ СВАРЩИКА
| #G0 РОССИЙСКАЯ ФЕДЕРАЦИЯ | стр. 2 № (номер вкладыша* к аттестационному удостоверению) Допущен к: | |
| НАЦИОНАЛЬНЫЙ АТТЕСТАЦИОННЫЙ КОМИТЕТ | (способ сварки и наименования объектов) | |
| ПО СВАРОЧНОМУ ПРОИЗВОДСТВУ | ||
| (НАКС) | ||
| ВКЛАДЫШ | ||
| № ________________-В1 | ||
| к аттестационному удостоверению | Протокол № от | |
| специалиста сварочного производства I уровня (аттестованный сварщик) | Вкладыш действителен до окончания срока действия аттестационного удостоверения № | |
| Руководитель | ||
| (Ф.И.О.) | аттестационного центра подпись, дата Ф.И.О. | |
| (без удостоверения недействителен) | М. П. |
| #G0стр. 3 № (номер вкладыша к аттестационному удостоверению) Области распространения аттестации (в скобках приведены обозначения в соответствии с EN 287) | ||
| Параметры сварки | Обозначение условий сварки | Область распространения аттестации |
| Способ сварки | ||
| Вид деталей | ||
| Типы швов | ||
| Группа свариваемого материала | ||
| Присадочный материал или покрытие электрода | ||
| Толщина деталей, мм | ||
| Наружный диаметр, мм | ||
| Положения при сварке | ||
| Вид соединения | ||
Приложение 8
к Технологическому регламенту
Справочное
ПРИМЕР ОФОРМЛЕНИЯ ЗАПИСЕЙ В АТТЕСТАЦИОННОМ УДОСТОВЕРЕНИИ СВАРЩИКА ПРИ ПЕРВИЧНОЙ АТТЕСТАЦИИ
Ручная дуговая односторонняя сварка неповоротного стыка трубы с горизонтальным положением оси наружным диаметром 70 мм, толщиной стенки 10 мм из стали марки 08Х18Н10Т методом снизу вверх электродами ЭА-400/10У с основным покрытием
| #G0 | стр. 2 | |||
| РОССИЙСКАЯ ФЕДЕРАЦИЯ RUSSIAN FEDERATION НАЦИОНАЛЬНЫЙ АТТЕСТАЦИОННЫЙ КОМИТЕТ ПО СВАРОЧНОМУ ПРОИЗВОДСТВУ (НАКС) | Выдано Главным аттестационным центром Центрального региона (ЦР-ГАЦ) Лицензия Госгортехнадзора России 12К-99/5135 от 18.12.96 № ЦР-ГАЦ-I-00123 (номер аттестационного удостоверения) | |||
| NATIONAL ATTESTATION COMITTEE ON WELDING PRACTICE (NACWP) Аттестационное удостоверение специалиста сварочного производства I уровня (аттестованный сварщик) Specialist In Welding Production Certificate level I (certified welder) | Фамилия Смирнов Surname Имя Николай First name Отчество Петрович Middle name Год рождения 1970 Date of birth М. П. | место для фотографии 3х4 | ||
| #G0стр. 3 № ЦР-ГАЦ-I-00123 Допущен к: ручной луговой сверке 1. Машин и аппаратов потенциально опасных производств | стр. 4 № ЦР-ГАЦ-I-00123 Области распространения аттестации (в скобках приведены обозначения в соответствии с EN 287) | |||
| химической, нефтехимической, нефтегазоперерабатывающей промышленности. | Параметры сварки | Обозначение условий сварки | Область распространения аттестации | |
| 2. Технологических трубопроводов промышленных | Способ сварки | РД [111] | РД [111] | |
| предприятий всех категорий. | Вид деталей | Т [Т] | Л, Л+T, Т [Р, Р+Т, T] | |
| Типы швов | СШ [BW] | СЩ, УШ [BW, FW] | ||
| Группа свариваемого материала | М11 [W11] | M11, M01-M05* [W11, W01-W05]* | ||
| Протокол № 156/В2 от 15 ноября 1998 г. | Присадочный материал или покрытие электрода | ЭА-44/10У Б [B] | Б, P, РБ [В, R, RB] | |
| Удостоверение действительно до 15 ноября 2000 г. | Толщина деталей, мм | 10 | 3-20 | |
| Наружный диаметр, мм | 70 | 35-140 | ||
| Руководитель аттестационного центра | Положения при сварке | В1 [PF] | B1; Н1,2; Г; П1,2 [PF, PA, PB, PS, РЕ, PD] | |
| (Ф.И.О., подпись, дата) | Вид соединения | ос (бл) [ss nb] | ос (сп, бп) [ss mb nb]; дс (эк, бз) [bs gg ng]; | |
| М.П. | Угловые, торцевые ответвления труб; предварительная наплавка кромок деталей из сталей групп M01-M05; РДН антикорозионного покрытия; исправление дефектов сваркой и наплавкой | |||
| * При условии применения аустенитного присадочного материала согласно требованиям НД для сварки материалов группы M11 с материалами групп М01-М05 | ||||
Приложение 9
к Технологическому регламенту
РЕКОМЕНДУЕМАЯ ФОРМА ЗАЯВКИ НА ПРОВВДЕНИЕ АТТЕСТАЦИИ СПЕЦИАЛИСТА СВАРОЧНОГО ПРОИЗВОДСТВА
Наименование предприятия
(организации) с указанием
почтового адреса, телефона,
факса
Дата _____________________
Аттестационная заявка № ___________
1. Общие сведения о специалисте
1.1. Фамилия, имя, отчество.
1.2. Год рождения.
1.3. Образование и специальность.
1.4. Учебное заведение (когда и что закончил, номер диплома).
1.5. Место работы.
1.6. Должность.
1.7. Стаж работы по специальности.
1.8. Переподготовка по сварочному производству (в каком учебном заведении, когда и номер документа).
1.9. Наличие уровня профессиональной подготовки.
1.10. Специальная подготовка (когда, где и номер документа).
2. Аттестационные требования
2.1. Вид аттестации.
2.2. Характер производственной деятельности.
2.3. Уровень профессиональной подготовки, на который аттестуется специалист.
2.4. Наименование объектов Госгортехнадзора России.
Руководитель предприятия
(организации) _______________________ ______________________
(подпись) (Ф.И.О.)
М.П.
Оформляется в двух экземплярах. Один экземпляр передается в аттестационный центр, второй хранится на предприятии (организации), направившем специалиста на аттестацию.
Номер заявки указывается аттестационным центром.
Приложение 10
к Технологическому регламенту
РЕКОМЕНДУЕМЫЙ ПЕРЕЧЕНЬ ТЕМ, ВНОСИМЫХ НА ЭКЗАМЕНЫ ПРИ АТТЕСТАЦИИ СПЕЦИАЛИСТОВ СВАРОЧНОГО ПРОИЗВОДСТВА
Специалист II уровня должен знать:
1. Способы сварки и оборудование
1.1. Основные способы сварки, их сущность, классификацию и области применения.
1.2. Виды и назначение источников питания для различных способов сварки плавлением.
1.3. Виды ручной дуговой сварки. Оборудование и сварочные материалы, параметры процессов.
1.4. Виды газовой сварки и резки.
1.5. Принципы и методы пайки металлов.
1.6. Виды дуговой сварки в защитных газах. Оборудование, сварочные и вспомогательные материалы, параметры режимов.
1.7. Принципы сварки под флюсом. Оборудование, сварочные и вспомогательные материалы, параметры режимов.
2. Виды материалов и особенности их сварки
2.1. Основы металловедения. Структуры и свойства железоуглеродистых, легких и цветных сплавов.
2.2. Виды легирующих элементов.
2.3. Классификацию и маркировку сталей, легких и цветных металлов и сплавов.
2.4. Виды и назначение термообработки.
2.5. Свойства металлов и способы их испытаний.
2.6. Технологию сварки нелегированных и низколегированных сталей, легких и цветных металлов и сплавов.
2.7. Особенности сварки высоколегированных сталей.
2.8. Виды сварочных и вспомогательных материалов.
3. Сварные конструкции
3.1. Виды сварных соединений.
3.2. Виды подготовки сварных соединений под сварку.
3.3. Изображение сварных швов на чертежах.
3.4. Общие понятия о статически и динамически нагруженных конструкциях.
3.5. Особенности конструкций сварных соединений грузоподъемных кранов, подъемных сооружений, аппаратов, котлов и сосудов, трубопроводов стальных строительных конструкций и пр.
4. Производство и технику выполнения сварочных работ по видам объектов
4.1. Правила производства сварочных работ.
4.2. Технологические приемы предотвращения сварочных напряжений и деформаций конструкций.
4.3. Принципы и методы оценки свариваемости материалов.
4.4. Общие принципы обеспечения экономичности сборочно-сварочных работ.
4.5. Правила безопасности проведения сборочно-сварочных работ.
4.6. Виды дефектов сварных соединений, причины их образования, способы их предотвращения и исправления.
4.7. Способы контроля качества сварных соединений.
4.8. Общие требования к сварщикам при аттестации.
4.9. Обязанности и ответственность специалистов за правильность проведения сварочных работ.
4.10. Требования правил и норм Госгортехнадзор России.
Специалист II уровня должен уметь:
1. Организовывать проведение сборочно-сварочных работ.
2. Проводить инструктаж сварщиков и осуществлять технический надзор за выполнением сборочно-сварочных работ.
3. Читать чертежи сборочно-сварочных единиц.
4. Контролировать работоспособность сварочного оборудования и настраивать его на требуемые параметры, правильность выполнения предварительного и сопутствующего подогревов.
5. Контролировать правильность ранения, подготовки и использования сварочных материалов.
6. Контролировать соблюдение правил техники безопасности сборочно-сварочных работ.
7. Контролировать внешним осмотром и измерениями качество сварных соединений.
Специалист III уровня должен знать:
1. Способы сварки и оборудование
1.1. Основные способы сварки, их сущность, классификацию и области применения.
1.2. Основы электротехники.
1.3. Виды источников питания для сварки плавлением, назначение, принципы действия.
1.4. Виды ручной дуговой сварки. Оборудование, сварочные и вспомогательные материалы, параметры режимов, технику и технологию сварки.
1.5. Виды дуговой сварки в защитных газах. Оборудование, сварочные и вспомогательные материалы, параметры режимов, технику и технологию сварки.
1.6. Виды сварки под флюсом. Оборудование и сварочные материалы, параметры режимов, технологию сварки.
1.7. Виды контактной сварки, их сущность и особенности. Оборудование, параметры режимов, технологию сварки.
1.8. Виды газовой сварки и термической резки. Сущность процессов, оборудование и параметры режимов, технику и технологию сварки.
1.9. Способы пайки металлов. Сущность процессов, оборудование и параметры режимов, технологию пайки.
1.10. Основные способы механизации сварочных работ.
2. Виды материалов и их свариваемость
2.1. Основы металловедения. Диаграмма "железо - углерод". Оценка структуры сварных швов.
2.2. Виды легирующих элементов.
2.3. Основные виды и назначение термообработки.
2.4. Основные металлургические процессы при сварке.
2.5. Особенности сварки сталей различных групп.
2.6. Особенности сварки легких и цветных металлов и сплавов.
2.7. Виды сварочных и вспомогательных материалов.
2.8. Методы разрушающих и неразрушающих испытаний (контроля) материалов и сварных соединений.
3. Сварные конструкции
3.1. Основы науки о прочности.
3.2. Типы сварных соединений и обозначения сварных швов на чертежах.
3.3. Виды статически и динамически нагруженных конструкций. Основные принципы расчета сварных швов.
3.4. Основные требования к сварным машиностроительным конструкциям по видам объектов (котлы и сосуды, трубопроводы и пр.).
4. Производство и техника выполнения сборочно-сварочных работ по видам объектов
4.1. Правила производства сварочных работ.
4.2. Методы измерения, контроля и регистрации параметров режимов сварки.
4.3. Виды сварочных напряжений и деформаций конструкций.
4.4. Виды дефектов в сварных соединениях, способы их оценки и мероприятия по предупреждению их появления, нормы оценки качества сварных соединений.
4.5. Методы проведения визуального и измерительного контроля.
4.6. Правила охраны труда, техники безопасности и производственной санитарии при проведении сборочно-сварочных работ.
4.7. Принципы обеспечения экономичности сборочно-сварочных работ.
4.8. Общие требования к сварщикам и специалистам сварочного производства при их аттестации.
4.9. ГОСТы, технические условия, нормали, действующие в производстве; требования правил и норм Госгортехнадзора России.
Специалист III уровня должен уметь:
1. Организовывать проведение сборочно-сварочных работ в соответствии с требованиями НТД.
2. Осуществлять технический надзор за выполнением сборочно-сварочных работ.
3. Разрабатывать технологическую документацию по сборке и сварке при изготовлении, монтаже и ремонте сварных конструкций.
4. Осуществлять контроль соблюдения технологического процесса сварки и сборки, оформлять учетную документацию.
5. Осуществлять выбор оборудования, сварочных и вспомогательных материалов, сборочно-сварочных приспособлений.
6. Составлять технические задания на проектирование сварочного оборудования, сборочно-сварочные приспособления и обеспечивать механизацию сборочно-сварочных работ (резки, пайки).
7. Контролировать соблюдение правил техники безопасности при проведении сборочно-сварочных работ; разрабатывать мероприятия по обеспечению безопасных условий труда.
8. Оценивать качество сборочно-сварочных работ.
9. Оценивать экономичность выполнения сборочно-сварочных работ.
Специалист IV уровня должен знать:
1. Способы сварки и оборудование
1.1. Основные термины и определения в технике соединений, классификацию способов сварки, их сущность и области применения.
1.2. Сущность способов газопламенной обработки и газовой сварки, физико-химические и металлургические процессы. Основное и вспомогательное оборудование для газопламенной обработки и газовой сварки.
1.3. Основы электротехники.
1.4. Физическую природу электрической дуги, ее характеристики и возможности регулирования.
1.5. Виды источников питания для сварки плавлением, их назначение и принципы действия.
1.6. Разновидности и сущность способов сварки в защитных газах (вольфрамовым электродом в инертном газе и плавящимся электродом в инертном/защитном газе).
1.7. Виды основного и вспомогательного оборудования для сварки, сварочные и вспомогательные материалы. Основные параметры режима сварки, технику сварки, типичные дефекты швов. Варианты способов выполнения соединений.
1.8. Сущность ручной дуговой сварки, сварочное оборудование, вспомогательные и сварочные материалы, параметры режимов сварки.
1.9. Сущность сварки под флюсом, физико-химические и металлургические процессы. Сварочное оборудование и сварочные материалы, основные параметры режимов и технику сварки.
1.10. Технику сварки плавлением в различных пространственных положениях, типичные дефекты швов. 1.11. Особенности сварки чугунов.
1.12. Разновидности, сущность и особенности способов контактной сварки. Физические процессы. Оборудование и параметры режимов сварки.
1.13. Виды и сущность специальных способов сварки плавлением (плазменная, электронно-лучевая, электрошлаковая, порошковой проволокой).
1.14. Виды и сущность термической резки и других способов подготовки кромок, их особенности.
1.15. Способы обработки поверхностей (термическое напыление, способы плакирования и их разновидности).
1.16. Возможности повышения производительности сварки, принципы роботизированной сварки.
1.17. Сущность способов пайки твердыми и мягкими припоями, классификацию способов. Оборудование для пайки.
1.18. Способы сварки пластмасс. Способы соединения других конструкционных материалов (керамических, композиционных).
2. Виды материалов и их свариваемость
2.1. Производство и маркировку чугунов и сталей.
2.2. Строение и свойства материалов, фазовые диаграммы. Железоуглеродистые сплавы.
2.3. Виды термической обработки металлов и сварных соединений.
2.4. Структуры сварных соединений.
2.5. Виды конструкционных сталей. Стали и сплавы с особыми свойствами.
2.6. Принципы свариваемости сталей. Трещинообразование в сталях при сварке.
2.7. Особенности сварки углеродистых, легированных сталей и сплавов, а также других конструкционных материалов.
2.8. Сущность и виды коррозии металлов.
2.9. Особенности и способы сварки легких сплавов, цветных металлов и сплавов.
2.10. Особенности и способы соединения разнородных (материалов).
2.11. Методы испытаний материалов и сварных соединений.
3. Сварные конструкции
3.1. Основы науки о прочности.
3.2. Основные принципы расчета сварных соединений.
3.3. Типы сварных соединений и обозначения сварных швов на чертежах.
3.4. Влияние условий нагружения на прочность сварных соединений.
4. Производство и техника выполнения сборочно-сварочных работ по видам объектов
4.1. Способы обеспечения качества сварочных работ.
4.2. Методы контроля качества при производстве сварных конструкций (контроль параметров процесса сварки, контроль сварщиков).
4.3. Виды остаточных напряжений и деформаций сварных конструкций.
4.4. Виды сварочного оборудования, сборочно-сварочных приспособлений и их применение.
4.5. Мероприятия по обеспечению безопасности проведения сборочно-сварочных работ.
4.6. Неразрушающие физические методы контроля качества материалов и сварных соединений. Нормы оценки дефектов.
4.7. Принципы обеспечения экономичности сборочно-сварочных работ.
4.8. ГОСТы, технические условия, нормали, действующие в производстве; требования правил и норм Госгортехнадзора России
Специалист IV уровня должен уметь:
1. Определять требования к сварным соединениям производимого оборудования.
2. Осуществлять выбор способов сварки, сварочного оборудования, сварочных и вспомогательных материалов, сборочно-сварочных приспособлений и оснастки при разработке технологии изготовления выпускаемой продукции с учетом перспективы технического развития предприятия.
3. Организовывать проведение сборочно-сварочных работ в соответствии с требованиями НТД.
4. Осуществлять технический надзор за выполнением сборочно-сварочных работ.
5. Разрабатывать мероприятия по обеспечению техники безопасности сварочных работ (резки, пайки) и контролировать их выполнение.
6. Составлять технические задания на проектирование сварочного оборудования, сборочно-сварочные приспособления и обеспечивать механизацию сборочно-сварочных работ (резки, пайки).
7. Оценивать качество сборочно-сварочных работ на основании результатов неразрушающих и разрушающих испытаний материалов и сварных соединений.
8. Оценивать экономичность сборочно-сварочных работ и разрабатывать мероприятия по повышению эффективности выполнения сборочно-сварочных работ.
9. Организовывать подготовку и аттестацию сварщиков и специалистов сварочного производства.
Приложение 11
к Технологическому регламенту
Обязательное
ТИПОВАЯ ФОРМА ПРОТОКОЛА АТТЕСТАЦИИ СПЕЦИАЛИСТА СВАРОЧНОГО ПРОИЗВОДСТВА
___________________________________________________________________
(наименование аттестационного центра)
"УТВЕРЖДАЮ"
Руководитель аттестационного центра
_________________ _______________
(подпись) (Ф.И.О.)
"___"_________________19_г.
М.П.
Протокол аттестации
№ ______ от ___________
Состав аттестационной комиссии:
_____________________________________________________________________
_____________________________________________________________________
_____________________________________________________________________
_____________________________________________________________________
Вид аттестации _________________________________________________
1. Общие сведения об аттестуемом специалисте
1.1. Фамилия, имя, отчество ______________________________________
1.2. Год рождения _______________________________________________
1.3. Образование и специальность ___________________________________
1.4. Учебное заведение____________________________________________
(когда и что закончил, номер диплома)
1.5. Место работы _______________________________________________
1.6. Должность _________________________________________________
1.7. Стаж работы по специальности __________________________________
1.8. Переподготовка по сварочному производству ______________________
__________________________________________________________________
(в каком учебном заведении, когда и номер документа)
1.9. Наличие уровня профессиональной подготовки
1.10. Специальная подготовка ________________________________________
(когда, где и номер документа)
2. Данные об аттестации
2.1. Характер производственной деятельности _________________________
2.2. Оценка теоретических знаний на общем экзамене __________________
2.3. Оценка знаний на специальном экзамене __________________________
2.4. Оценка знаний Правил, норм и инструкций Госгортехнадзора России
_____________________________________________________________________
3. Заключение аттестационной комиссии
3.1. Присвоенный уровень____________________________________________
3.2. Характер работ, к которым допущен специалист
3.3. Наименование объектов Госгортехнадзора России
_____________________________________________________________________
_____________________________________________________________________
_____________________________________________________________________
____________________________________________________________________
Председатель комиссии: __________________________________ (Ф.И.О.)
(подпись)
Члены комиссии: ___________________________________________ (Ф.И.О.)
(подпись)
__________________________________________________________ (Ф.И.О.)
(подпись)
Представитель Госгортехнадзора России: ____________________ (Ф.И.О.)
(подпись)
Удостоверение № ______________________ выдано ___________________
(дата, подпись)
________________________________________________________________
Протокол оформляется в 2 экземплярах. Один экземпляр передается на предприятие (организацию), направившую специалиста на аттестацию, второй - в аттестационный центр.
Для представителей Госгортехнадзора России в составе аттестационной комиссии указывается наименование органа Госгортехнадзора России и должность представителя.
Приложение 12
к Технологическому регламенту
ФОРМА АТТЕСТАЦИОННОГО УДОСТОВЕРЕНИЯ СПЕЦИАЛИСТА СВАРОЧНОГО ПРОИЗВОДСТВА
| #G0 | стр. 2 | |||
| РОССИЙСКАЯ ФЕДЕРАЦИЯ RUSSIAN FEDERATION НАЦИОНАЛЬНЫЙ АТТЕСТАЦИОННЫЙ КОМИТЕТ ПО СВАРОЧНОМУ ПРОИЗВОДСТВУ (НАКС) | Выдано__________________________________ (наименование аттестационного центра) Лицензия Госгортехнадзора России ______от______ №____________________________________ (номер аттестационного удостоверения) | |||
| NATIONAL ATTESTATION COMITTEE ON WELDING PRACTICE (NACWP) Аттестационное удостоверение специалиста сварочного производства уровня ____ (аттестованный _______) Specialist In Welding Production Certificate level ______ (certified ____) | Фамилия _________ Surname Имя _________ First name Отчество _________ Middle name Год рождения _________ Date of birth М. П. | место для фотографии 3х4 | ||
| #G0стр. 3 № удостоверения | стр. 4 № удостоверения | ||||
| Допущен к: | Срок действия удостоверения продлен | ||||
| (характер производственной деятельности и наименование объектов) | На основании решения аттестационной комиссии | ||||
| Протокол № от | |||||
| Руководитель АЦ (подпись) | Ф.И.О. | ||||
| М.П. | |||||
| Срок действия удостоверения | |||||
| Протокол № от | продлен до | ||||
| Удостоверение действительно до | На основании решения | ||||
| аттестационной комиссии | |||||
| Руководитель АЦ (подпись) Ф.И.О. | Протокол № от | ||||
| М.П. | Руководитель АЦ (подпись) | Ф.И.О. | |||
| М.П. | |||||
| #G0стр. 5 | стр. 6 | ||
| № удостоверения | № удостоверения | ||
| Срок действия удостоверения | Сведения о дополнительной (внеочередной) аттестации | ||
| продлен до | Ф.И.О. прошел дополнительную аттестацию в | ||
| На основании решения | |||
| аттестационной комиссии | |||
| Протокол № от | Допущен к: | ||
| Руководитель АЦ (подпись) Ф.И.О. | (характер производственной деятельности и наименование объектов) | ||
| М.П. | |||
| Протокол № от | |||
| Руководитель АЦ (подпись) Ф.И.О. | |||
| М.П. | |||
Приложение 13
к Технологическому регламенту
ПРИМЕРЫ ЗАПИСЕЙ ХАРАКТЕРА ПРОИЗВОДСТВЕННОЙ ДЕЯТЕЛЬНОСТИ В АТТЕСТАЦИОННЫХ УДОСТОВЕРЕНИЯХ СПЕЦИАЛИСТОВ СВАРОЧНОГО ПРОИЗВОДСТВА
1. Специалист Иванов И. И. допущен к работам по руководству и техническому контролю при изготовлении (монтаже, ремонте): подъемных сооружений.
2. Специалист Петров П.П. допущен к подготовке и аттестации сварщиков и специалистов сварочного производства для работы на объектах газового надзора.
Характеристики
Тип файла документ
Документы такого типа открываются такими программами, как Microsoft Office Word на компьютерах Windows, Apple Pages на компьютерах Mac, Open Office - бесплатная альтернатива на различных платформах, в том числе Linux. Наиболее простым и современным решением будут Google документы, так как открываются онлайн без скачивания прямо в браузере на любой платформе. Существуют российские качественные аналоги, например от Яндекса.
Будьте внимательны на мобильных устройствах, так как там используются упрощённый функционал даже в официальном приложении от Microsoft, поэтому для просмотра скачивайте PDF-версию. А если нужно редактировать файл, то используйте оригинальный файл.
Файлы такого типа обычно разбиты на страницы, а текст может быть форматированным (жирный, курсив, выбор шрифта, таблицы и т.п.), а также в него можно добавлять изображения. Формат идеально подходит для рефератов, докладов и РПЗ курсовых проектов, которые необходимо распечатать. Кстати перед печатью также сохраняйте файл в PDF, так как принтер может начудить со шрифтами.















