vopros-otvet (519806), страница 16
Текст из файла (страница 16)
Рассмотрим потактно работу этой схемы деления.
Таблица 6.3
| №/№ тактов | Вход | Ячейки | Примечание | ||
| x0 | x1 | x2 | |||
| 0 | 0 | 0 | 0 | 0 | начальное положение |
| 1 | 1 | 1 | 0 | 0 | идет заполнение регистра сдвига из (m – 1) ячейки памяти |
| 2 | 0 | 0 | 1 | 0 | |
| 3 | 0 | 0 | 0 | 1 | |
| 4 | 1 | 0 | 0 | 1 | первое вычитание |
| 5 | 0 | 1 | 0 | 1 | продолжаем вычитание до n-го такта включительно |
| 6 | 0 | 1 | 1 | 1 | |
| 7 | 0 | 1 | 1 | 0 | получили ri(x) на n-ом такте |
Рис. 6.4
Из таблицы видно, что результат деления получен на n-ом такте. Данная схема деления не используется, так как между информационными и проверочными сиволами имеется разрыв в «m » тактов.
Рассмотрим другую схему деления, которая дает остаток на k-том такте, а деление начинается с первого такта, точнее с первой значащей единицы в ai(x).
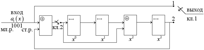
Рис. 6.5. Получение разрешенной кодовой комбинации по методу деления
В начальном положении кл.1 в положении 1 и все входные сигналы ai(x) идут на выход. Ключ 2 в положении замкнут и в регистре сдвига идет деление, начиная с первого такта. На k-том такте информационные символы заканчиваются и в ячейках памяти должен образоваться остаток ri(x). В этот момент ключ 2 размыкается, обратная связь от ячейки x2 разрывается, а ключ 1 переходит в положение 2 и остаток ri(x) приписывается к ai(x).
Затем идут информационные разряды новой К.К. с одновременным переключением ключей кл.1 и кл.2.
Проследим работу этой схемы по тактам.
Таблица 6.4
| №/№ тактов | Вход | Ячейки | Выход | Положение ключей | Примечание | |||
| x0 | x1 | x2 | Кл.1 | Кл.2 | ||||
| 1 | 1 | 1 | 0 | 1 | 1 | Поз.1 | Змкн | Входной сигнал ai(x) идет на выход k-тактов |
| 2 | 0 | 1 | 1 | 1 | 0 | Поз.1 | Змкн | |
| 3 | 0 | 1 | 1 | 0 | 0 | Поз.1 | Змкн | |
| 4 | 1 | 1 | 1 | 0 | 1 | Поз.1 | Змкн | Получили остаток ri(x) |
| 5 | – | 0 | 1 | 1 | 0 | Поз.2 | Рзмкн | Приписывание ri(x) к ai(x) |
| 6 | – | 0 | 0 | 1 | 1 | Поз.2 | Рзмкн | |
| 7 | – | 0 | 0 | 0 | 1 | Поз.2 | Рзмкн | |
| 1 | × | ? | ? | ? | × | Поз.1 | Змкн | Начало новой К.К. |
Вычитание производится в соответствии со следующей схемой.
Рис. 6.6
Через n тактов получена требуемая кодовая кобинация. Эта схема и используется в К.У. Ц.К.
Попробуйте нарисовать схемы деления с первого и m-ного тактов для разных g(x) и ai(x).
Проверьте их работоспособность с помощью потактовой таблицы для разных входных последовательностей ai(x). Сравните полученные результаты с математически полученными
.
39. Техническая реализация кодирующих устройств циклического кода по методу группового кода (примеры).
Используя метод, изложенный в 6.4.3, получим Р.К.К.i на примере, рассмотренном там же. То есть нам необходимо реализовать схему умножения для получения проверочных символов a4; a5; a6 при
,
полученных делением
;
;
;
.
Из формул расчета проверочных символов видно, что на сумматор по модулю два подаются результаты умножения hj, значения которых не меняются, на aj; a1+j и a2+j, то есть aj – сдвигаются вправо.
Нарисуем схему получения Р.К.К. по методу группового кода и рассмотрим ее потактовую работу.
Рис. 6.7. Схема получения Р.К.К. по методу группового кода и ее потактовая работа
Сначала ключ находится в позиции 1 и ai(x) потактово входит в регистр сдвига. Все ai(x) за k тактов его заполняют. После этого ключ переходит в позицию 2. Каждый следующий такт происходит последовательный вывод информационных символов на выход и формирование результата умножения
на всех j, на которых hj = 1, и суммирование результатов умножения по всем hj = 1 с получением проверочного символа и занесением его в освободившуюся ячейку регистра сдвига. Так происходит m тактов. Ключ возвращается в позицию 1 и начинается ввод новой кодовой комбинации ai(x).
Таблица 6.5
| №/№ тактов | Вход | Ячейки | Выход | Положение ключа | Примечание | ||||||
| 1 | 2 | 3 | 4 | ||||||||
| 1 | 0 | 0 | 0 | 0 | 0 | – | Поз.1 | Происходит заполнение регистра сдвига ai(x) | |||
| 2 | 1 | 1 | 0 | 0 | 0 | – | Поз.1 | ||||
| 3 | 1 | 1 | 1 | 0 | 0 | – | Поз.1 | ||||
| 4 | 0 | 0 | 1 | 1 | 1 | – | Поз.1 | ||||
| 5 | – | 1 | 0 | 1 | 1 | 0 | Поз.2 | Остаток ri(x) сформирован | |||
| 6 | – | 0 | 1 | 0 | 0 | 1 | Поз.2 | ||||
| 7 | – | 0 | 0 | 1 | 1 | 1 | Поз.2 | ||||
| 8 | X | X | 0 | 0 | 0 | 0 | Поз.1 | Содержимое регистра сдвига идет на выход и заполняется новым aj(x) | |||
| 9 | X | X | X | 0 | 0 | 1 | Поз.1 | ||||
| 10 | X | X | X | X | 0 | 0 | Поз.1 | ||||
| 11 | X | X | X | X | X | 0 | Поз.1 | ||||
На 11 такте регистр сдвига заполнен новой комбинацией и без задержек идут передача в линию связи.
Метод применяется, когда n близко к (2m – 1), то есть когда количество информационных символов равно или близко к предельному при принятом «m ».
Попробуйте образовать Р.К.К. для разных ai(x) и g(x), нарисовав схемы получения Р.К.К. по методу группового кода и таблицы их потактовой работы. Сравните Р.К.К., полученные математически и по схеме.
Математически Р.К.К. можно получить двумя способами по Г.К. и путем деления. Сравните их между собой. Они должны быть одинаковыми. Если они получились разными, то объясните полученный результат.
















