Сапсалев А.В. - Основы теории цепей - Методическое руководство к лабораторным работам - 2 (1276557), страница 2
Текст из файла (страница 2)
В качестве переменных состояния электрической цепи принимаются токи катушек
и напряжения конденсаторов
. Предполагается, что значения переменных состояния при
:
и
(их начальные значения) известны.
В Приложении к настоящей работе приведен алгоритм формирования уравнений состояния в общем виде для схемы любого порядка сложности. В данной же работе исследуется цепь первого порядка сложности, что, естественно, упрощает задачу.
Численное решение уравнения первого порядка вида
При численном решении этого уравнения с помощью любых предназначенных для этих целей функций результат вычислений – матрица, в первом столбце которой содержатся координаты узлов сетки t0, t1,…, tn, а во втором — значения приближенного решения в соответствующих узлах. Смысл аргументов этих функций разъяснен в Приложении. Отметим лишь, что вектор D*, содержащий правую часть дифференциального уравнения, теперь вырождается в скаляр D(t, x) =
= f (x0, t).
Точность вычислений повышается с уменьшением величины ша-
га
, которую следует соразмерять с постоянной времени исследуемой цепи .
Пример
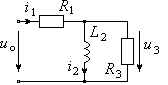
Вычислить значения тока i1(t) резистора R1 и напряжения u3(t) резистора R3 двухполюсника (рис. 17.1) с параметрами его элементов: R1 = 15 Ом, L2 = 200 мГн, R3 = 30 Ом на интервале [0, 100 мс], если задающее напряжение uо (t) определяется графиком (рис. 17.2).
| | |
| Рис. 17.1 | Рис. 17.2 |
––––––––––––––––––––––––––––––
* Derivative (англ.) – производная.
Решение
Получим уравнение состояния цепи (см. рис. 17.1). По законам Кирхгофа
i1 = i2 + i3 = i2 + G3u3,
R1i1 + uL = uо.
После подстановки первых двух уравнений в третье и очевидных преобразований получим уравнение состояния цепи
Интегрируя это уравнение на бесконечно коротком интервале времени в пределах от t = 0– до t = 0+, находим при нулевом начальном значении тока катушки i2(0–)= iL (0–) = 0 стартовое значение тока катушки:
Выражения искомых зависимых переменных цепи – тока
резистора R1 и напряжения
резистора R3 – являются линейными функциями тока катушки
и задающего напряжения
:
Найдем численное решение уравнения переменной состояния цепи для
мс, например, с помощью функции rkfixed математического пакета Mathcad 2000 Professional, реализующей метод Рунге–Кутта с фиксированным шагом.
Исходные данные:
R1: = 15 R3: = 30 L2: = 0.2 a: = –50 b: = 3.333 c1: = 0.667
d1: = 0.0222 c2: = –10 d2: = 0.667. Время импульса tи = 0.04 с. Будем исследовать переходной процесс в течение времени импульса плюс (3…4)τ.
– стартовое значение переменной состояния цепи i2(0+);
– выражение ее первой производной;
– вычисление значений переменной со-
стояния в тысяче равноотстоящих точках (1000) интервала
времени [0,0.1] с;
– номера точек разбиения интервала времени про-
бегают значения от 0 до числа строк без 1 матрицы Z.
– элементам вектора t присваивают значения элементов пер-
вого столбца матрицы Z.
– элементам вектора i2 присваивают значения элементов вто-
рого столбца матрицы Z.
Выражения искомых зависимых переменных цепи – тока
резистора R1 и напряжения
резистора R3 есть линейные функции переменной состояния цепи i2(t) и задающего напряжения uo и в протоколе Mathcad выглядят так:
Результаты численного решения этой задачи представлены графиками искомых функций рис. 17.3 и 17.4 и таблицей.
uo(tk)
50i2k
tk103
Рис. 17.3
tk103
uo(tk)
30i2k
Рис. 17.4
-
Разрывы графиков зависимых переменных цепи i1(t) и u3(t) при
и t1 = 40 мс в нашем конкретном примере (скачки напряжения при t = 0 и при t = t1 одинаковы) должны быть одинаковы и равны
Проверка показывает, что
Далее
Проверка показывает, что
Программа домашней подготовки
к выполнению работы
-
По конспекту лекций и учебным пособиям изучить раздел «Метод переменных состояния».
-
Внимательно ознакомиться с примером решения аналогичной задачи.
-
Выполнить пп. 1 – 3 рабочего задания.
Контрольные вопросы
-
Напряжения и токи каких элементов цепи называются переменными ее состояния?
-
Какие уравнения называются уравнениями состояния цепи?
-
Чем определяется число уравнений, составленных по методу переменных состояния цепи?
-
В каких случаях система уравнений цепи, составленная по методу переменных состояния, наряду с дифференциальными уравнениями будет содержать и линейные алгебраические выражения?
-
Какова стандартная форма записи уравнений состояния цепи?
-
Чем определяется порядок сложности цепи?
-
Как вычислить значение постоянной времени цепи первого порядка по ее схеме?
-
Как вычислить значение постоянной времени цепи первого порядка по ее уравнению состояния?
ПРИЛОЖЕНИЕ
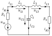
Рассмотрим алгоритм формирования «вручную» уравнений для вычисления переменных состояния цепи – уравнений ее состояния.
Считая известными мгновенные значения токов катушек и напряжений конденсаторов и опираясь на принцип компенсации*, изобразим схему замещения заданной цепи для момента времени
.
Например, для схемы цепи, показанной на рис. 17.5, в результате описанной замены получим схему замещения, как на рис. 17.6. Далее записываем полную систему уравнений для мгновенных значений токов или напряжений элементов схемы (по законам Кирхгофа).
В рассматриваемом случае искомые выражения выглядят следующим образом:
––––––––––––––––––––––––––
* Любой элемент цепи с известным значением тока или напряжения может
быть эквивалентно заменен, соответственно, источником тока или напря-
жения известного значения
И, наконец, исключая из этой системы переменные
и
и сокращая второе уравнение на
, четвертое – на
, а последнее – на
, получаем полную систему уравнений состояния цепи (см. рис. 17.5), записанную в нормальной форме (форме Коши):
с известными начальными значениями переменных состояния (задача Коши).
Если задающее напряжение uo1(t) и переменные состояния при t = 0 принимают конечные значения, то, интегрируя каждое из уравнений этой системы в пределах от
до
, находим стартовые значения переменных состояния цепи:
Зависимая переменная, например, ток
конденсатора C2 схемы цепи на рис. 17.5, есть линейная функция задающего напряжения uo1 и переменных состояния цепи. Из схемы замещения цепи, показанной на рис. 17.6, находим
В общем случае уравнения состояния могут быть записаны в матричной форме
где X = X(t) и W = W(t) – векторы переменных состояния и воздействий,
,
, n и m – число энергоемких элементов и источников соответственно; A и B – матрицы, элементы которых выражаются через параметры элементов цепи,
Если известны X(0+) и W(t) для любого
, то последующие значения переменных состояния цепи X (t) определяются однозначно.
Вектор Y = Y (t) зависимых переменных (величин, не совпадающих с переменными состояния) находится как линейная комбинация векторов переменных состояния и воздействий:
Если k – число искомых зависимых величин, то
В среде Mathcad реализовано несколько алгоритмов численного решения задачи Коши для нормальных систем обыкновенных дифференциальных уравнений на отрезке, в частности методы Рунге–Кутта
с постоянным (фиксированным) и переменным (автоматически выбираемым) шагом. Аргументами функций, реализующих эти алгоритмы, являются: вектор стартовых условий X(0+), начальная и конечная точки отрезка интегрирования, число узлов на этом отрезке и имя вектора-функции, содержащей выражения для производных искомого решения.
ЛАБОРАТОРНАЯ РАБОТА № 18
НЕЛИНЕЙНЫЕ РЕЗИСТИВНЫЕ ЭЛЕМЕНТЫ
И ЦЕПИ
Цели работы. 1. Научиться экспериментально получать вольт-амперную характеристику нелинейного резистивного элемента.
2. Научиться рассчитывать режимы работы цепей с нелинейными резистивными элементами.
Объект и средства исследования
Объектом исследования является электрическая цепь с кремниевым стабилитроном, постоянным резистором
= 1.1 кОм, включенным последовательно со стабилитроном, и магазином сопротивлений
, подключаемым параллельно стабилитрону.
Указанная цепь представляет собой параллельный электронный ключ на стабилитроне и может быть использована в реальных условиях в качестве простейшего параметрического стабилизатора напряжения или простейшего формирователя однополярных импульсов напряжения.
Регулирование входного постоянного напряжения осуществляется делителем напряжения, состоящим из постоянного
и перемен-
ного
резисторов.
Измерения напряжений на элементах цепи производятся с помощью комбинированного цифрового прибора. Измерение токов выполняется косвенно путем расчета их по законам Ома и Кирхгофа.
Вместо постоянного напряжения на вход схемы может быть подано синусоидальное напряжение электронного низкочастотного генератора. В этом случае схема будет работать в режиме формирователя однополярных трапецеидальных выходных импульсов.
Рабочее задание
1. На панели «Нелинейная резистивная цепь» собрана схема в соответствии с рис.18.1. Гнезда вольтметра с помощью переключателя «Вх-Вых» подсоединяются к точкам 1–1, либо к точкам 2–2, соответственно.
















