Ковочные вальцы (1249522)
Текст из файла
Введение
Вальцовка заготовок на ковочных вальцах сходна с процессом прокатки и, в частности, с процессом продольной периодической прокатки. Сущность вальцовки заключается в том, что при вальцовке происходит уменьшение поперечных сечений исходной заготовки при одновременном увеличении ее длины. В отличие от обычной прокатки вальцовка обеспечивает получение заготовок с неодинаковыми поперечными сечениями вдоль оси.
Существенное отличие процесса вальцовки от прокатки заготовок с постоянным поперечным сечением вдоль оси заключается в том, что при прокатке величины дуг и углов захвата остаются постоянными, при вальцовке же эти величины изменяются и зависят от положения центра окружности, проходящей по дну ручья.
В силу схожести процессов продольно- поперечной прокатки и вальцовки, и некоторой схожести устройств станов для прокатки с станами для вальцовки некоторые элементы конструктивной эволюции (привод, принцип действия, регулировка межосевого расстояния) будут заимствованы из источников для прокатки в связи с недостаточной точностью информации о ковочных вальцах
Конструктивная эволюция
| № | Изображение | Описание | Конструктивные недостатки | Критерий развития | Улучшенные показатели качества |
| 1 |
| Прокатный стан с ручным приводом, приводным был только нижний валок, предназначен стан для прокатки олова. | Несинхронное движение валков, затруднение с захватом металла валками, требующее больших усилий от ручного привода. | Привод для второго валка. |
|
| 2 | 1530г. Дж.А. Панхьюз, прокатный стан с плоскими валками, с раздельным приводом двух валков. Процесс был совмещен с волочением. | Невозможность совмещения процессов, т.к. усилие для волочения значительно меньше усилия необходимого для прокатки. |
|
| |
| 3 | 1615г. Саломон де Ко, устройство называлось “плющильный станок” для сглаживания оловянных листов. | Появилась возможность регулировки межосевого расстояния валков (засчет винтов С и D на рисунке) | |||
| 4 | 1629г. Джованни Бранка, ”вальцево- чеканочный стан”. Одновременная прокатка и чеканка монет. | Применим только для монет или поковок малых размеров. | Совершенствование привода |
| |
| 5 | 1639г., Щвейцария (появление технологии в 1575г., Австрия) Изготовление монет с применением гравированных валков с дальнейшей вырубкой монет с рисунком из листа. | Низкая производительность |
| ||
| 6 | 1691г. Прокатный стан снабдили механизмом для изменения направления вращения валков при помощи системы шестерен. |
| |||
| 7 | 1719г. В.И.Геннин, “плющильный и резательный стан” для производства железных прутков. Плющильные и резательные валки сменялись в зависимости от необходимой операции. Валки стали кованными или отливались из чугуна. | Совмещение в одном устройстве прокатных и разделительных валков без остановки процесса для замены. |
| ||
| 8 | Вторая половина 18 века. “плющильный и резательный стан” Деревянные части конструкции станов заменяются на металлические. | Совмещение в одном устройстве прокатных и разделительных валков без остановки процесса для замены. |
| ||
| 9 | Начало 18 века. Прокатка металла с ручьями (калибрами), для получения заготовок для дальнейшего волочения. Реверсивный привод. Применялись валки ромбической и овальной формы. Металл подавался в рабочую область вручную клещами. | Добиться непрерывной прокатки |
| ||
| 10 |
| Середина 18 века. Начало применение парового двигателя в качестве привода валков. | Потери энергии, низкий КПД Сложность конструкции. |
| |
| 11 |
| Конец 19- Начало 20 века. Начало применения электропривода. |
| ||
| 12 | Первые десятилетия 20 века. Начало применения раздельного электропривода для каждого валка. |
| |||
| 13 | Середина 20 века. Внедрение ЭВМ в процесс управления станами и вспомогательными процессами. | Сложность реализации |
| ||
| 14 | Консольные ковочные вальцы(1951-1952), Применяются для изготовления фасонных заготовок под горячую штамповку |
|
| ||
| 15 | Быстроходные консольные ковочные вальцы Регулировка межосевого расстояния: |
Большая ширина рабочих валков (равных диаметру) | |||
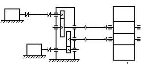
| 16 | Двухопорные ковочные вальцы | Менее удобны в обслуживании и более сложны для крепления штампов. | Исключить ручное манипулирование заготовкой, не используя автоматический манипулятор. |
| |
| 17 | Двухклетьевые ковочные вальцы Консольного типа |
| |||
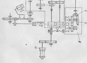
| 18 | Рис. Трехклетевые автоматические ковочные вальцы | Многоклетьевые ковочные вальцы. Оси валков каждой последующей клети повернуты по отношению к предыдущей на 90°, а по отношению к горизонту на 45°. |
Трудность наладки на совмещение периодов заготовки. |
|
Характеристики
Тип файла документ
Документы такого типа открываются такими программами, как Microsoft Office Word на компьютерах Windows, Apple Pages на компьютерах Mac, Open Office - бесплатная альтернатива на различных платформах, в том числе Linux. Наиболее простым и современным решением будут Google документы, так как открываются онлайн без скачивания прямо в браузере на любой платформе. Существуют российские качественные аналоги, например от Яндекса.
Будьте внимательны на мобильных устройствах, так как там используются упрощённый функционал даже в официальном приложении от Microsoft, поэтому для просмотра скачивайте PDF-версию. А если нужно редактировать файл, то используйте оригинальный файл.
Файлы такого типа обычно разбиты на страницы, а текст может быть форматированным (жирный, курсив, выбор шрифта, таблицы и т.п.), а также в него можно добавлять изображения. Формат идеально подходит для рефератов, докладов и РПЗ курсовых проектов, которые необходимо распечатать. Кстати перед печатью также сохраняйте файл в PDF, так как принтер может начудить со шрифтами.
















