Диплом (1248290), страница 3
Текст из файла (страница 3)
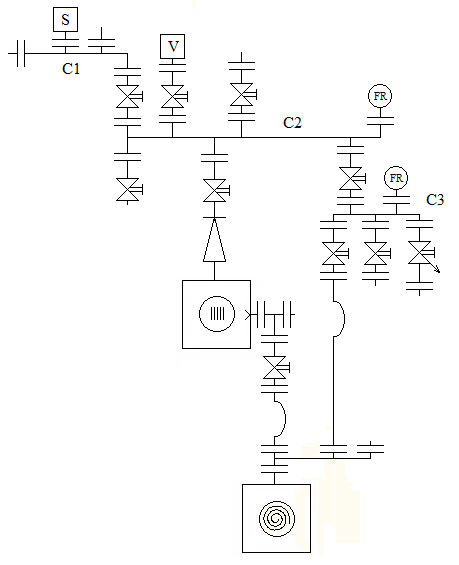
Рис 10 — Схема вакуумного поста станции термодесорбционного анализа. С1, С2 – высоковакуумные объемы, C3 – низковакуумная часть, V – камера ТДС, S – масс-спектрометр, FR – вакуумметры.
Вакуумная камера поста оборудована нагревателями, служащими для вакуумного прогрева после напуска атмосферы.
Измерение парциального давления при нагреве образцов осуществляется с помощью квадрупольного масс-спектрометра Pfeiffer Prizma QMG-220, подключаемого к управляющему компьютеру по сети Ethernet 100Base-TX, при помощи специализированного программного обеспечения Quadera.
-
Результаты и их обсуждение
В работе был получен спектр мишени, облученной с нагрузкой 2 МДж/м2.. Скорость нагрева составила 0,05 К/с. Давление в системе измерялось при помощи магниторазрядного вакуумметра. Зависимости температуры образца от времени и давления в высоковакуумной магистрали представлены на рисунках 11 и 12:
При помощи масс-спектрометра снимался масс-спектр десорбировавших газов. Масс-спктр при температурах 500 К и 700 К показаны соответственно на рисунках 13 и 14.
Из информации масс-спектрометра и вакуумметра находилось парциальное давление водорода в камере, результат представлен на рисунке 15.
Из законов вакуумной техники и данных вакуумной системы находился поток десорбировавшего водорода по следующей формуле:
где S=0,12 м3/с – скорость откачки насоса по водороду, U=0,08 м3/с – проводимость трубы от измерителя давления до насоса, k=1,38*1023 Дж/К – постоянная Больцмана, T=293 К – комнатная температура. Из полученных результатов можно получить зависимость потока с единицы площади от температуры, в предположении, что газ десорбируется только с мишени. Аналогичным образом был получен спектр для необлученной мишени. Эти результаты показаны на рисунках 16 и 17:
Таким образом в области температур 600-750 К поток водорода составил 1016-1017 шт./(с*см2), в предположении, что газ десорбируется только с мишени. При этом полный выход водорода из рабочего объема с облученной мишенью при нагреве до 740 К составил 1,5*1020 штук. С другой стороны в ряде работ [9, 10, 11] характерная величина потока составляет 1014 шт./(с*см2). Т.е. превышение составило 102-103, что ставит под сомнение полученный результат. При этом суммарная площадь экранов, которые также нагревались до 500 К составляла 1,6*103 см2. Т.е. наблюдаемый газ возможно десорбировался не только с мишени, но и с окружающих ее экранов.
Кроме этого при проведении эксперимента ТДА была выявлена невозможность добиться температур выше 820 К на данном оборудовании. Это было связано с рядом причин: мощность, подаваемая на нагреватели, была ограничена тем, что источники питания при больших токах выходили в режим ограничения по напряжению; при долгой работе на пределе мощности источники тока перегревались и выключались при срабатывании внутренней защиты по температуре; при низкой скорости нагрева экраны нагревались и плохо выполняли свою функцию. Т.о. получить пик ТД-спектра, находящийся при большей температуре не удалось.
-
Выводы и заключения
-
Изучена теория ТДА, выбраны методы определения термодесорбционных параметров по зависимостям потоков газа от температуры.
-
В работе была спроектирована, собрана и испытана камера для ТДА.
-
Был получен спектр остаточных газов на стенде для ТДА при нагреве без мишени, с облученной и необлученной мишенями; а также был измерен полный выход водорода из рабочего объема, который составил 1,5*1020 штук.
-
Также установлено, что максимально достижимая температура мишени на данном стенде составляет ~820 К.
Дальнейшие планы работы на стенде ТДА включают в себя:
-
Доработку системы нагрева мишени, для возможности достижения больших температур.
-
Изменение системы экранов с целью понижения потока десорбировавшего газа с них.
-
Проверку полученных потоков и полного выхода водорода с целью выделить разницу между облученной и необлученной мишенями.
-
Список литературы.
-
С. Ф. Борисов, Межфазная граница газ–твердое тело: структура, модели, методы исследования, Учебное пособие, Екатеринбург, 2001.
-
Балек В., Тельдеши Ю. Эманационно-термический анализ, Применение в химии твердого тела, аналитической химии и технике: Пер. с англ М.: Мир, 1986 г.,-368 с.
-
И.Н.Бекман, Диффузно-структурный анализ, Учебное пособие для вузов, Москва, 1995.
-
И.Н. Бекман, Эманирование твердых тел (Феноменологическая теория), Москва, 2008, URL: http://profbeckman.narod.ru/Eman.htm, (дата обращения 1.06.2012).
-
Kelly R., Matzke Hj. // J. Nucl. Mat. 20 (1966) 171.
-
Donnely S.E., Armour D.G. // Vacuum, 27 (1977) 21.
-
Лущик Н.Е. // Труды института физики и астрономии, г.Тарту, АН ЭССР, №3 (1955) 22
-
А.А. Шошин, А.В. Аникеев, Ловушка для термояда // Наука из первых рук, №5 (17), 2007, с. 6-19
-
W. Wang, Q. Li, M. Kobayashi et.al, Retention Behavior of Deuterium and Oxigen in Boronized VPS-W // 20th International Conference on Plasma Surface Interaction, P3-064.
-
M. Oya, K. Uekita, Y. Ohtsuka et.al, Deuterium Retention in Toughned, Fine-Grained Recristallized Tungsten // 20th International Conference on Plasma Surface Interaction, P3-039.
-
Y. Oya, S. Masuzaki, T. Fujishima et.al, Evaluation of hydrogen isotope retention enhancement for tungsten byplasma exposure in LHD // 20th International Conference on Plasma Surface Interaction, P3-040.















