Методичка к ДЗ (1245675), страница 3
Текст из файла (страница 3)
полость штампа
Задание ΔL, Lз, ΔT, ΔTз
Заг-ка в
штампе
?
Да
Нет
Кн. “Пуск”
нажата?
Нет
Да
Включение муфты и выключение тормоза
Подача заготовки
Да
Нет
ВК1
?
Нет
Наличие
в упоре?
Да
Выключение муфты и включение тормоза
Отрезка заготовки
Цикл работы робота-манипулятора
Нет
ВК2
?
Да
Конец цикла ?
Регулировка упора
Выброс в отход
Да
Нет
Нет
L=Lз ΔL
?
Да
Загрузка в индуктор
Регулировка времени нагрева
Работа толкателя
Выброс в отход
Да
Нет
T=Tз ΔT
?
A
Рис.8 Блок – схема алгоритма5. Программа управления на языке LD, FBD или другом языке
Здесь приводится ЧПУ ПЛК согласно блок-схеме алгоритма.
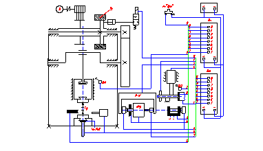
6. Принципиальная схема системы ЧПУ КГШП 40МН
Должны быть обозначены все компоненты схемы и приведены их характеристики
Рис.9 Принципиальная схема системы ЧПУ КГШП 40 МН
7.Заключение
Представленная система ЧПУ позволяет поддерживать постоянную длину и температуру заготовок при отрезке и нагреве в индукторе, соответственно. Постоянная длина поддерживается за счет регулирования положения упора при подаче заготовки на отрезку. Необходимая температура достигается в результате изменения скорости толкателя, продвигающего заготовку внутри индуктора. Возможность поддержания постоянной длины, получаемой при отрезке и температуры заготовки (на выходе из индуктора) является преимуществами данной системы, так как это влечет за собой выравнивание объема заготовки и стабилизацию силы деформирования. Это обеспечивает уменьшение отклонений упругой деформации системы пресс-штамп и получение поковок с наименьшими отклонениями величины высотного размера и более равномерный износ штампов. К преимуществам предлагаемой системы можно также отнести возможность усовершенствований за счет установки различного рода регуляторов и датчиков . Повышения производительности до 7-8 поковок в минуту можно достигнуть применением грейферной подачи с независимым, управляемым по программе приводом.
8. Список используемой литературы
-
Бочаров Ю.А., Методические указания по выполнению домашнего задания// Управление процессами и машинами обработки металлов давлением//Разработка технического предложения на проектирование системы ЧПУ. Электронная версия МТ6, МГТУ им. Н.Э.Баумана - 2009 г.
-
Бочаров Ю.А., Методология разработки систем программного управления в ОМД// Процессы и машины кузнечно-штамповочного производства, Сб., М.: Изд-во МГТУ им. Н.Э.Баумана, 1998.
-
Бочаров Ю.А. Кузнечно-штамповочное оборудование. Учебник. М.; ИЦ. Академия. 2008 г.- 480 с.
-
Бочаров Ю.А. Лекции по курсу: “Управление процессами и машинами ОМД”, 2009.
-
Должны быть приведены ссылки на сайты Интернет, каталоги, фирменные материалы и другие источники информации.
















