ДЗ_Испытания_и_диагностика_ЖРД (1240840)
Текст из файла
| Министерство науки и высшего образования Российской Федерации Федеральное государственное бюджетное образовательное учреждение высшего образования «Московский государственный технический университет имени Н.Э. Баумана (национальный исследовательский университет)» (МГТУ им. Н.Э. Баумана) |
ФАКУЛЬТЕТ Энергомашиностроение
КАФЕДРА Э1 — «Ракетные двигатели»
ДОМАШНЕЕ ЗАДАНИЕ
ПО КУРСУ
«Испытания и диагностика ЖРД»
НА ТЕМУ:
«Расчет элементов газогидравлического стенда»
Студент Э1-111 __________________ К.А. Саркисян
(Группа) (Подпись, дата) (И.О. Фамилия)
Преподаватель __________________ Н.Я. Ирьянов
(Подпись, дата) (И.О. Фамилия)
2020 г.
Содержание
Введение 3
Задачи расчета 4
Исходные данные 5
1 Проектирование принципиальной пневмогидравлической схемы стенда 6
1.1 Сбор и анализ априорной информации 6
1.2 Требования, предъявляемые к отдельным элементам стенда 6
2 Расчет системы подачи рабочего компонента 7
2.1 Определение проходного сечения расходной магистрали 7
2.2 Определение необходимого давления подачи 8
2.3 Определение запаса рабочего компонента (заправочной дозы) 8
2.4 Расчет магистрали вспомогательного компонента 9
2.5 Определение необходимого давления редуцирования 11
2.6 Определение объема баллона и необходимого запаса сжатого газа 11
3 Расчет на прочность емкостей рабочего и вспомогательного компонентов 12
3.1 Емкость рабочего компонента 12
3.2 Емкость вспомогательного компонента 13
4 Расчет и выбор элементов системы измерения 14
4.1 Выбор приборов для регистрации основных параметров при проведении испытаний 14
4.2 Расчет дроссельного расходомера в магистрали вспомогательного компонента 15
5 Оценка ожидаемой погрешности измерения расхода вспомогательного компонента 19
Список используемых источников 21
Литература 21
Нормативные документы 21
Программные продукты 21
Введение
Среди многообразия стендов, используемых при отработке двигательных установок (ДУ), ведущее место занимают газогидравлические стенды (ГГС), поскольку воздействию гидравлических и газовых нагрузок подвергаются как составные части ДУ, так и сам двигатель.
ГГС обеспечивают:
-
определение статической прочности объектов испытаний путем опрессовки;
-
контроль гидросопротивлений путем проливки или продувки;
-
контроль герметичности;
-
испытания, отработку и контроль качества функционирования отдельных узлов, агрегатов и пневмогидросистем:
-
настройку элементов и ДУ в целом на заданный режим;
-
контроль динамических характеристик различных элементов пневмогидросистем при воздействии гармонических колебаний, пульсирующих давлений и других возмущающих воздействий;
-
проверку динамической прочности элементов проточной части при воздействии пульсирующих давлений;
промывку, продувку магистралей с целью достижения требуемой чистоты;
заправку топливом и вспомогательными веществами бортовых систем.
Задачи расчета
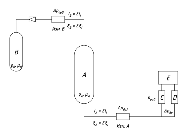
В соответствии с расчетной схемой ГГС (см. рис. 1) и исходными данными для расчета необходимо подать компонент из емкости A в C путем вытеснения компонента A вспомогательным компонентом B, запасенным в газобаллонной батарее.
В процессе выполнения домашнего задания решается следующий круг задач:
-
разработка (проектирование) принципиальной пневмогидравлической схемы стенда для «холодных» испытаний (проливок, продувок) агрегатов двигателя;
-
определение проходных сечений расходных и вспомогательных магистралей;
-
определение гидравлических сопротивлений и гидропотерь в магистралях;
-
расчет давления подачи (наддува);
-
определение заправочной дозы (запаса) рабочего компонента;
-
определение запасов сжатого газа или вспомогательного компонента;
-
определение потребных объемов расходных емкостей и газовых баллонов;
-
расчет и выбор элементов системы измерений.
Рисунок 1 – Расчетная схема поливочного стенда:
A – основной компонент (рабочее вещество); B – вспомогательный компонент (вытесняющий газ); C – рабочий участок; D – градуировочный участок; E – участок улавливания и нейтрализации
Исходные данные
Рабочий компонент A вода (H2O)
Вспомогательный компонент B воздух
Температура компонента A
Температура компонента B
Давление в рабочем участке C
Перепад давления на входе в C
Расход рабочего компонента
Время работы
Перепад давления на дроссельном расходомере компонента A
Перепад давления на дроссельном расходомере компонента B
Начальное давление в баллоне вспомогательного компонента
Длина подводящих магистралей компонента A
Длина подводящих магистралей компонента B
Суммарный коэффициент местных потерь в магистрали A
Суммарный коэффициент местных потерь в магистрали B
Форма бака компонента A сферическая
Форма бака компонента B цилиндрическая
-
Проектирование принципиальной пневмогидравлической схемы стенда
-
Сбор и анализ априорной информации
-
Перед началом проектирования принципиальной пневмогидравлической схемы (ПГС) стенда были изучены схемы лабораторных стендов для «холодных» проливок и для огневых испытаний модельного двигателя.
-
Требования, предъявляемые к отдельным элементам стенда
Стендовые емкости должны быть оборудованы:
-
заборными устройствами;
-
дренажным клапаном для сброса газов и паров при заправке баков компонентов ракетного топлива (КРТ);
-
предохранительным устройством для сброса избыточного давления из газовой подушки при повышении температуры КРТ в процессе хранения, а также для сброса избытков газа при наддуве (как правило, дренажная и предохранительная система объединяются в единую дренажно-предохранительную систему (ДПС));
-
системой наддува
-
системой кондиционирования, которая включает в себя подсистемы термостатирования КРТ, их газонасыщения, вакуумирования газовой подушки (разнасыщения КРТ), подсистему отбора проб для анализов;
-
заправочно-сливной системой
-
люком для монтажа внутрибаковых систем, очистки и ремонта баков;
-
демпферами (перфорированные перегородки, либо сетки).
Расходные емкости должны быть оборудованы системами измерения:
-
уровня;
-
давления;
-
расхода;
-
температуры;
-
сплошности.
На основании проведенного анализа схем лабораторных установок и требований, предъявляемых к отдельным элементам стенда, в соответствии с [7] была спроектирована ПГС стенда для «холодных» проливок форсуночной головки (ФГ) (см. Прил. А).
-
Расчет системы подачи рабочего компонента
Расчет производился по методике, подробно изложенной в курсе лекций к.т.н., доц. кафедры Э1 – «Ракетные двигатели» МГТУ им. Н.Э. Баумана Н.Я. Ирьянова по дисциплине «Испытания и диагностика ЖРД».
-
Определение проходного сечения расходной магистрали
Задаемся скоростью компонента A в расходной магистрали с учетом рекомендаций
Тогда из уравнения неразрывности потребный диаметр трубопровода компонента в первом приближении
где
– плотность компонента при
,
[1].
Сравниваем
с условным диаметром из стандартного ряда и выбираем ближайшее к нему значение
Толщина стенки трубы рабочего компонента
Тогда наружный диаметр трубы рабочего компонента
Поперечное сечение трубопровода A представлено на рис. 2.
Рисунок 2 – Поперечное сечение трубопровода A
Выбираем в качестве материала трубы рабочего компонента легированную коррозионностойкую сталь 12Х18Н10Т с пределом прочности при
[2]
и по котельной формуле [3] определяем минимально допустимую толщину стенки
Условие
выполняется.
Определяем действительную скорость рабочего компонента из уравнения неразрывности
-
Определение необходимого давления подачи
Находим число Рейнольдса компонента A
где
– вязкость компонента при
,
[1].
Определяем коэффициент сопротивления трения расходной магистрали по формуле
Определяем суммарные гидравлические потери давления компонента A в расходной магистрали
Умышленно завышаем потери давления в магистрали A на 30 %:
Значение пойдет в запас расчета.
Определяем потребное давление подачи (наддува) бака компонента A
-
Определение запаса рабочего компонента (заправочной дозы)
Находим объемный расход компонента A
Тогда объем рабочего компонента
Задаемся технологическим коэффициентом
и определяем объем заправочной дозы
Задаемся коэффициентом свободного объема (газовой подушки)
Тогда потребный объем бака компонента A
-
Расчет магистрали вспомогательного компонента
Допущение: магистрали абсолютно герметичны (утечек нет).
Тогда объемный расход компонента B
Определяем газовую постоянную компонента B
где
– молярная масса вспомогательного компонента,
.
Плотность вспомогательного компонента (по уравнению состояния идеального газа)
Определяем массовый расход компонента B
Задаемся скоростью компонента B в расходной магистрали с учетом рекомендаций
Тогда из уравнения неразрывности потребный диаметр трубопровода компонента в первом приближении
Характеристики
Тип файла документ
Документы такого типа открываются такими программами, как Microsoft Office Word на компьютерах Windows, Apple Pages на компьютерах Mac, Open Office - бесплатная альтернатива на различных платформах, в том числе Linux. Наиболее простым и современным решением будут Google документы, так как открываются онлайн без скачивания прямо в браузере на любой платформе. Существуют российские качественные аналоги, например от Яндекса.
Будьте внимательны на мобильных устройствах, так как там используются упрощённый функционал даже в официальном приложении от Microsoft, поэтому для просмотра скачивайте PDF-версию. А если нужно редактировать файл, то используйте оригинальный файл.
Файлы такого типа обычно разбиты на страницы, а текст может быть форматированным (жирный, курсив, выбор шрифта, таблицы и т.п.), а также в него можно добавлять изображения. Формат идеально подходит для рефератов, докладов и РПЗ курсовых проектов, которые необходимо распечатать. Кстати перед печатью также сохраняйте файл в PDF, так как принтер может начудить со шрифтами.
















