Кузнецов К.И.2 (1232726), страница 4
Текст из файла (страница 4)
где ky – коэффициент увеличения мощности бытовой нагрузки; kр – коэффициент разновременности максимальных нагрузок потребителей (в связи с тем, что определяющей является нагрузка энергорайона, значительно превосходящая по величине нагрузку собственных нужд подстанции и мощность СКРМ, kр принимается равным 1); Sнов – мощность новых потребителей в соответствии с поданными заявками, МВА.
Для подстанции, осуществляющей электроснабжение потребителей в энергорайоне, класс напряжения которого соответствует напряжению обмотки СН трансформаторов питающей подстанции и в котором размещена электростанция, максимальная мощности обмотки СН должна определяться следующим выражением, МВА:
, (2.4)
где Smax района – максимальное потребление энергорайона, МВА, Sтех.min эс – технологический минимум электростанции, МВА.
Под технологическим минимумом электростанции понимается минимальная нагрузка электростанции, обеспечивающая безопасное для персонала, оборудования, потребителя и окружающей среды состояние работы электростанции, включающая в себя технический минимум собственного оборудования и минимально необходимую нагрузку, обеспечивающую технологический минимум потребителей (без останова технологического процесса) и минимально необходимый расход гидроресурсов для обеспечения требований водного законодательства (судоходство, рыбоводство).
2.2 Исходные данные для определения максимальной нагрузки
В соответствии с принципами, изложенными в разделе 2.1, определим максимальную нагрузку подстанции в режимах зимнего и летнего максимума нагрузок. Определение максимальных нагрузок выполним путем моделирования установившихся максимальных режимов рассматриваемого района (зимний максимум и летний максимум нагрузок) в программном комплексе (ПК) RastrWin. Моделирование режима в ПК и его применение для вычислений объясняется тем, что достаточно точно определить потокораспределение реактивной мощности исходя из обеспечения допустимого уровня напряжения в узлах электрической сети возможно трудоемкими итерационными расчетами. Использование специализированного программного обеспечения для ПК существенно упрощает эту задачу.
При этом режимные параметры при моделировании принимаем следующие:
а) потребление в рассматриваемом районе моделируем величиной максимумов нагрузок, зафиксированных в зимний и летний дни контрольных замеров;
б) нагрузку Хабаровской ТЭЦ-1 по активной мощности в режимах зимнего и летнего максимума моделируем величиной технологического минимума, а именно: в режиме зимнего максимума нагрузок при температуре наружного воздуха на уровне климатической нормы декабря (минус 17,7ºС) технологический минимум Хабаровской ТЭЦ-1 определяется тепловой нагрузкой и составляет 260 МВт; в режиме летнего максимума нагрузок технологический минимум Хабаровской ТЭЦ-1 определяется минимально допустимым составом включенного генерирующего оборудования по условиям обеспечения чувствительности устройств РЗА, установленных в прилегающей электрической сети, и составляет 90 МВт (включены два турбогенератора с двумя котлоагрегатами);
в) нагрузку Хабаровской ТЭЦ-1 по реактивной мощности моделируем во всех режимах таким образом, чтобы был обеспечен минимально допустимый уровень напряжения на шинах 110 кВ Хабаровской ТЭЦ-1 в режиме максимальных нагрузок [8].
Расчеты максимальных режимов выполнены для 2015 года с использованием результатов контрольных замеров и на перспективу 5 лет – для 2020 года с учетом перспективного увеличения нагрузок потребителей.
При этом, по полученным сведениям, в территориальном филиале СО максимальная мощность потребителей, подавших заявки на присоединение в рассматриваемом энергорайоне до 2020 года, составляет суммарно 14 МВт. При этом суммарная максимальная реактивная мощность этих потребителей составит 5,6 Мвар с учетом максимального значения коэффициента реактивной мощности, потребляемой в часы больших суточных нагрузок электрической сети - 0,4 для сети 1-35 кВ в соответствии с [10].
Таким образом, для зимнего и летнего максимума нагрузок потребление в рассматриваемом энергорайоне в сети 110 кВ должно быть увеличено:
а) на (14 + j5,6) МВА за счет присоединения новых потребителей;
б) на 1,5% за счет естественного роста потребления, в основном бытового характера.
Режимные параметры энергорайона для моделирования (нагрузка Хабаровской ТЭЦ-1 по реактивной мощности и потребление реактивной мощности района электрической сети 110 кВ, прилегающей к ПС 220 кВ «Хехцир», получены в результате моделирования) и проведения расчетов режимов работы трансформаторов ПС 220 кВ «Хехцир» приведены: на зимний и летний максимумы нагрузок 2015 года в таблице 2.1, на зимний и летний максимумы нагрузок 2020 года в таблице 2.2.
Таблица 2.1 – Параметры для моделирования нагрузок в 2015г.
| Параметр | Зимний макс. 2015г. | Летний макс. 2015г. |
| Потребление энергорайона, МВт + jМвар | 312,3+j117,5 | 185,4+j85,5 |
| Нагрузка Хабаровской ТЭЦ-1, МВт + jМвар | 260+j163,4 | 90+j120,2 |
| Минимально допустимое напряжение на шинах 110 кВ Хабаровской ТЭЦ-1, кВ | 122 | 120 |
| Нагрузка собственных нужд ПС 220 кВ «Хехцир» на стороне 6 кВ 1АТ, МВт + jМвар | 0,2+j0,1 | 0,2+j0,3 |
| Нагрузка собственных нужд ПС 220 кВ «Хехцир» на стороне 10 кВ 2АТ, МВт + jМвар | 0,6+j0,1 | 0 |
| Мощность включенных ШР ПС 220 кВ «Хехцир» на стороне 6 кВ 1АТ, Мвар | j13,2 | j13,2 |
| Мощность включенных ШР ПС 220 кВ «Хехцир» на стороне 10 кВ 2АТ, Мвар | j19,8 | j19,8 |
Таблица 2.2 – Параметры для моделирования нагрузок в 2020г.
| Параметр | Зимний макс. 2020г. | Летний макс. 2020г. |
| Потребление энергорайона, МВт + jМвар | 330,6+j125,2 | 195,5+j90,2 |
| Нагрузка Хабаровской ТЭЦ-1, МВт + jМвар | 260+j174,7 | 90+j126,5 |
| Минимально допустимое напряжение на шинах 110 кВ Хабаровской ТЭЦ-1, кВ | 122 | 120 |
| Нагрузка собственных нужд ПС 220 кВ «Хехцир» на стороне НН 1АТ, МВт + jМвар | 0,2+j0,1 | 0,2+j0,3 |
| Нагрузка собственных нужд ПС 220 кВ «Хехцир» на стороне НН 2АТ, МВт + jМвар | 0,6+j0,1 | 0 |
| Мощность включенных ШР ПС 220 кВ «Хехцир» на стороне НН 1АТ, Мвар | j13,2 | j13,2 |
| Мощность включенных ШР ПС 220 кВ «Хехцир» на стороне НН 2АТ, Мвар | j19,8 | j19,8 |
2.3 Основные принципы моделирования энергосистемы в ПО RastrWin
Программный комплекс RastrWin предназначен для расчета и анализа установившихся режимов электрических систем на персональном компьютере. RastrWin позволяет производить расчет и утяжеление режима, эквивалентирование сети, обеспечивает возможность экранного ввода (коррекции) параметров и управления состоянием элементов модели. ПК имеет также возможность районирования сети с последующей корректировкой параметров заданного района в целом. В ПК предусмотрено графическое представление схемы или отдельных ее фрагментов. Также комплекс имеет возможность осуществлять оптимизацию режима по реактивной мощности с автоматическим выбором положения РПН трансформаторов (для чего должна быть сформирована библиотека РПН).
В России основными пользователями RastrWin являются: Системный Оператор Единой Энергетической Системы (ОАО «СО ЕЭС») и все его филиалы, Федеральная Сетевая Компания (ПАО «ФСК ЕЭС») и ее филиалы и иные субъекты электроэнергетики, в деловых процессах которых целесообразно применение специализированного ПК расчета электрических режимов (МРСК, ТСО и энергосбытовые компании), проектные и научно-исследовательские институты (Энергосетьпроект, НТЦ ЕЭС и др.).
Исходными данными для проведения анализа режимов работы рассматриваемого участка сети являются электрические параметры р
автотрансформаторов ПС 220 кВ «Хехцир», параметры трансформаторов и генераторов Хабаровской ТЭЦ-1 и линий электропередачи 110 кВ рассматриваемого энергорайона. Указанные параметры приведены в Приложении А.
Моделирование схемы замещения энергорайона осуществлялось в соответствии с [9].
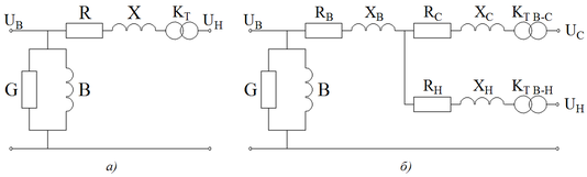
Автотрансформаторы представлены в виде Г-образной схемы замещения, приведенной на рисунке 2.1.
Рисунок 2.1 – Г-образная схема замещения (авто)трансформаторов:
а) двухобмоточных; б) трехобмоточных
Где G – активная проводимость трансформатора, См; В – реактивная проводимость трансформатора, См; R – активное сопротивление трансформатора (обмоток ВН, СН и НН трехобмоточного трансформатора), Ом; X – реактивное сопротивление трансформатора (обмоток ВН, СН и НН трехобмоточного трансформатора), Ом; Кт – коэффициент трансформации.
ЛЭП представлены в виде П-образной схемы замещения, показанной на рисунке 2.2, где R – активное сопротивление ЛЭП, Ом; X – реактивное сопротивление ЛЭП, Ом; B – емкостная проводимость ЛЭП, См.
Рисунок 2.2 – П-образная схема замещения ЛЭП
Генераторы моделируются активной генерацией (Рг равно const), модулем генераторного напряжения (Uг равно const) и располагаемым диапазоном регулирования по реактивной мощности в соответствии с P-Q диаграммами генераторов.
Шунтирующие реакторы ПС 220 кВ «Хехцир» в модели энергорайона представлены поперечной реактивной проводимостью.
Параметры схемы замещения АТ и ШР, установленных на подстанции 220 кВ «Хехцир», ЛЭП энергорайона, а также трансформаторов и генераторов Хабаровской ТЭЦ-1 для расчета в программном комплексе RastrWin представлены в Приложении Б.
Нагрузка потребителей в узлах электрической сети ввиду отсутствия крупных промышленных предприятий с большой долей электродвигательной нагрузки, смоделирована постоянной по величине мощностью (Pн = const, Qн = const).
Величина нагрузки в узлах электрической сети в режимах зимнего и летнего максимумов 2015 и 2020 годов рассматриваемого энергорайона приведена в Приложении В.
2.4 Выбор автотрансформаторов
Для оценки максимальных нагрузочных режимов автотрансформаторов АТ1 и АТ2 ПС 220 кВ «Хехцир» выполнены следующие расчеты установившихся режимов:
-
Нормальный режим максимальных зимних нагрузок 2015 года и 2020 года сети 110 кВ в районе ПС 220 кВ «Хехцир», приложение Г;
-
Нормальный режим максимальных летних нагрузок 2015 года и 2020 года
сети 110 кВ в районе ПС 220 кВ «Хехцир», приложение Д;
-
Послеаварийный установившийся режим. Отключение наиболее загруженного генератора Хабаровской ТЭЦ-1 в режиме максимальных летних нагрузок 2020 года, приложение Е;
-
Послеаварийный установившийся режим. Отключение автотрансформатора АТ2 ПС 220 кВ «Хехцир» в режиме максимальных летних нагрузок 2020 года, приложение Ж.
В результате проведенных расчетов установившихся электрически режимов зимнего и летнего максимума 2015 года, зимнего и летнего максимума 2020 года, а также послеаварийных режимов, полученные данные по нагрузке автотрансформаторов ПС 220 кВ «Хехцир» сведены в таблицу и приведены в Приложении И.
Таким образом, максимальная нагрузка автотрансформаторов подстанции с учетом несения нагрузки ХабаровскойТЭЦ-1 на уровне технологического минимума и потреблении энергорайона с учетом роста нагрузок потребителей составляет в режимах зимнего и летнего максимума 2020 года соответственно:















