Кузнецов К.И.2 (1232726), страница 17
Текст из файла (страница 17)
Рисунок Г.1 - Нормальный режим максимальных зимних нагрузок 2015 года
Рисунок Г.2 - Нормальный режим максимальных зимних нагрузок 2020 года
ПРИЛОЖЕНИЕ Д
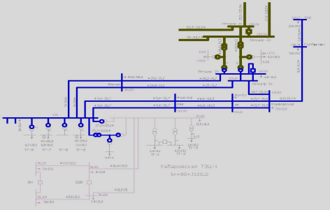
Рисунок Д.1 - Нормальный режим максимальных летних нагрузок 2015 года
Рисунок Д.2 - Нормальный режим максимальных летних нагрузок 2020 года
ПРИЛОЖЕНИЕ Е
Рисунок Е.1 - Послеаварийный установившийся режим. Отключение наиболее загруженного генератора
Хабаровской ТЭЦ-1 в режиме максимальных летних нагрузок 2020 года
ПРИЛОЖЕНИЕ Ж
Рисунок Ж.1 - Послеаварийный установившийся режим. Отключение автотрансформатора
АТ2 ПС 220 кВ «Хехцир» в режиме максимальных летних нагрузок 2020 года
ПРИЛОЖЕНИЕ И
Параметры нагрузки автотрансформаторов ПС 220 кВ «Хехцир»
Таблица И.1 – Параметры нагрузки 1АТ и 2АТ ПС 220 кВ «Хехцир» в нормальных (ремонтных) и послеаварийных режимах после нормативных возмущений
| Режим | Схема | 2015 год | 2020 год | ||
| 1АТ | 2АТ | 1АТ | 2АТ | ||
| Зимний максимум | Нормальная | 17,1-j0,5 | 39,4+j5,4 | 22,8-j0,8 | 52,7+j4,7 |
| Отключен ТГ ХТЭЦ-1 | 35,1+j1,2 | 80,9+j9,4 | 40,7+j2 | 93,9+j11,4 | |
| Отключен 1АТ | - | 56,4+j2,9 | - | 75,5+j2,5 | |
| Отключен 2АТ | 56,3-j1,5 | - | 75,4+j0 | - | |
| Отключена ЛЭП 110 кВ Корфовская - Хехцир | 17,1-j1 | 39,6+j4,3 | 22,9-j1,2 | 52,9+j3,8 | |
| Отключена ЛЭП 110 кВ Хабаровская ТЭЦ-1 – Южная цепи №№1,2 | 17+j8,7 | 39,3+j26,8 | 22,6+j8,4 | 52,2+j26 | |
| Отключен ОСМВ-110 | 23,8+j0,3 | 32,8+j4,9 | 31,7+j0,2 | 43,8+j4,2 | |
| В ремонте 1АТ и отключен ТГ ХТЭЦ-1 | - | 116+j9,2 | - | 134,6+j12,5 | |
| В ремонте 2АТ и отключен ТГ ХТЭЦ-1 | 115,9+j9,4 | - | 134,4+j14,8 | - | |
Окончание таблицы И.1
| Летний максимум | Нормальная | 29,7+j2 | 68,6+j11,3 | 32,8+j2 | 75,7+j11,2 |
| Отключен ТГ ХТЭЦ-1 | 40,6+j10,6 | 93,7+j31,2 | 43,6+j10,7 | 100,6+j31,4 | |
| Отключен 1АТ | - | 98,3+j10,3 | - | 108,4+j10,6 | |
| Отключен 2АТ | 98,7+j7,5 | - | 108,8+j9,3 | - | |
| Отключена ЛЭП 110 кВ Корфовская - Хехцир | 29,8+j2,5 | 68,8+j12,4 | 32,8+j2,5 | 75,9+j12,5 | |
| В ремонте 1АТ и отключен ТГ ХТЭЦ-1 | - | 132,2+j36,1 | - | 143,7+j38,7 | |
| В ремонте 2АТ и отключен ТГ ХТЭЦ-1 | 133,9+j36,5 | - | 140,6+j43,9 | - | |
| Отключена ЛЭП 110 кВ Хабаровская ТЭЦ-1 – Южная цепи №№1,2 | 29,7+j6,3 | 68,5+j21,2 | 32,7+j6,3 | 75,5+j21,3 | |
| Отключен ОСМВ-110 | 40,6+j3,3 | 57,8+j11,1 | 44,8+j3,5 | 63,7+j11 |
ПРИЛОЖЕНИЕ К
Рисунок К.1 - Послеаварийный установившийся режим. Отключение автотрансформатора АТ2 ПС 220 кВ «Хехцир» в режиме максимальных летних нагрузок 2020 года. Работа АОПО с реализацией управляющих воздействий на отключение потребителей
ПРИЛОЖЕНИЕ Л
Параметры трансформаторов тока (ТТ) и токоограничивающих реакторов
Таблица Л.1 – Параметры ТТ
| Присоединение | ВН (220 кВ) | СН (110 кВ) | НН (6, 10 кВ) | ||||||
| Место установки | Кт | Класс точности для РЗА | Место установки | Кт | Класс точности для РЗА | Место установки | Кт | Класс точности для РЗА | |
| 1АТ | У-220 | 1000/5 | 10Р | МКП-110 | 600/5 | 10Р | ШМ-6 кВ | 3000/5 | 10Р |
| 2АТ | У-220 | 1000/5 | 10Р | МКП-110 | 600/5 | 10Р | ШМ-10 кВ | 3000/5 | 10Р |
Таблица Л.2 – Параметры токоограничивающих реакторов
| Присоединение | Место установки | Тип | Uном, кВ | Iном, А |
| 1АТ | ШМ-6 кВ | РБНГ-10 | 11 | 2500 |
| 2АТ | ШМ-10 кВ | РБНГ-10 | 11 | 2500 |















