приложения (1232714)
Текст из файла
Приложение A
Расчеты режимов Rastr Win на 2015 г.
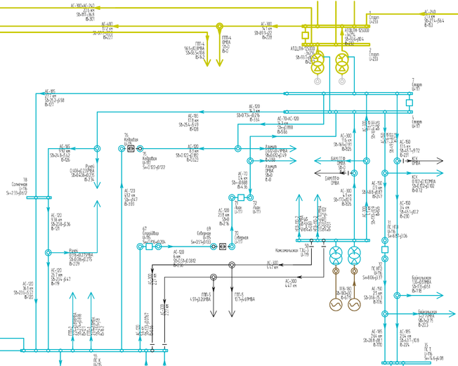
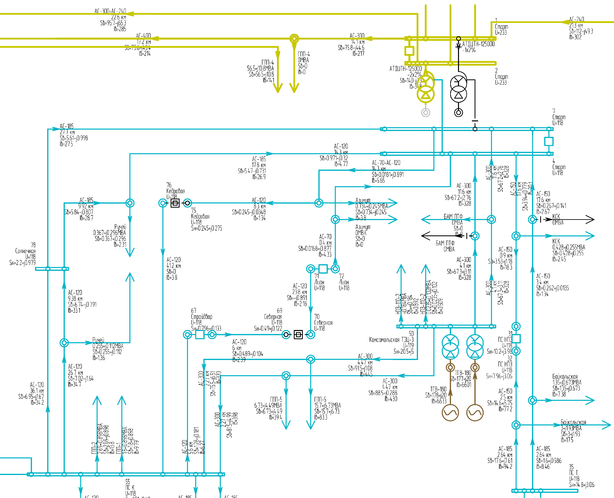
Рисунок А1 – Отключение АТ 220/110. Зима максимум
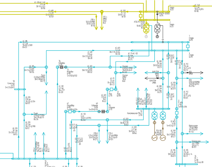
Рисунок А2 – Отключение двухцепной ВЛ110 кВ К – Комсомольская ТЭЦ-3 (С-117, С-118). Зима максимум
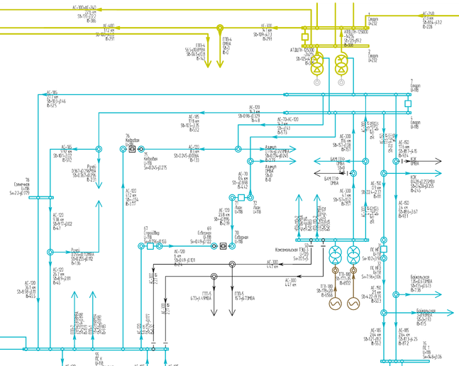
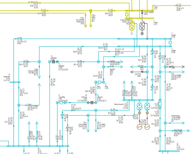
Рисунок А3 – Нормальный режим. Зима миниум
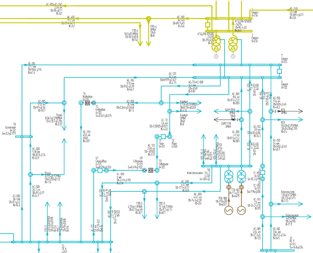
Рисунок А4 – Отключение АТ 220/110. Зима минимум
Рисунок А5 – Отключение двухцепной ВЛ 110 кВ К – Комсомольская ТЭЦ-3 (С-117,С-118). Зима минимум
Рисунок А6 - Нормальный режим. Лето максимум
Рисунок А7 - отключение АТ 220/110. Лето максимум
Рисунок А8 - Отключение двухцепной ВЛ 110 кВ К – Комсомольская ТЭЦ-3 (С-117,С-118). Лето максимум.
Рисунок А9 - Нормальный режим. Лето минимум
Рисунок А10 - Отключение АТ 220/110. Лето минимум
Рисунок А11 - Отключение двухцепной ВЛ110 кВ К – Комсомольская ТЭЦ-3 (С-117,С-118). Лето минимум
Характеристики
Тип файла документ
Документы такого типа открываются такими программами, как Microsoft Office Word на компьютерах Windows, Apple Pages на компьютерах Mac, Open Office - бесплатная альтернатива на различных платформах, в том числе Linux. Наиболее простым и современным решением будут Google документы, так как открываются онлайн без скачивания прямо в браузере на любой платформе. Существуют российские качественные аналоги, например от Яндекса.
Будьте внимательны на мобильных устройствах, так как там используются упрощённый функционал даже в официальном приложении от Microsoft, поэтому для просмотра скачивайте PDF-версию. А если нужно редактировать файл, то используйте оригинальный файл.
Файлы такого типа обычно разбиты на страницы, а текст может быть форматированным (жирный, курсив, выбор шрифта, таблицы и т.п.), а также в него можно добавлять изображения. Формат идеально подходит для рефератов, докладов и РПЗ курсовых проектов, которые необходимо распечатать. Кстати перед печатью также сохраняйте файл в PDF, так как принтер может начудить со шрифтами.














