подстанция Киевцев ГВФ Новый Нормоконтроль2 исп (1232666)
Текст из файла
Министерство транспорта Российской Федерации
Федеральное агентство железнодорожного транспорта
ФЕДЕРАЛЬНОЕ ГОСУДАРСТВЕННОЕ БЮДЖЕТНОЕ ОБРАЗОВАТЕЛЬНОЕ
УЧРЕЖДЕНИЕ ВЫСШЕГО ПРОФЕССИОНАЛЬНОГО ОБРАЗОВАНИЯ
«ДАЛЬНЕВОСТОЧНЫЙ ГОСУДАРСТВЕННЫЙ УНИВЕРСИТЕТ
ПУТЕЙ СООБЩЕНИЯ»
Кафедра «Системы электроснабжения»
К ЗАЩИТЕ ДОПУСТИТЬ
Заведующий кафедрой
И.В. Игнатенко
«»2016г.
РЕКОНСТРУКЦИЯ ПС 110/35/6 кВ «ГВФ»
Пояснительная записка к выпускной квалификационной работе
БР 13.03.02 ПЗ
Студент гр.
Руководитель
Нормоконтроль
Хабаровск – 2016
1. Тема проекта (работы): Реконструкция ПС 110/35/6 кВ «ГВФ» утверждена приказом по университету от «15» июня 2016 г. № 664а 2. Срок сдачи студентом законченного ВКР 20 июня 2016 г. 3. Исходные данные к ВКР Техническое задание на разработку проектной документации; однолинейная схема подстанции; остальные исходные данные приводятся в пояснительной записке. 4. Содержание расчетно-пояснительной записки (перечень подлежащих разработке вопросов) 1) Анализ существующей схемы подстанции; 2) Выбор силовых трансформаторов; 3) Выбор трансформаторов собственных нужд; 4) Расчет токов короткого замыкания; 5) Выбор и проверка основного оборудования; 6) Выбор кабелей для секционных шинных мостов от ЗРУ к КРУ 6 кв в модульном здании; 7) Выбор аккумуляторных батарей; 8) Изоляция, защита от перенапряжений, заземление, электромагнитная совместимость. 5. Перечень графического материала (с точным указанием обязательных чертежей): Принципиальная электрическая схема до реконструкции; Принципиальная электрическая схема после реконструкции; План подстанции после реконструкции; Разрезы ОРУ 110/35/6 кВ 6. Консультанты по ВКР (с указанием относящихся к ним разделов ВКР)
7. Дата выдачи задания 04.05.2016 г Календарный план выполнения выпускной квалификационной работы
Студент___________________________________________________________ Руководитель ВКР__________________________________________________ | |||||||||||||||||||||||||||||||||||||||||||||||||||||
ABSTRACT
The object of this study is to 110/35/6 kV substation "GVF" of "DRSK".
The purpose of the work - the reconstruction of the substation installation of an additional power transformer (3T) and the partial replacement of the main substation equipment.
As a result of analysis, it was determined that after the expansion of the existing airport Khabarovsk power transformers will be unable to provide the consumer with sufficient capacity and will work with an overload. It was decided to establish a third transformer of 25 MVA. new equipment was selected and tested in connection with the increased capacity of the substation.
The selected equipment meets all modern requirements for reliability and allows you to perform based on his remote control.
РЕФЕРАТ
Работа содержит 59 с., 3 рис., 21 таблицу, 15 источников, 2 приложения.
СИЛОВОЙ ТРАНСФОРМАТОР, ТОКИ КОРОТКОГО ЗАМЫКАНИЯ, МАКСИМАЛЬНЫЕ РАБОЧИЕ ТОКИ, ОСНОВНОЕ ОБОРУДОВАНИЕ, АККУМУЛЯТОРНЫЕ БАТАРЕИ, ОБОРУДОВАНИЕ СОБСТВЕННЫХ НУЖД
Объектом исследования является подстанция 110/35/6 кВ «ГВФ» ОАО «ДРСК».
Цель работы - реконструкция подстанции установкой дополнительного силового трансформатора (3Т) на территории подстанции и частичная замена основного оборудования подстанции.
В результате анализа было определено, что после расширения Хабаровского аэропорта существующие силовые трансформаторы не смогут обеспечить потребителя достаточной мощностью и будут работать с перегрузкой. Было принято решение установить третий трансформатор мощностью 25 МВА. В связи с возросшей мощностью подстанции было выбрано и проверено новое оборудование.
Выбранное оборудование соответствует всем современным требованиям надежности и позволяет на его основе выполнять телеуправление.
Данная реконструкция подстанции позволила повысить надежность электроснабжения и качество электроэнергии у потребителей, а так же снизить потери электроэнергии и как следствие затраты на эксплуатацию.
СОДЕРЖАНИЕ
С.
ВВЕДЕНИЕ 8
1 АНАЛИЗ СУЩЕСТВУЮЩЕЙ СХЕМЫ ПОДСТАНЦИИ 10
2 ВЫБОР СИЛОВЫХ ТРАНСФОРМАТОРОВ 12
3 ВЫБОР ТРАНСФОРМАТОРОВ СОБСТВЕННЫХ НУЖД 15
4 РАСЧЕТ ТОКОВ КОРОТКОГО ЗАМЫКАНИЯ 16
4.1 Расчет токов короткого замыкания на шинах 110, 35 и 6кВ 16
5 ВЫБОР И ПРОВЕРКА ОСНОВНОГО ОБОРУДОВАНИЯ 19
6.1 Выбор и проверка выключателей 19
5.2 Выбор и проверка разъединителей 23
5.3 Выбор трансформаторов тока 24
5.6Выбор трансформаторов напряжения 36
6 ВЫБОР КАБЕЛЕЙ ДЛЯ СЕКЦИОННЫХ ШИННЫХ МОСТОВ ОТ ЗРУ К КРУ 6 КВ В МОДУЛЬНОМ ЗДАНИИ 47
7 ВЫБОР АККУМУЛЯТОРНЫХ БАТАРЕЙ 50
9 ИЗОЛЯЦИЯ, ЗАЩИТА ОТ ПЕРЕНАПРЯЖЕНИЙ, ЗАЗЕМЛЕНИЕ, ЭЛЕКТРОМАГНИТНАЯ СОВМЕСТИМОСТЬ 53
ЗАКЛЮЧЕНИЕ 56
СПИСОКИСПОЛЬЗОВАННЫХИСТОЧНИКОВ 58
ВВЕДЕНИЕ
Подстанция 110кВ ГВФ расположена в Хабаровском крае, Хабаровском районе, с. Матвеевка, примерно в 163 м на юго-запад от жилого дома по ул. Форт-Росс, 1-1. Земельный участок, на котором расположена ПС, находится в собственности ООО «Дальневосточная распределительная сетевая компания».
Планирование площадки ПС 110 кВ ГВФ выполнена при ее строительстве, вся площадка отсыпана щебенистым грунтом, занята сооружениями и зданиями. Въезд на территорию осуществляется с южной стороны ПС. Внутриплощадочные автомобильные дороги и проезды отсыпаны щебнем. Растительность в границах территории площадки отсутствует. Территория существующей площадки имеет сетчатое ограждение высотой 2,5 м.
Сейсмичность площадки строительства - 6 баллов.
На территории ПС расположено электрооборудование и вспомогательные службы , обеспечивающие его работу:
-
открытое распределительное устройство (ОРУ) 110 кВ с установленными на нем двумя силовыми трансформаторами типа ТДТН-25000/110, напряжением 110/35/6 кВ, мощностью 25 МВА каждый, с регулированием напряжения под нагрузкой;
-
открытое распределительное устройство 35 кВ;
-
закрытое распределительное (ЗРУ) 6 кВ, выполненное шкафами серии КРУ-10-20;
-
одноэтажное здание общеподстанционного пункта управления (ОПУ), выполненное в кирпичном исполнении и включающее в себя :
-
щитовое помещение, помещение аккумуляторной батареи, помещение связи, помещение обслуживающего персонала, кладовую и коридор.
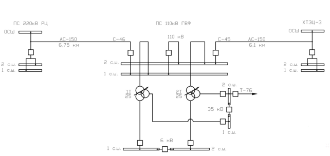
Питание ПС 110кВ ГВФ осуществляется по двум одноцепным ВЛ 110 РЦ-ГВФ (С-46) и ВЛ 110 кВ ХТЭЦ-3-ГВФ (С-45).
Потребителями реконструируемой ПС 110 кВ ГВФ являются объекты аэропорта, МЧС России, ХГЭС, СРЭС, и другие предприятия.
Объекты электрических сетей, к которым относится подстанция 110кВ ГВФ, не имеют собственного производства продукции, их основные функции - оказание услуг по передаче и распределению электрической энергии и мощности.
Обслуживание подстанции осуществляется выездным оперативным персоналом.
В рамках данной работы будет произведен выбор основного оборудования подстанции, которое отвечает современным требованиям надежности. Для решения поставленной задачи необходимо проанализировать данные о присоединенной мощности подстанции с учетом развития и на основании полученных результатов выбрать тип и мощность третьего устанавливаемого силового трансформатора. После осуществить выбор оборудования, по рабочим токам, и проверку по токам короткого замыкания.
1 АНАЛИЗ СУЩЕСТВУЮЩЕЙ СХЕМЫ ПОДСТАНЦИИ
Подстанция расположена в в Хабаровском крае, Хабаровском районе, с. Матвеевка, примерно в 163 м на юго-запад от жилого дома по ул. Форт-Росс, 1-1.
Источником электроснабжения ПС 110 кВ ГВФ является сеть 110 кВ.
Питание ПС 110 кВ ГВФ осуществляется по двум одноцепным ВЛ 110 кВ РЦ-ГВФ (С-46) и ВЛ 110 кВ ХТЭЦ-3-ГВФ (С-45).
На ПС 110/35/6 кВ ГВФ установлены два силовых трансформатора 1Т и 2Т типа ТДТН-25000/110, напряжением 110/35/6 кВ, мощностью 25 МВА каждый, проектом предусматривается установка третьего силового трансформатора 3Т типа ТДН-25000/110 напряжением 110/6 кВ.
В рамках реконструкции ПС 110 кВ ГВФ схема подключения к энергосистеме не изменится. Существующая схема включения ПС ГВФ в сеть 110 кВ приведена на рисунке (3.1).
Принципиальная электрическая схема существующей подстанции имеет следующий вид:
- РУ 110 кВ - схема №110-9. Одна рабочая секционированная выключателем система шин;
- РУ 35 кВ - схема №35-9. Одна рабочая секционированная выключателем система шин;
- РУ 6 кВ - схема №6-1. Одна, секционированная выключателем, система шин.
Рисунок 1.1 - Существующая схема включения ПС ГВФ в сеть 110 кВ
2 ВЫБОР СИЛОВЫХ ТРАНСФОРМАТОРОВ
На подстанции будет установлен один дополнительный силовой трансформатор, параллельно работающий с двумя существующими, так как она питает потребителей первой и второй категорий.
Необходимая мощность трансформатора определяется по следующей формуле, МВА:
, (2.1)
где
– максимальная расчётная мощность на наиболее загруженной обмотке, МВА;
– количество трансформаторов работающих параллельно.
МВА.
Далее необходимо выбрать силовой трансформатор с мощностью близкой к полученной при расчете. Выбираем двухфазный трансформатор ТДН-25000/110У(УХЛ)1. В таблице 2.1приведены паспортные данные этого трансформатора.
Характеристики
Тип файла документ
Документы такого типа открываются такими программами, как Microsoft Office Word на компьютерах Windows, Apple Pages на компьютерах Mac, Open Office - бесплатная альтернатива на различных платформах, в том числе Linux. Наиболее простым и современным решением будут Google документы, так как открываются онлайн без скачивания прямо в браузере на любой платформе. Существуют российские качественные аналоги, например от Яндекса.
Будьте внимательны на мобильных устройствах, так как там используются упрощённый функционал даже в официальном приложении от Microsoft, поэтому для просмотра скачивайте PDF-версию. А если нужно редактировать файл, то используйте оригинальный файл.
Файлы такого типа обычно разбиты на страницы, а текст может быть форматированным (жирный, курсив, выбор шрифта, таблицы и т.п.), а также в него можно добавлять изображения. Формат идеально подходит для рефератов, докладов и РПЗ курсовых проектов, которые необходимо распечатать. Кстати перед печатью также сохраняйте файл в PDF, так как принтер может начудить со шрифтами.












