Пояснительная записка (1232653), страница 2
Текст из файла (страница 2)
В г. Хабаровске в настоящее время реализуется масштабный проект ТОР строительство международного терминала аэропорта и его расширенной коммерческой зоны, заявленная мощность которых 16 МВт.
В целях подключения данного объекта к электросетям в качестве источника электроэнергии планируется использование подстанции 110/35/5 кВ ГВФ, расположенную в г. Хабаровске.
Проектом предусмотрен монтаж третьего силового трансформатора 110/6 кВ на 25 МВА. Для его подключения будет дополнительно расширено вводно-распределительное устройство ОРУ 110 кВ с установкой элегазовых выключателей 110 кВ. Кроме этого, в целях обеспечения возможности присоединения дополнительной нагрузки планируется расширение и закрытого распределительного устройства (ЗРУ) 6 кВ.
В РУ 110 кВ выполнен перенос на новое место существующих ограничителей перенапряжения с датчиками тока и замена существующих отделителей на элегазовые баковые выключатели в ячейках 1Т, 2Т.
В рамках реконструкции на ПС ГВФ, на новом свободном месте установлен силовой трансформатор 3Т с подключением к первой и второй секции сборных шин.
Реконструированное РУ 110 кВ выполняется открытым, из унифицированных транспортабельных блоков заводского изготовления, состоящих из металлического несущего каркаса со смонтированным на нем высоковольтным оборудованием и элементами вспомогательных цепей. Блоки с оборудованием 110 кВ устанавливаются на незаглубленных фундаментах, уложенных на спланированную поверхность грунта.
РУ 35 кВ выполнено открытым, из унифицированных транспортабельных блоков заводского изготовления, состоящих из металлического несущего каркаса со смонтированным на нем высоковольтным оборудованием.
Для выполнения шинного моста 6 кВ от силового трансформатора 3Т до КРУ 6 кВ в модульном здании предусмотрен перенос шинного портала 35 кВ 2 секции сборных шин у существующего здания ОПУ на новое место.
Проектом предусмотрено новое комплектное распределительное устройство расположенное в модульном здании для третьей и четвертой секции 6 кВ.
В рамках данной ВКР произведена проверка существующего оборудования установленного на реконструируемой подстанции: выключателей, разъединителей, сборных шин и т.д.
Кроме того, в данной работе сравниваются режимы работы ПС 110/35/6 кВ ГВФ: в случае работы двух трансформаторов (уже установленных на данный момент на ПС, два трансформатора мощностью 25 МВА каждый) и в случае подключения третьего трансформатора.
Расчет режима выполнен с использованием программного комплекса «RASTR Win» (студенческая лицензия).
Для подтверждения выбора подключения третьего силового трансформатора проведены расчеты электрических режимов на расчетной модели с учетом схем замещения трансформаторов ПС 110 кВ «ГВФ» и распределения нагрузки по секциям шин 6 кВ и 35 кВ.
В разделе «Безопасность жизнедеятельности» произведен расчет прожекторного освещения на ОРУ ПС: числа прожекторов, подлежащих установке для создания на освещаемой площади заданной расчетной освещенности; высоты установки прожекторов над освещаемой поверхностью; углов наклона прожекторов в вертикальной плоскости.
При проектировании реконструкции подстанций использовалась действующая нормативная документация: «Нормы технологического проектирования подстанций переменного тока 35–750 кВ (далее – НТП ПС)» [1]. А так же «Положение о Единой технической политике в электросетевом комплексе», «Концепция развития Единой национальной электрической сети». Все вышеперечисленные документы созданы в соответствии и утверждены компанией ОАО «ФСК ЕЭС».
-
ХАРАКТЕРИСТИКА ДЕЙСТВУЮЩЕЙ ПОДСТАНЦИИ И ОБЪЕМ РЕКОНСТРУКЦИИ ПОДСТАНЦИИ 110/35/6 кВ ГВФ
В объем реконструкции входят следующие объемы работ:
- установка третьего силового трансформатора 3Т типа ТДН-25000/110 напряжением 110/6 кВ;
- реконструкция ОРУ 110 кВ;
- установка КРУ 6 кВ - 26 ячеек в модульном здании;
- реконструкция ЗРУ 6 кВ;
-
Анализ существующей схемы подстанции
Подстанция расположена по адресу: 680009
Принципиальная электрическая схема существующей подстанции имеет следующий вид:
- РУ 110 кВ - схема №110-9. Одна рабочая секционированная выключателем система шин;
- РУ 35 кВ - схема №35-9. Одна рабочая секционированная выключателем система шин;
- РУ 6 кВ - схема №6-1. Одна, секционированная выключателем, система шин.
Существующая принципиальная электрическая схема представлена на чертеже [ДП 140205.65 022 001].
Принципиальная электрическая схема после реконструкции представлена на чертеже [ДП 140205.65 022 002].
2 ВЫБОР СХЕМ ЭЛЕКТРИЧЕСКИХ СОЕДИНЕНИЙ РУ ПС
Проект реконструкции подстанции выполняется в соответствии с требованиями [1-3].
Принципиальная электрическая схема подстанции в результате реконструкции примет следующий вид:
- РУ 110 кВ - схема близкая к схеме № 110-9. Одна рабочая секционированная выключателем система шин с подключением третьего трансформатора к обеим секциям шин;
- РУ 35 кВ - схема №35-9. Одна рабочая секционированная выключателем система шин;
- РУ 6 кВ - схема №6-1. Одна, секционированная выключателями, система шин.
Средний из ежегодных абсолютных минимумов температуры в районе подстанции равен минус 35°С. В связи с этим открыто устанавливаемое оборудование принимается исполнения У1 по ГОСТ 15150-69.
-
Установка трансформатора
Проектом предусмотрена установка силового трансформатора 3Т типа ТДН 25000/110 УХЛ1 производства «Уралэлектротяжмаш» г. Екатеринбург.
В соответствии с п. 4.2.206 [3] установка трансформатора предусматривается непосредственно без кареток (катков) и рельс на фундамент из сборных железобетонных плит.
-
РУ 110 кВ
В РУ 110 кВ выполнен перенос на новое место существующих ограничителей перенапряжения с датчиками тока и замена существующих отделителей на элегазовые баковые выключатели в ячейках 1Т, 2Т.
В рамках реконструкции на ПС ГВФ, на новом свободном месте установлен силовой трансформатор 3Т с подключением к первой и второй секции сборных шин.
Реконструированное РУ 110 кВ выполняется открытым, из унифицированных транспортабельных блоков заводского изготовления, состоящих из металлического несущего каркаса со смонтированным на нем высоковольтным оборудованием и элементами вспомогательных цепей. Блоки с оборудованием 110 кВ устанавливаются на незаглубленных фундаментах, уложенных на спланированную поверхность грунта.
План ОРУ приведен на чертеже [ДП 140205.65 022 006].
-
РУ 35 кВ
РУ 35 кВ выполнено открытым, из унифицированных транспортабельных блоков заводского изготовления, состоящих из металлического несущего каркаса со смонтированным на нем высоковольтным оборудованием.
Для выполнения шинного моста 6 кВ от силового трансформатора 3Т до КРУ 6 кВ в модульном здании предусмотрен перенос шинного портала 35 кВ 2 секции сборных шин у существующего здания ОПУ на новое место.
-
РУ 6 кВ
Существующее ЗРУ 6 кВ выполнено шкафами серии КРУ2-10-20 для первой и второй секции.
Проектом предусмотрено новое комплектное распределительное устройство расположенное в модульном здании для третьей и четвертой секции 6 кВ.
Предусмотрена возможность резервирования питания секций от существующих первой и второй секции 6 кВ.
Количество и параметры принятого для строительства основного оборудования приведены в таблице( 2.1.).
Оборудование подлежащее демонтажу и установке на новом месте представлено в таблице (2.2.).
Таблица 2.1 — Характеристика основного оборудования
| Наименование основного оборудования, единица измерения | Кол. |
| 1. Трансформатор силовой трехфазный ТДН-25000/110 УХЛ1, шт. | 1 |
| 2. Выключатель ВЭБ-110II УХЛ1, шт. | 4 |
| 3. Разъединитель трехполюсный РГП СЭЩ-32-I-110/1250 УХЛ1, шт. | 6 |
| 4. Ограничитель перенапряжения с датчиками тока ОПН-110/80-10/650(II)-2 УХЛ1, шт. | 3 |
| 5. Опорный изолятор ИО-110, шт. | 7 |
| 6. Заземлитель ЗОН-110 и ОПНН-110/56-10/650(II)-4 УХЛ1, шт. | 1 |
| 7. КРУ 6 кВ в модульном здании, шт. | 26 |
| 8. КРУ 6 кВ в существующем ЗРУ 6 кВ, шт. | 2 |
| 9. Шкафы управления, РЗА, ТМ и учета, шт. | 19 |
| 10. Зарядно-выпрямительное устройство, шт. | 1 |
| 11. Настенный шкаф УСПД, шт. | 1 |
| 12. Шинный мост 3150 А, шт. | 1 |
| 13. Секционный шинный мост 1600 А, шт. | 2 |
| 14. Регулируемый дугогасящий реактор РДМР-440/6, шт. | 2 |
| 15. Фильтр масляный заземляющий ФМЗО-500/6,6, шт. | 2 |
| 16. Ограничитель перенапряжений ОПН-6/7,2-10/650(II) УХЛ1, шт. | 11 |
Вновь устанавливаемые КРУ 6 кВ подключаются к силовому трансформатору 3Т шинным мостом 3150 А выполненным из блоков опорных изоляторов заводского изготовления. К существующему ЗРУ 6 кВ секции № 1 и № 2, КРУ 6 кВ секции № 3 и № 4 подключаются кабелем с изоляцией из сшитого полиэтилена 1600 А АПвВнг(В)-LS 2(1х800/120-10).Подключение секционных шинных мостов к ЗРУ 6 кВ выполнено снаружи здания, через проходные изоляторы. Комплектное распределительное устройство КРУ 2-10-20 предназначено для приема и распределения электрической энергии переменного трехфазного тока и сетях с изолированной или заземленной нейтралью.
В комплектных распределительных устройствах стационарного исполнения коммутационные аппараты, трансформаторы напряжения, трансформаторы собственных нужд небольшой мощности устанавливаются в камерах неподвижно. В комплектных распределительных устройствах выкатного исполнения вышеперечисленное оборудование устанавливается на выкатных тележках.
Таблица 2.2. — Демонтаж-монтаж оборудования
| Наименование оборудования, единица измерения | Кол-во |
| Демонтаж-монтаж | |
| 1. Ограничитель перенапряжения с датчиками тока ОПН-110, компл. | 6 |
| 2. Трансформатор собственных нужд ТМ-250/6, шт. | 2 |
| 3. Дугогасящая катушка ЗРОМ-350/6, шт. | 2 |
| 4. Трансформатор дугогасящей катушки ТМ-400/6, шт. | 2 |
| Демонтаж | |
| 5. Отделитель трехполюсный ОД-110м/630, шт | 2 |
| 6. Панель, шт. | 9 |
| 7. Зарядно-выпрямительное устройство, шт. | 1 |
| 8. Настенный шкаф УСПД, шт. | 1 |
| 9. Ячейка КРУ 6 кВ в существующем ЗРУ 6 кВ, шт. | 1 |
3 ХАРАКТЕРИСТИКА ИСТОЧНИКА ЭЛЕКТРОСНАБЖЕНИЯ
Источником электроснабжения ПС 110 кВ ГВФ является сеть 110 кВ.
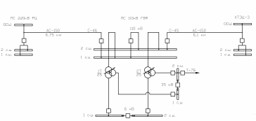
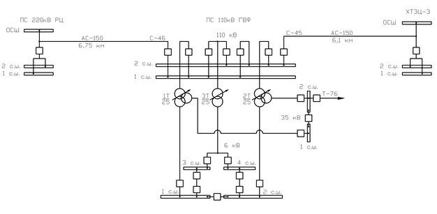
Питание ПС 110 кВ ГВФ осуществляется по двум одноцепным ВЛ 110 кВ РЦ-ГВФ (С-46) и ВЛ 110 кВ ХТЭЦ-3-ГВФ (С-45).
На ПС 110/35/6 кВ ГВФ установлены два силовых трансформатора 1Т и 2Т типа ТДТН-25000/110, напряжением 110/35/6 кВ, мощностью 25 МВА каждый, проектом предусматривается установка третьего силового трансформатора 3Т типа ТДН-25000/110 напряжением 110/6 кВ.
В рамках реконструкции ПС 110 кВ ГВФ схема подключения к энергосистеме не изменится. Существующая схема включения ПС ГВФ в сеть 110 кВ приведена на рисунке (3.1.), схема включения ПС ГВФ в сеть 110 кВ после реконструкции представлена на рисунке (3.2.).
Рисунок 3.1 - Существующая схема включения ПС ГВФ в сеть 110 кВ
Существующая схема включения ПС ГВФ в сеть 110 кВ и схема включения ПС ГВФ в сеть 110 кВ после реконструкции показана на чертеже [ДП 140205.65 022 003].
Рисунок 3.2 - Схема включения ПС ГВФ в сеть 110 кВ после реконструкции
Выбранные схемы РУ подстанции удовлетворяют экономически целесообразному уровню надежности.
















