Пояснительная записка (1232164), страница 3
Текст из файла (страница 3)
Рисунок 3 - Изменение тока в КО (сверху) при наборе
мощности УШР
Рисунок 4 - Индукция в полуcтержнях магнитопровода
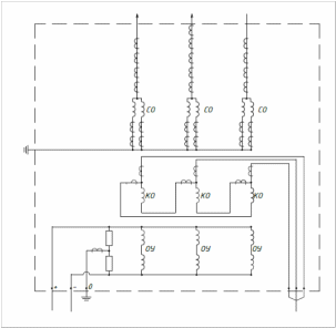
На рисунке 5 приведена электромагнитная схема трехфазных трехобмоточных УШР серии РТУ напряжением 220 кВ и выше. Стержни всех фаз магнитопровода разделены на два полустержня, на каждом из которых размещаются секции компенсационной обмотки, соединенной в треугольник. Сверху секций КО располагаются секции обмотки управления, включенные в каждой фазе последовательно-встречно к обмоткам СО и КО (начала секций обмоток отмечены звездочкой). Выводы всех фаз ОУ соединяются параллельно и подключаются к выводам преобразователей ТМП.
Каждая фаза сетевой обмотки выполняется параллельными ветвями с вводом в середину и наматывается поверх вторичных обмоток с охватом обоих полустержней. СО соединяется в схему «звезда с заземленной нейтралью», подключается к шинам подстанции или к линии и обеспечивает потребление реактивной мощности в соответствии с заданным законом регулирования.
Компенсационная обмотка с номинальным напряжением 10 кВ, соединенная в треугольник, выполняет две основные функции – исключения из потребляемого сетевого тока гармоник, кратных трем, и питания основного трансформатора с преобразователем, обеспечивающего требуемый уровень подмагничивания магнитопровода через ОУ. Поскольку установленная мощность ТМП составляет 1 МВА (номинальный первичный ток менее 60 А), а потребляемая в установившемся номинальном режиме не превышает 300 кВА, компенсационная обмотка рассчитывается на длительное протекание максимального тока третьей гармоники и выполняется уменьшенного сечения (если на КО не предусматривается другой дополнительной нагрузки, например, при возможном подключении конденсаторной батареи).
Благодаря встречному включению своих секций обмотка управления имеет эквипотенциальные выводы (+) и (-), на которых в нормальных установившихся и переходных режимах отсутствует переменное напряжение от обмоток СО или КО. При закрытых тиристорах основного или резервного ТМП выпрямленное напряжение на этих выводах ОУ также отсутствует, соответственно отсутствует и ток подмагничивания в ОУ, поэтому магнитная система находится в ненасыщенном состоянии, а УШР – в режиме холостого хода, как обычный трансформатор. По мере открытия тиристоров и роста выпрямленного напряжения нарастает ток подмагничивания в секциях обмотки управления, в результате чего происходит насыщение стержней магнитопровода и рост потребляемого тока реактора.
Рисунок 5 - Электромагнитная схема трехфазного
трехобмоточного УШР.
СО – сетевая обмотка, ОУ – обмотка управления,
КО –компенсационная обмотка
Тиристоры основного ТМП (а при его профилактике или неисправности – резервного) управляются от цифровой системы автоматического управления (САУ) по выбранному алгоритму стабилизации напряжения либо поддержания заданного значения потребляемой реактивной мощности. Для реализации этих алгоритмов в САУ подаются сигналы от трансформаторов напряжения и тока, а также уставки регулирования, задаваемые персоналом по указанию диспетчера энергосистемы. После выбора режима и задания требуемых уставок вмешательства персонала в автоматическую работу реактора не требуется
4. ВЫБОР СХЕМЫ ПОДКЛЮЧЕНИЯ УШР
Установка УШР-220 кВ на ПС 220 кВ Февральская необходима для поддержания стабильности напряжения на шинах 220 кВ в условиях резко переменной, нелинейной и несимметричной нагрузки.
В настоящий момент ОРУ 220 кВ ПС 220 кВ Февральская выполнено по схеме «Одна секционированная выключателем и обходная системы шин с совмещенным секционным и обходным выключателем» (№ 220-11). Существующая схема №220–11 имеет недостаток, заключающийся в совмещении на одном выключателе функций секционного и обходного выключателя. Сейчас такие схемы не рекомендуются к применению из-за недостаточной надежности. Для существующей схемы рассмотрены два варианта схемы подключения УШР- 63000/220 к шинам ОРУ 220 кВ:
Вариант № 1: УШР подключается через один выключатель и два разъединителя к первой и второй секциям рабочей системы шин (аналогично подключению трансформатора в схеме № 220-13).
Вариант № 2: подключение УШР к обеим секциям шин через развилку выключателей.
Рассмотрены характерные особенности этих вариантов:
Вариант № 1 дешевле, т.к. предполагает установку одного выключателя и трех разъединителей. Его недостатком является возможная потеря реактора во время оперативных переключений, либо отключение от одной из секций шин. При раздельной работе секций шин на ПС Февральская и подключении реактора ко 2 секции на ней напряжение становится равным 232 кВ, а на 1 секции – 245 кВ, на остальных ПС – в допустимых пределах. В такой же ситуации, но при включении реактора на 1 секции напряжения на шинах ПС держатся в допустимых пределах. При КЗ на одной из секций шин и подключении реактора к другой секции шин напряжения держатся в допустимых пределах. При потере реактора напряжение на шинах ПС 220 кВ Февральская повышается выше допустимых значений
Вариант № 2 дороже, т.к. подключение УШР-220 кВ через два выключателя увеличивает стоимость оборудования, за счет увеличения числа выключателей. В этом случае требуется установка двух выключателей и четырех разъединителей. Этот вариант позволяет не отключать УШР-220 кВ при отключении одной из секций при ее повреждении или работе УРОВ или ДЗШ. В данном варианте УШР будет подключен к шинам 220 кВ во всех возможных схемно-режимных ситуациях. По результатам расчета послеаварийных режимов видно, что при аварийном отключении одной из секций шин и ее электрическом отделении от другой рабочей секции реактор обеспечит напряжение на оставшейся в работе секции шин в допустимых пределах. Аналогично при раздельной работе секций шин и при выводе в ремонт любой из секций шин.
Для обеспечения возможности работы УШР-220 кВ при ремонте секции шин 220 кВ принято решение подключать УШР через шинные разъединители к 1 и 2 секциям шин 220 кВ по схеме 220-13. В нормальной схеме УШР-220 кВ должен быть подключен к 1 секции 220 кВ, так как при раздельной работе шин напряжение на ней выше. В предлагаемом варианте даже при раздельной работе секций 220 кВ (при отключении СОВ-220) напряжение на первой секции шин 245 кВ, а на второй – 232 кВ, что допустимо для ремонтного режима.
Дополнительно рассматривая вариант отключения 1 секции 220 кВ вследствие ее повреждения или работы УРОВ, возможна фиксация УШР на 2 секцию 220 кВ. Соответственно, цепи напряжения и РЗ УШР должны быть тогда в оперативном порядке переведены на ТН-220 2С.
При выводе СОВ-220 кВ в ремонт, до его отключения, в некоторых режимных ситуациях возможно включение обоих разъединителей ячейки УШР, тем самым жестко объединяя обе секции 220 кВ. Недостатком такого варианта является полное погашение ПС 220 кВ Февральская от действия УРОВ, при отказе любого из выключателей 220 кВ во время КЗ на присоединении 220кВ, либо от действия ДЗШ 220 кВ. Преимущество такого варианта заключается в стабилизации напряжения на всех секциях 220 кВ на ПС Февральская.
5. ВЫБОР ОБОРУДОВАНИЯ ДЛЯ ПОДКЛЮЧЕНИЯ УШР
Выбор оборудования произведен по номинальным напряжениям и по нагрузкам с учетом допустимых (и возможных) перегрузок с проверкой на стойкость к токам короткого замыкания. Ожидаемые расчетные токи КЗ, а также максимальные рабочие токи не превышают допустимых значений для существующего оборудования и ошиновки ОРУ- 220 кВ.
На ОРУ220кВ ПС 220 кВ Февральская в новой ячейке устанавливается следующее высоковольтное оборудование:
- управляемый шунтирующий реактор 220 кВ;
- элегазовый баковый выключатель 220 кВ;
- трехполюсные разъединители 220кВ с двумя заземляющими ножами, с двигательными приводами;
- ограничители перенапряжений нелинейные 220кВ.
В цепях 10, 0,54 кВ управляемого шунтирующего реактора 220 кВ устанавливается следующее оборудование:
- комплектное распределительное устройство наружной установки 10 кВ типа КРУН.
5.1 Выбор высоковольтного выключателя для подключения УШР
Выключатель выбирается на основании сопоставления его параметров с характеристиками сети в месте установки выключателя в нормальных и аварийных режимах.
Выбор выключателя рассмотрен на примере выключателя ВЭБ-220 фирмы Энергомаш (г. Екатеринбург).
Рисунок 6 - Габаритный чертеж выключателя ВЭБ-220
1 - привод пружинный, 2- yстройство гасительное, 3 - ввод,
4 - вывод, 5 - устройство электроподогрева,
6 - сигнализатор плотности, 7 - указатель положения контактов,
8 - рама, 9 - устройство передаточное,
10 - механизм отключающий, 11 - шкаф вторичных coeдинений,
12 - опора рамы, 15 - фланцец, разрывной мембраны,
16 - клапан для заправки элегазом.
Выключатели ВЭБ-220 относятся к электрическим коммутационным аппаратам высокого напряжения, в которых гасящей и изолирующей средой является элегаз. Выключатель состоит из трех полюсов, механически связанных друг с другом, установленных на общей раме и сборной металлоконструкции. Все три полюса управляются одним пружинным приводом типа ППВ.
Полюс выключателя состоит из:
-
дугогасительного устройства;
-
двух высоковольтных вводов;
-
двух блоков встроенных трансформаторов тока;
-
механизма управления;
-
устройства электрообогрева;
-
фланца с клапаном автономной герметизации.
Каждый полюс выключателя имеет автономную элегазовую систему. Герметичность объема, заполненного элегазом, обеспечивается с помощью системы уплотнений. Контроль плотности элегаза в полюсах осуществляется с помощью сигнализаторов плотности. Каждый полюс имеет фильтр, абсорбирующий влагу и продукты разложения элегаза дугой, и защитную мембрану. Подвод тока к дугогасительному устройству осуществляется через вводы высокого напряжения. По заказу потребителя могут поставляться вводы с фарфоровыми или полимерными изоляторами. Нижние фланцы вводов прикреплены к фланцам блоков встроенных трансформаторов тока. Ввод представляет собой прочный изолятор, заполненный элегазом, через который проходит токоведущая труба. Верхний конец токоведущей трубы соединен с контактным выводом выключателя, а нижний конец – с дугогасительным устройством. Контактная площадка вывода имеет отверстия для подсоединения внешнего провода.
Трансформаторы тока объедены в блоки и устанавливаются под каждым вводом вне элегаза в промежутке между изолятором и резервуаром полюса и закрыты защитным кожухом. Количество трансформаторов тока на полюс – шесть, в том числе до двух для измерения и учета электроэнергии и четыре-пять для защиты (если другое не указано в паспорте).
При работе выключателя вторичные обмотки трансформаторов тока должны быть присоединены к релейным или измерительным цепям, или закорочены.
Принцип работы выключателей основан на гашении электрической дуги потоком элегаза, создаваемого дугогасительным устройством. Включение выключателя осуществляется за счет энергии включающих пружин привода, а отключение – за счет энергии пружин отключающего устройства выключателя.
Выбор выключателя по основным конструктивным признакам:
По роду установки: на открытом воздухе.
По конструктивной связи между полюсами: трехполюсное исполнение с тремя полюсами на общем основании.
По функциональной связи между полюсами: с функционально зависимыми полюсами (на три полюса общий привод).
По виду дугогасительных устройств: с дугогасительными устройствами, расположенными в заземленном корпусе (баке)
По виду привода: независимого действия с пружинным приводом, использующим предварительно запасенную потенциальную энергию пружины.
По характеру конструктивной связи с приводом: с отдельным приводом, связанным с выключателем механической передачей.
По виду дугогасительной среды: элегаз
По наличию или отсутствию в дугогасительном устройстве шунтирующих резисторов: без резисторов.
По наличию или отсутствию шунтирующих конденсаторов: без конденсаторов.
По пригодности для работы при автоматическом повторном включении
(АПВ): предназначенные.
Основные технические характеристики приведены в таблице 4
Таблица 3. Технические характеристики выключателя
| Наименование параметров | Нормы |
| Номинальное напряжение, кВ | 220 |
| Наибольшее рабочее напряжение, кВ | 252 |
| Номинальный ток, А | 2500; 3150 |
| Номинальный ток отключения, кА | 50 |
| Нормированное процентное содержание апериодической составляющей, %, не более | 47 |
Продолжение таблицы 3
| Нормированные параметры сквозного тока короткого замыкания, кА:
| 125 50 3 |
| Нормированные параметры тока включения, кА:
| 125 50 |
| Ток отключения ненагруженной воздушной линии, А | 125 |
| Ток отключения ненагруженной кабельной линии, А | 250 |
| Ток отключения конденсаторной батареи, А | 0-400 |
| Ток отключения шунтирующего реактора, А:
| 100 315 |
| Ток нагрузки, отключаемый при отсутствии избыточного давления элегаза (при абсолютном давлении Р = 0,1 МПа), А | 2500; 3150 |
| Собственное время отключения, с | 0,020 |
| Полное время отключения, с | 0,050 |
| Минимальная бестоковая пауза при АПВ, с | 0,3 |
| Собственное время включения, с, не более | 0,070 |
| Разновременность работы контактов полюсов, с, не более
| 0,005 0,0033 |
Продолжение таблицы 3
| Масса выключателя с приводом, кг, не более:
| 5600 4200 |
| Масса элегаза в выключателе, кг:
| 97 111 |
| Расход элегаза на утечки в год, % от массы элегаза, не более | 0,5 |
| Абсолютное давление элегаза, приведенное к температуре плюс 20 °С, МПа:
| 0,70 0,62 0,60 |
| Номинальное напряжение постоянного тока электромагнитов управления, В | 110 или 220 |
| Количество электромагнитов управления:
| 1 2 |
| Диапазон рабочих напряжений электромагнитов управления, % от номинального значения:
| 85 – 110 70 – 110 |
| Установившееся значение постоянного тока, потребляемого электромагнитами управления, А, не более, при напряжении:
| 2 1 |
Окончание таблицы 3
| Номинальный ток вспомогательных цепей, А | 10 |
| Ток отключения коммутирующих контактов для внешних вспомогательных цепей при напряжении 110/220 В, А:
| 10/10 2/1 |
| Мощность электродвигателей завода включающих пружин, кВт | 2х1,0 |
| Номинальное напряжение однофазного переменного или постоянного тока электродвигателя завода включающих пружин, В | 230 —220 или —110 |
| Время завода включающих пружин, с, не более | 15 |
| Напряжение переменного тока обогревательных устройств, В | 230 |
| Номинальная мощность обогревательных устройств, Вт:
| 70 500 35 12580 |
5.1.1 Выбор параметров и характеристик выключателя, удовлетворяющих требованиям нормального режима работы сети
Номинальное напряжение выключателя должно соответствовать номинальному напряжению электрической сети:
















