ПЗ (1231598), страница 3
Текст из файла (страница 3)
- непосредственные преобразователи частоты. Они состоят из инвертора, преобразующего синусоидальное напряжение промышленной частоты в переменное напряжение требуемой, более низкой, частоты.
- преобразователи с промежуточным звеном постоянного тока. В них переменное напряжение промышленной частоты сначала преобразуется в постоянное напряжение, с помощью выпрямителя. После этого постоянное напряжение инвертируется в переменное напряжение требуемой частоты ( как меньше промышленной частоты, так и больше) и амплитуды.
Благодаря своим особонностям, таким как: простота цепей управления и силовых цепей, возможность преобразования частоты в больших пределах; большее применение нашли преобразователи со звеном постояннгого тока и неуправляемым выпрямителем. Его блок схема показана на рисунке 1.11.
Рисунок 1.11 – Блок смеха ПЧ со звеном постоянного тока
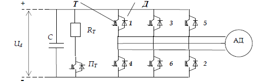
Преобразователь состоит из неуправляемого выпрямителя, собранного по трехфазной мостовой схеме, сглаживающего конденсатора и инвертора. Формирование частоты и амплитуды выходного напряжения осуществляется инвертором, схема которого представлена на рисунке 1.12.
Рисунок 1.12 – Схема инвертора
Основа инвертора – IGBT-транзисторы, способные выдержать тысячи ампер тока и киловольты напряжения.
Для достижения синусоидальной формы выходного напряжения используют выходные фильтры и дроссели, которые сглаживают выходной сигнал.
Помимо силовой части в состав преобразователя частоты входит система управления, осуществляющая управление инвертором; проводящая диагностику ПЧ; реализующая функции защиты, аварийного отключения; обрабатывающая сигналы внешних управляющих устройств и выбирающая необходимые режимы работы.
Одним из самых важных преимуществ преобразователя частоты является простота их внедрения в системы автоматизации на базе программируемого контроллера.
Используя контроллер можно создать систему управления, легко адаптируемую под изменяющийся технологический процесс.
Система на основе контроллера способна обрабатывать внешние аналоговые и дискретные сигналы и, отрабатывая заранее заложенную программу, выдавать соответствующие команды управления на преобразователь частоты.
2 РАЗРАБОТКА СИСТЕМЫ УПРАВЛЕНИЯ
2.1 Структурная схема системы управления
В систему входят следующие элементы:
-
компрессор. Компрессор оснащен 3-фазным асинхронным двигателем, который, получая питание от преобразователя частоты будет воздействовать на рабочий орган и создавать необходимое давление.
-
преобразователь частоты. Преобразователь, получая управляющие воздействия со стороны контроллера, будет задавать режимы работы компрессора.
-
программируемый логический контроллер. Контроллер будет осуществлять сбор данных о состоянии системы и генерировать управляющий сигнал как на ПЧ, так и на систему управления регулирующего клапана.
-
датчик избыточного давления и датчик потока воздуха. Датчики необходимы для создания обратной связи с технологическим процессом.
-
регулирующий клапан. Регулирующий клапан необходим для регулировки уровня избыточного давления внутри корпуса.
На чертеже БР 13.03.02 025 Э21 представлена структурная схема системы взрывозащиты двигателя магистрального насоса НПС.
Обмен энергией и информацией в системе осуществляется по двум каналам:
а) силовому. Он обеспечивает доставку потока энергии от питающей сети к частотному преобразователю, где происходит ее трансформация и дальнейшее перенаправление к двигателю. Силовой канал представляет собой трехфазную питающую сеть напряжением 380 В и частотой 50 Гц.
б) информационному. Он создает сеть из датчиков: датчика избыточного давления и датчика потока воздуха, которая информирует систему управления о текущем состоянии оборудования, находящегося под контролем. Информационный канал представляет из себя слаботочные электрические линии с номинальным напряжением 24 В, служащие для передачи дискретных сигналов управления.
2.2 Алгоритм работы системы
Работа всей системы управления делится на 3 фазы:
-
Фаза промывки
-
Фаза работы
-
Отработка ошибок
2.2.1 Фаза промывки
На рисунке 2.1 изображена временная диаграмма фазы промывки.
Рисунок 2.1 – Временная диаграмма фазы промывки
Т1 – с подачей сетевого напряжения и сжатого воздуха начинается процесс промывки корпуса двигателя объемным потоком, который превышает заданный параметр «Минимальный объемный поток». Промывочное количество должно соответствовать заданному промывочному объему (обычно – 10-кратный объем корпуса двигателя).
Т2 – фаза промывки завершена. Должно быть задано предписанное внутреннее давление внутри корпуса. Магистральный насос может быть введен в работу.
Т3 – рабочее состояние. Регулировка происходит таким образом, чтобы внутреннее давление оставалось в заданных пределах.
2.2.2 Фаза работы
На рисунке 2.2 изображена временная диаграмма фазы работы.
Рисунок 2.2 – Временная диаграмма фазы работы
Т1 – процесс промывки закончен. Будет задано предписанное внутреннее давление в корпусе. Магистральный насос будет запущен.
Т2 – Рабочее состояние. Регулировка внутреннего давления в корпусе будет происходить таким образом, чтобы оно оставалось в заданных пределах.
Т3 – Внутреннее давление начинает расти.
Т4 – Регулировочный клапан снижает повышенное давление внутри корпуса
Т5 – Нормальная работа продолжается.
2.2.3 Отработка ошибок
Ошибки могут произойти как в фазе промывки, так и в фазе работы.
а) Ошибки в фазе промывки
На рисунке 2.3 представлена временная диаграмма «Ошибка в фазе промывки».
Рисунок 2.3 – Временная диаграмма «Ошибка в фазе промывки»
Т1 – С подачей сетевого напряжения и сжатого воздуха начинается фаза промывки количеством воздуха, которое превышает минимальный объемный поток и соответствует заданному промывочному объему.
Т2 – В процессе промывки создается повышенное давление внутри корпуса.
Т3 – В процессе промывки объемный поток падает ниже минимального. Процесс промывки будет прерван и должен быть начат заново.
б) Ошибки в фазе работы
На рисунке 2.4 представлена временная диаграмма «Ошибка в фазе работы».
Рисунок 2.4 – Временная диаграмма «Ошибка в фазе работы»
Т1 – процесс промывки закончен. Будет задано предписанное внутреннее давление в корпусе. Магистральный насос будет запущен.
Т2 – Рабочее состояние. Регулировка внутреннего давления в корпусе будет происходить таким образом, чтобы оно оставалось в заданных пределах.
Т3 – Внутренне давление в корпусе падает. Если давление опустилось ниже точки «Минимальное давление» – магистральный насос будет отключен.
Т4 – Новая фаза промывки.
Т5 – Рабочее состояние начинается.
Т6 – Внутреннее давление в корпусе растет. Его значение не удается отрегулировать и его рост продолжается.
Т7 – Если давление внутри корпуса поднялось выше точки «Максимальное давление», то магистральный насос будет отключен. Будет подан сигнал на регулировочный клапан. Повышенное давление опускается в рабочую зону.
Т8 – После снятия давления продолжается нормальная работа.
Блок-схема алгоритма работы представлена на чертеже БР 13.03.02 025 002.
3 РАСЧЕТ И ВЫБОР ОБОРУДОВАНИЯ
Для выбора оборудования зададим начальные данные:
Общая практика построения таких систем показывает, что минимальное избыточное давление внутри корпуса должно быть не меньше 3 бар. Такое давление в полной мере обеспечивает функционирование системы и препятствует проникновению газов в корпус извне.
Так же необходимо производить фазу промывки в определенные сроки. Если магистральный насос включают в работу по плану, то длительность фазы промывки не играет особой роли. Но если на станции произолша авария и один из насосов вышел из строя, то резервный насос должен быть введен в работу как можно скорее. Этим условием и ограничивается продолжительность фазы промывки.
Объем промываемого корпуса – 0.98 м3. Из общей практики так же известно, что объем промывочного воздуха, прошедшего через корпус на стадии промывки, долже равняться 10-кратному объему корпуса. Такого количества достаточно для того, чтобы концентрация взрывоопасных газов достигла минимальных значений, при которым возможна безопасная работа магистрального насоса. Следовательно объем промывочного газа равен 9.8 м3. Фаза промывки должна длиться не больше нескольких минут.
Из всего этого следует, что компрессор должен отвечать 2 условиям:
а) Минимальное давление, создаваемое компрессором должно быть больше 3 бар;
б) Объемный поток воздуха должен быть такой величины, при которой фаза промывки будет длиться не более нескольких минут.
3.1 Выбор компрессора
Компания BOGE Kompressoren – один из общепризнанных мировых лидеров в производстве компрессорных систем. С начала XX века BOGE разрабатывает и производит компрессоры, отличающиеся высочайшим качеством, надежностью и использованием передовых технических решений.
Компания BOGE производит винтовые компрессоры. Винтовые компрессоры BOGE отличаются высокой производительностью, экономичностью и надежностью. Модульный принцип построения этих компрессоров позволяет легко адаптировать их к конкретным условиям эксплуатации.
Основными в линейке производимых компрессоров являются винтовые компрессоры с клиноременным приводом серии S. Из данной серии, с учетом наших требований, выбираем компрессор S 31-2, внешний вид которого представлен на рисунке 3.1.
Рисунок 3.1 – Внешний вид компрессора S 31-2
Технические данные компрессора представлены в таблице 3.1.
Таблица 3.1 – Технические данные компрессора S 31-2
| Избыточное давление, бар | 8 |
| 10 | |
| 13 | |
| Производительность, м3/мин | 3.88 (р=8 бар) |
| 3.30 (р=10 бар) | |
| 2.58 (р=13 бар) | |
| Номинальная мощность приводного электродвигателя, кВт | 22 |
| Класс защиты/изоляции приводного электродвигателя | IP55/F |
| Номинальное напряжение электропитания, В | 380±5% ~50Гц |
| Допустимая температура всасывания, °C | +5…+45 |
| Уровень звукового давления, дБ | 71 |
| Габаритные размеры (Ширина х Глубина х Высота), мм | 1620х960х1450 |
| Присоединение выхода сжатого воздуха, резьба | G1¼» |
| Кратность пускового тока | 6.8 |
| КПД приводного электродвигателя | 0.89 |
| Коэфициент мощность приводного электродвигателя | 0.88 |
Принцип работы проиллюстрирован на рисунке 3.2.
Рисунок 3.2 – Принцип работы компрессоров BOGE серии S
Воздух всасывается через воздушный фильтр 1 и по гибкому воздухопроводу поступает в клапан всасывания 2. Клапан всасывания управляется небольшой частью уже прошедшего очистку в сепараторе сжатого воздуха, подачу которого контролирует соленоидный клапан по сигналам от системы управления. Клапан всасывания открывает или закрывает подачу воздуха к винтовому блоку 4.
При открытом клапане всасывания (т.е. в режиме работы под нагрузкой) воздух беспрепятственно всасывается винтовым блоком 4. Компримирование воздуха происходит за счет постепенного уменьшения объемов полостей между роторами винтового блока и его корпусом, при вращении роторов. При закрытом клапане всасывания воздух не поступает в винтовой блок, и компрессор работает в режиме холостого хода (роторы винтового блока вращаются, но сжатия воздуха не происходит). Воздушный контур системы изображен на рисунке 3.3.















