Диплом Кветкин (1229001), страница 8
Текст из файла (страница 8)
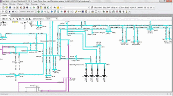
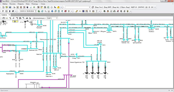
Расчет статической устойчивости в программном комплексе RastrWIN
Рисунок Б.1 – Расчетная схема
Рисунок Б.2 – Значение предельного перетока в нормальной схеме сечение 1
Рисунок Б.3 – Значение предельного перетока в нормальной схеме с аварийным отключением ВЛ 220 кВ Нижне-Бурейская ГЭС – ПС Завитая сечение 1
Рисунок Б.4– Значение предельного перетока в нормальной схеме с аварийным отключением ВЛ 220 кВ Нижне-Бурейская ГЭС – ПС Архара сечение 1
Рисунок Б.5 – Значение предельного перетока в ремонтной схеме с аварийным отключением ВЛ 220 кВ Нижне-Бурейская ГЭС – ПС Архара сечение 1
Рисунок Б.6 – Значение предельного перетока в ремонтной схеме с аварийным отключением ВЛ 220 кВ Нижне-Бурейская ГЭС – ПС Завитая сечение 1
ПРИЛОЖЕНИЕ Б
Расчет статической устойчивости в программном комплексе RastrWIN
Рисунок Б.1 – Расчетная схема
Рисунок Б.2 – Значение предельного перетока в нормальной схеме сечение 1
Рисунок Б.3 – Значение предельного перетока в нормальной схеме с аварийным отключением ВЛ 220 кВ Нижне-Бурейская ГЭС – ПС Завитая сечение 1
Рисунок Б.4– Значение предельного перетока в нормальной схеме с аварийным отключением ВЛ 220 кВ Нижне-Бурейская ГЭС – ПС Архара сечение 1
Рисунок Б.5 – Значение предельного перетока в ремонтной схеме с аварийным отключением ВЛ 220 кВ Нижне-Бурейская ГЭС – ПС Архара сечение 1
Рисунок Б.6 – Значение предельного перетока в ремонтной схеме с аварийным отключением ВЛ 220 кВ Нижне-Бурейская ГЭС – ПС Завитая сечение 1
ПРИЛОЖЕНИЕ В
Результаты расчетов динамической устойчивости в графическом виде
Рисунок В.1- Изменение углов роторов генераторов при трехфазном КЗ вблизи шин Нижне-Бурейской ГЭС
Рисунок В.2- Изменение напряжения на подстанциях при трехфазном КЗ вблизи шин Нижне-Бурейской ГЭС
Приложение Г
Выбор провода
Для проектируемой ВЛ 220 кВ выбираем провод согласно методике ПУЭ по экономической плотности тока.
Проверяем провод по экономической плотности тока:
мм2 , (Г.1)
Согласно ПУЭ расчетный ток принимается для нормального режима работы сети, т.е. без учета увеличения тока в аварийных и послеаварийных режимах. Принимаем значение тока в нормальном режиме зимнего максимума 2012 г.
А, (Г.2)
,
(Г.3)
Экономически обоснованным является сечение провода 240 мм2. Далее необходимо проверить провод по допустимому току.
Согласно расчету параметров электрических режимов сети 220 кВ, использование провода сечением 400 мм2 для проектируемой ВЛ-220 кВ не приводит к недопустимому снижению уровня напряжения на шинах подстанций 220 кВ с учетом динамики изменения электрических нагрузок исследуемого района.
Для проектируемой ВЛ 220 кВ выбираем провод, идентичный проводу на проектируемой ВЛ 220 кВ Нижне-Бурейская ГЭС – Архара, сечением не ниже 400 мм2. Применение идентичного провода упрощает ремонтно-эксплуатационное обслуживание и сокращает номенклатуру складского резерва.
Таким образом, выбираем для проверки провод 400мм2.
Для выполнения технико-экономического анализа примем к рассмотрению применение проводов следующих марок:
-
неизолированный сталеалюминевый провод АС 400/51;
-
неизолированный сталеалюминевый высокотемпературный провод АСПТ 300/39.
Неизолированный сталеалюминевый провод АС 400/51
Основные преимущества:
-
высокая механическая прочность на разрыв;
-
малая стоимость;
-
применение провода не требует использования иностранной линейной арматуры.
Основные недостатки:
-
малая пропускная способность.
Неизолированный сталеалюминевый высокотемпературный провод АСПТ 300/39
Токоведущая часть провода АСПТ выполнена из алюмоциркониевого сплава, что позволяет увеличить рабочую температуру провода с 900 С до 150-1800 С, с пиковыми нагрузками до 2100 С. Сердечник провода АСПТ выполнен из высокоуглеродистой стали, плакированной алюминием, что полностью исключает коррозионные процессы сердечника и позволяет существенно увеличить срок службы провода. Провода применяются и хорошо зарекомендовали себя как при строительстве новых линий в сетях с пиковыми и сезонными нагрузками, так и при реконструкции существующих, пропускная способность которых не обеспечивает растущий спрос потребителей. Важнейшим преимуществом данных проводов является то, что при равных массогабаритных и физико-механических параметрах они имеют пропускную способность до двух раз выше относительно традиционных проводов АС. Еще одним явным преимуществом АСПТ является возможность осуществления монтажа стандартным способом, с применением как традиционной прессуемой, так и спиральной арматуры, что облегчает процесс монтажа.
Основные преимущества:
-
повышенная пропускная способность вследствие увеличения рабочей температуры провода до 1500 С;
-
применение провода не требует использования иностранной линейной арматуры.
Основные недостатки:
-
меньшая механическая прочность на разрыв;
-
стоимость (в 1,4 раза дороже АС 400/51).
Проверяем провода по допустимому току
Исходя из расчетов нормальных и послеаварийных режимов работы сети максимальная нагрузка ВЛ-220 кВ возникает в послеаварийном режиме и составляет 397 А.
Выполним проверку для провода АС 400/51:
(Г.4)
А (Г.5)
А (Г.6)
Выполним проверку для провода АС 300/39:
(Г.7)
А (Г.8)
А (Г.9)
Сравнив значения
– условие выполняется.
ПРИЛОЖЕНИЕ Д
Устройство АЛАР и ФОЛ на базе МКПА
Выбор МКПА
Выбираем МКПА компании «Профсофт – Системы» в которой есть функции реализация таких функций как ФОЛ, АЛАР.
Устройство и работа МКПА
Устройство МКПА отображено функциональной схемой, приведенной на рисунке Д.1 для наиболее сложного – резервированного варианта исполнения МКПА.
Рисунок Д.1- Функциональная схема МКПА
Назначение АЛАР
Автоматика АЛАР предназначена для выявления асинхронного хода по параметрам режима контролируемого присоединения и выдачу управляющих воздействий. Описываемая реализация автоматики АЛАР обладает возможностью выдачи различных управляющих воздействий в зависимости от того, в избыточной или дефицитной части энергосистемы находится.
Состав устройства, принципы действия, алгоритм
Устройство АЛАР состоит из трех ступеней. Принцип действия первой ступени основан на фиксации скорости изменения полного сопротивления с последующим реверсом активной мощности. Вторая ступень АЛАР предназначена для выявления асинхронного режима по факту отсчета заданного количества циклов смены знака активной мощности. Третья ступень АЛАР предназначена для ликвидации асинхронного режима после выполнения мероприятий по ресинхронизации, если по истечении заданного количества циклов асинхронный режим не прекратился. Все ступени АЛАР могут блокироваться внешними сигналами, для чего в каждой ступени АЛАР предусмотрено четыре дискретных входа.
Подключение АЛАР
Устройство с алгоритмом АЛАР должно быть подключено к трем разным фазным токам (Ia, Ib, Ic) и трем фазным напряжениям (Ua, Ub, Uc) контролируемого присоединения. Все остальные параметры, необходимые для работы АЛАР (сопротивления, мощности и т.д.), вычисляются из фазных токов и напряжений.
Назначение ФОЛ
Алгоритм ФОЛ предназначен:
- для фиксации факта отключения ВЛ со схемой подключения два выключателя на присоединение без обходной системы шин и пофазным управлением выключателем. В это случае используются все три составляющих алгоритма FOL06logic.b1, FOL06in_block.b1, FOL06in.b1. Алгоритмы FOL06in_block. b1 и FOL06in. b1 объединяются с алгоритмом FOL06logic. b1 в соответствии с приведенной ниже блок-схеме на рисунке Д.2.
Рисунок Д.2
Объединение алгоритмов происходит на этапе привязки цифровой части устройства. На неиспользуемые логические входы FOL06logic.b1 (входы KBS_Q1, KBS_Q2) должны быть поданы логические «0».
- для определения факта отключения ВЛ со схемой подключения два выключателя на присоединение без обходной системы шин и трехфазным управлением выключателем. В этом случае используется только алгоритм FOL06logic.b1 .
Алгоритм фиксирует факт отключения линии по наличию сигналов на отключение всех трех фаз выключателя. В этом случае сигналы включенного и отключенного состояния выключателя подключаются непосредственно на входы алгоритма FOL06logic.b1 (KQT_Q1, KQC_Q1), а сигнал на отключение выключателя на вход KBS_Q1. Сигналы с блокконтактов разъединителя либо ключ ремонта выключателя подаются на вход (QS1_Q1, QS2_Q1) сигналы с линейного разъединителяна вход QS_L.















