10 текст ВКР (1228330), страница 7
Текст из файла (страница 7)
Однолинейная электрическая схема системы вентиляции трансформатора 1 показана на чертеже ДП 140604.65 025 Э35.
3 АВТОМАТИЗИРОВАННАЯ СИСТЕМА ПРИТОЧНО – ВЫТЯЖНОЙ ВЕНТИЛЯЦИИ ТРАНСФОРМАТОРНОЙ ПОДСТАНЦИИ
3.1 Принцип работы системы управления приточно – вытяжной вентиляцией
В общем виде основные технологические функции управления приточно – вытяжной вентиляцией могут быть разделены на следующие группы:
Рисунок 3.1 – Основные технологические функции управления приточно – вытяжной вентиляцией (ПВВ)
3.1.1 Функция «контроль и регистрация параметров»
В соответствии с СНиП 2.04.05-91 обязательными параметрами контроля являются:
– температура в камере трансформатора, а именно температура на обмотках трансформатора;
– разность давлений перед фильтром и после фильтра, а также давление в воздуховоде.
Другие параметры в системах приточно – вытяжной вентиляции контролируются по требованию технических условий на оборудование или по условию эксплуатации.
Для измерения других параметров обычно используют местные (переносные или стационарные) приборы – показывающие термометры, манометры, устройства спектрального анализа состава воздуха и т.п.
Применение местных контролирующих приборов не нарушает основной принцип систем управления – принцип обратной связи. В этом случае он реализуется либо с помощью человека (обслуживающего персонала), либо с помощью управляющей программы, «зашитой» в память микроконтроллера.
3.1.2 Функция «оперативное и программное управление»
Немаловажным является реализовать такую опцию, как «последовательность пуска» . Для обеспечения нормального пуска системы приточно – вытяжной вентиляции следует учитывать:
– предварительное открытие воздушных заслонок до пуска вентиляторов. Это выполняется в связи с тем, что не все заслонки в закрытом состоянии могут выдержать перепад давлений, создаваемый вентилятором, а время полного открытия заслонки электроприводом доходит до двух минут.
– разнесение моментов запуска электродвигателей. Асинхронные электродвигатели зачастую могут иметь большие пусковые токи. Если одновременно запустить вентиляторы приводы воздушных заслонок и другие приводы, то из-за большой нагрузки на электрическую сеть подстанции сильно упадет напряжение, и электродвигатели могут не запуститься. Поэтому запуск электродвигателей, особенно большой мощности, необходимо разносить по времени.
Таким образом, на основании выделенных опций оперативного и программного управления можно представить типовой график включения и отключения аппаратов устройств приточно – вытяжной вентиляции.
На рисунке 3.2 показана циклограмма работы автоматизированной системы вентиляции.
Рисунок 3.2 – Типовая циклограмма работы автоматизированной системы охлаждения приточно – вытяжной вентиляцией
Весь этот цикл (рисунок 3.2) система должна отрабатывать автоматически, а, кроме того, должен быть предусмотрен индивидуальный пуск оборудования, который необходим при наладке и профилактических работах.
В простейшем случае эта система предусматривает в определенный момент времени снижение заданного значения регулируемого параметра (температуры) в зависимости от изменения тепловых нагрузок в обслуживаемом помещении.
При этом основной мотивацией и критерием оптимизации, как правило, является стремление обеспечить, возможно, минимальное потребление энергии при ограничениях на капитальные затраты, габариты и т.д.
3.1.3 Функция «защитные функции и блокировки»
Защитные функции и блокировки общие для систем автоматики и электрооборудования (защита от короткого замыкания, перегрева, ограничения перемещения и т.п.) оговорены межведомственными нормативными документами. Такие функции, обычно, реализуются отдельными аппаратами (автоматическими выключателями, устройствами защитного отключения, конечными выключателями и т.д.). Их применение регламентируется правилами устройства электроустановок (ПУЭ), правилами пожарной безопасности (ППБ).
3.1.4 Функция «защита технологической аппаратуры и электрооборудования»
Контроль загрязненности фильтра оценивается падением давления на нем, которое измеряется дифференциальным датчиком давления. Датчик измеряет разность давлений воздуха до и после фильтра. Допустимое падение давления на фильтре указывается в его паспорте (для манометров, представленных на заводских воздушных трассах, по техпаспорту - 150–350 Па). Эта разность устанавливается при наладке системы на дифференциальном датчике (уставка датчика). При достижении уставки от датчика поступает сигнал о предельной запыленности фильтра и необходимости его обслуживания или замены. Практически мгновенно в течении нескольких секунд после выдачи сигнала предельной запыленности фильтра, система производит аварийное отключение питания. На панели шкафа управления загорится соответствующая индикационная лампа «авария», а также этот сигнал необходимо вывести в комнату дежурного персонала.
3.1.5 Регулирующие функции
Регулирующие функции – автоматическое поддержание заданных параметров являются основными по определению [10] для систем приточно-вытяжной вентиляции, работающей с переменным расходом воздуха.
Принципиальная функциональная схема приточно – вытяжной вентиляции показана на чертеже ДП 140604.65. 025 022.
3.2 Алгоритм работы системы автоматизации вентиляции трансформаторной подстанции
Алгоритм работы автоматизированной системы управления разрабатывается на основе принципа работы системы вентиляции.
Блок – схема алгоритма работы автоматизированной системы приточно – вытяжной вентиляции показана на чертеже ДП 140604.65 025 014.
Автоматический режим управления создается на базе микроконтроллера Siemens Logo, ПЧ, датчиком температуры, установленным на обмотки трансформатора, а также датчиками давления, установленными на входе и выходе фильтров. Датчик температуры выполняет роль показаний значения температуры трансформатора, датчик давления фильтра определяет состояние загрязненности фильтра и затем дает информацию о работе или аварийном отключении системы.
Алгоритм работы в автоматическом режиме можно разделить на три этапа:
– включение системы и работа таймеров;
– вход в работу датчиков давления;
– превышение рабочей температуры трансформатора.
3.2.1 Включение системы и работа таймеров
Пуск системы осуществляется дежурным персоналом, при помощи автоматического выключателя и контакторов, находящихся в ШУ.
Изначально питание получают приводы воздушных заслонок. Время открытия заслонок составляет 90 с, время закрытия 15 с. Для того чтобы двигатели вентиляторов одновременно не запускались с приводами воздушных заслонок, применяются задержки включения или таймеры. Принцип работы используемых таймеров заключается в том, что на выходе таймера не будет сигнала, до тех пор, пока не истечет сконфигурированное время задержки.
В данном алгоритме применяются четыре таймера, два таймера по 30 с и два таймера по 90 с. На рисунке 3.3 показана временная диаграмма таймера, у которого время задержки 30 с.
Рисунок 3.3 – Временная диаграмма таймера
Два таймера по 30 с применяются для задержки времени включения двух вытяжных вентиляторов. Эти таймеры дают возможность немного открыться воздушным заслонкам, а затем вытяжные вентиляторы в свою очередь не дают возможности проникновения пыли.
После чего как таймеры отсчитали 30 с, поступают аналоговые сигналы от микроконтроллера в виде тока 4 – 20 мА на ПЧ. В следствии чего два вытяжных вентилятора входят в работу на частоту 3 Гц от преобразователя. Частота 3Гц от преобразователя приближенно соответствует частоте вращения двигателя 180 об/мин. Этой минимальной частоты вращения достаточно, чтобы пыль через вытяжные воздуховоды не попала на оборудование.
Далее после отсчета времени 90 с двумя другими таймерами, таким же образом входят в работу два приточных вентилятора на частоту от преобразователя 3Гц или на частоту вращения 180 об/мин.
3.2.2 Вход в работу датчиков давления
Как только приточные вентиляторы начинают свое вращение с минимальной частотой 180 об/мин, начинают работать реле перепада давления фильтров (датчики давления фильтров).
Если хотя бы один из двух фильтров загрязнен, система управления вентиляцией отключается и переходит в аварийный режим. В программе эти действия осуществляются при помощи базовых логических функций, таких как: «И», «НЕ», «ИЛИ». На панели ШУ загорится соответствующая индикационная лампа «авария», также эта лампа должна загораться в комнате дежурного персонала.
Если датчики давления не дают сигналов о загрязненности фильтров, следовательно, система управления вентиляцией продолжает работать. В программе эти действия осуществляются при помощи базовых логических функций «И» и «ИЛИ». На панели ШУ горит соответствующая индикационная лампа «работа».
3.2.3 Превышение рабочей температуры трансформатора
При превышении температуры работы трансформатора 1350С, поступают с преобразователя температуры аналоговые сигналы в виде тока 4 – 20 мА на вход микроконтроллера. С выхода микроконтроллера также аналоговые сигналы в виде тока 4 – 20 мА поступают на ПЧ. В следствии чего все вентиляторы плавно разгоняются на частоту от преобразователя 50 Гц, что соответствует номинальной частоте вращения двигателей вентиляторов.
Далее происходит охлаждение обмоток и магнитопровода, и температура трансформатора должна понижаться.
При понижении температуры до 1100С и ниже двигатели вентиляторов плавно переходят на минимальное вращение, т.е. на частоту 3 Гц от преобразователя.
Если по каким – то причинам температура на обмотках трансформатора превысила критическое значение 1550С, на панели ШУ, а также в комнате дежурного персонала загорится соответствующая индикационная лампа «перегрев». А система управления вентиляцией будет продолжать работать в номинальном режиме, т.е. вентиляторы вращаются с номинальной частотой.
В программе все эти действия реализуются с помощью аналоговых элементов таких как: аналоговый усилитель, аналоговый дифференциальный выключатель и линейно нарастающий аналоговый сигнал.
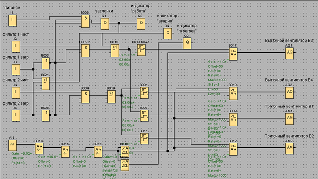
Процесс программирования производился в среде Siemens Logo Soft Comfort. Сама программа писалась на языке программирования Function Block Diagram (FBD). На рисунке 3.4 показано окно программы, реализующей автоматический режим управления системы.
Рисунок 3.4 – Окно действующей программы
4 БЕЗОПАСНОСТЬ ЖИЗНЕДЕЯТЕЛЬНОСТИ. РАСЧЕТ ПРОИЗВОДСТВЕННОГО ОСВЕЩЕНИЯ ТРАНСФОРМАТОРНОЙ ПОДСТАНЦИИ
4.1 Анализ вредных и опасных производственных факторов
При обслуживании трансформаторной подстанции могут иметь место следующие опасные и вредные факторы:
– наличие опасного напряжения на токоведущих частях электрооборудования;
– наличие опасного напряжения (шагового) в зоне растекания электрического тока при замыкании токоведущих частей на землю;
– возможность наличия опасного напряжения на корпусах оборудования при его повреждении;
– повышенный уровень шума на рабочем месте;
– недостаточная освещенность рабочей зоны при работах в помещении в темное время суток, а также в аварийных ситуациях при отсутствии напряжения в сети освещения;
– повышенная или пониженная температура воздуха рабочей зоны;















