ПЗ (1227491), страница 3
Текст из файла (страница 3)
В качестве основного 3d принтера был выбран «Ultamaker Original» (рисунок 10), основными качествами которого являются:
-
доступность;
-
простая, но надёжная конструкция;
-
высокое качество печати с разрешением 22мкм.
Рисунок 10 – Ultimaker Original
-
Разработка чертежей
Второй этап заключается в разработке чертежей согласно всем правилам и нормам для последующего моделирования по ним деталей и выполнения фрезеровочных работ на станке (рисунок 10 ). Важной частью этого этапа является:
-
выбор правильной толщины стенок, обеспечивающих необходимою прочность конструкции;
-
определение анатомически верной конструкции, обеспечивающей удобное держание в руке;
-
определение анатомически верных бортиков, предотвращающих выскальзывание щупа из рук;
-
выбор длинны иглы необходимой для снятия измерений, как в доступных, так и в труднодоступных местах.
Рисунок 11 – Разработка чертежа детали
-
Создание 3d модели
Для осуществления третьего этапа необходимо создать эскиз основного тела детали, применяя операции выдавливания, вырезания и нанося все необходимые условные обозначения приводим деталь в конечную форму (рисунок 11). При проектировании важно соблюдать правила построение 3d модели, которая в последствии будет распечатываться, такие как:
-
при оставлении детали из нескольких объектов, важно их свести к единому объекту;
-
при возможности проектировать модель с плоским основанием, обеспечивая тем самым хорошую фиксации при печати;
-
не проектировать стенки детали, меньшие сопла у 3d принтера;
-
обеспечить минимум нависающих конструкций
-
по возможности не проектировать мелкие детали и узкие места;
Рисунок 12 – 3d модель корпуса измерительного щупа
-
Создание сборки
Предварительно сделав чертежи и модели всех деталей корпуса оперируя привязками, собираем их в сборочную единицу (рисунок 12). На этом этапе происходит финальный взгляд на модель. На котором можно рассчитать центр тяжести конструкции, сделать её конечно элементарный анализ. Эти функции позволяют наиболее точно проанализировать работу различных узлов под действием температур и других сил.
При подключении библиотек таких как «Aristal Rendering» можно взглянуть на деталь с применением эффекта реалистичной детали. Эти функции позволяют оценить визуальную составляющую разрабатываемых щупов.
Для перехода к следующему этапу сборка сохраняется и оформляется необходимая документация.
Рисунок 13 – Сборка щупа
-
Подготовка к печати
Пятым этапом является подготовка деталей для печати на 3d принтере, для этого необходимо импортировать файлы в stl формат, в процессе импорта происходит триангуляция модели и перевода её в двоичный код для увеличения быстродействия.
-
Печать детали
Заключительным этапом является печать модели. STL-файл детали загружается в слайсер, настраиваются необходимые параметры печати, такие как масштаб, положение детали, поддержки и т.п. и деталь пускается на печать (рисунок 13).
Рисунок 14 – Процесс печати детали
После окончания печати деталь можно сразу использовать, при наличии поддержек и необходимо удалить. Также при необходимости деталь можно обработать абразивным материалом.
-
Разработка измерительной части
-
Состав измерительной части
-
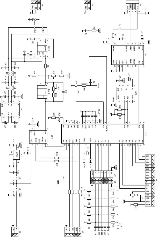
Измерительная часть прибора для диагностики гальванизма включает в себя микроконтроллер, АЦП, устройства индикации и ввода, драйвер USB\USAR, часы реального времени, измерительный усилитель и преобразователь питания. В качестве микроконтроллера использован микроконтроллер ATMega 32 компании Atmel обоснование выбора которого приведено в предыдущей главе. Принципиальна электрическая схема измерительной части приведена на рисунке 15, перечень элементов приведён в приложении А.
-
Микроконтроллер
Микроконтроллер ATMega 32 (DD3) включён по стандартной схеме с использованием внешнего кварцевого резонатора (QZ2, C29, C30) [46]. Для повышения качества питания входы питания микроконтроллера DD3 зашунтированы фильтрующими конденсаторами (С7- С11).
-
Аналого-цифровой преобразователь
В качестве аналого-цифрового преобразователя в приборе используется микросхема 12-битного АЦП с интерфейсом SPI AD7895 (DD4) компании «Texas Instruments» включена по стандартной схеме [47]. DD4 подключается к интерфейсу SPI микроконтроллера DD3 через резисторы R20 и R21.
Рисунок 15 – Принципиальная электрическая схема устройства
-
Устройства индикации и ввода
Устройства индикации и ввода состоят из LCD индикатора [48], кнопочной клавиатуры и устройства звуковой сигнализации (BZ1). LCD индикатор подключается к микроконтроллеру DD3 через разъём J4 к порту PA0. Для питания LCD индикатора и его подсветки используется схема состоящая из подстрочного резистора R11 для регулировки контрастности и резистора R12 ограничивающего ток подсветки. Кнопочная клавиатура выполнена на отдельной плате и подключается к основной плате разъёмами J7 и J8. Кнопочная клавиатура включает в себя пять кнопок (B1-B5) подтянутых к высокому уровню резисторами (R13-R15, R27, R28). Для снижения дребезга кнопки B1-B5 зашунтированы конденсаторами C26-C28, C36, C37. Для снижения помех по питанию усыновлен электролитических конденсатор C25. Устройства звуковой сигнализации подключаются к микроконтроллеру DD3 через транзистор VT1 и резистор R6 обеспечивающих согласование уровней. Питание BZ1 зашунтировано конденсатором C6 для снижения помех.
-
Драйвер USB\USART
Драйвер USB\USART реализован на микросхеме FT232RL (DD1) компании «FTDI» включённой по схеме с питанием от внутреннего источника [49]. Подключение к ПК осуществляется через разъём J1, подключённый к микросхеме DD1. Резистивный делитель R1, R2 используются для подачи сигнала сброса на микросхему DD1.Конденсаторы C1, C2, C3 и ферритовая бусина L1 обеспечивают электромагнитную совместимость DD1 с внешними цепями и линией питания.
-
Часы реального времени
Для реализации часов реального времени использована микросхема DS1307 (DD2) компании «Электроника и связь». Микросхема DD2 подключается к микроконтроллеру DD3 по интерфейсу I2C. Резисторы R4 и R5 обеспечивают подтяжку линии I2C к высокому. К микросхеме DD2 подключаются часовой кварцевый резонатор QZ1 обеспечивающий точность временный отсчётов. Для сохранения текущего времени и даты к микросхеме DD2 подключается 3 В литий-ионовая батарея (BAT1). Конденсатор C5 обеспечивает фильтрацию питания микросхемы DD2.
-
Измерительный усилитель
Измерительный усилитель (ИУ) предназначен для согласования входный сигналов со щупов с диапазоном входных значений АЦП DD4. Диапазон входных значений АЦП DD4 составляет от 0 В до напряжения опорного источника DA3 - 2,5 В. Диапазон изменения входных значений установим равный плюс-минус 0,5 В. Таким образом необходимо сместить постоянную составляющую входного сигнала до величины среднего значения входного диапазона АЦП - 1,25 В и усилить его в 2,5 раза.
Для расчёта усилительного каскада ИУ использовалось схема приведённая на рисунке 16.
Рисунок 16 – Измерительный усилитель
Входное сопротивление зададим равное 1 кОм (Rвх = 1кОм). Коэффициент усиления для операционного усилителя в случае если сигнал подаётся на инверсный вход рассчитывается по формуле
|
| (1) |
Зная коэффициент усиления (Ku- = 2,5) и входное сопротивление Rвх из формулы 1 выражаем значение сопротивления обратной связи
|
| (2) |
Для обеспечения смещения выходного сигнала на прямой вход операционного усилителя необходимо подать напряжение смещения рассчитывающееся по формуле:
|
| (3) |
где Uвыхсм = 1.25 В – выходное напряжение смещения, Ku+ – коэффициент усиления по прямому входу
|
| (4) |
Подставив значение формулы 4 в формулу 3, найдём необходимое напряжение смещения
|
| (5) |
Для ограничения полосы пропускания ИУ в диапазоне до F = 100 кГц, емкость обратной связи равна:
|
| (6) |
Измерительный усилитель реализован на микросхеме AD822AR состоящей из двух операционных усилителей. Первый операционный усилитель DA1.1 включён по схеме инвертирующего повторителя для развязки входных цепей. На втором операционном усилителе DA1.2 осуществляется смещение сигнала и его усиление.
Резистор R7 задаёт входное сопротивление для усилителя DA1.2 и равен Rвх. Для точной подстройки коэффициента усиления, сопротивление обратной связи Rобр задаётся последовательным включением подстроенного резистора R10 и постоянного резистора R24. Напряжение умещения Uсм на прямом входе DA1.2 задаётся с помощью резистивного делителя
|
| (7) |
Формула 7 справедлива в том случае если общее сопротивление делителя намного меньше входного сопротивления операционного усилителя. Входное сопротивление DA1.2 составляет 1013 Ом [50]. Исходя из этого выберем значение R9 = 1кОм. Тогда сопротивление R26+R8 найдём из выражения 7.
|
| (8) |
Ёмкость С12 ограничивает полосу операционного усилителя DA1.2 и должна быть не менее Собр.
Для защиты входных цепей ИУ используется TVS диод VD3 и диодный ограничитель (VD1, VD2). Резистор R23 = 10 МОм обеспечивает рассасывание паразитных зарядов на щупах. Конденсаторы С13 и С14 используются в качестве фильтрующих по линии питания.
-
Питание прибора
Для питания микросхем входящих в состав прибора необходимо обеспечить напряжение питания плюс 5 и плюс-минус 8 В, а также опорное напряжение для АЦП и делителя смещения минус 2.5 В. Питание прибора осуществляется от внешнего источника напряжения плюс 5 В. Для фильтрации линии 5 В используется П-образный LC фильтр пятого порядка выполненный на элементах C33, C34, C35, L6 и L7. Для формирования линии питания плюс-минус 8 В используется микросхема повышающего преобразователя MAX865EU (DA2) включённая по стандартной схеме [51]. Для уменьшения уровня шумов в линиях питания плюс-минус 8 В используются двухзвенные Г-образные L фильтры выполненные на элементах C15-C19 и L2-L5. Формирование опорного напряжения 2,5 В осуществляется с помощью микросхемы MAX6125 (DA3) [52].
-
Конструкция прибора
-
Топология печатных плат
-
Исходя из принципиальной электрической схемы создана топология печатных плат для реализации на практике. топология печатных плат разработана способом химического травления. Разводка принципиальной логической схемы в топологию печатных плат произведена в программе «Spring Layout». Конструктивно прибор реализован на двух печатных платах (ПП), основной и платы клавиатуры. Основная плата является двухсторонней (ДПП). Топология верхнего слоя основной платы представлена на рисунке 17. На нём располагаются основные микросхемы устройства такие, как микроконтроллер, цифровые часы, преобразователь питания, а также разъёмы для подключения других компонентов прибора.
Рисунок 17 – Топология верхнего слоя основной платы
Топология нижнего слоя представленная на рисунке 18. На нижнем слое располагаются микросхемы драйвера USB\USART и операционных усилителей.
.
.









