Мой диплом Ангарский (1226939), страница 3
Текст из файла (страница 3)
Рисунок 3.2 – Схема замещения
Принимаем Sб = 100 МВА и рассчитываем все сопротивления схемы замещения при этой базисной мощности.
Сопротивление источника питания определяем по (формуле, 3.5):
SКЗ.И = 1100 МВА
Х1 =
=
=
= 0,09 Ом; (3.5)
Сопротивление линии при напряжении 230 кВ определяем
по (формуле, 3.6):
X2=X3=
= X0*L1*
= 0,4*5,2*
= 0,004 Ом, (3.6)
где Х0 = 0,4 Ом/км [1]
3.3.1 Расчет тока трехфазного КЗ для точки К1
Определяем относительное базисное сопротивление до точки К1:
=
+0,5*
= 0,09+0,5*0,004 = 0,092. (3.7)
Расчет токов и мощности КЗ выполняем в следующей последовательности:
– определяем базисный ток Iб:
Iб =
=
= 0,25 кА; (3.8)
– определяем ток трехфазного короткого замыкания
:
Ik =
=
= 2,72 кА; (3.9)
– определяем ток двухфазного замыкания Iк(2):
= 0,866*
= 0,866*2,72 = 2,35 кА; (3.10)
– определяем ток однофазного замыкания Iк(1), кА:
= 0,55*
= 0,55*2,72 = 1,496 кА; (3.11)
– определяем ударный ток iу:
iy = 2,55* Ik = 2,55*2,72 = 6,936 кА; (3.12)
– определяем мощность трехфазного КЗ:
Sk =
=
= 1086,96 МВА. (3.13)
3.3.2 Расчет тока трехфазного КЗ для точки К2 (шина 10 кВ)
ХВН=ХВ.*б =
*
=
*
= 2,415; (3.14)
ХНН=ХВ.*б =
*
=
*
= 0,11. (3.15)
Определяем относительное базисное сопротивление до точки К2:
- трансформатор Т1
=
+0,5*( ХВН + ХНН) = 0,098+0,5(2,415+0,11) = 2,525. (3.16)
Расчет токов и мощности КЗ выполняем в следующей последовательности:
– определяем базисный ток Iб:
Iб =
=
= 5,5 кА;
– определяем ток трехфазного короткого замыкания
:
Ik =
=
= 2,18 кА;
– определяем ток двухфазного замыкания Iк(2):
= 0,866*
= 0,866*2,18 = 1,89 кА;
– определяем ток однофазного замыкания Iк(1):
= 0,55*
= 0,55*2,18 = 1,2 кА;
– определяем ударный ток iу:
iy = 2,55* Ik = 2,55*2,18 = 5,559 кА;
– определяем мощность трехфазного короткого замыкания:
Sk =
=
= 39,6 МВА,
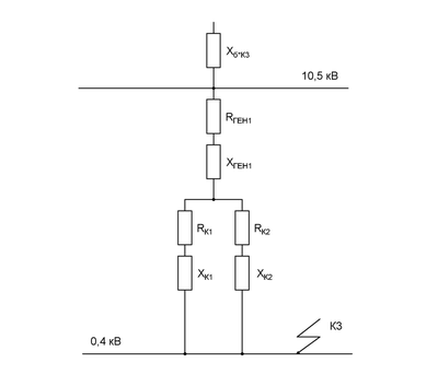
3.3.3 Расчет токов короткого замыкания до точки К3
Рисунок 3.3 – Схема замещения
для точки К3
Длительный рабочий ток для трансформатора собственных нужд, А:
, (3.17)
где
– мощность трансформатора собственных нужд, кВА.
Iдл.раб.ТСН =
= 144,34 А.
Трансформатор присоединен к шинам 0,4 кВ двумя кабелями ПвПу –
мм2, максимальный допустимый ток которых:
, (3.18)
Где
– количество параллельно включенных кабелей;
– длительно допускаемый ток для принятого сечения кабеля 4;
– коэффициент, учитывающий ухудшение условий охлаждения кабелей, проложенных рядом.
А.
Принимая длину кабеля 35 м получаем сопротивление кабеля в относительных базисных единицах:
, (3.19)
.
где x0 – сопротивление кабеля = 0,4 Ом/км 4.
Аналогично находится активное сопротивление:
.
Находим сопротивления трансформатора собственных нужд в относительных базисных единицах:
ХТСН1*б =
*
, (3.20)
где Uk – напряжение короткого замыкания = 6%;
– мощность трансформатора собственных нужд = 100 КВА.
rТСН1*б =
, (3.21)
где
– потери активной мощности в трансформаторе при коротком замыкании = 3,7 кВт,
rТСН1*б =
= 37.
Результирующее реактивное сопротивление до точки К3:
= Хб*К2 + 0,5* ХТСН1 + 0,5*Хk, (3.22)
=
+0,5*
=32,83.
Результирующее активное сопротивление до точки К3:
rрез.3*б = 0,5*rT1 + 0,5*rk; (3.23)
rрез.3*б =0,5*5,92+0,5*37 = 21,46.
Результирующее полное сопротивление до точки К3
Zрез.3*б =
, (3.24)
Zрез.3*б =
= 39,22.
Расчет токов и мощности КЗ выполняем в следующей последовательности:
– определяем базисный ток Iб:
кА;
– определяем ток трехфазного короткого замыкания
:
Ik =
=
= 3,68 кА;
– определяем ток двухфазного замыкания:
= 0,866*
= 0,866*3,68 = 3,19 кА;
– определяем ток однофазного замыкания:
= 0,55*
= 0,55*3,68 = 2,024 кА;
– определяем ударный ток iу:
iy = 2,55* Ik = 2,55*3,68 = 9,384 кА;
– определяем мощность трехфазного КЗ:
Sk =
=
= 2,55 МВА.
Таблица 3.2 — Сводная таблица расчетов
| Параметры точек КЗ | Uср, кВ |
| Iк(3), кА | Iк(2), кА | Iк(1), кА | iу, кА | Sкз, МВА |
| Шина РУ-220 кВ | 220 | 0,092 | 2,72 | 2,35 | 1,496 | 6,936 | 1086,96 |
| Шина РУ-10 кВ | 10 | 2,52 | 2,18 | 1,89 | 1,2 | 5,56 | 39,6 |
| Шина РУ-0,4 кВ | 0,4 | 39,22 | 3,68 | 3,19 | 2,024 | 9,384 | 2,55 |
4. ВЫБОР ОСНОВНОГО ОБОРУДОВАНИЯ И ТОКОВЕДУЩИХ ЭЛЕМЕНТОВ ПОДСТАНЦИИ
4.1 Максимальные рабочие токи сборных шин и присоединений подстанции
– вводы подстанции, А:
Iраб.макс =
=
= 34,2 А; (4.1)
где Кпр – коэффициент перспективы развития подстанций и потребителей = 1,3.
– сборные шины РУ-220 кВ:
Iраб.макс =
=
= 20,47 А; (4.2)
где КР.Н. – коэффициент распределения нагрузки на шинах распределительного устройства = 0,5…0,7.
– первичная обмотка трансформатора:
Iраб.макс. =
=
= 39,36 А; (4.3)
где Кпер – коэффициент допустимой перегрузки трансформатора = 1,5.
– обмотка низшего напряжения трансформатора:
Iраб.макс. НН =
=
= 577,35 А; (4.4)
- сборные шины РУ–10 кВ:
Iраб.макс. =
=
= 346,41 А; (4.5)
- первичные обмотки ТСН:
Iраб.макс.ВН =
=
= 8,66 А;
где Кпер – коэффициент допустимой перегрузки трансформатора = 1,5;
– питающие линии потребителей 10 кВ СЦБ-ЮГ:
Iраб.макс. =
=
= 805,804 А,
Питающие линии остальных потребителей рассчитывается аналогично, результаты расчетов заносим в таблицу 4.1.
Таблица 4.1 — Максимальные рабочие токи основных присоединений подстанции
| Наименование потребителя | Iрmax ,А |
| вводы подстанции | 34,2 |
| сборные шины РУ-220 | 20,47 |
| первичная обмотка трансформатора | 39,36 |
обмотка низшего напряжения трансформатора | 577,35 |
| сборные шины РУ-10 | 346,41 |
| фидера РУ-10: | |
| СЦБ Юг | 12,14 |
| СЦБ Север | 15,35 |
Окончание таблицы 4.1
| Наименование потребителя | Iрmax ,А |
| Ф-2 Промзона | 18,48 |
| Ф-4 Аланап | 17,25 |
| Ф-1 Поселок | 41,67 |
| Ф-2 Поселок | 50 |
| первичные обмотки ТСН, кВ | 8,66 |
4.3 Выбор высоковольтных выключателей
Начальное действующее значение периодической составляющей тока короткого замыкания на шинах ОРУ 220 кВ
= 3 кА
Проверка по условиям рабочих продолжительных режимов:
Uном = 220кВ
220кВ
Максимальный рабочий ток в цепи выключателя рассчитывается по мощности обмотки 220 кВ трансформатора 10 МВ∙А:
Iраб =
=
= 26,25А;
Номинальный ток для выключателя 220 кВ - 2500 А.
Iном = 2500A
26,25A.
Ударный коэффициент
куд = 1+е-0,01/0,03 = 1,717; где Та = 0,03с,
Ударный ток
iуд
*
* куд =
*3*1,717 = 7,285 кА;
Проверка на электродинамическую стойкость:
Наибольший пик тока электродинамической стойкости для выключателя 220 кВ составляет 125 кА.
Iвкл. = 125кА
7,285кА;
Проверка по термической стойкости:
Ток термической стойкости для выключателя 220 кВ составляет 50 кА, а время протекания тока термической стойкости 3 с.
tоткл.
3*Таэк;
tоткл.
tтерм.;
Вккаталожн. =
* tтерм. = 502*3 = 7500кА2*с;
Вкрасч. =
* (tоткл.+Та) = 32*(0,16+0,03)=1,71кА2*с;
7500кА2*с
1,71кА2*с
Выбор по коммутационной способности:
Iвкл. = 50кА
3кА;















